0101 Frame System 车身系统
0102 Cover Assembly 外罩总成
0103 Caster Assembly 万向轮总成
0201 Driving System 驱动系统
0202 Driving Assembly 驱动单元总成
0301 Operating Control System 操作系统
0302 Control Pod Assembly 手柄头总成
0303 Upper Cover Assembly 上盖总成
0401 Hydraulic Assembly 液压总成
0402 Lifting Cylinder 起升油缸
0403 Pump & Motor Assembly 液压站总成
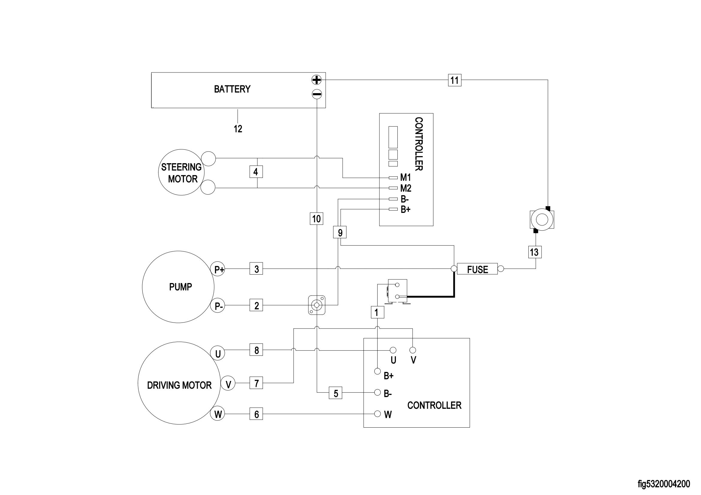
0501 Electrical System 电气系统
0502 Controller Board Assembly 电器安装板总成
0503 wire Harness Assembly 线束总成
0504 Cable Assembly 电缆总成
0505 Battery Assembly 电瓶总成
0506 Battery Assembly 电瓶总成