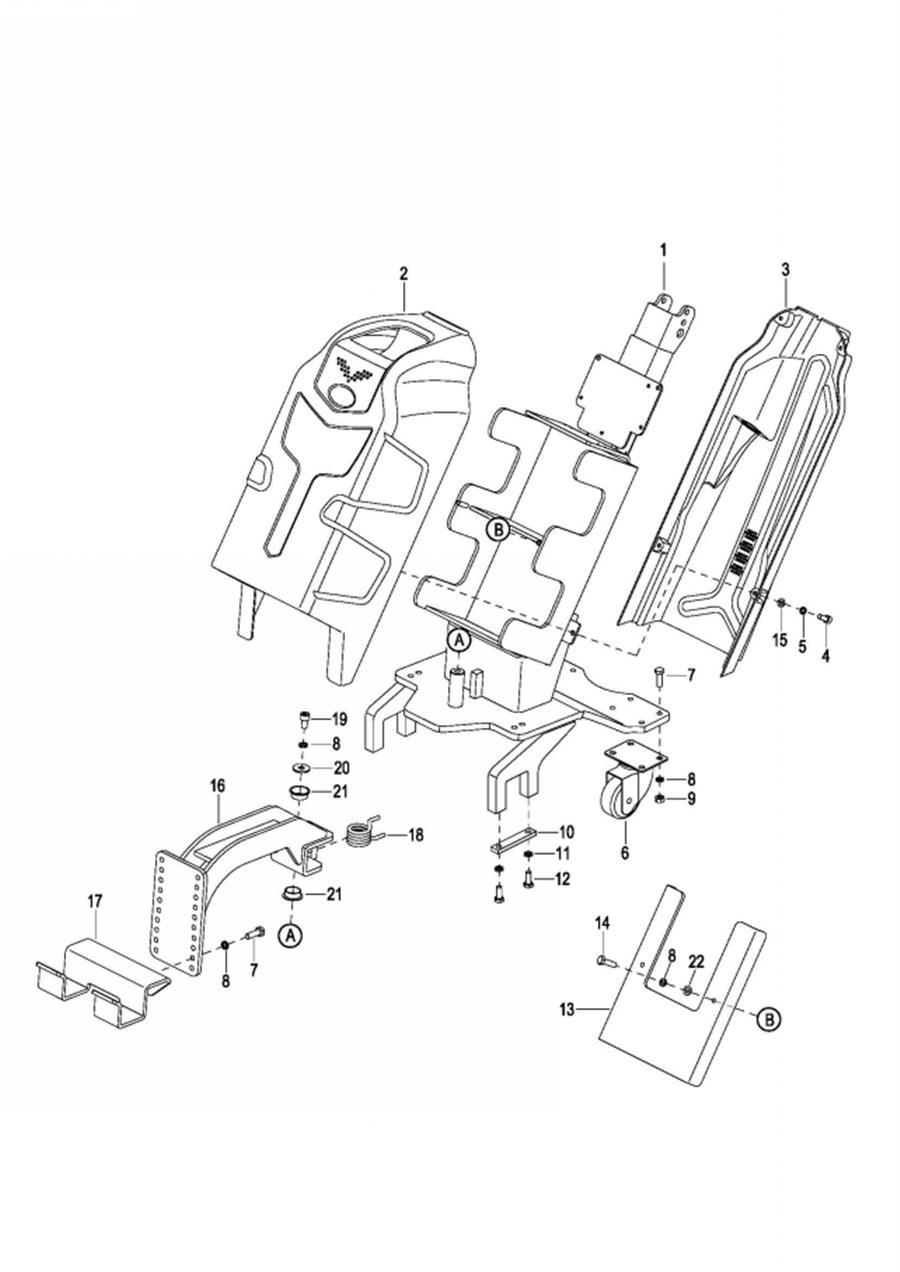
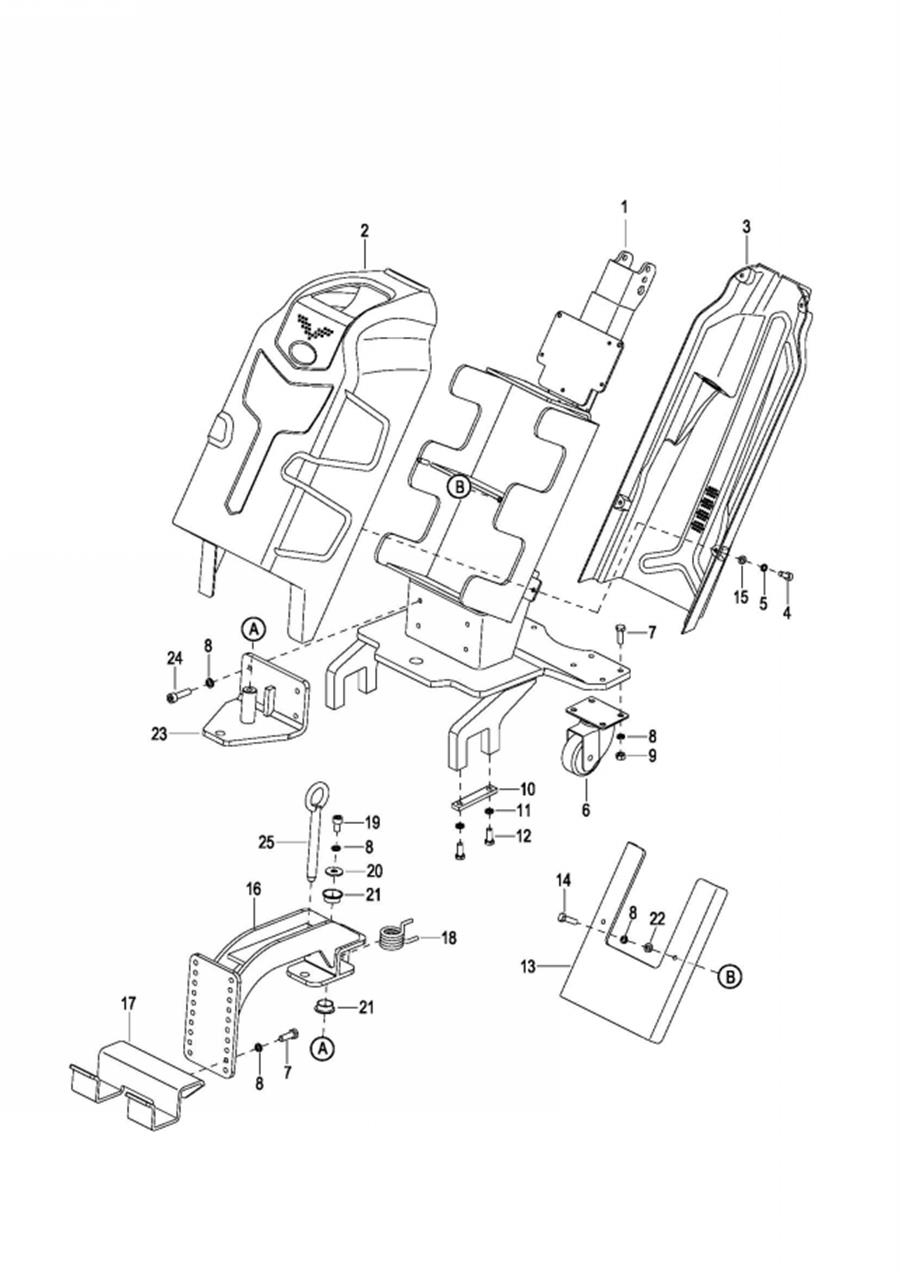
0101 Frame System 车身系统
010101 Frame System 车身系统
0102 Hook,Option 挂钩(选配)
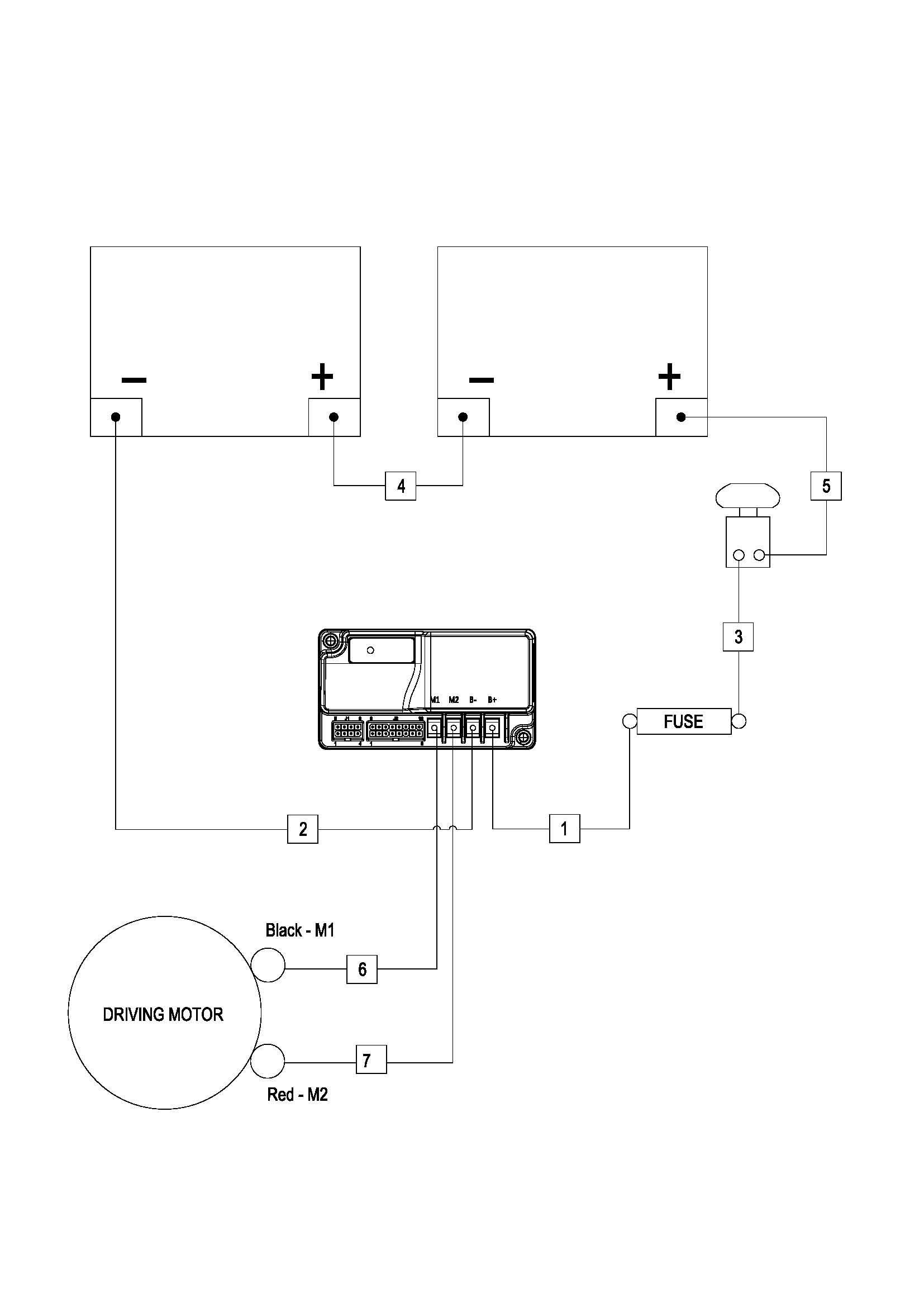
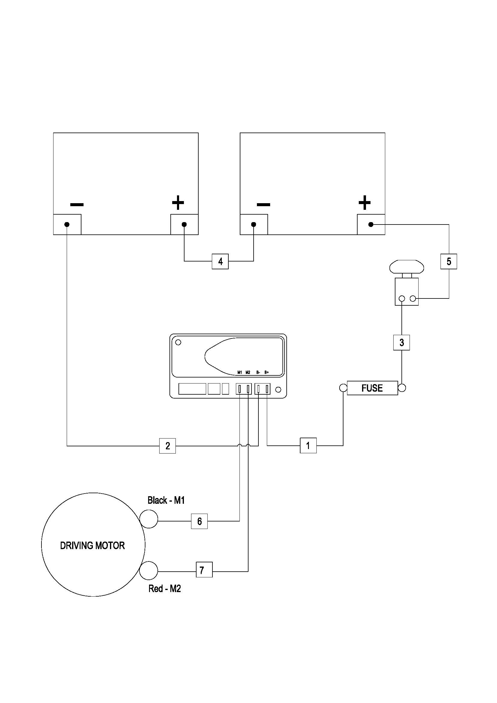
0201 Driving System 驱动系统
0301 Operating Control System 操作系统
0302 Control Pod Assembly 操作手柄头总成(S.N. before -427102394)
030201 Control Pod Assembly操作手柄头总成(S.N. after 427102395- )
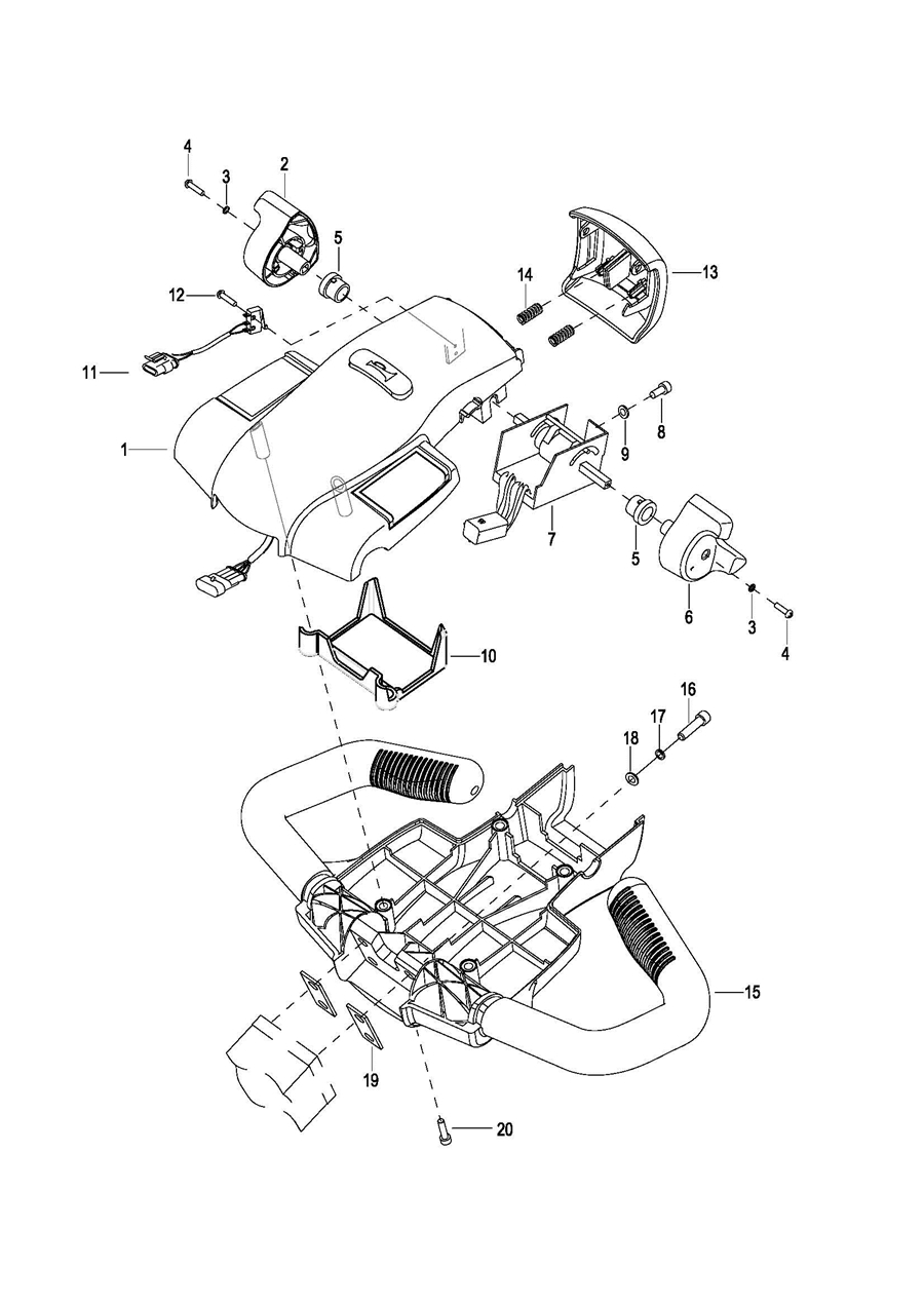
0303 Upper Cover Assembly 上盖总成(S.N before -425131534 )
030301 Upper Cover Assembly 上盖总成(S.N. from 425131535- to -427102394)
030302 Upper Cover Assembly上盖总成(S.N after 427102395-)
0304 Button Reverser Assembly 紧急反向开关总成(S.N. before -427102394)
0401 Electrical System 电气系统(S.N.before -4311210357)
040101 Electrical System 电气系统(S.N.after 4311210358-)
0402 Wire Harness Assembly(For Non CE) & (For CE SN Before -4321503145) 线束总成
040201 Wire Harness Assembly(For CE,SN After 4321503146-)
0403 Cable Assembly(For Non CE) 电缆总成
0403 Cable Assembly(For CE)