0101 Frame System 车架系统
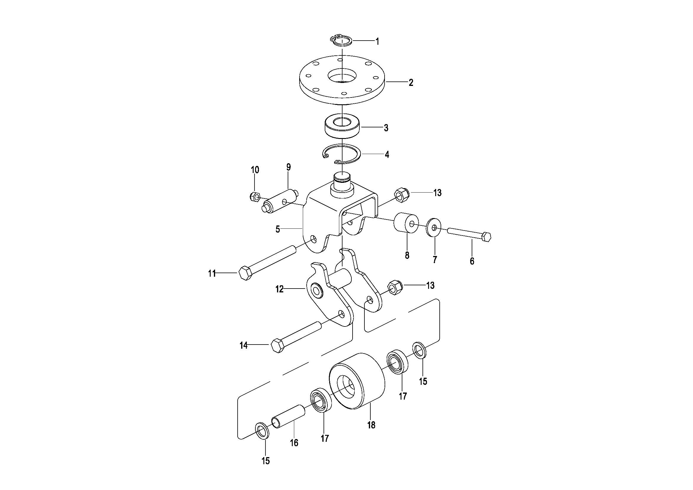
0102 Cover Assembly 万向轮总成
0201 Driving System 驱动系统
0202 Driving Motor 驱动电机总成
0301 Operating Control Assembly ( Left ) 操作总成(左)
0302 Operating Control Assembly ( Right ) 操作总成(右)
0401 Hydraulic System 液压系统
040201 Hydraulic Pump Assembly 液压站总成
0501 Electrical Assembly 控制器安装总成
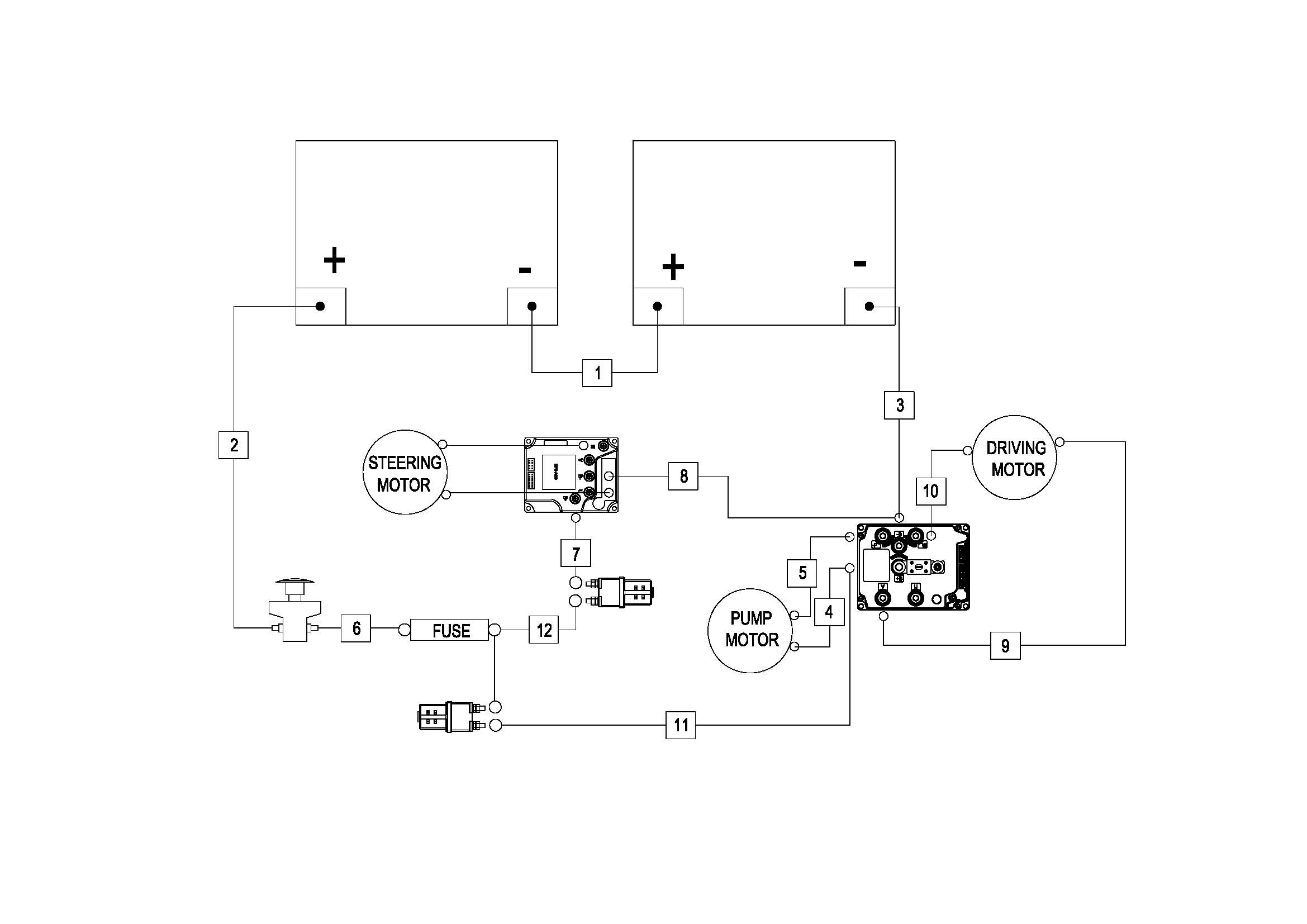
0502 Wiring Harness 1 线束1
0503 Wiring Harness 2 线束 2
0504 Cables(Storage battery) 电缆总成(蓄电池)
0504 Cables(Lithium Battery) 电缆总成(锂电池)
0505 Lithium-battery Assembly 锂电瓶总成
0506 Lithium-battery Cable 锂电瓶电缆总成
0507 Lithium-battery Wiring Harness 锂电瓶线束
0601 Mast Assembly(S.N.before-2321800783) 门架总成
060101 Mast Assembly(S.N.after2321800784-) 门架总成
0602 Mast Assembly 门架组件
0603 Lift Cylinder 起升油缸
0604 Chain Assembly 链条总成
0605 Push Rod液压推杆组件
0701 Loading Frame System 载架系统
Labels(标贴)