0101 Frame System 车身系统
0101 Frame System For Lithium Battery 锂电款车身系统
0102 Overhead Guard 安全棚
0103 Overhead Guard Optional 安全棚选配
0104 Front Cover 前外罩
0105 Back Cover 后外罩
0106 Front Wheel Assembly 前轮组件
0107 Brake Assembly 制动器总成
0201 Steer And Brake Control System操作和制动系统
0202 Service Brake行车制动
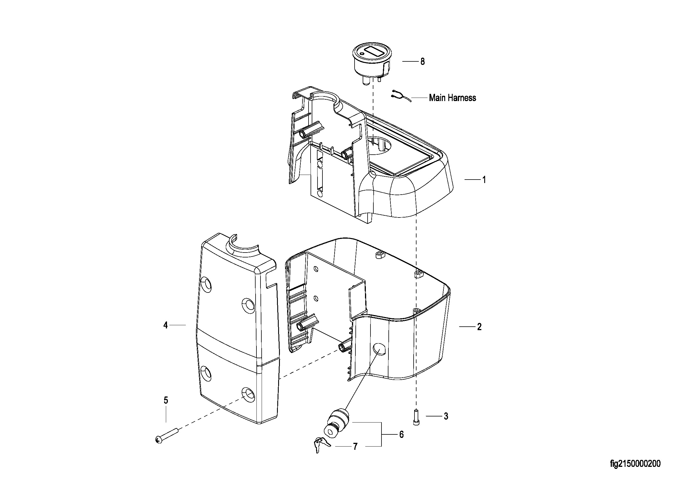
0203 Meter 仪表
0204 Steering Assembly 转向柱总成
0205 Valve Control Linkage 多路阀操作杆
0301 Driving System Assembly 驱动系统总成
0302 Gear Case Assembly 变速箱
0303 Driving Wheel 驱动轮
0401 Hydraulic SystemⅠ液压管路Ⅰ
0402 Hydraulic SystemⅡ 液压管路Ⅱ
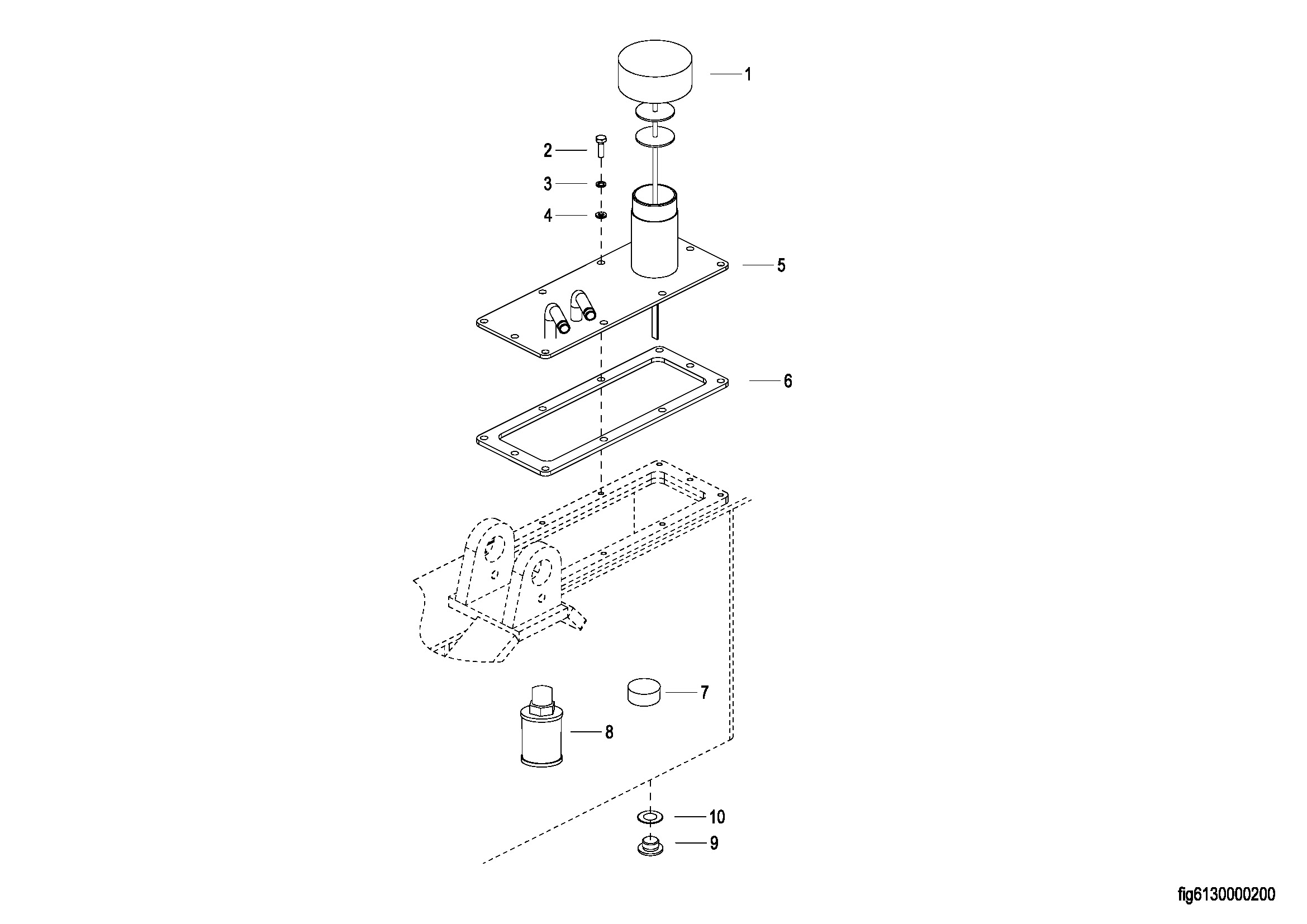
0403 Oil Tank 油箱
0501 Electrical Components(SN up to-2311700239) 电器元件
050101 Electrical Components(SN from 2311700240-)电器元件
0502 Wiring Harness Assembly 线束总成
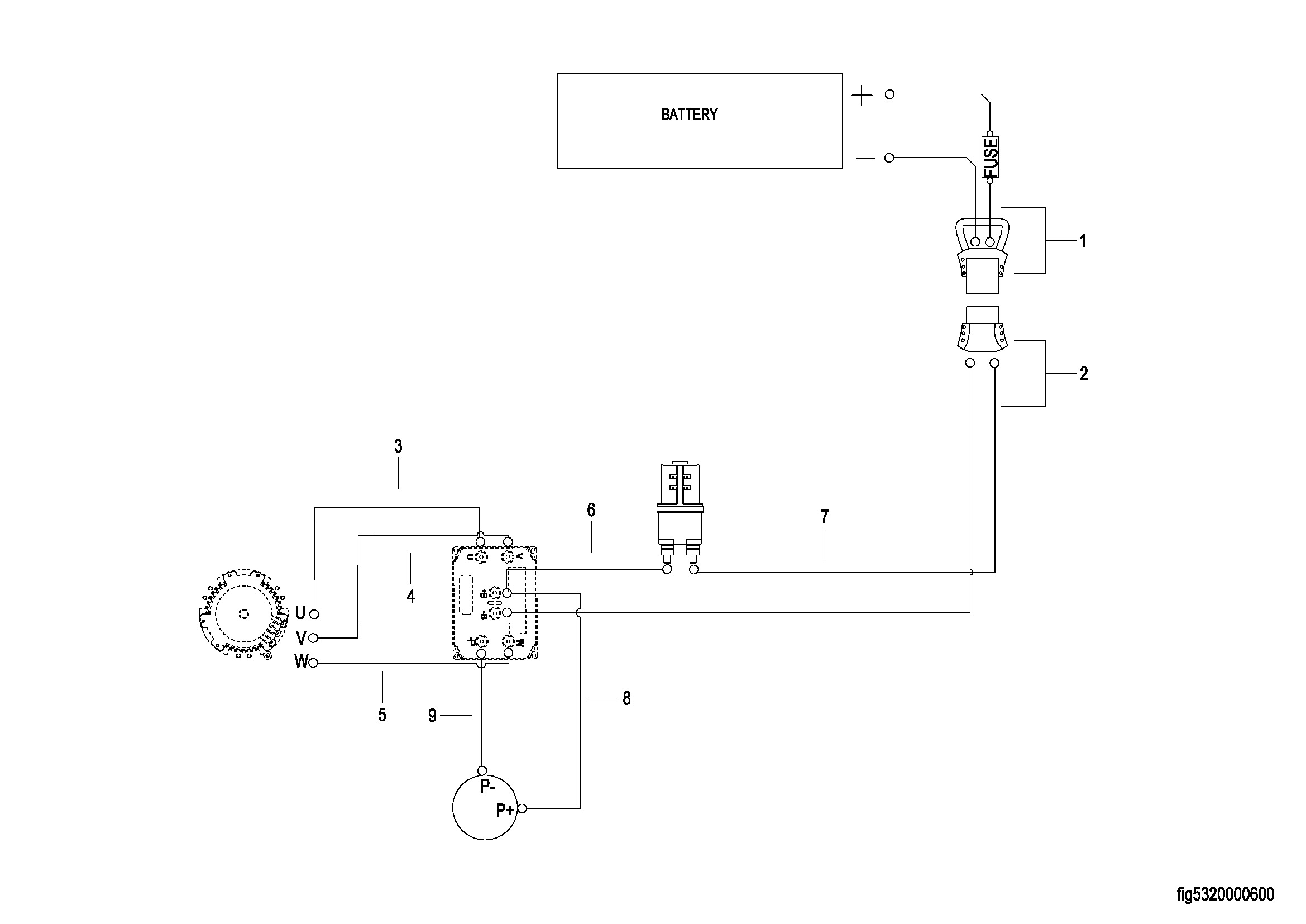
0503 Cable 电缆总成
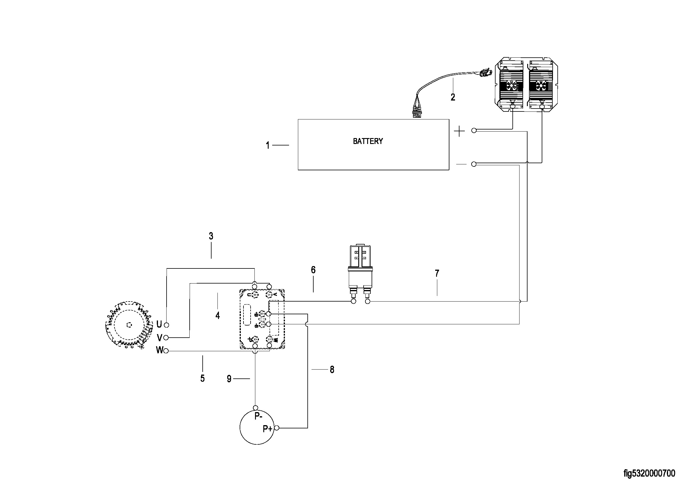
0503 Cable For Lithium Battery 锂电池款电缆总成
0504 Lithium Battery Assembly 锂电瓶总成(S.N.Before-2332000474)
050401 Lithium Battery Assembly 锂电瓶总成(S.N.After 2332000475-)
0505 Lithium Battery Assembly(For 2023 New CE)锂电瓶总成
0901 Label标贴