机体总成及附件 Engine block assembly and accessory
气缸盖总成 Cylinder head assembly
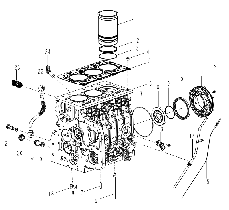
活塞连杆总成 Piston and connecting rod assembly
曲轴总成 Crankshaft assembly
平衡轴总成 Balance shaft assembly
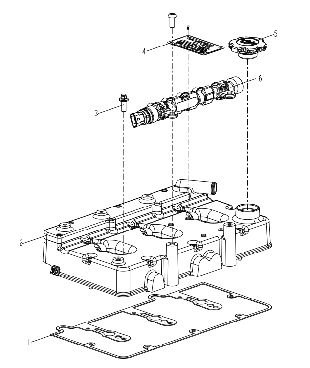
气缸盖罩总成 Cylinder head cover assembly
配气机构及凸轮轴总成 Gas distribution mechanism and camshaft assembly
油气分离器总成Oil and gas separator assembly
正时齿轮传动总成 Timing gear train assembly
飞轮总成 Flywheel assembly
水泵总成 Water pump
发电机及皮带总成 Generator and belt assembly
风扇总成 Fan assembly
飞轮壳总成 Flywheel housing
进气管总成 Intake assembly
EGR及冷却器总成 EGR and cooler assembly
排气管总成 Exhaust pipe assembly
增压器总成 The supercharger assembly
机油集滤器总成 Oil strainer assembly
机油滤清器总成 Oil filter assembly
油底壳总成 Oil sump assembly
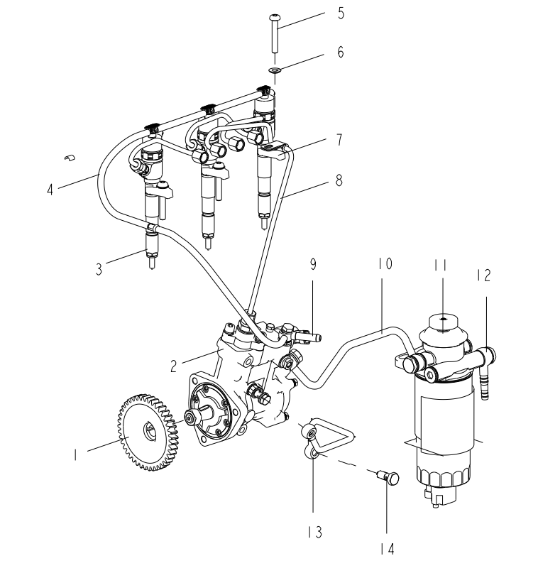
燃油供油系统 Fuel supply system assembly
起动机总成 Starter assembly
线束总成 Circuit group assembly
后处理总成及附件 After-treatment system assembly and accessory