01 BARE & SHORT ENGINE电机
02ENGINE GASKET KIT发动机垫片套件
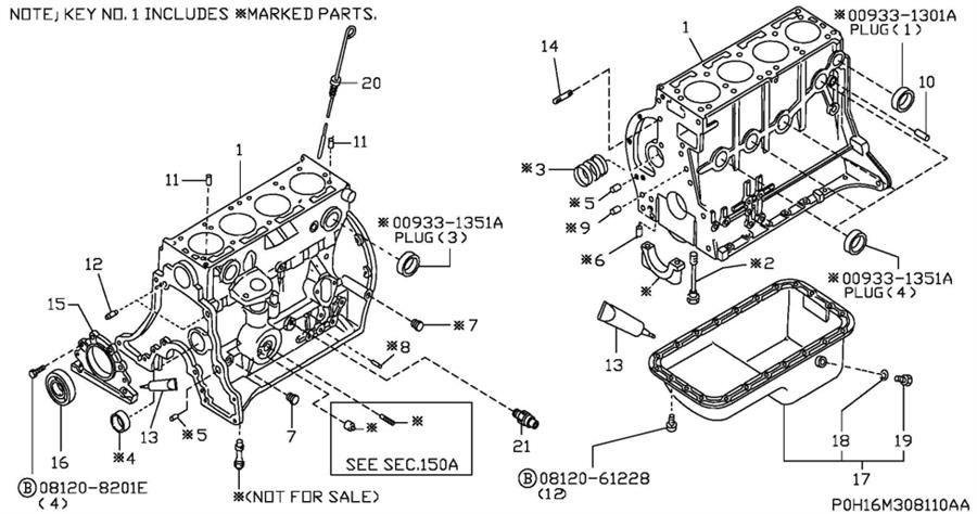
03 CYLINDER BLOCK & OIL PAN气缸体和油盘
04 CYLINDER HEAD & ROCKER COVER汽缸及摇杆盖
05 CRANK CASE VENTILATION曲轴箱通风
06 PISTON,CRANKSHAFT & FLYWHEEL 活塞曲轴和飞轮
07 CAMSHAFT & VALVE MECHANISM 凸轮轴和气门机构
08 FRONT COVER & FITTING盖板及配件
09 MANIFOLD歧管
10 LUBRICATING SYSTEM 润滑系统
11 CARBURETOR汽化器
12 FUEL STRAINER & FUEL HOSE 燃油过滤器和燃油软管
13 AIR CLEANER 空气过滤器
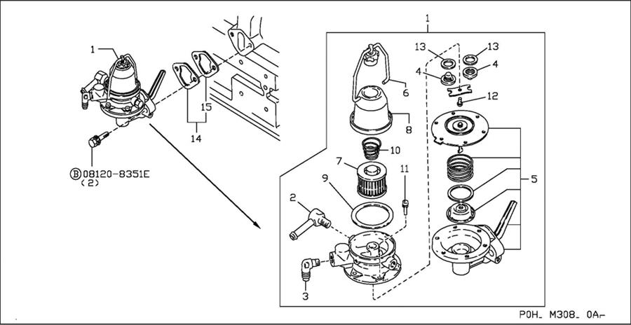
14 FUEL PUMP 燃油泵
15 GOVERNOR 调节器
16VAPORIZER 汽化器
16 VAPORIZER汽化器
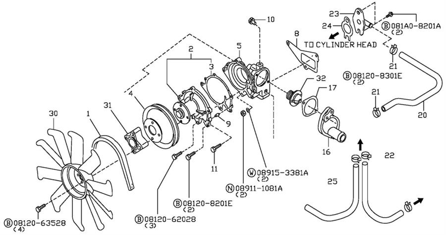
17 WATER PUMP, COOLING FAN & THERMOSTAT水泵冷却风扇,恒温器
18 IGNITION SYSTEM 点火系统
19 DISTRIBUTOR 配电盘
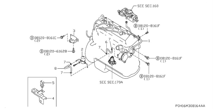
20 VACUUM PIPING 真空管道
21 ALTERNATOR FITTING交流发电机配件
22 ALTERNATOR 交流发电机
23 STARTER MOTOR 启动发电机