-
Главная
-
Каталог запасных частей
-
EP Equipment
-
Электротележка для поддонов
-
Mini Series
-
F3
Запчасти на Электротележка для поддонов EP Equipment F3 Mini Series
0101 Frame Assembly 车架系统(For F3)(S.N.before-7321704253)
010101 Frame Assembly 车架系统(For F3)(S.N.after7321704254-)
0102 Caster Assembly 万向轮(S.N.before-7321704253)
010201 Caster Assembly 万向轮(S.N.after7321704254-)
0103 Cover外罩
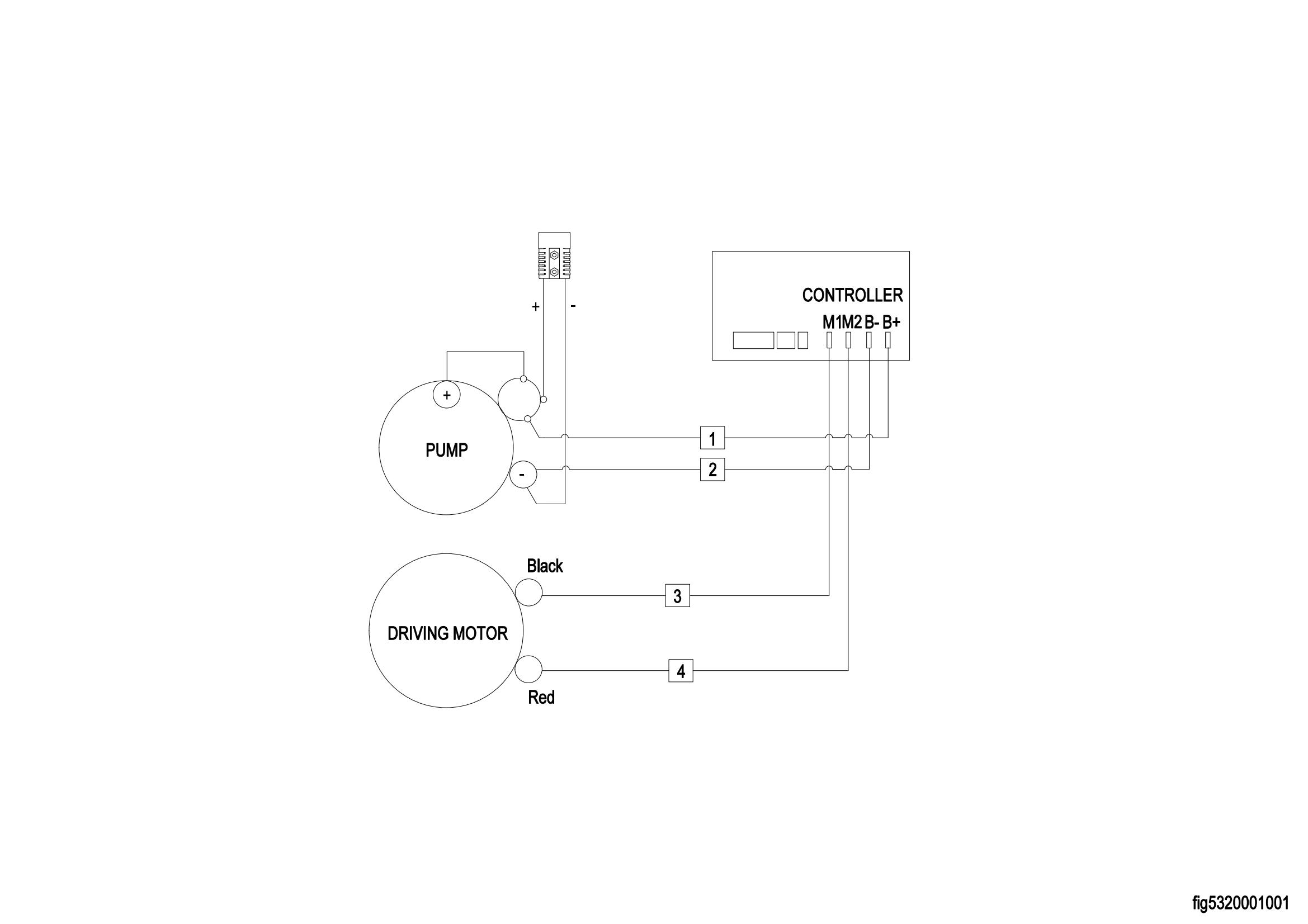
0201 Driving System驱动系统
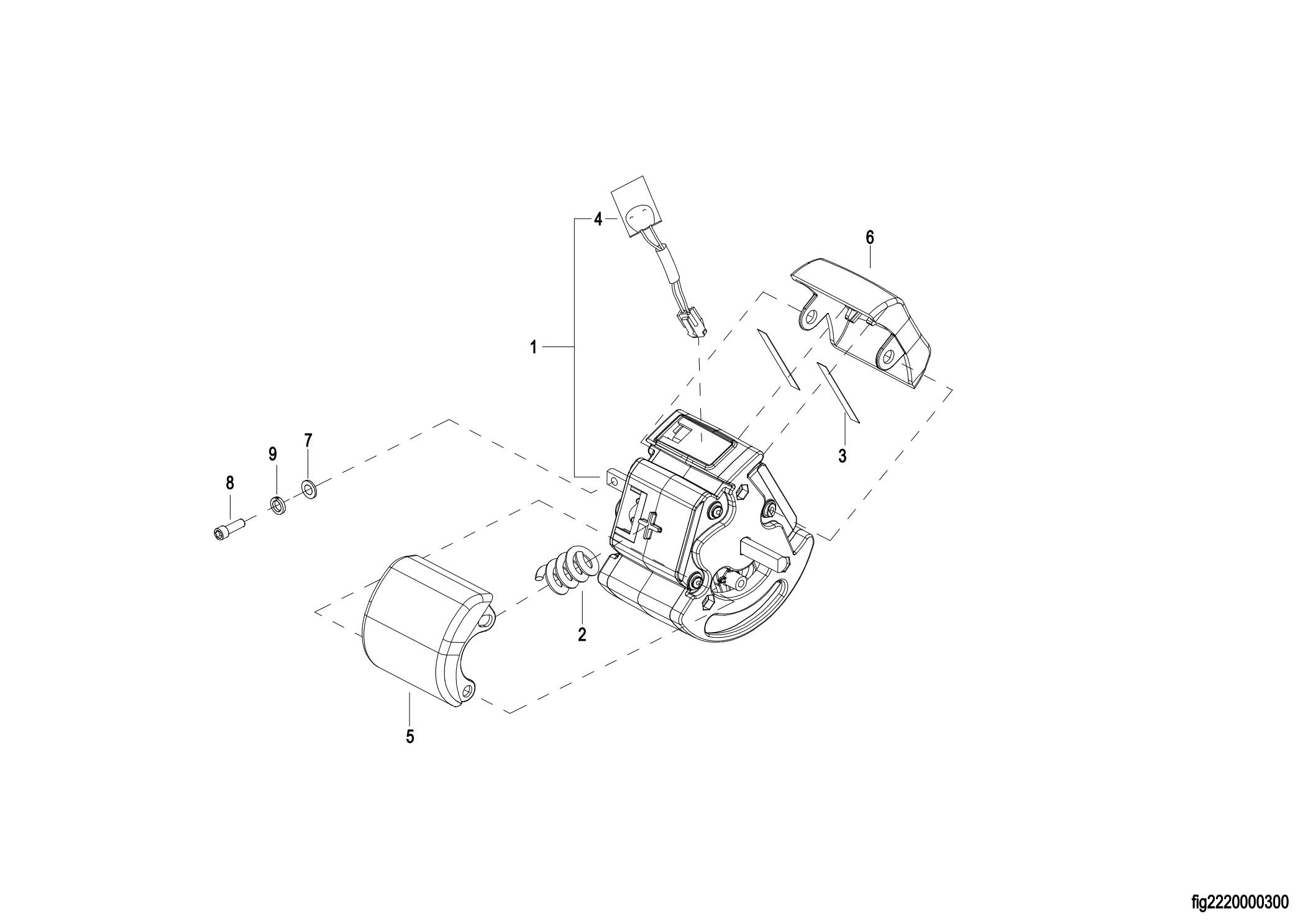
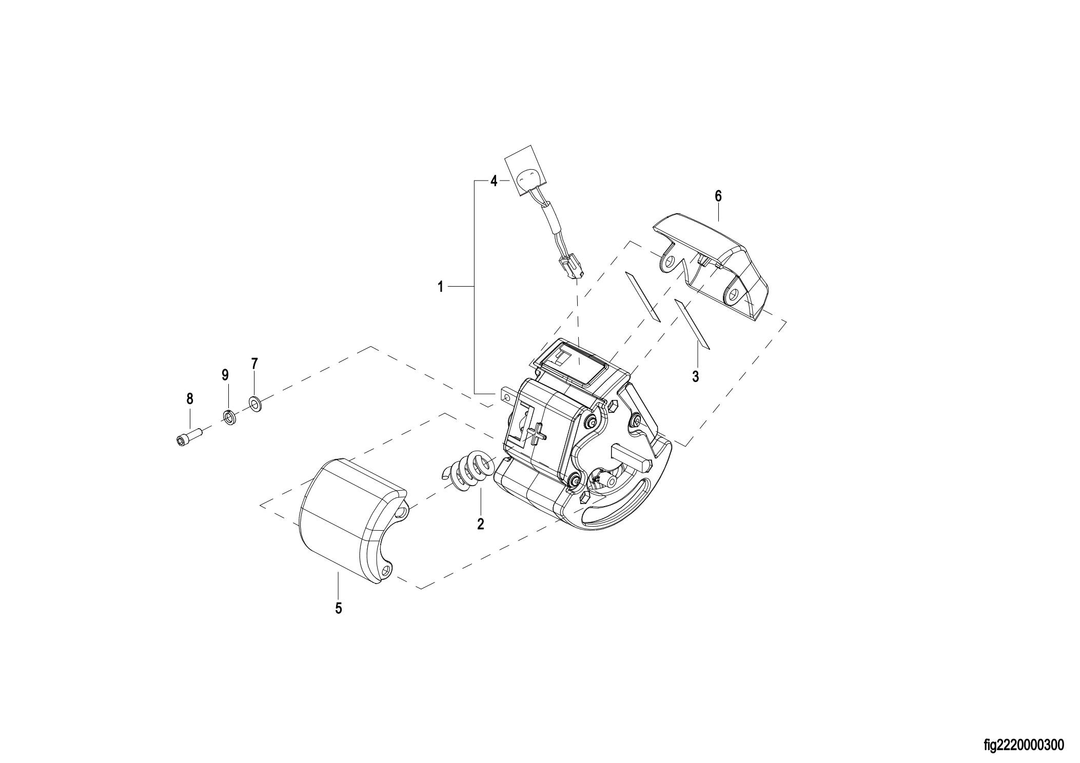
0301 Operating Grip 操作杆(For Non CE)& (For CE S.N.before -7321204831)
0301 Operating Grip 操作杆(For CE,S.N. after 7321204832-)
0302 Operating Grip ,Optional 操作杆(选配)(For Non CE)& (For CE S.N.before -7321204831)
0302 Operating Grip ,Optional 操作杆(选配)(For CE,S.N. after 7321204832-)
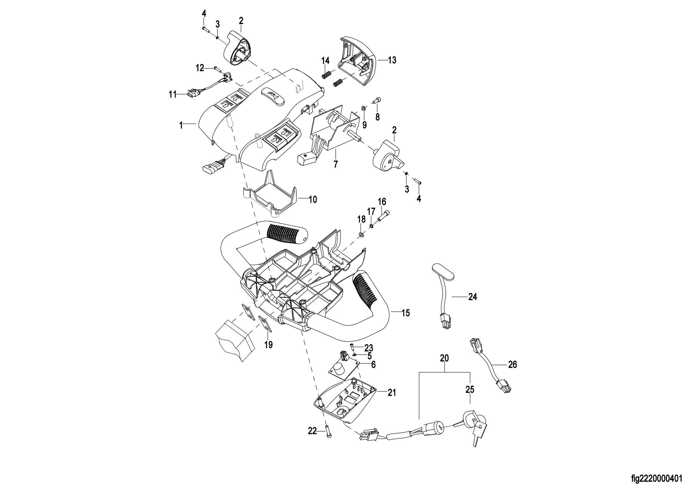
0303 Handle Head Assembly 手柄头总成(For Non CE)& (For CE S.N.before -7321204831)
0303 Handle Head Assembly 手柄头总成(For CE,S.N. after 7321204832-)
0304 Operating Grip(For F3 ET Control Pod Assembly,optional) 操作杆(F3 ET手柄头,选配)
0305 Handle Head Assembly(For F3 ET Control Pod Assembly,optional) 手柄头总成(F3 ET手柄头,选配)
0306 Upper Cover Assembly(For F3 ET Control Pod Assembly,optional) 上盖总成(F3 ET手柄头,选配)
0401 Hydraulic System液压系统
0501 Electrical Assembly电气总成
0502 Battery Assembly电池总成(For Non CE)& (For CE S.N.before -7321204831)
0503 Battery Assembly电池总成(For CE,S.N. after 7321204832-)
0504 Wiring Harness 线束
0505 Cable Assembly(For F3 ET Control Pod Assembly,optional) 电缆总成(F3 ET手柄头,选配)
0901 Label标贴