0101Frame Assembly 车架系统
0102 Caster Assembly 万向轮总成
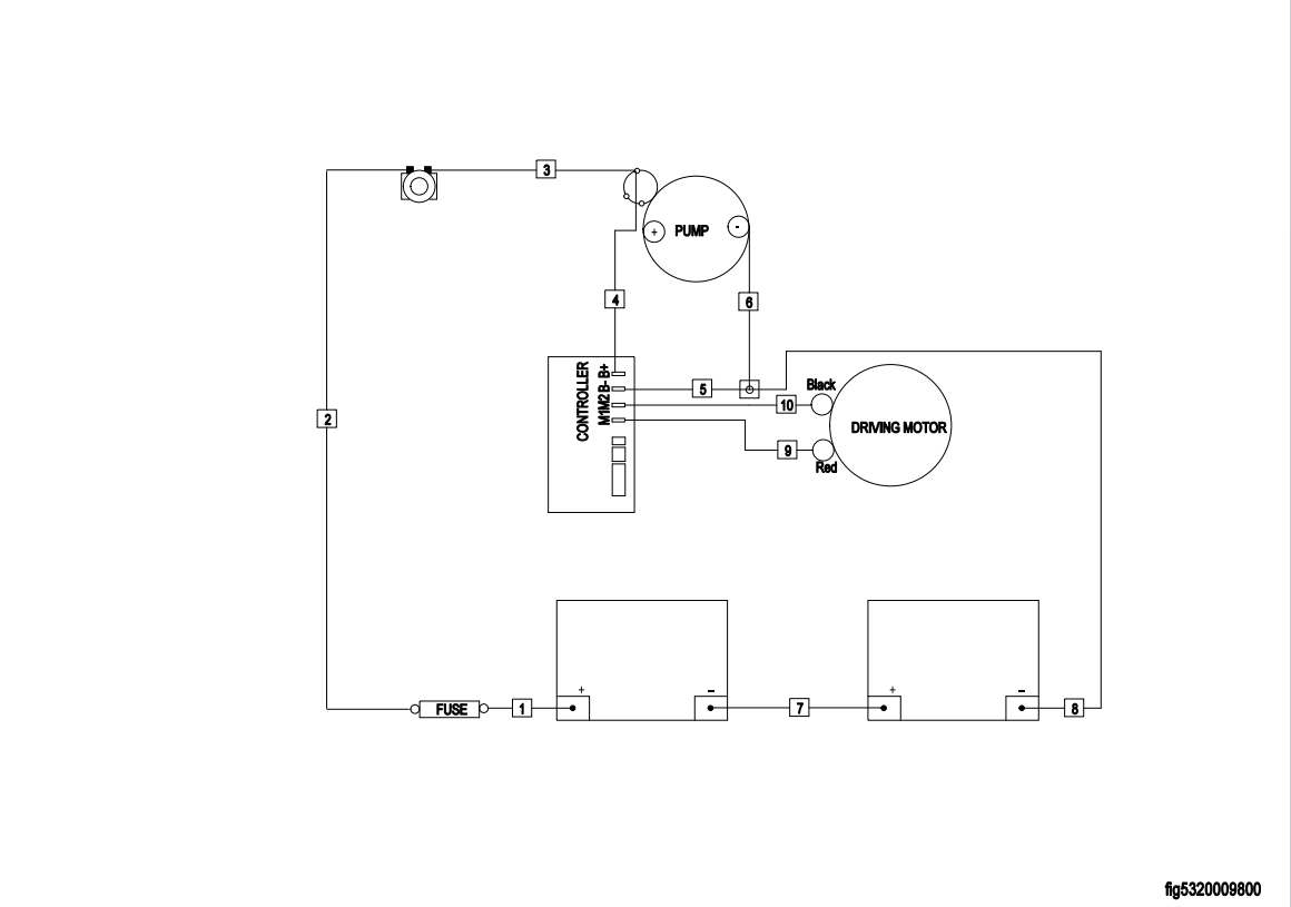
0201 Driving System 驱动系统
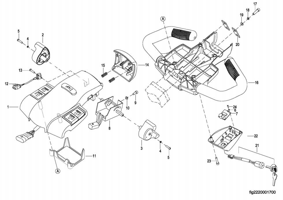
0301 Operating Control System 操作系统( For Detong Control Pad)
0302 Handle head assembly 手柄头总成( For Detong Control Pad)
0303 Operating Control System 操作系统(For EP Control Pad),Optional
0304Handle head assembly 手柄头总成(For EP Control Pad),Optional
0305 Upper Cover Assembly 上盖总成(For EP Control Pad),Optional
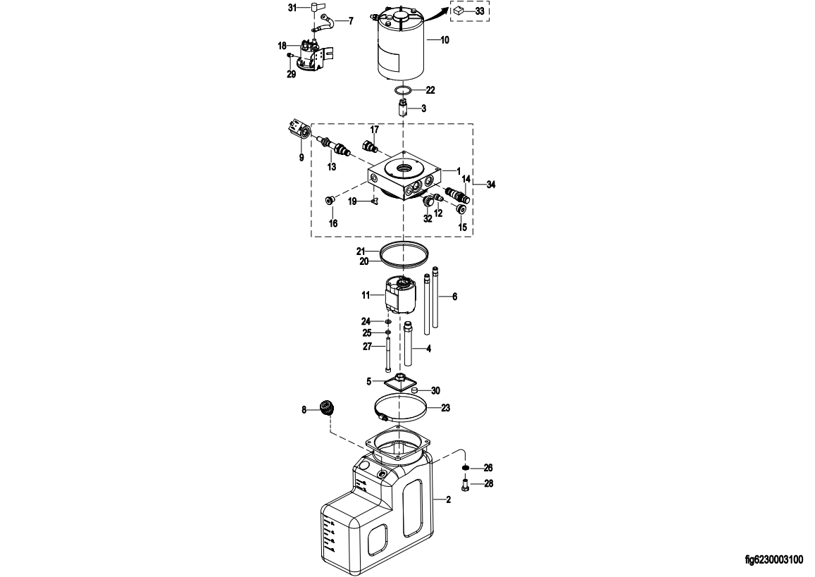
0401 Hydraulic System 液压系统
0402 Lifting Cylinder 起升油缸
0403 Hydraulic Pump Assembly 液压站总成
0501 Electrical Assembly 电气总成
0502 Wiring Harness 线束(For EP Control Pad)
0502 Wiring Harness 线束( For Detong Control Pad)
0503 Cable Assembly 电缆总成
0601 Lifting System 起升系统