0101 Frame System 车身系统(For EUR)
0101 Frame System 车身系统(For USA)
0102 Connecting Link( Double Wheel )连杆总成(For EUR)
0103 Connecting Link( Single Wheel ) 连杆总成(For USA)
0103 Connecting Link( Single Wheel ) 连杆总成(For EUR)
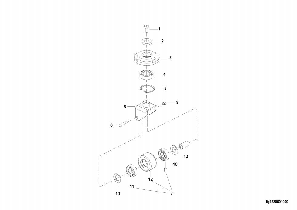
0104 Caster Assembly 万向轮总成
0201 Driving System 驱动系统
0202 Gear Case Assembly 减速箱总成
0301 Operating Control System 操作系统
0302 Control Pod Assembly 手柄头总成
0401 Hydraulic Assembly 液压总成
0402 Lifting Cylinder 起升油缸
0403 Pump & Motor Assembly 液压站总成
0501 Electrical Assembly 电气总成
0502 Controller Board Assembly 电气板总成
0503 Battery Assembly (With heating) 电池总成
0504Battery Assembly (For CE,With heating) 电池总成
0505 Battery Assembly (For UL,With heating) 电池总成
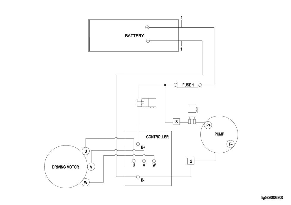
0506Wire Harness Assembly 线束总成
0507 Cable Assembly 电缆总成
0601 Labels(For China)标贴
0602 Labels(For Overseas)标贴