Запчасти на Электротележка для поддонов EP Equipment EPT12-EZ(Pro) Mini Series

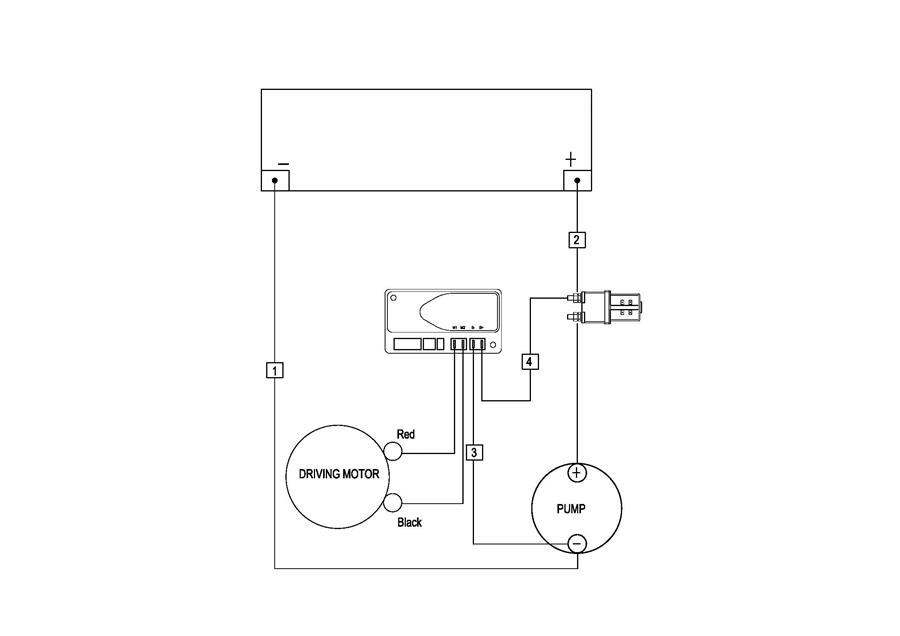
0101 Frame Assembly车架系统 010101 Frame Assembly车架系统 0102 Cover外罩 0201 Driving System(Small Driving Wheel)驱动系统 0202 Driving System(Big Driving Wheel)驱动系统(大驱动) 0301 Operating grip(Manual Lowering)操作杆(手动下降) 0302 Handle head assembly(Manual Lowering,SN Before -7291000191)手柄头总成(手动下降) 030201 Handle head assembly(Manual lowering,SN After 7291000192-)手柄头总成(手动下降) 0303 operating grip(Electrical Lowering)操作杆(电动下降) 0304 Handle head assembly(Electric Lowering)手柄头总成(电动下降) 0401 Hydraulic System(Manual Lowering)液压系统(手动下降)(S.N. Before -726140004) 040101 Hydraulic System(Manual lowering) 040102Hydraulic System(Manual lowering)液压系统(手动下降) 040103 Hydraulic System(Manual lowering)液压系统 (手动下降) 0402 Hydraulic System(Electrical Lowering)(S.N. Before -726140004) 040201 Hydraulic System(Electric lowering) 040202 Hydraulic System(Electric lowering)液压系统(电动下降) 0501 Electrical Assembly电气系统 0502 Wiring Harness线束(S.N. Before -726190264) 050201 Wiring Harness 线束(S.N. After 726190265-) 0503 Cable Assembly 电缆总成 0504Charger Assembly 充电器总成 0505 Car Charger Assembly (Optional)车载充电器总成(选配) 0601 Blocking Shelf Assembly(Optional) 挡货架总成 (选配) 0701 Weighing System,Optional 称重系统,选配 0801 Labels(标贴)