Запчасти на Электрический погрузчик EP Equipment EFL252/ ICE251 Серия EFL/EFX

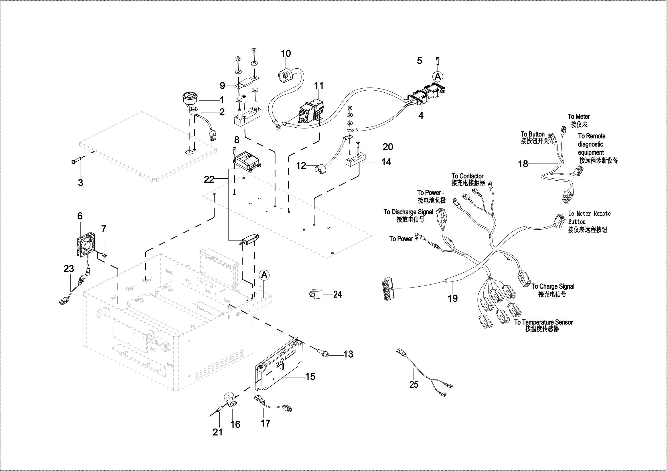
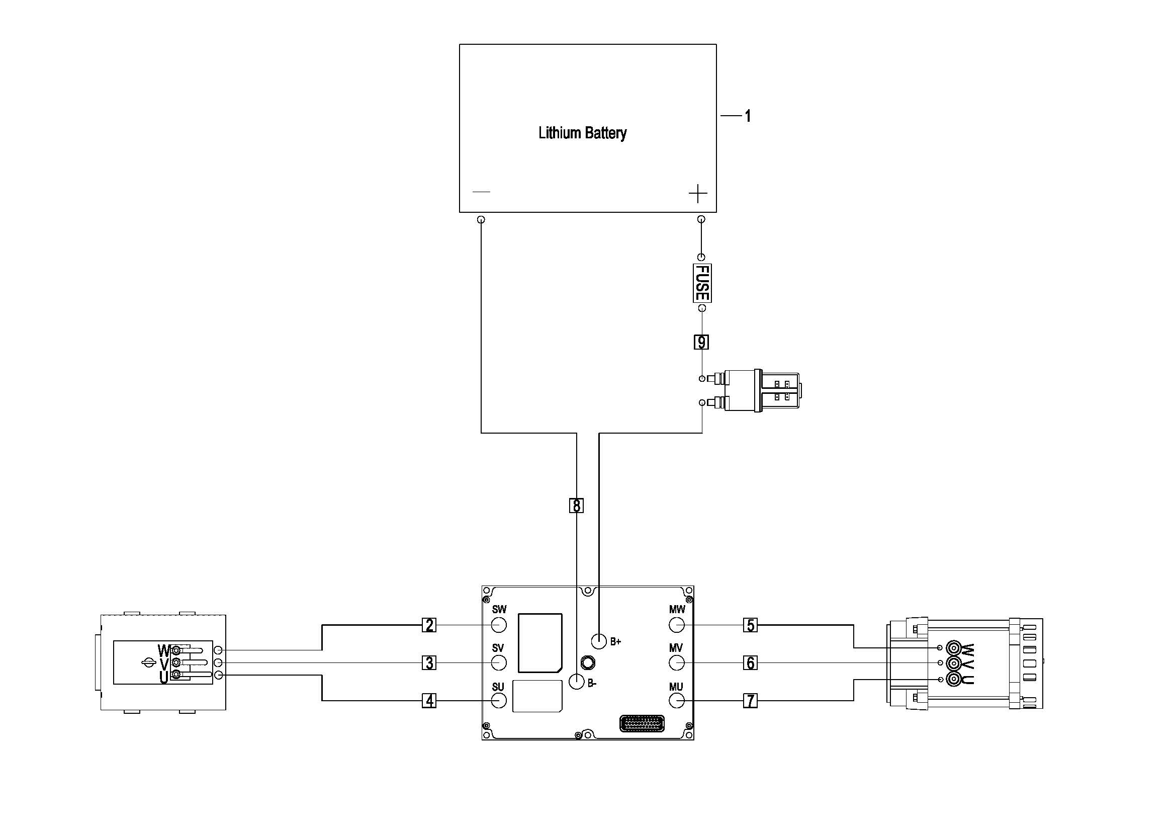
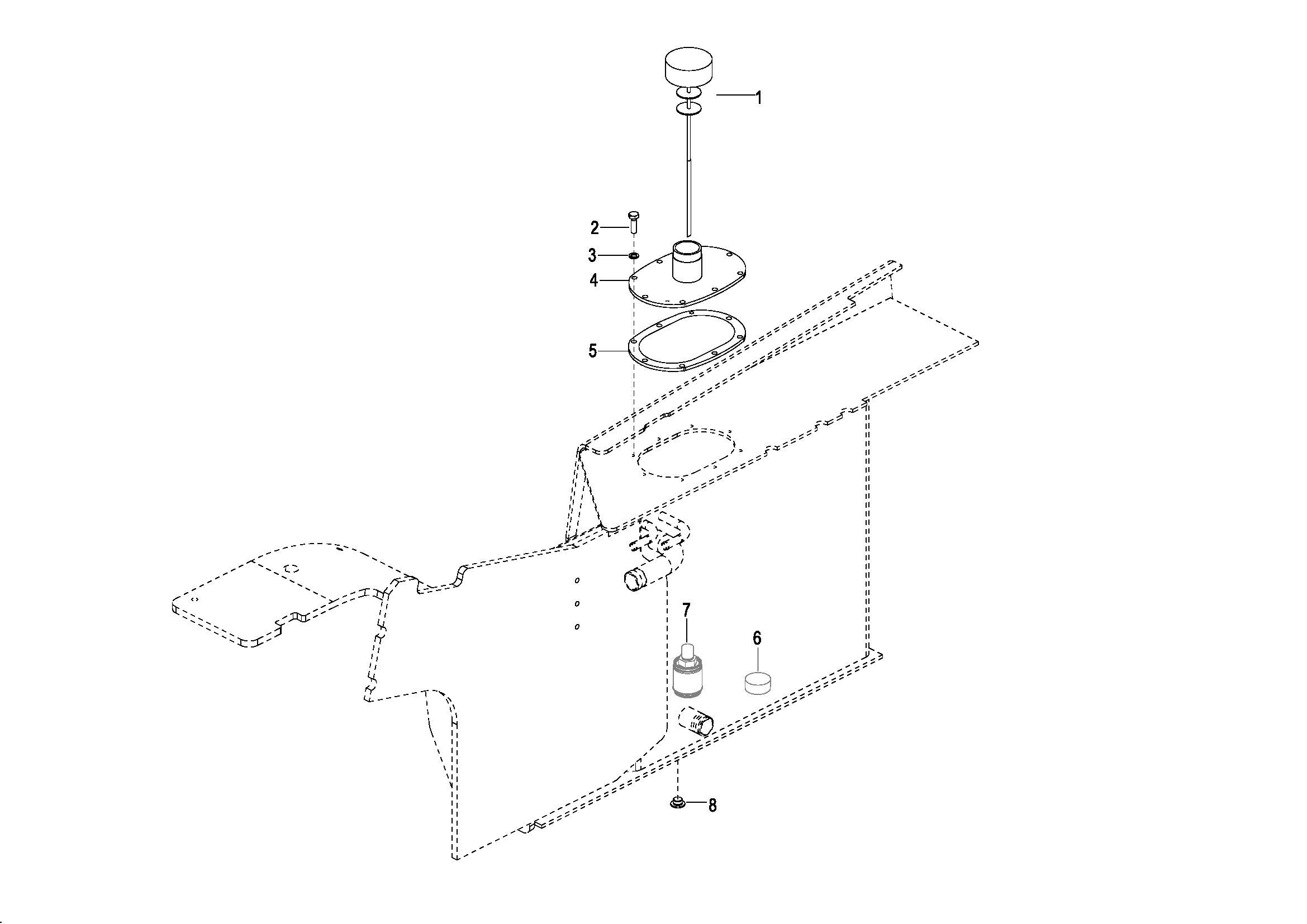
0101 Frame System (S.N Before -2301800075)车身系统 010101 Frame System(S.N After 2301800076-) 0102 Overhead Guard 安全棚 0103 Front Cover 前外罩 0104 Back Cover 后外罩 0201 Steer And Brake Control System操作和制动系统 0202 Service Brake行车制动 0203 Meter (S.N Before -2311000017)仪表 020301 Meter (S.N After 2311000018-)仪表 0204 Steering Assembly 转向柱总成 0205 Valve Control Linkage 多路阀操作杆 0301 Driving System 驱动系统 0302 Drive axle assembly 驱动桥总成(Old) 030201 Drive axle assembly 驱动桥总成(New) 0303 Brake assembly 制动器总成(Old) 030301 Brake assembly 制动器总成(New) 0304 Drive wheel 驱动轮 0305 Differential 差速器 0306 Gearbox assembly 减速箱总成 0401 Steering system 转向系统 0402 STEERING AXLE 转向桥 0403 STEERING CYLINDER 转向油缸 0501 HARNESS(S.N Before -2311000017) 线束 050101 HARNESS(S.N After 2311000018-) 0502 Control Bracket Assembly(ICE251B)控制器安装板总成 0503 Control Bracket Assembly (ICE251、EFL252)(205Ah/280Ah Battery Version)控制器安装板总成 0503 Control Bracket Assembly (ICE251、EFL252)(410Ah Battery Version)控制器安装板总成 0504 Cable(ICE251B) 电缆总成 0504 Cable(ICE251,EFL252)电缆总成 0505 Lithium Battery Assembly((205/280Ah,SN Before 1301700523) 锂电瓶总成 050501 Lithium Battery Assembly((205/280Ah,SN During 1301700523 - 1332000373) 锂电瓶总成 050502 Lithium Battery Assembly((205/280Ah,SN After 1332000374) 锂电瓶总成 0506 Lithium Battery Assembly(410Ah)锂电瓶总成 0507 Lithium Battery Assembly(230Ah)锂电瓶总成 0508 Lithium Battery Assembly(460Ah)锂电瓶总成 0509 Lithium Battery Assembly(205/280AH,For New CE) 锂电瓶总成 0510 Lithium Battery Assembly(410Ah,For New CE) 锂电瓶总成 0601 Hydraulic SystemⅠ 液压管路Ⅰ 0602 Hydraulic SystemⅠ(S.N Before -2301800075) 液压管路Ⅱ 060201 Hydraulic SystemⅡ(S.N After 2301800076-)液压管路Ⅱ 0603 Hydraulic oil cap assembly (S.N Before -2301800075)液压油加油盖总成 060301 Hydraulic oil(S.N After 2301800076-)油箱 0901 Label标贴