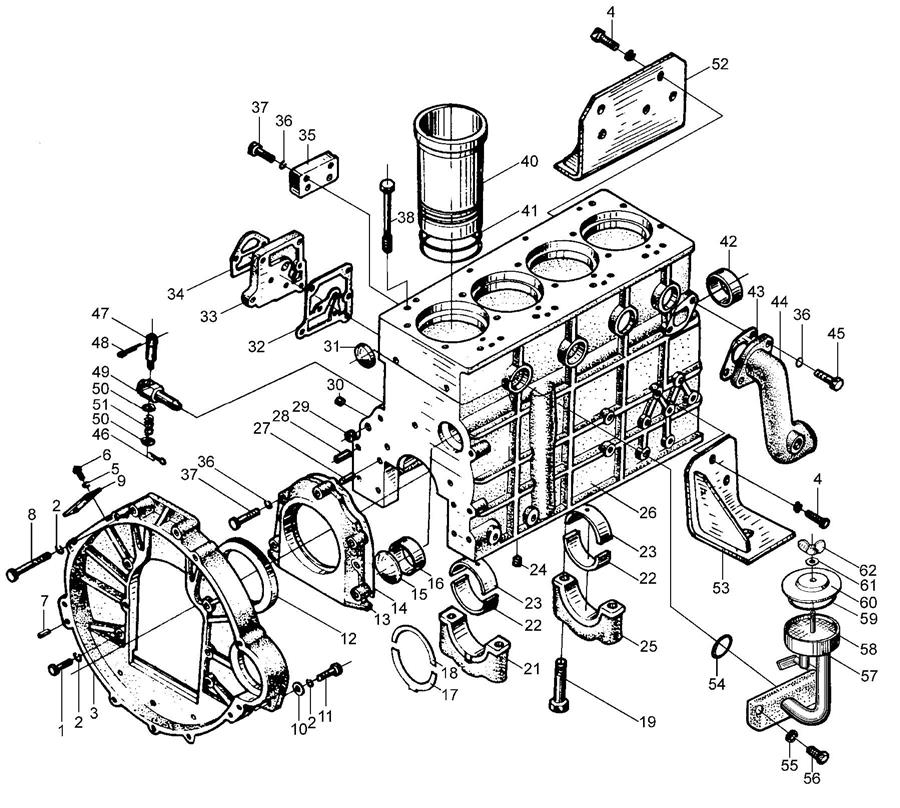
01 机体飞轮壳总成Cylinder block flywheel housing assembly
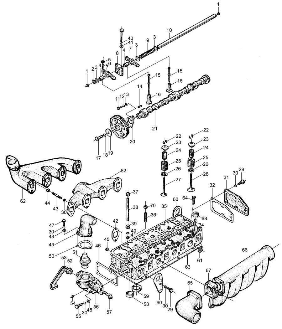
02 气缸盖及配气机构Cylinder head and gas exchanging
03 油底壳总成Oil sump assembly
04 活塞连杆总成Piston connecting rod assembly
05曲轴飞轮总成Crankshaft flywheel assembly
06 正时齿轮传动系总成Timing gear train assembly
07 气缸盖罩总成Cylinder head cover assembly
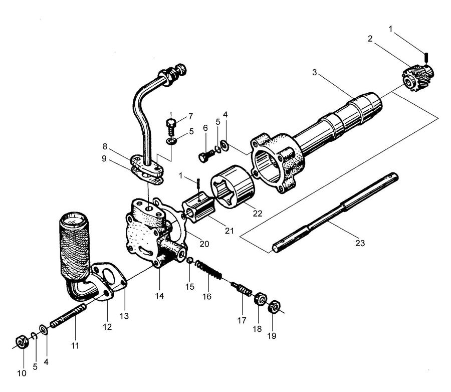
08机油泵尧机油管路总成Oil pump and oil pipe assembly
09 冷却水泵尧风扇部件Cooling water pump and fan assembly
10 燃油供油系统Fuel supply system assembly
11机油滤清器尧起动电机及充电发电机总成Oil filter,starting motor