0101 Frame System车身系统
0102 Cover外罩
0103 Caster Assembly万向轮总成
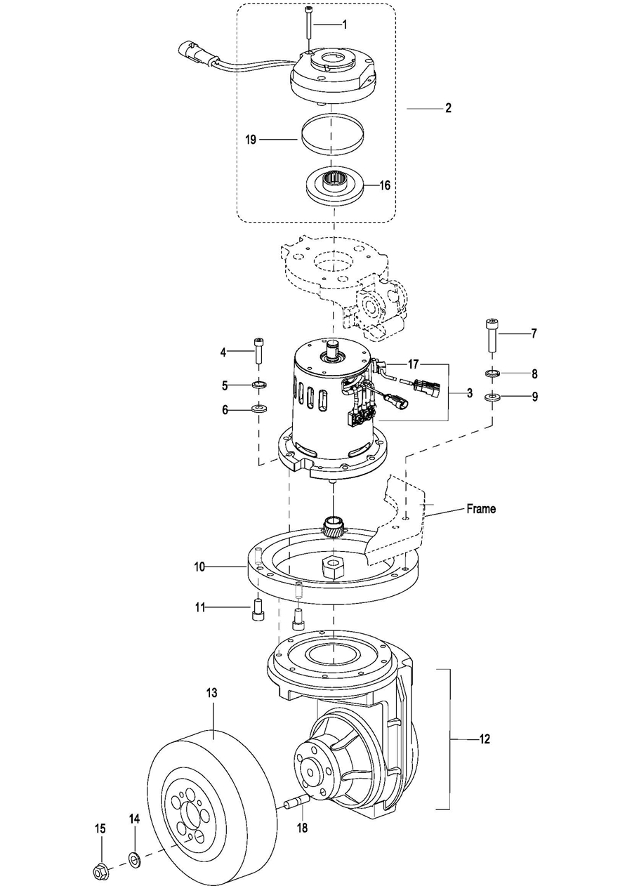
0201 Driving Assembly驱动总成
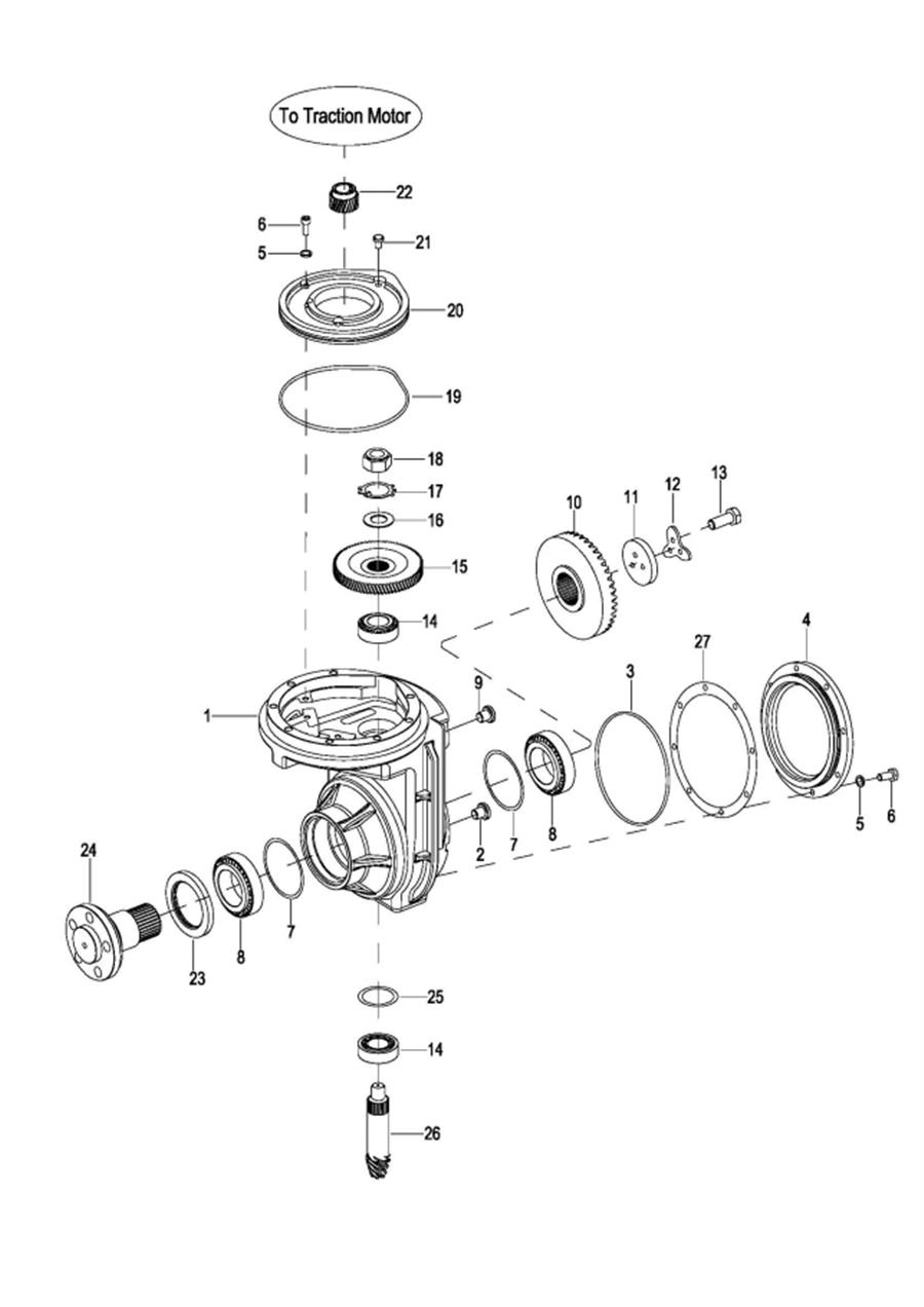
0202 Gear Case Assembly减速箱总成(S.N. before -327130324 Parts being phased out)
020201 Gear Case Assembly减速箱总成(S.N. after 327130325-)
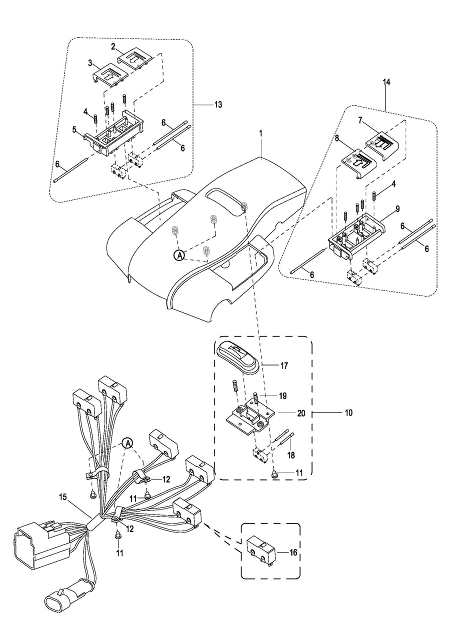
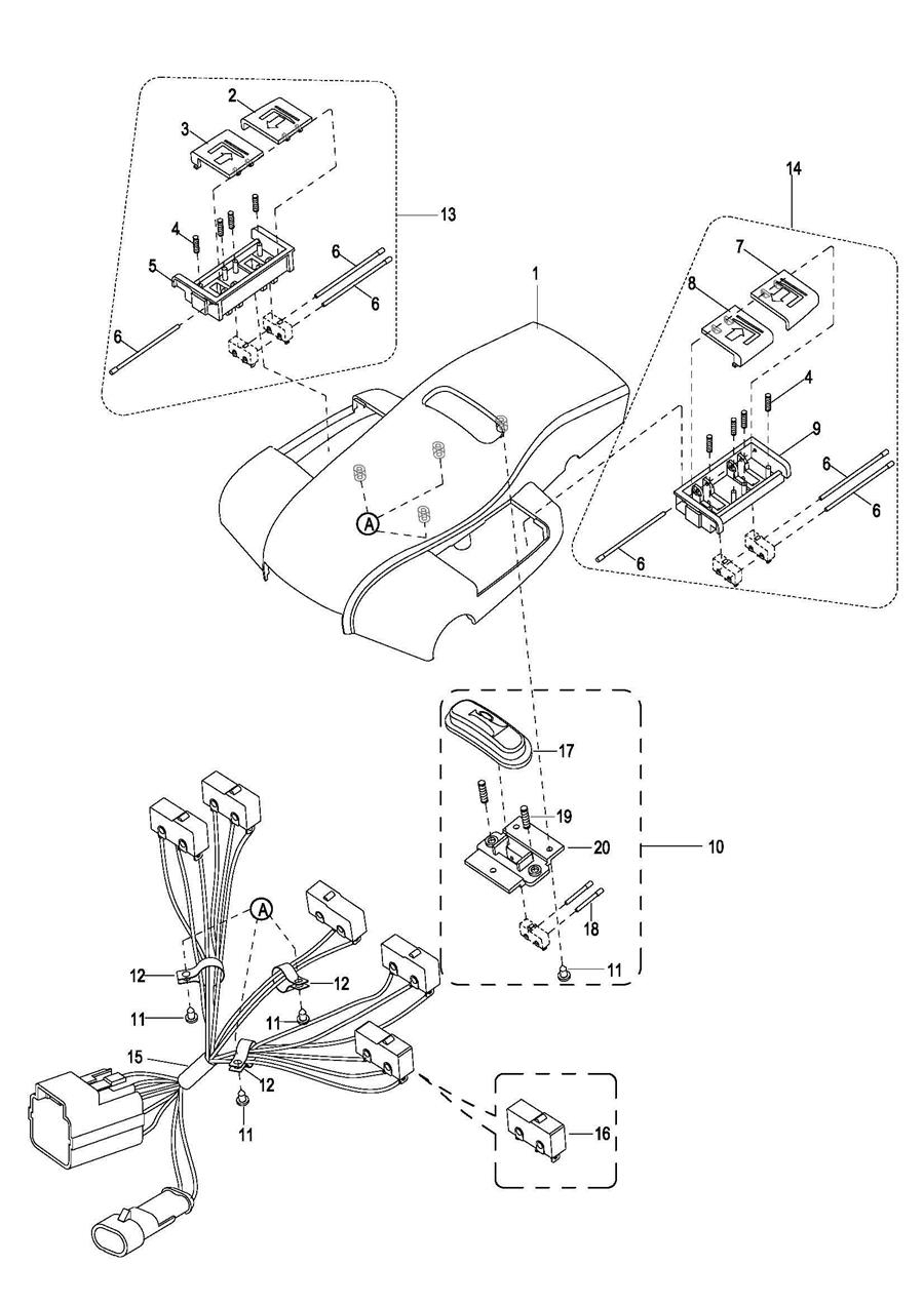
0301 Operating Control System操作系统
0302 Control Pod Assembly操作手柄头总成(S.N. before -327100164)
030201 Control Pod Assembly操作手柄总成(S.N. after 327100165-)
0303 Upper Cover Assembly 上盖总成(S.N. before -327100164)
030301 Upper Cover Assembly 上盖总成(S.N. after 327100165-)
0304 Button Reverser Assembly紧急反向开关总成(S.N. before -327100164)
0401 Hydraulic Assembly液压总成
0402 Lifting Cylinder起升油缸
0403 Pump & Motor Assembly液压站总成
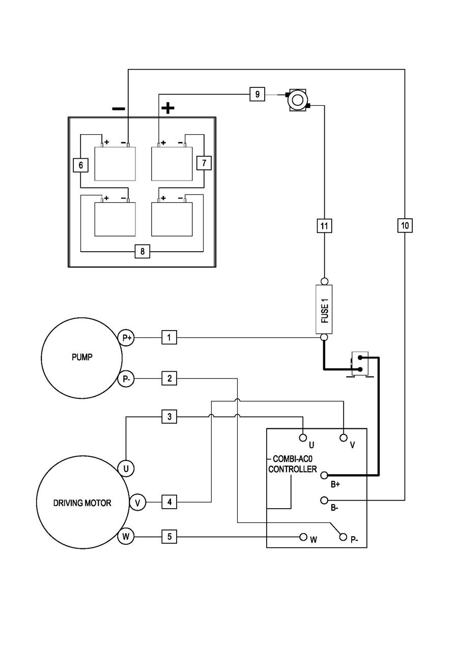
0501 Electrical System电气系统
0502 Controller Board Assembly电器板总成
0503 Wire Harness Assembly线束总成
0504 Cable Assembly 电缆总成
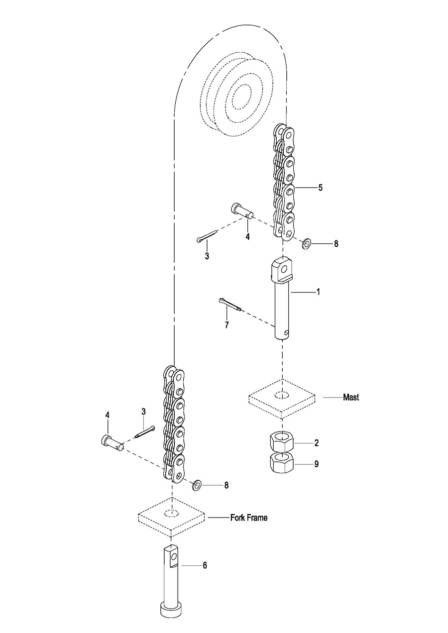
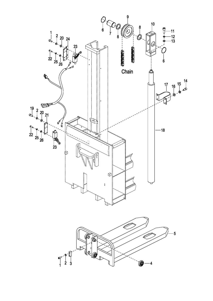
0601 Mono Mast Lifting System单级门架起升系统
0602 Cylinder油缸
0603 Chain Assembly链条总成