0101 Frame System车身系统
0102 Overhead Guard安全棚
0103 Front Cover前外罩
0104 Back Cover后外罩
0201 Steer And Brake Control System操作和制动系统
0202 Service Brake行车制动
0203 Steering Assembly转向柱总成
0204 Valve Control Linkage(SN. Before 1321100693)多路阀操作杆
020401 Valve Control Linkage(SN. After 1321100693)多路阀操作杆
0301 Drive system驱动系统
0302 Drive axle assembly 驱动桥总成
0303 Side Reducer Assembly轮边减速器组件
0304 Brake hub轮毂制动毂组件
0305 Brake assembly R右制动器总成
0306 Brake assembly L左制动器总成
0307 Drive wheel 驱动轮
0308 Gearbox assembly减速箱总成
0309 Differential 差速器
0401 Steering system转向系统
0402 Steering axle assembly转向桥总成
0403 Steering cylinder转向油缸
0501 Hydraulic System液压管路
0502 Brake Pipeline制动管路
0503 Oil Tank油箱
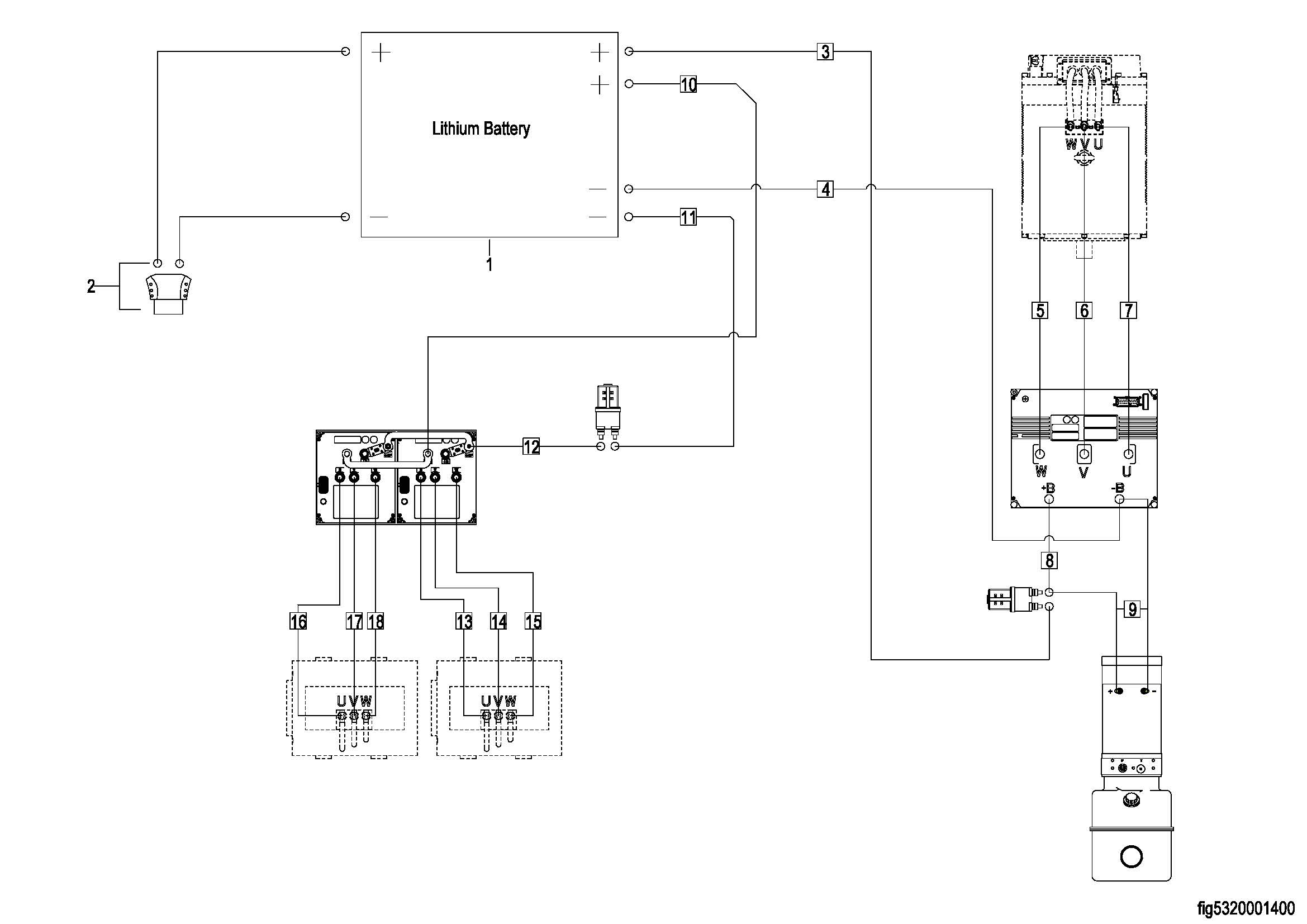
0601 Electrical Components电器元件
0602 Wiring Harness Assembly线束总成
0603 Cable电缆总成
0604 Battery Assembly电瓶总成
0605 Battery Assembly(For 2023 New CE)电瓶总成
0901 Label标贴