Запчасти на Электрический штабелер EP Equipment RSC152/RSC202 Countbalance Stacker

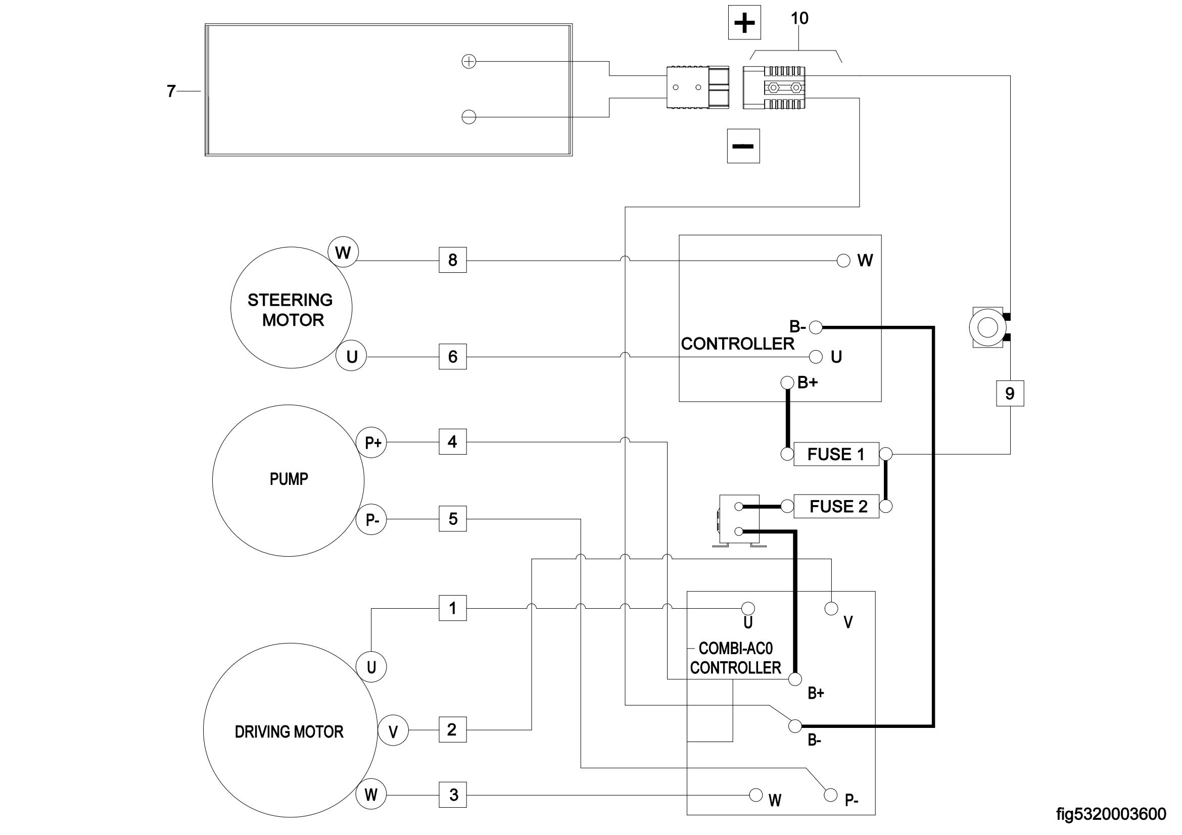
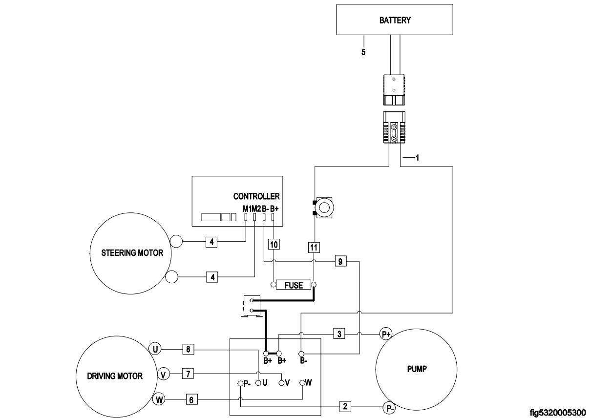
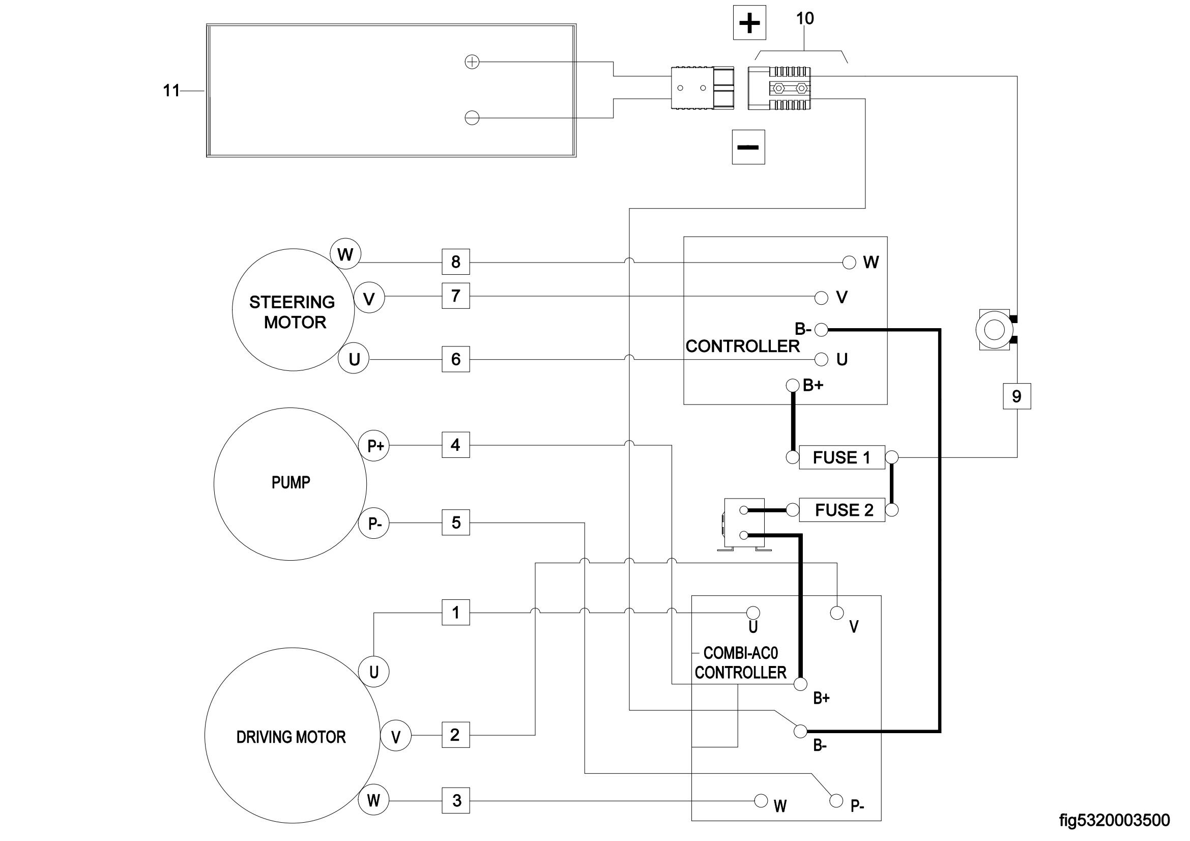
0101 Frame System 车架系统 0102 Loading Wheel Assembly 承载轮总成 0103 Handrails Assembly 护臂总成 0104 Platform Assembly 踏板总成 0201 Driving System(For RSC202) 驱动系统 0202 Driving System(For RSC152) 驱动系统 0203 Gear Case Assembly(For RSC202) 减速箱总成 0204 Gear Case Assembly(For RSC152) 减速箱总成 0301 Operating Control System 操作系统 0302 Control Pod Assembly(For RSC202)&(For RSC152 USA&AUS Market)&(For RSC152 Non USA&AUS Market,SN.before 3331801771)操作手柄总成 0303 Control Pod Assembly(For RSC152 Non USA&AUS Market SN After 3331801771) 操作手柄总成 0304 Accelerator Assembly (For RSC152 Non USA&AUS Market SN After 3331801771) 加速器总成 0401 Hydraulic Assembly 液压总成 0402 Hydraulic Assembly(For Shifter Side) 液压总成(侧移) 0403 Duplex Mast Oil Pipe Assembly 两级门架油管总成 0404 Duplex Mast Oil Pipe Assembly(For Shifter Side) 两级门架油管总成(侧移) 0405 Triplex Mast Oil Pipe Assembly 三级门架油管总成 0406 Triplex Mast Oil Pipe Assembly(For Shifter Side) 三级门架油管总成(侧移) 0407 Pump & Motor Assembly 液压站总成 0408 Oil Return Pipe Assembly 回油管总成 0501 Electric Assembly 电气总成 0502 Controller Board Assembly 电器板总成(For RSC202)&(For RSC152 USA&AUS Market)&(For RSC152 Non USA&AUS Market,SN.before 3331801771) 050201 Controller Board Assembly 电器板总成(For RSC152 Non USA&AUS Market,SN After 3331801771) 0503 Wire Harness Assembly(For RSC152) 线束总成 0504 Wire Harness Assembly(For RSC202) 线束总成 0505 Cable Assembly(For RSC202) 电缆总成 0506 Cable Assembly(For RSC152) 电缆总成(For USA&AUS Market)&(For Non USA&AUS Market,SN Before 3331801771) 050601 Cable Assembly(For RSC152) 电缆总成(For Non USA&AUS Market,SN After3331801771) 0507 Battery Assembly 电瓶总成(S.N.before -3321703352) 050701 Battery Assembly 电瓶总成(S.N.after 3321703353-) 0601 Duplex Mast Assembly 两级门架总成 0602 Lifting Cylinder 起升油缸 0603 Duplex Mast Fork Frame Assembly 两级门架货叉架总成 0604 Triplex Mast Assembly 三级门架总成 0605 Lifting Cylinder 起升油缸 0606 Lifting Cylinder 起升油缸 0607 Freedom Lifting Cylinder 自由起升油缸 0608 Triplex Mast Fork Frame Assembly 三级门架货叉架总成 0609 Mast Tilting System 门架倾斜系统 0610 Tilting Cylinder 倾斜油缸总成 0611 Chain Assembly 链条总成 0612 Shifter Side Assembly 侧移器总成 9001 Shifter Side Assembly 标贴