0101 Frame System 车身系统
0102 Connecting Link, For EPT16-ET 连杆总成
0103 Connecting Link, For EPT20-ET 连杆总成
0104 Load Wheel,For EPT16-ET 承载轮
0105 Load Wheel, For EPT20-ET 承载轮
0106 Driving Cover Assembly 驱动外罩总成
0107 Caster Assembly 浮动万向轮总成
0108 Cover Assembly 外罩总成
0201 Driving System 驱动系统(Driving Assembly 1116-200000-00 can be replaced by ZL10-200000-F1,but the controller software parameters need to be updated.)
0202 Driving Assembly 驱动单元总成 (S.N. before -4281803587)
020201 Driving Assembly驱动单元总成 (S.N. after 4281803588-)
0301 Operating Control System 操作系统
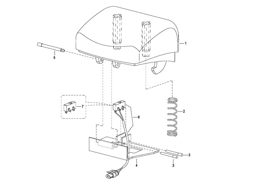
0302 Control Pod Assembly 手柄头总成 (S.N. before -427110130)
030201 Control Pod Assembly手柄头总成 (S.N. after 427110131-)
0303 Upper Cover Assembly 上盖总成 (S.N. before -427110130)
030301 Upper Cover Assembly上盖总成 (S.N. after 427110131-)
0304 Button Reverser Assembly 紧急反向开关总成 (S.N. before -427110130)
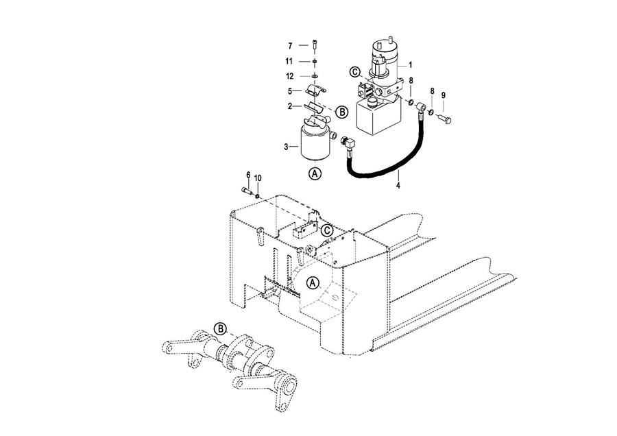
0401 Hydraulic Assembly 液压总成
0402Lifting Cylinder, For EPT-20ET 起升油缸
0403 Lifting Cylinder, For EPT-16ET 起升油缸
0404 Pump & Motor Assembly 液压站总成
0501 Setting Board Assembly 电器板总成
050101 Setting Board Assembly电器板总成
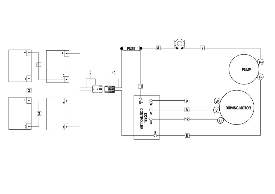
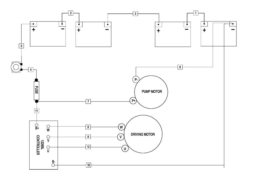
0502 Wire Harness Assembly 线束总成
0503 Cable Assembly 电缆总成
050301 Cable Assembly电缆总成