0101 Frame System(For RSC122)车架系统
0102 Frame System(For RSC082) 车架系统
0103 Handrails Assembly 护臂总成
0104 Platform Assembly 踏板总成
0201 Driving System 驱动系统
0202 Gear Case Assembly 减速箱总成
0301 Operating Control System 操作系统
0302 Control Pod Assembly 手柄头总成
0303 Accelerator Assembly 加速器总成
0401 Hydraulic Assembly(For RSC082 Without Tilting) 液压总成
0402 Hydraulic Assembly (For RSC082 With Tilting/For RSC122) 液压总成(倾斜)
0403 Hydraulic Pump Assembly(For RSC082 Without Tilting) 液压站总成
0404Hydraulic Pump Assembly (For RSC082 With Tilting/For RSC122) 液压站总成(倾斜)
0501 Electric Assembly 电气总成
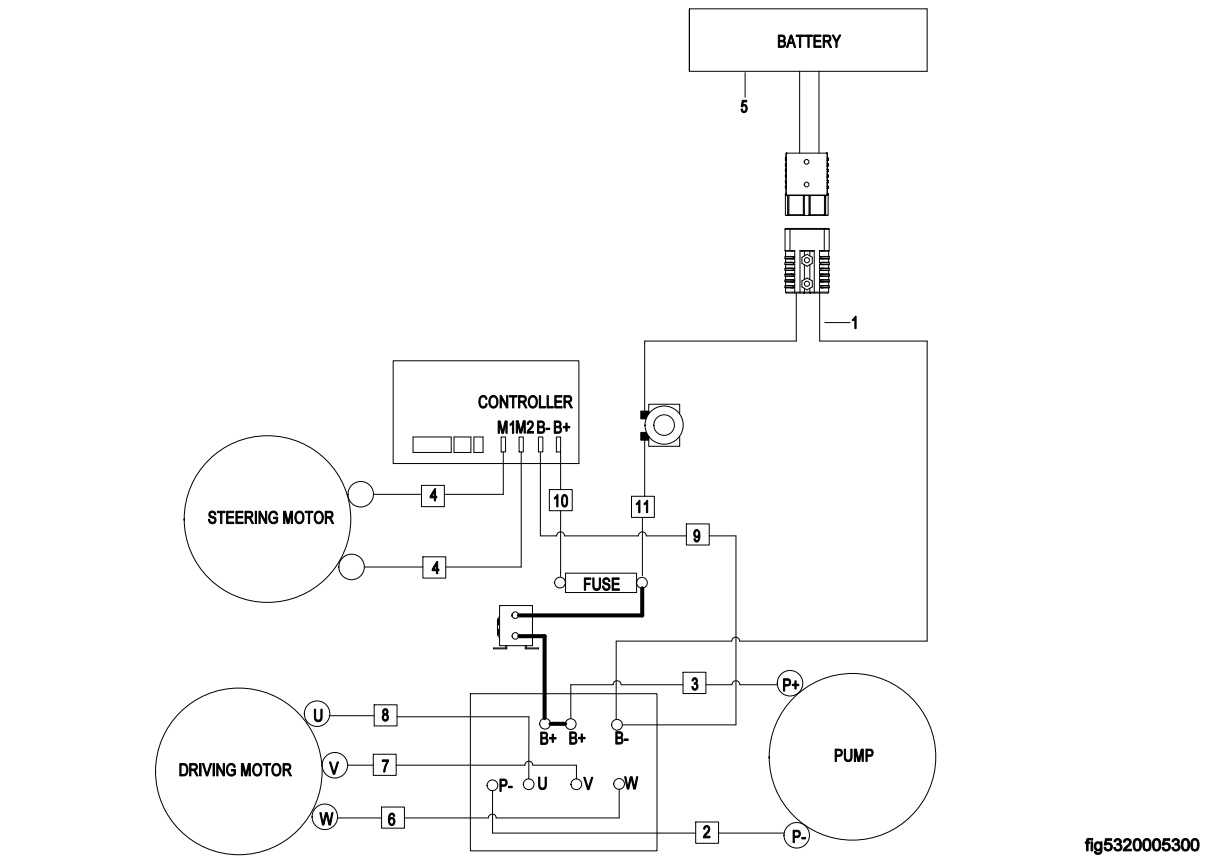
0502Wire Harness Assembly 线束总成
0503 Cable Assembly电缆总成
0504 Battery Assembly(For CE) 电瓶总成
0505 Battery Assembly 电瓶总成
0601 Lifting System (For RSC082 With Tilting/For RSC122) 起升系统
0602 Lifting Cylinder 起升油缸
0603 Fork Frame 货叉架
0604 Duplex Mast Lifting System (For RSC082 Without Tilting) 两级门架起升系统
0605 Lifting Cylinder 起升油缸
0606 Fork Frame 货叉架
0901 Shifter Side Assembly 标贴