0101 Frame Assembly 车架系统
0102 Cover Assembly 外罩总成
0103 Caster Assembly 万向轮
0201 Driving System 驱动系统
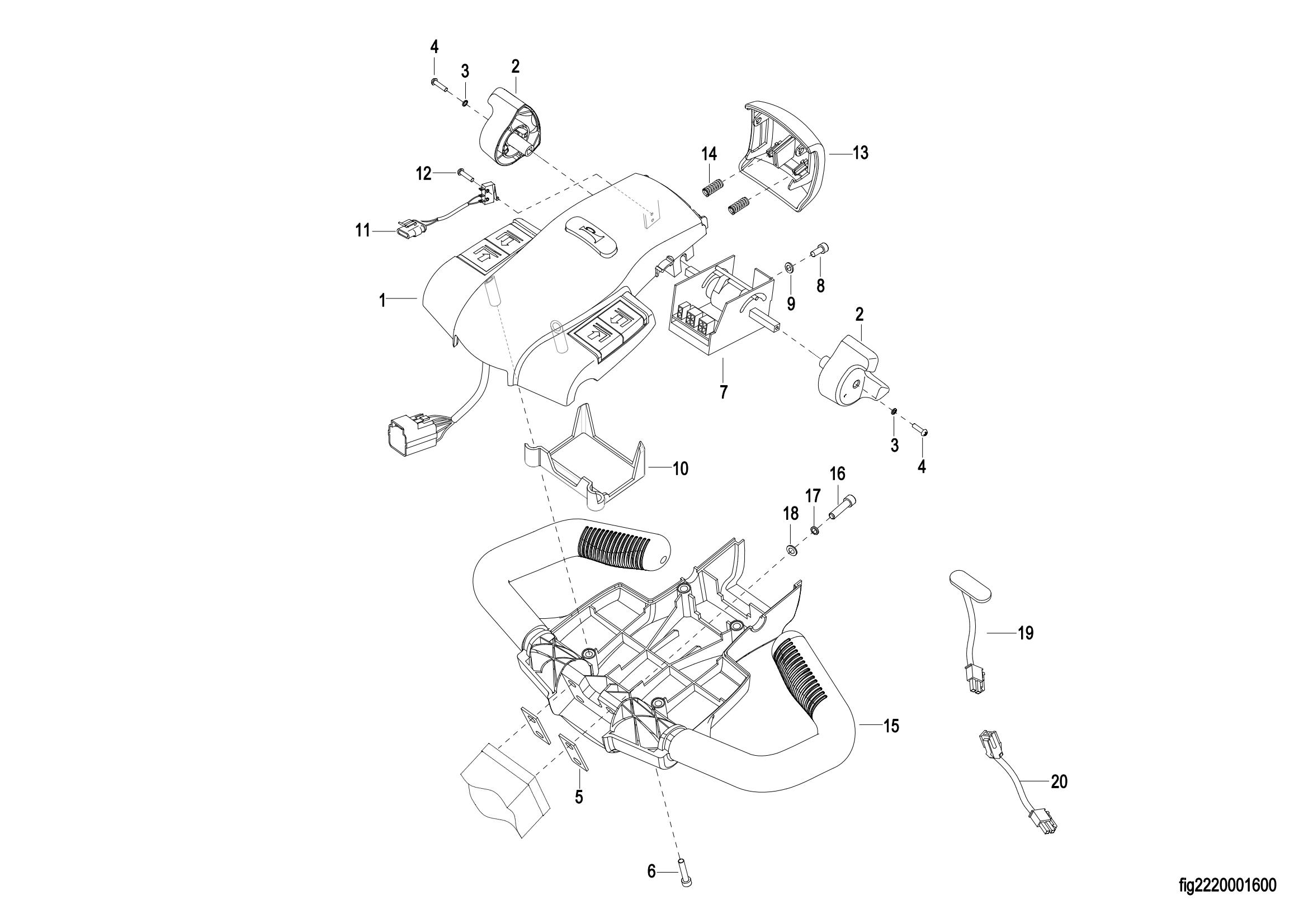
0301 Operating Control System 操作系统
0302 Handle head assembly 手柄头总成
0303 Upper Cover Assembly 上盖总成
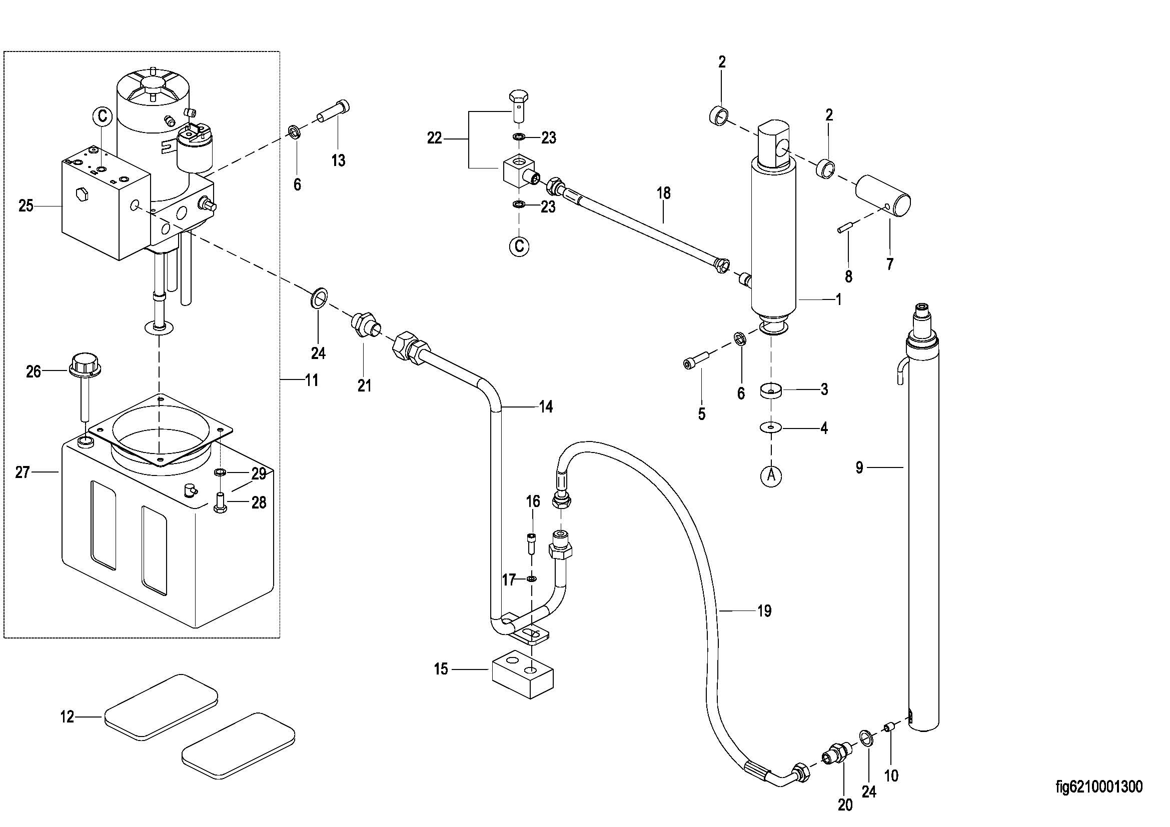
0401 Hydraulic System 液压系统
0402 Lifting CylinderⅠ 起升油缸Ⅰ
0403 Lifting Cylinder 起升油缸
0404 Hydraulic Pump Assembly 液压站总成
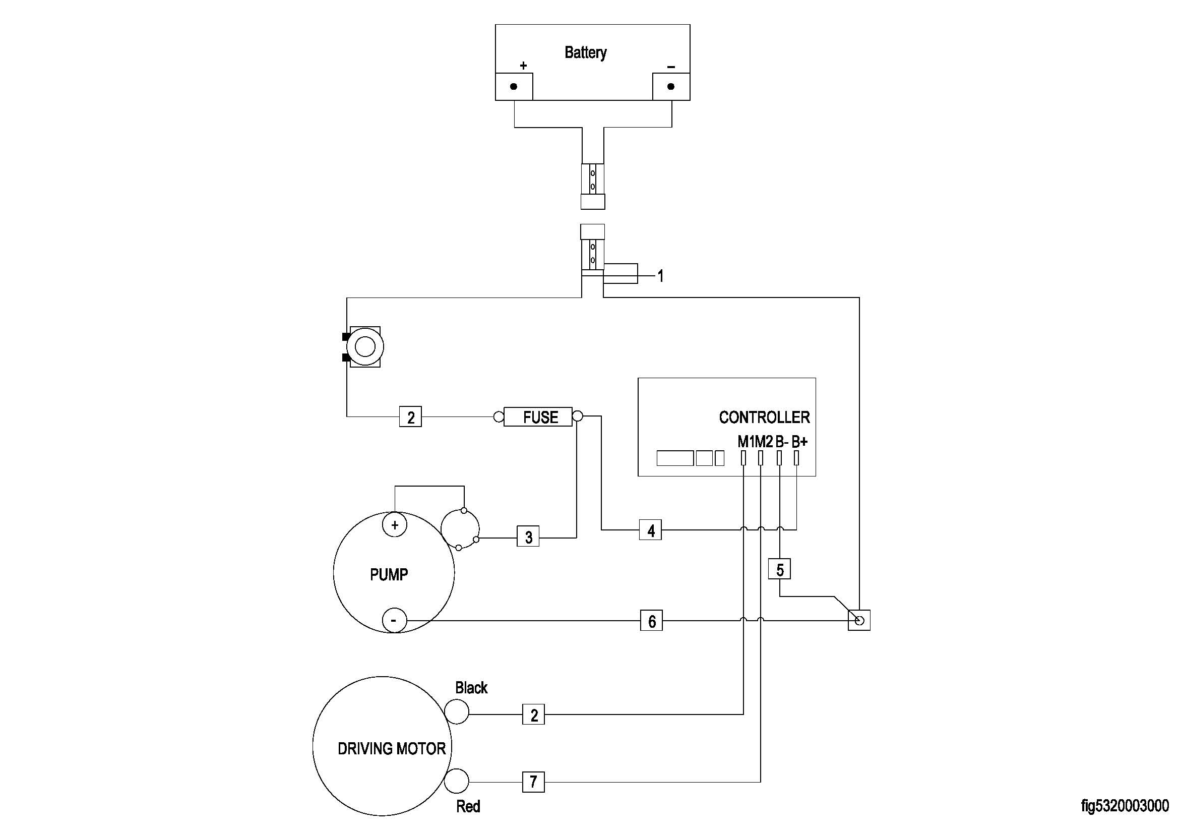
0501 Electrical Assembly 电气总成
0502 Lithium Battery Assembly 锂电池总成
0503 Wiring Harness 线束
0504 Cable Assembly 电缆总成
0601 Lifting System 起升系统
0901 Label 标贴