Запчасти на Комплектовщик заказов EP Equipment JX0(For Old CE,S.N Before 2321100470&For Non CE Market) JX0 Series

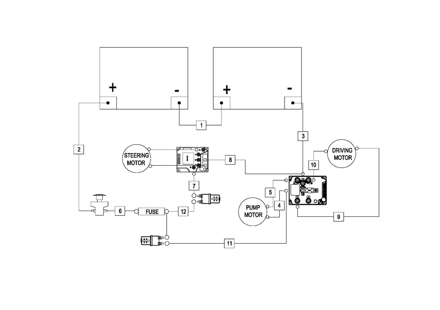
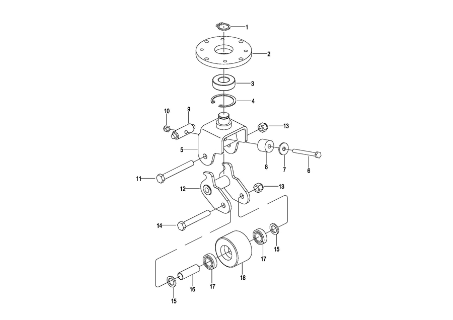
0101 Frame System车架系统 0102 Cover Assembly万向轮总成 0201 Driving System驱动系统 0202 Drive Assembly驱动总成 0301 Operating Control Assembly ( Left )操作总成(左) 0302 Operating Control Assembly ( Right )操作总成(右) 0401 Hydraulic System液压系统 0402 Hydraulic Pump Assembly(SN up to -2311000766)液压站总成 040201 Hydraulic Pump Assembly(SN from 2311000767-)液压站总成 0501 Electrical Assembly控制器安装总成 0502 Electrical Assembly(External charger,Option)控制器安装总成(外置充电器,选配) 0503 Wiring Harness 1线束1 0504 Wiring Harness 2线束 2 0505 Cables(Battery)电缆总成(蓄电池) 0506 Cables(Lithium Battery)电缆总成(锂电池) 0507 Lithium-battery Assembly(SN up to -2281200278)锂电瓶总成 0508 Lithium-battery Cable(SN up to -2281200278)锂电瓶电缆总成 0509 Lithium-battery Wiring Harness(SN up to -2281200278)锂电瓶线束 0510 Lithium-battery Assembly(SN from 281200279 to 2321200318)锂电瓶总成 051001 Lithium-battery Assembly(SN from 2321200319-)锂电瓶总成 0601 Mast Assembly门架总成(S.N.before-2321800783) 060101 Mast Assembly门架总成(S.N.after2321800784-) 0602 Mast Assembly门架组件 0603 Lift Cylinder(SN up to -2292100059)起升油缸 060301 Lift Cylinder起升油缸(SN from 2292100060-) 0604 Chain Assembly链条总成 0605 Push Rod液压推杆组件 0701 Loading Frame System载架系统 Labels(标贴)