01 GENERAL
02 TRANSIMISSION ASS'Y
03 TRANSMISSION
04 INCHING & ELECTRIC-HYDRAULIC VALVE
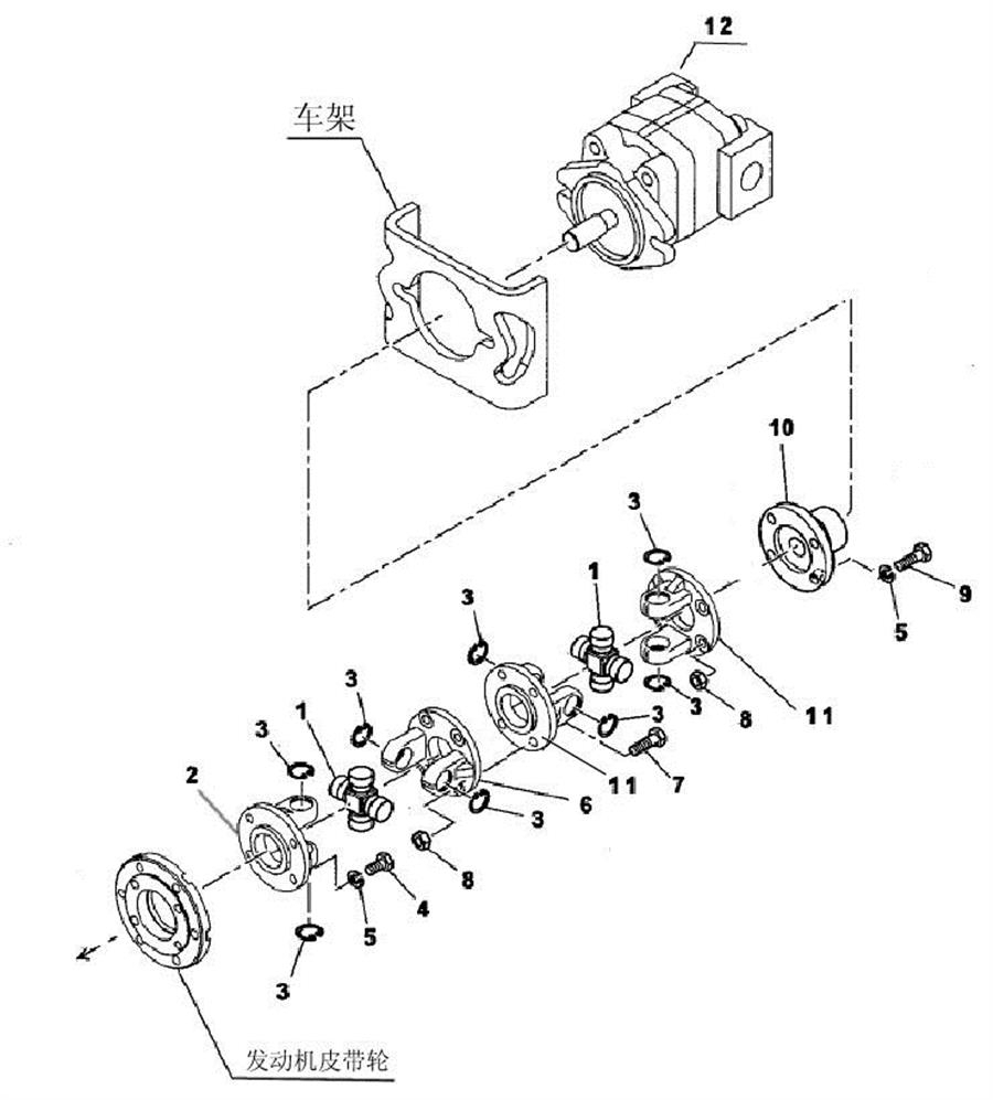
05 CHARGING PUMP
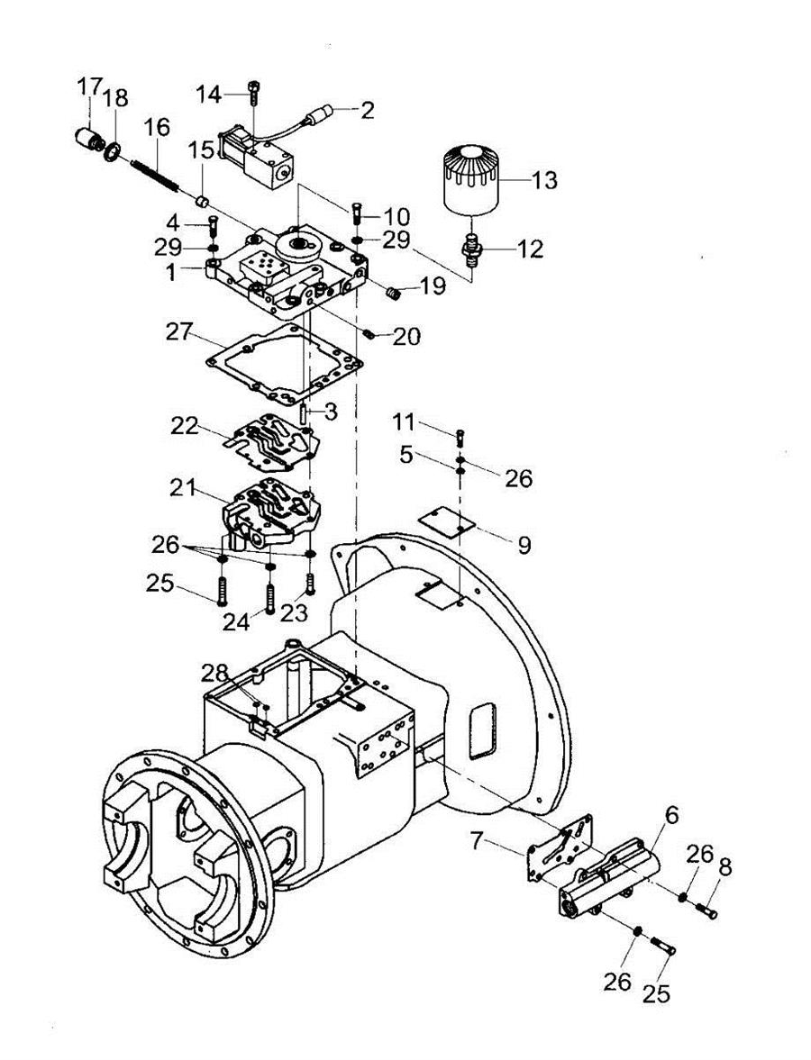
06 HYDRAULIC CLUTCH
07 DIFFERENTIAL
08 DRIVE AXLE
09 DRIVE WHEEL( SINGLE TYRE)
10 DRIVE WHEEL( DOUBLE TYRE)
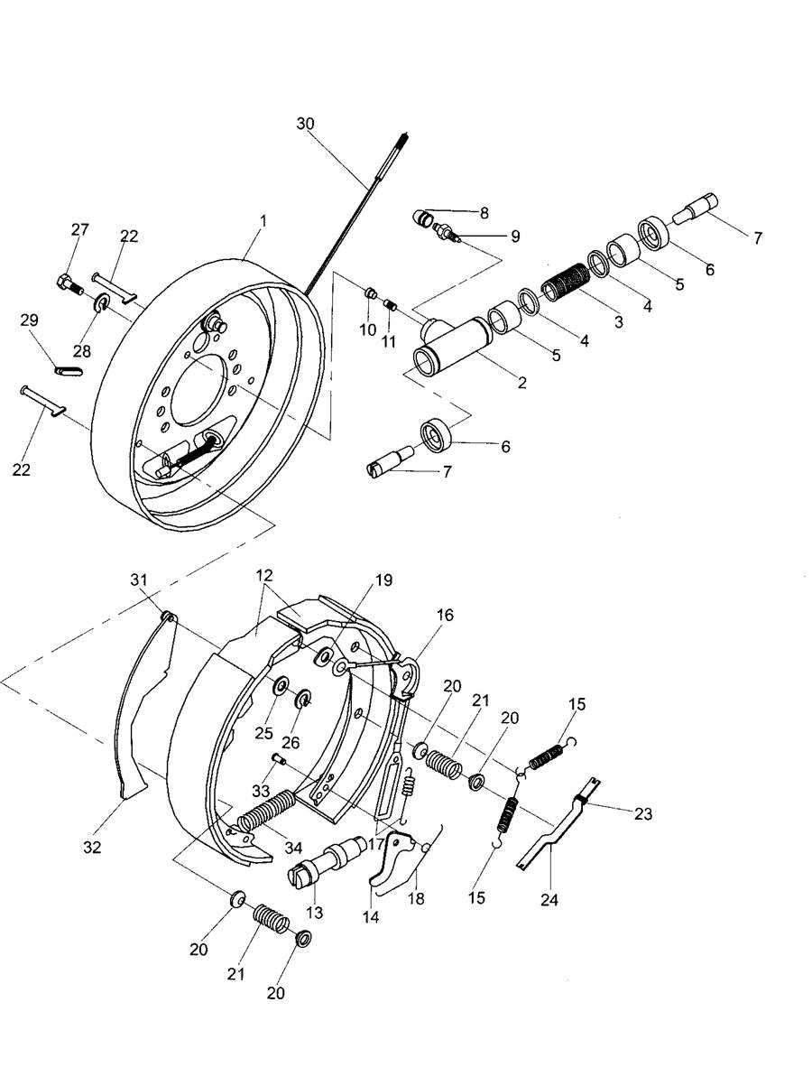
11 WHEEL BRAKE
12 КРЕПЛЕНИЕ ДВИГАТЕЛЯ
13 COOLING SYSTEM
14 EXHAUST SYSTEM
15 AIR CLEANER ASS′Y MOUNT
16 AIR CLEANER ASS′Y
17 FUEL SYSTEM
18 STEERING AXLE
19 STEERING WHEEL
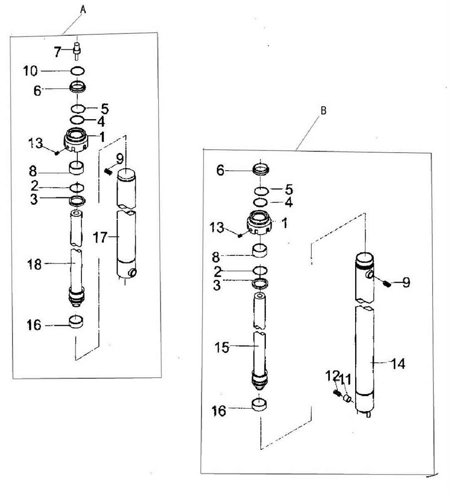
20 STEERING CYLINDER
21 STEERING SYSEM
22 STEERING PIPING
23 FRAME COUNTER WEIGHT
24 FLOOR、SEAT
25 BONNET MOUNT
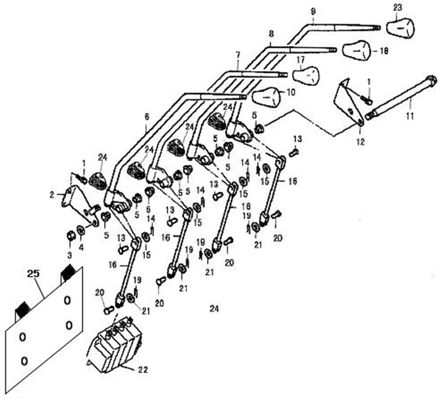
26 BRAKE LEVEL
27 BRAKE — INCHING CONTROL
28 MASTER CYLINDER MOUNT
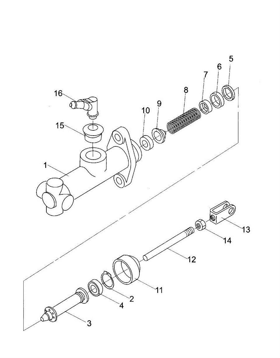
29 MASTER CYLINDER
30 ACCELERATOR PEDAL
31 VALVE CONTROL LINKAGE(TWO-THROW)
32 VALVE CONTROL LINKAGE(Three-THROW)
33 VALVE CONTROL LINKAGE(FOUR-THROW)
34 HYDRAULIC SYSTEM (4TNE92)
35 HYDRAULIC SYSTEM
36 Shaft - Hydraulic pump
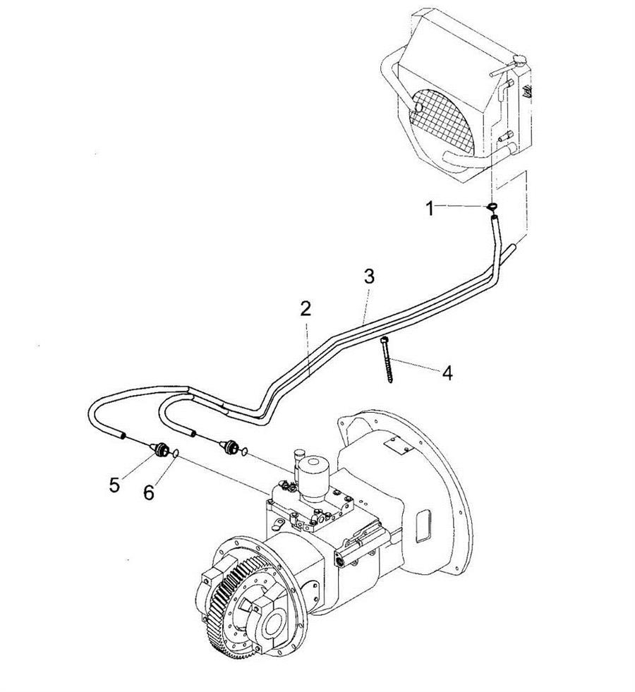
37 TOR-CON OIL COOLING SYSTEM
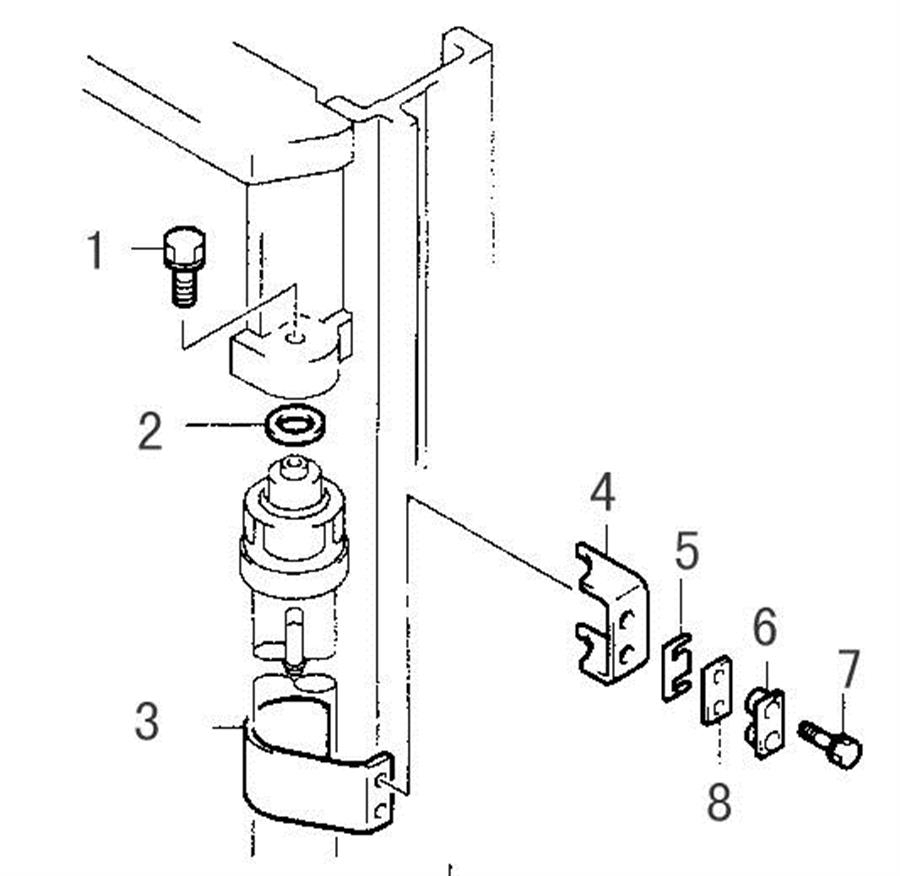
38 MAST(2W)
39 MAST(2F)
40 MAST(3F)
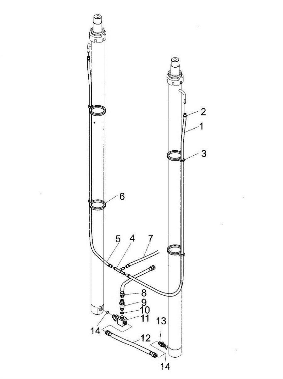
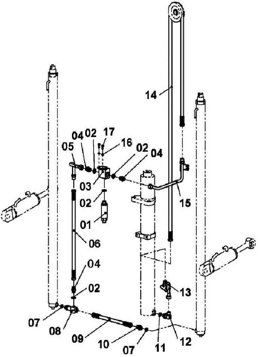
41 HYDRAULIC SYSTEM MAST (2W)
42 HYDRAULIC SYSTEM MAST(2F)
43 HYDRAULIC SYSTEM MAST(3F)
44 LIFT CYLINDER (2W)
45 FREE LIFT CYLINDER(2F/3F)
46 LIFT CYLINDER(2F)
47 LIFT CYLINDER MOUNT
48 TILT CYLINDER(2W/2F)
49 TILT CYLINDER(3F)
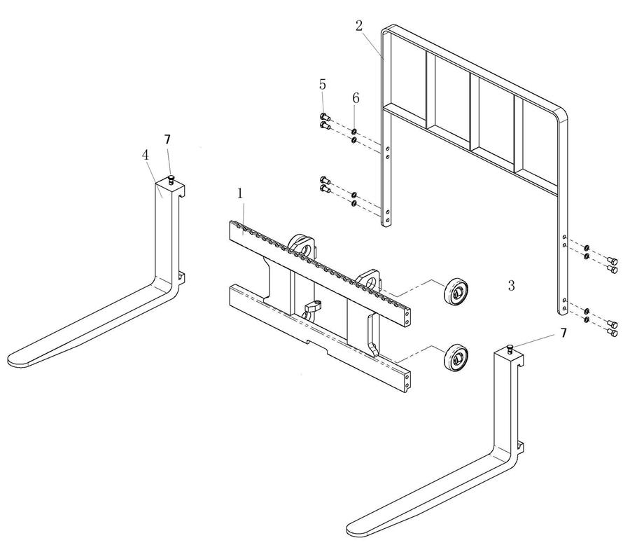
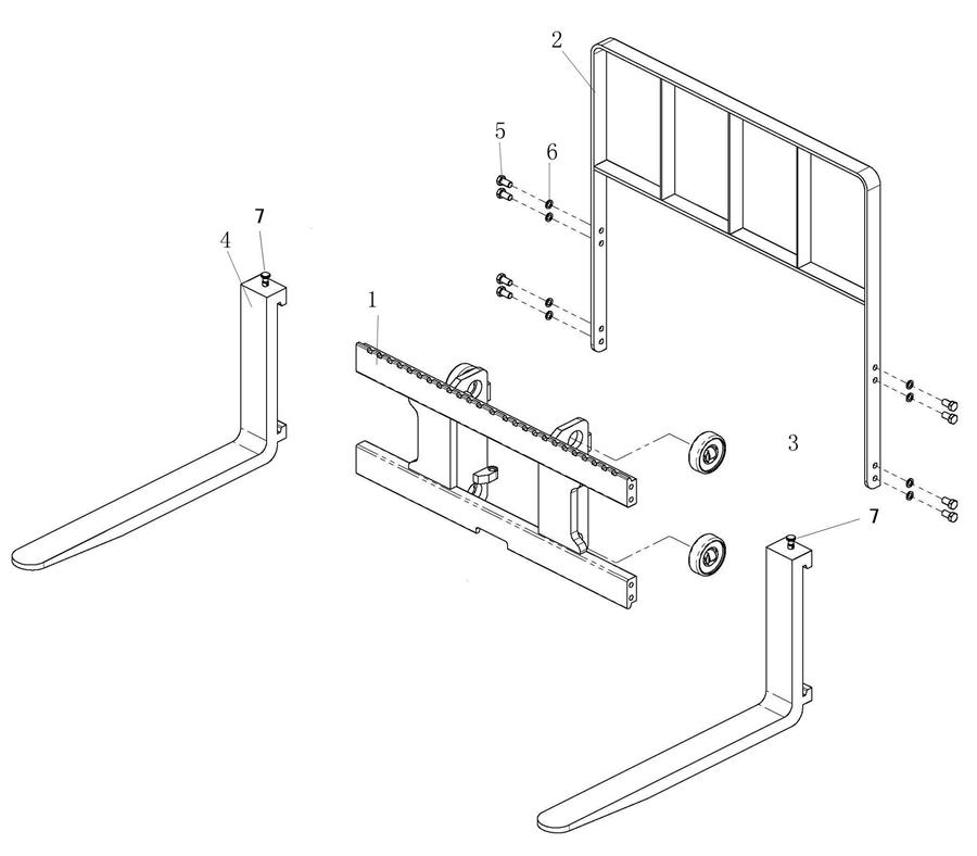
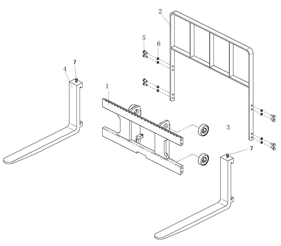
50 LIFT CARRIAGE(2W)
51 LIFT CARRIAGE(2F)
52 LIFT CARRIAGE(3F)
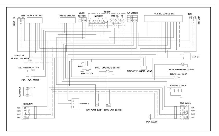
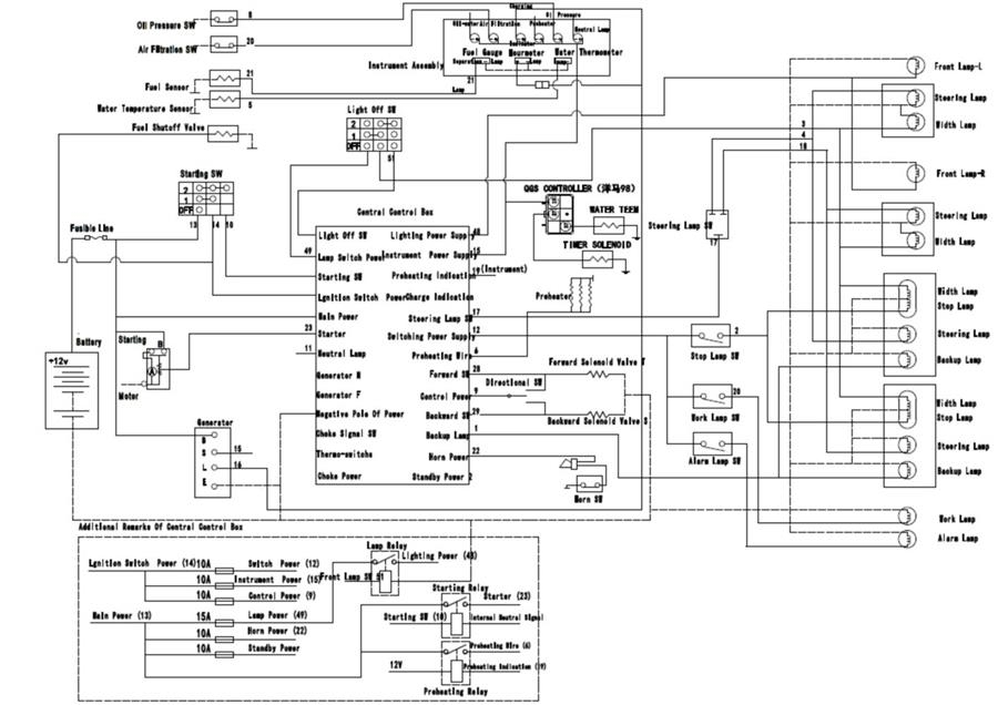
53 ELECTRIC SYSTEM
54 ELECTRIC SYSTEM 4TNE92
55 ELECTRIC SYSTEM S4Q2
56 HEAD LAMP ASS'Y
57 REAR COMBINATION LAMP
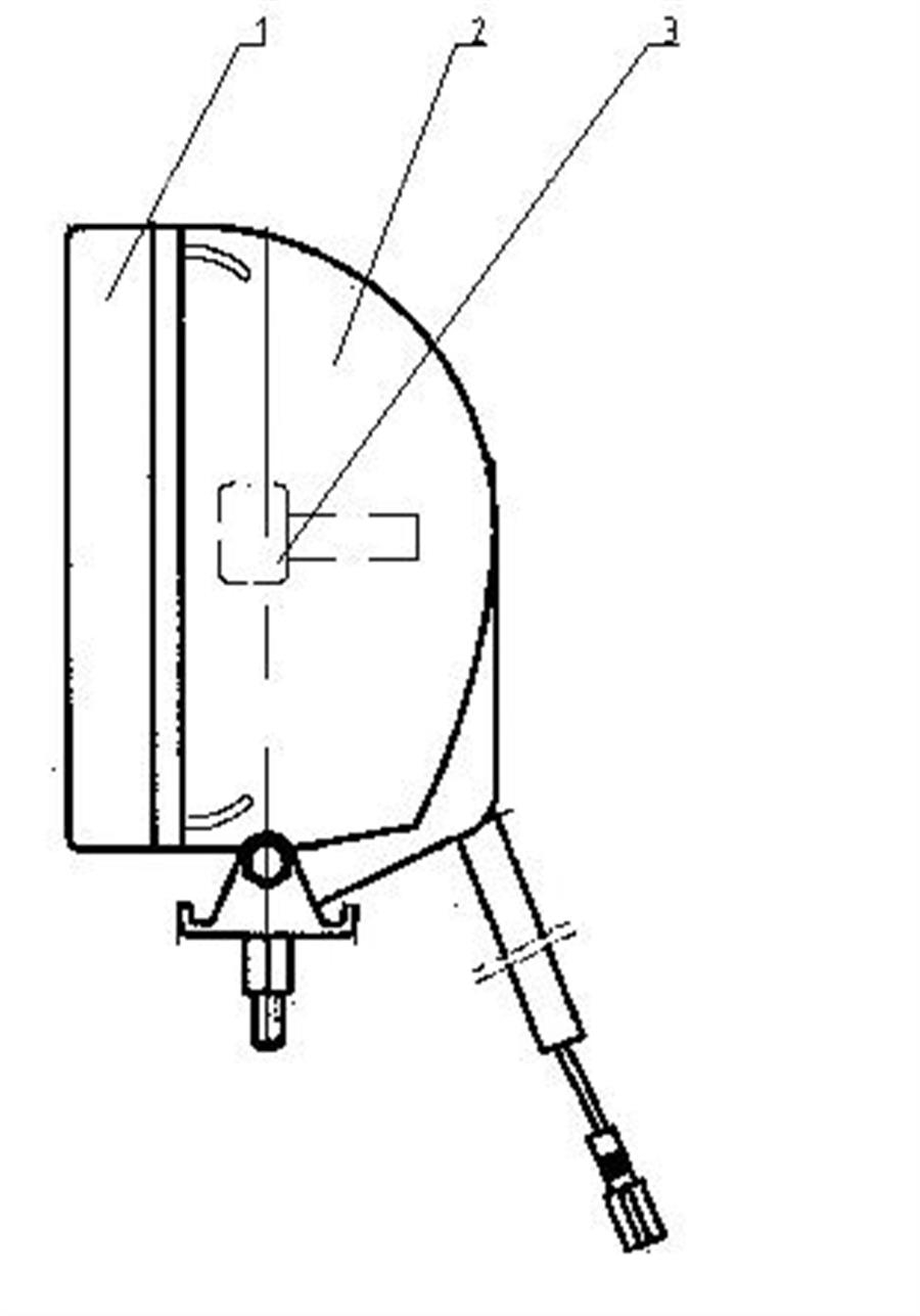
58 FRONT LAMP
59 COMBINATION METER
60 Label