01 CYLINDER BLOCK气缸体
02 GEAR HOUSING齿轮箱
03FLYWHEEL HOUSING & OIL SUMP飞轮箱和油泵
04CYLINDER HEAD & BONNET汽缸和阀盖
05 SUCTION & EXHAUST MANIFOLD吸气和排气歧管
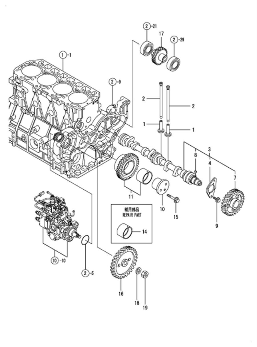
06CAMSHAFT & DRIVING GEAR凸轮轴传动装置
07CRANKSHAFT & PISTON曲轴和活塞
08LUB.OIL SYSTEM油系统
09COOLING WATER SYSTEM冷却水系统
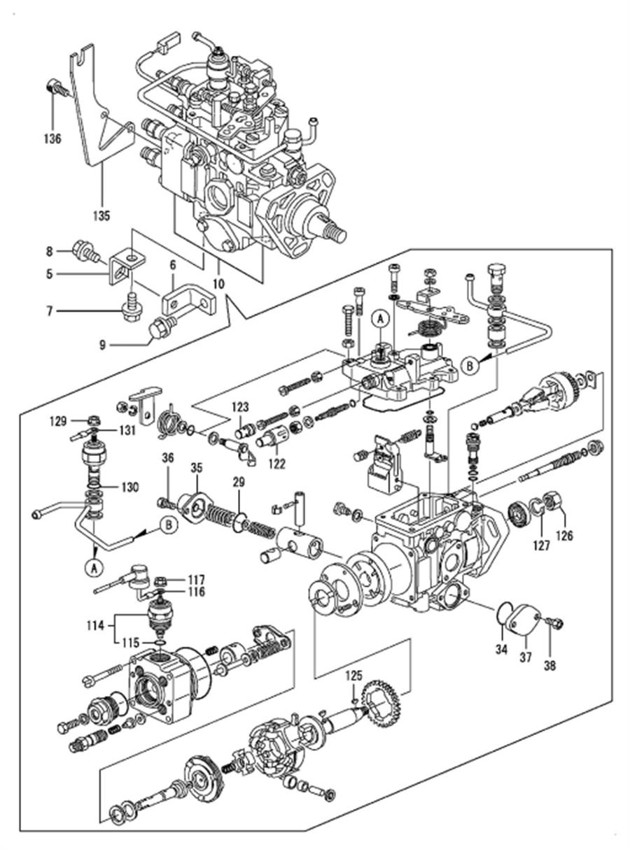
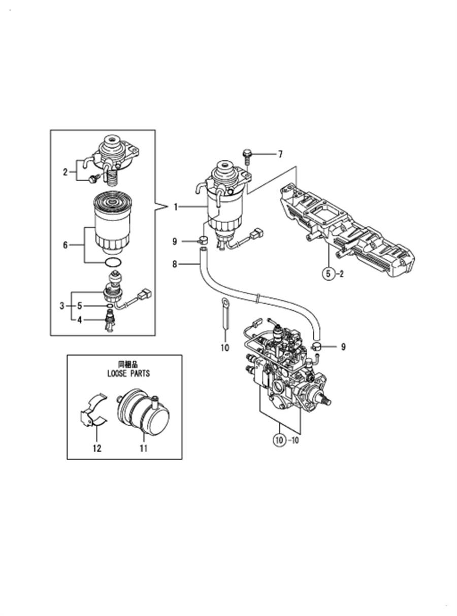
10FUEL INJECTION PUMP燃料油喷射泵
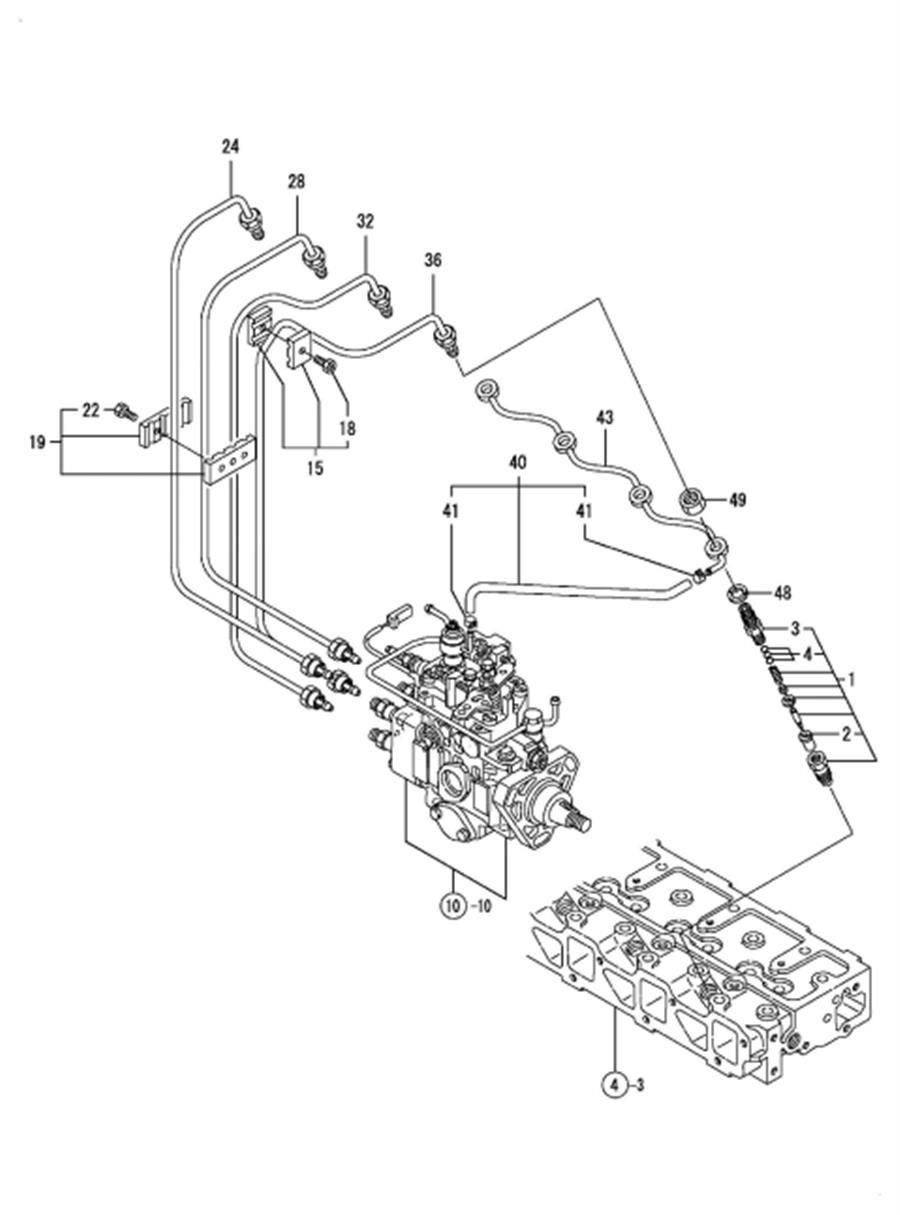
11FUEL INJECTION VALVE燃料喷油阀
12FUEL FILTER
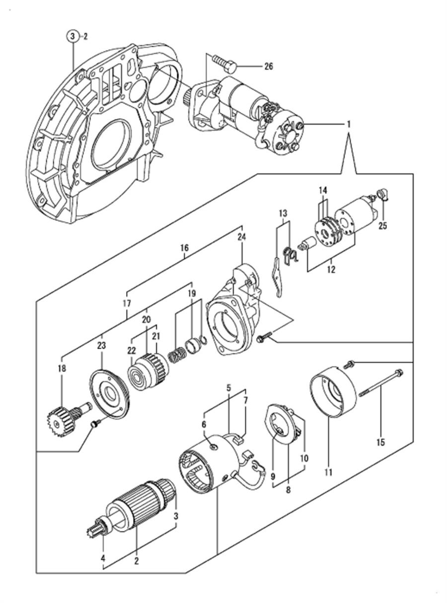
13 STARTING MOTOR启动发动机
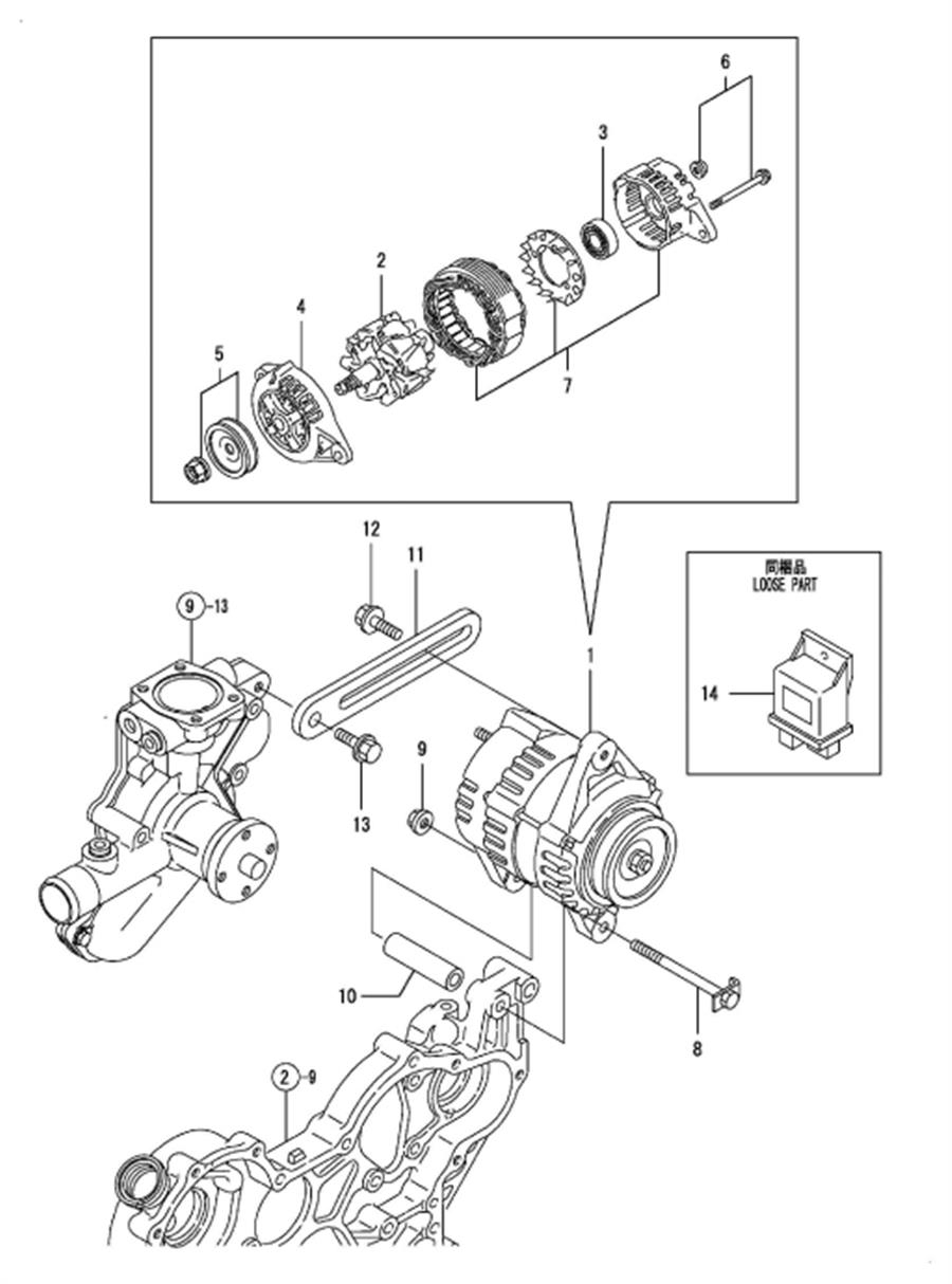
14GENERATOR发电机
15GASKET SET密封圈装置
16SHORT BLOCK短块