Запчасти на Электротележка для поддонов EP Equipment EPT20-15ET Mini Series

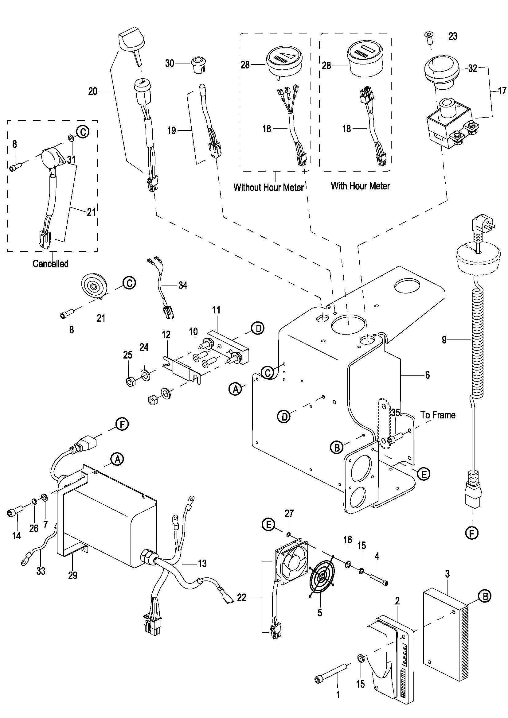
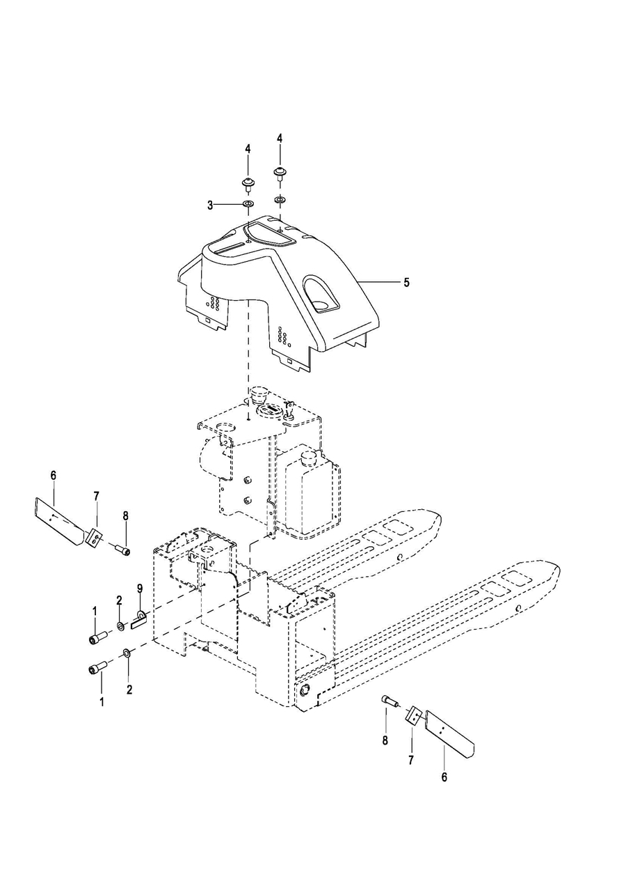
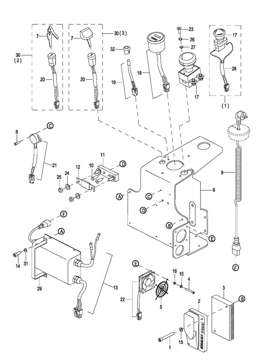
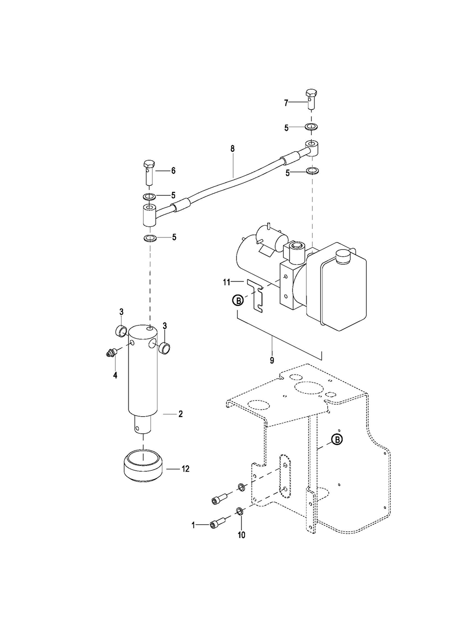
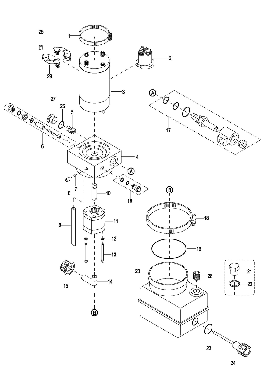
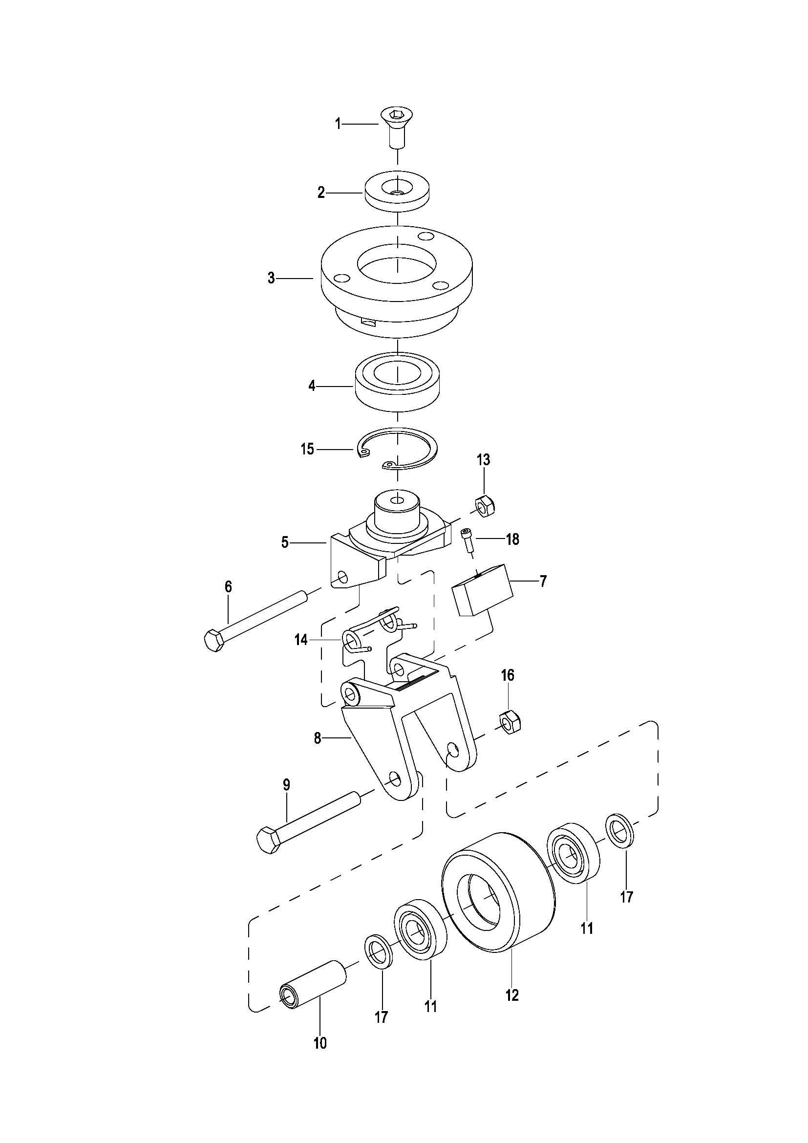
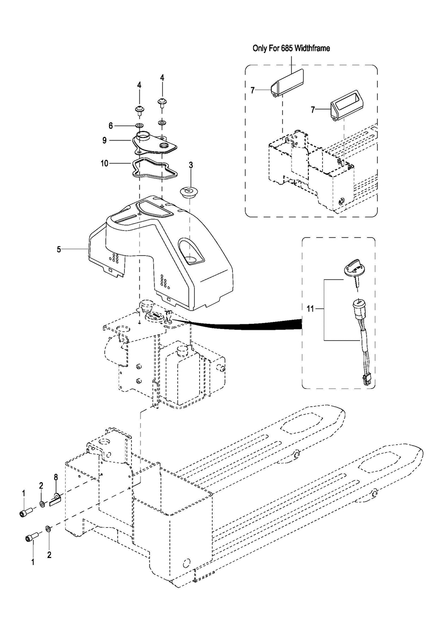
0101Frame System ( Double Wheel )车身系统(双轮) 0102Frame System For Side(Double Wheel)侧拉式车身系统(双轮) 0103 Frame System For Ultralow Fork(40mm,Double Wheel)超低放40mm车身系统(双轮) 0103 Frame System For Ultralow Fork(60mm,Double Wheel) 低放60mm车身系统(双轮) 0104 Frame System ( Single Wheel )车身系统(单轮) 0105Frame System For Side(Single Wheel)侧拉式车身系统(单轮) 0106 Connecting Link ( Double Wheel )连杆总成(双轮) 0107 Connecting Link For Ultralow Fork ( 40mm,Double Wheel ) 超低放40mm连杆总成 (双轮) 0107 Connecting Link For Ultralow Fork (60mm, Double Wheel ) 低放60mm连杆总成 (双轮) 0108 Connecting Link ( Single Wheel )连杆总成(单轮) 0109 Load Wheel承载轮 0110 Driving Cover Assembly驱动外罩总成 (S.N. before -427190907) 011001 Driving Cover Assembly驱动外罩总成 (S.N. after 427190907) 0111 Balance Stand Assembly平衡架总成 (S.N. before -427190907) 0112 Driving Cover Assembly(With Casters) 驱动外罩总成(带浮动万向轮) 0113 Caster Assembly 浮动万向轮总成 (S.N. before -426100716) 0114 Caster Assembly For Ultralow Fork 超低放万向轮总成 (S.N. before -426100716) 011401 Caster Assembly 万向轮总成 (S.N. after 426100716) 0115 Cover Assembly外罩总成 0116 Cover Assembly (Waterproof)外罩总成(防水) 0117 Cover Assembly For Side侧拉式外罩总成 0201 Driving System驱动系统 020101 Driving System-Wheel easy to dismantle (Option)驱动系统-驱动轮易拆(选配) 0301 Operating Control System操作系统 0302 Control Pod Assembly操作手柄头总成 (S.N. before -427102394) 030201 Control Pod Assembly操作手柄头总成 (S.N. after 427102394) 0303 Upper Cover Assembly上盖总成 (S.N. before -427102394 ) 030301 Upper Cover Assembly上盖总成 (S.N. after 427102394) 0304 Button Reverser Assembly紧急反向开关总成 (S.N. before -427102394) 0401 Hydraulic System液压系统 0402 Lifting Cylinder起升油缸 (S.N. before -022411) 040201 Lifting Cylinder起升油缸 (S.N. from 022411 to 041212) 040202 Lifting Cylinder起升油缸 (S.N. from 041212- to 426192437) 040203 Lifting Cylinder起升油缸 (S.N. after 426192438-) 0403 Lifting Cylinder For Ultralow Fork,40mm 超低放40mm起升油缸 0404 Pump & Motor Assembly液压站总成 (S.N. before -427180847) 040401 Pump & Motor Assembly液压站总成 (S.N. after 427180847) 0405 Lifting Cylinder For Ultralow Fork,60mm 低放60mm起升油缸 0501 Setting Board Assembly电器板总成 050101 Setting Board Assembly电器板总成 0502 Setting Board Assembly For Side侧拉式电器板总成 0503 Wire Harness Assembly线束总成 (S.N. before -082911) 050301 Wire Harness Assembly线束总成 (S.N. from 082911 to 022212) 050302 Wire Harness Assembly线束总成(S.N From 022212 to E2318240) 050303 Wire Harness Assembly 线束总成(S.N After E2318241-) 0503 Wire Harness Assembly 线束总成 (For 2023 NEW CE Area)(S.N. after 4321212413-) 0504 Cable Assembly电缆总成 0505 Cable Assembly For Side侧拉式电缆总成 0506 Battery Charger For Side侧拉式充电小车