0101 Frame System 车身系统
0201 Driving System 驱动系统
0202 Gear Case Assembly 减速箱总成
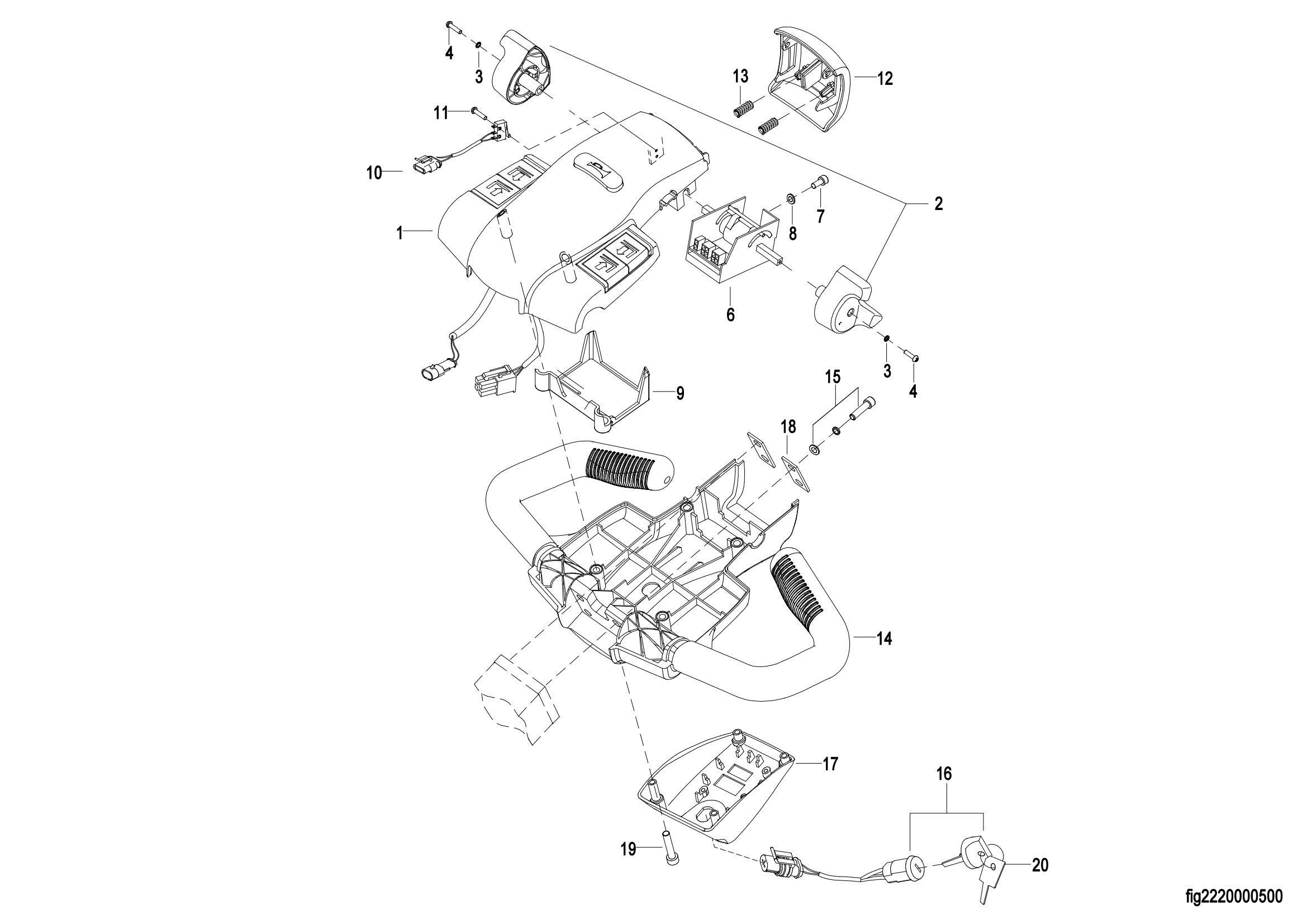
0301 Operating Control System 操作系统
0302 Control Pod Assembly 手柄头总成
0303 Upper Cover Assembly 上盖总成
0401 Electrical System 电气系统
0402 Controller Board Assembly 电气安装板总成
0403 Wire Harness Assembly 线束总成
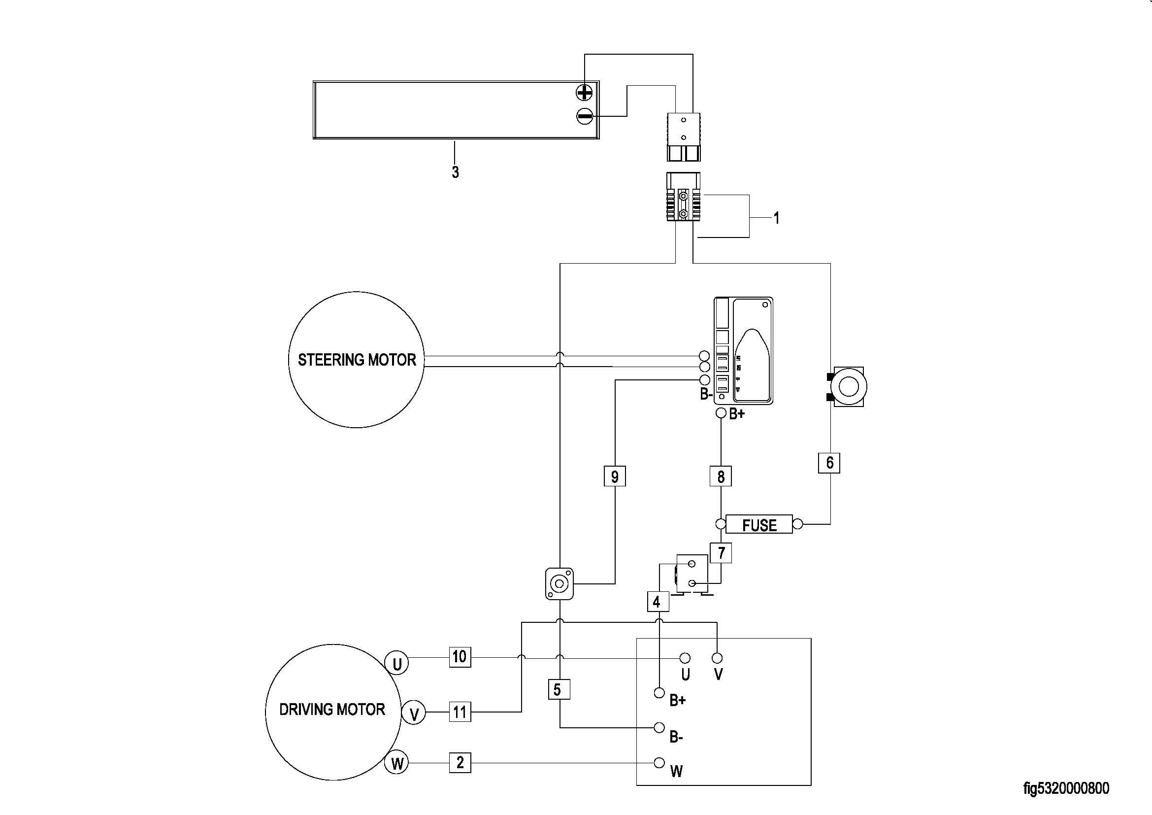
0404 Cable Assembly 电缆总成
0405 Lithium Battery Assembly 锂电瓶箱总成
0406 Battery Assembly 电瓶总成
0901 Label 标贴