0101 Frame Assembly 车架系统(SN before-7321402997)
010101 Frame Assembly 车架系统(SN after7321402998-)
0102 Caster Assembly 万向轮(SN before-7321704070)
010201 Caster Assembly 万向轮(SN After 7321704071-)
0103 Cover 外罩
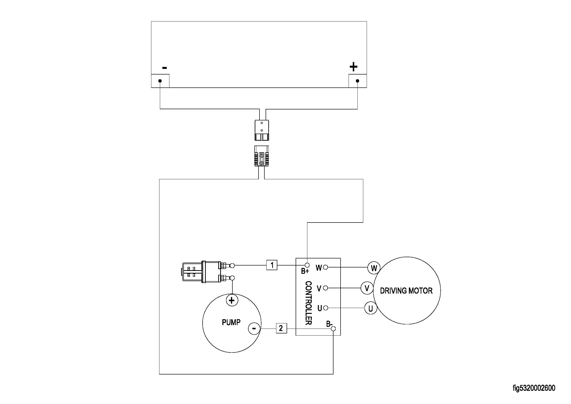
0201 Driving System 驱动系统
0301 Operating Grip 操作杆
0302 Handle Head Assembly 手柄头总成
0401 Hydraulic System 液压系统
0501 Electrical Assembly电气总成
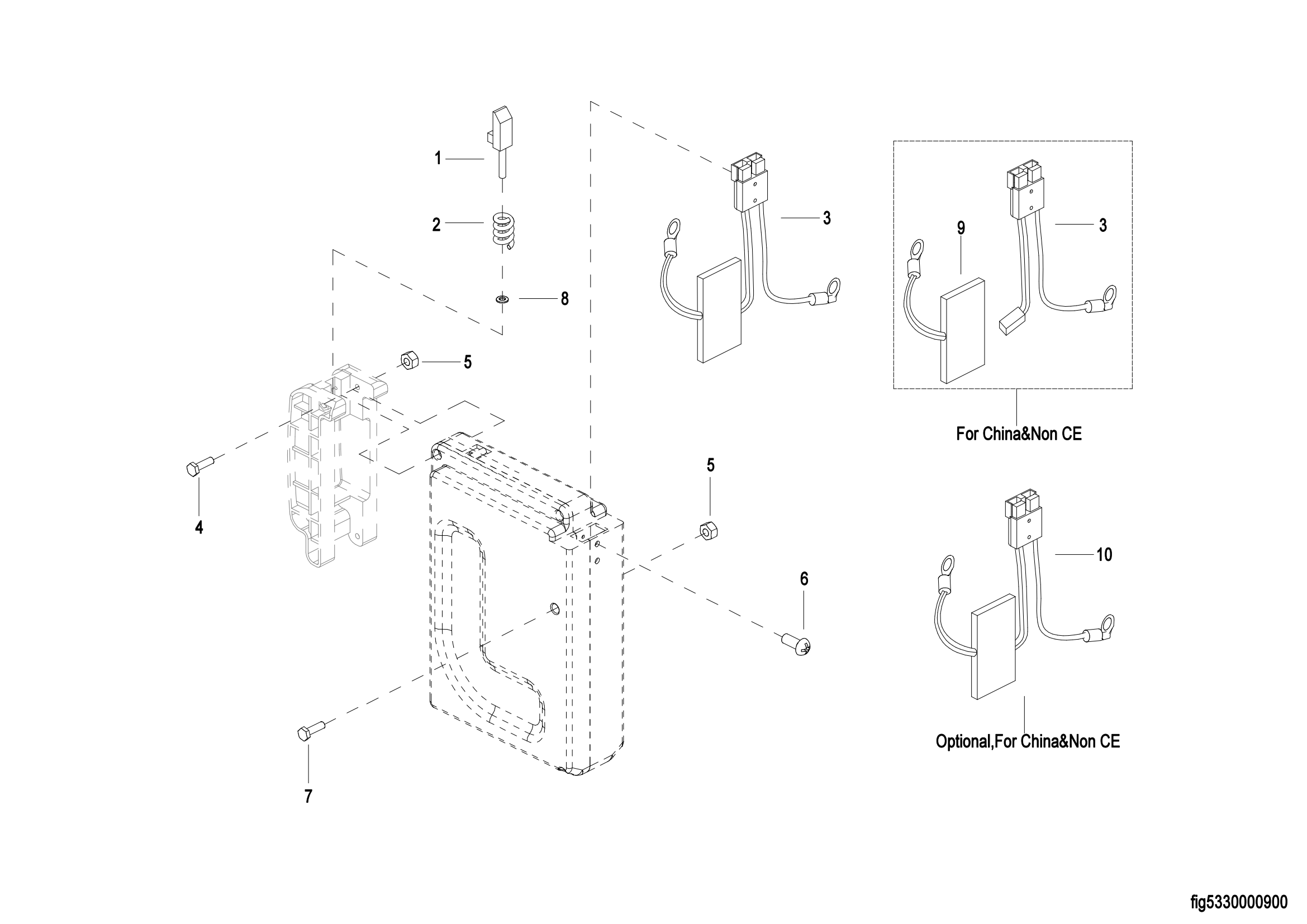
0502 Battery Assembly 电池总成
0503 Wiring Harness 线束
0504 Cable 电缆
0901 Label标贴