Запчасти на Электротележка для поддонов EP Equipment EPT20-18EA Mini Series

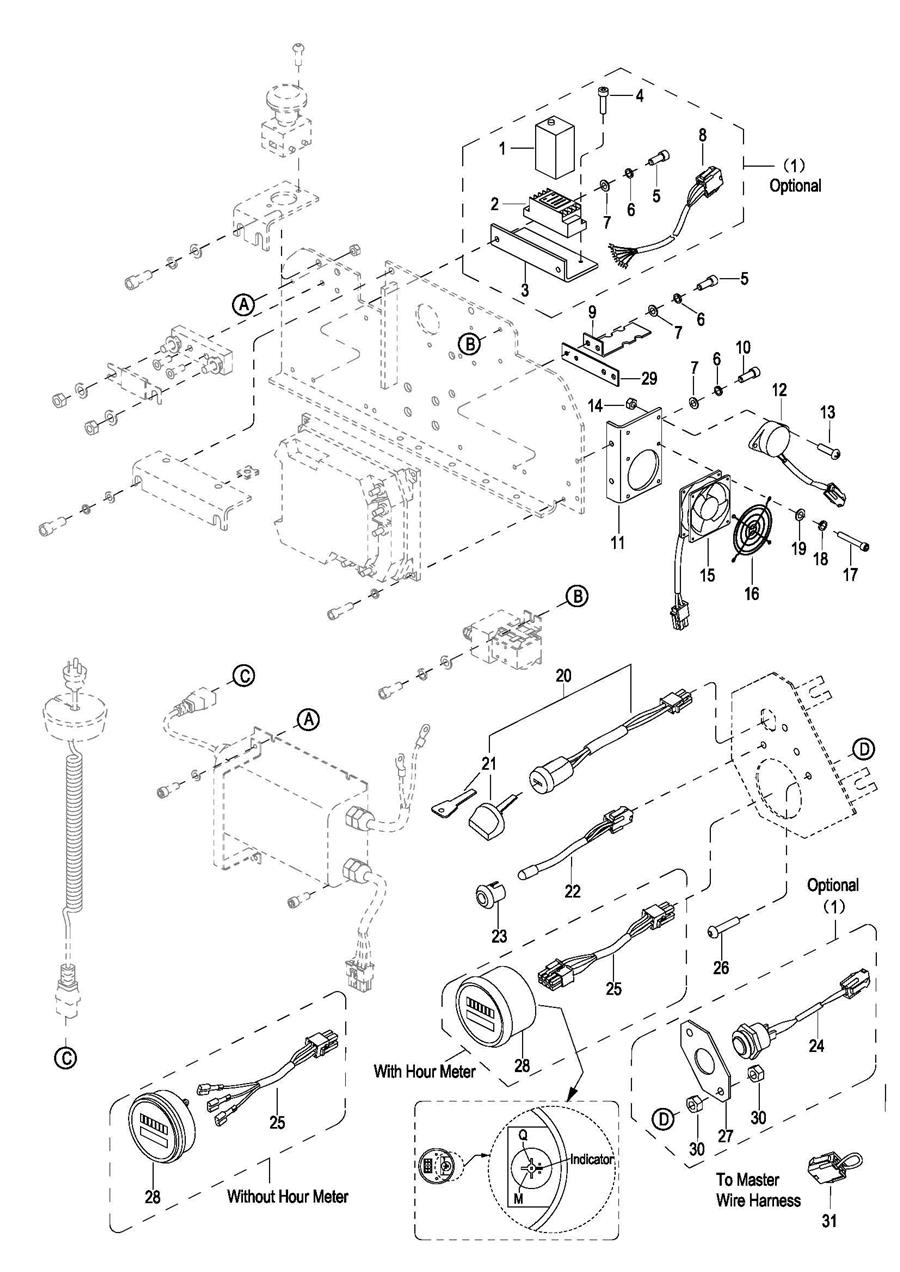
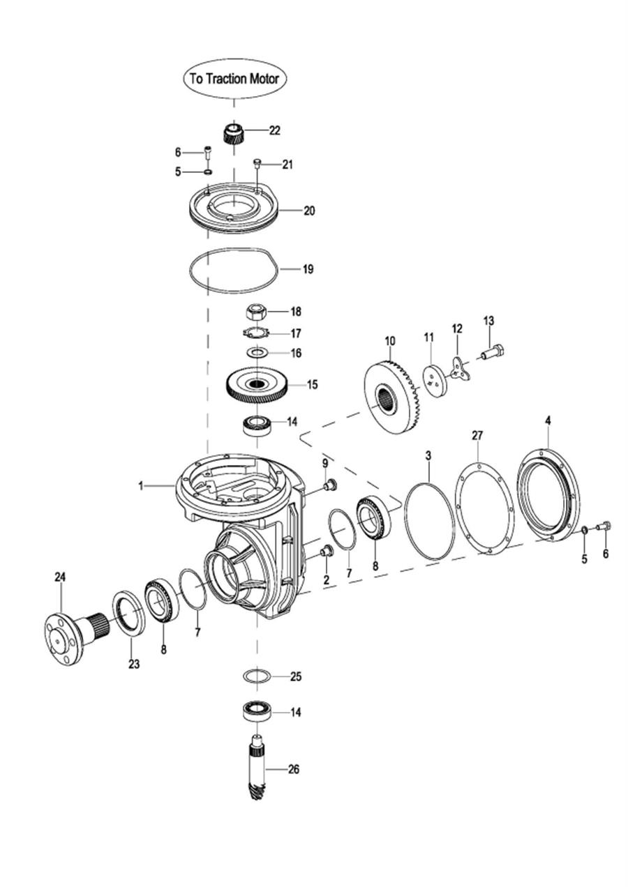
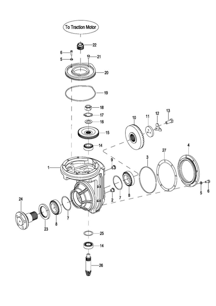
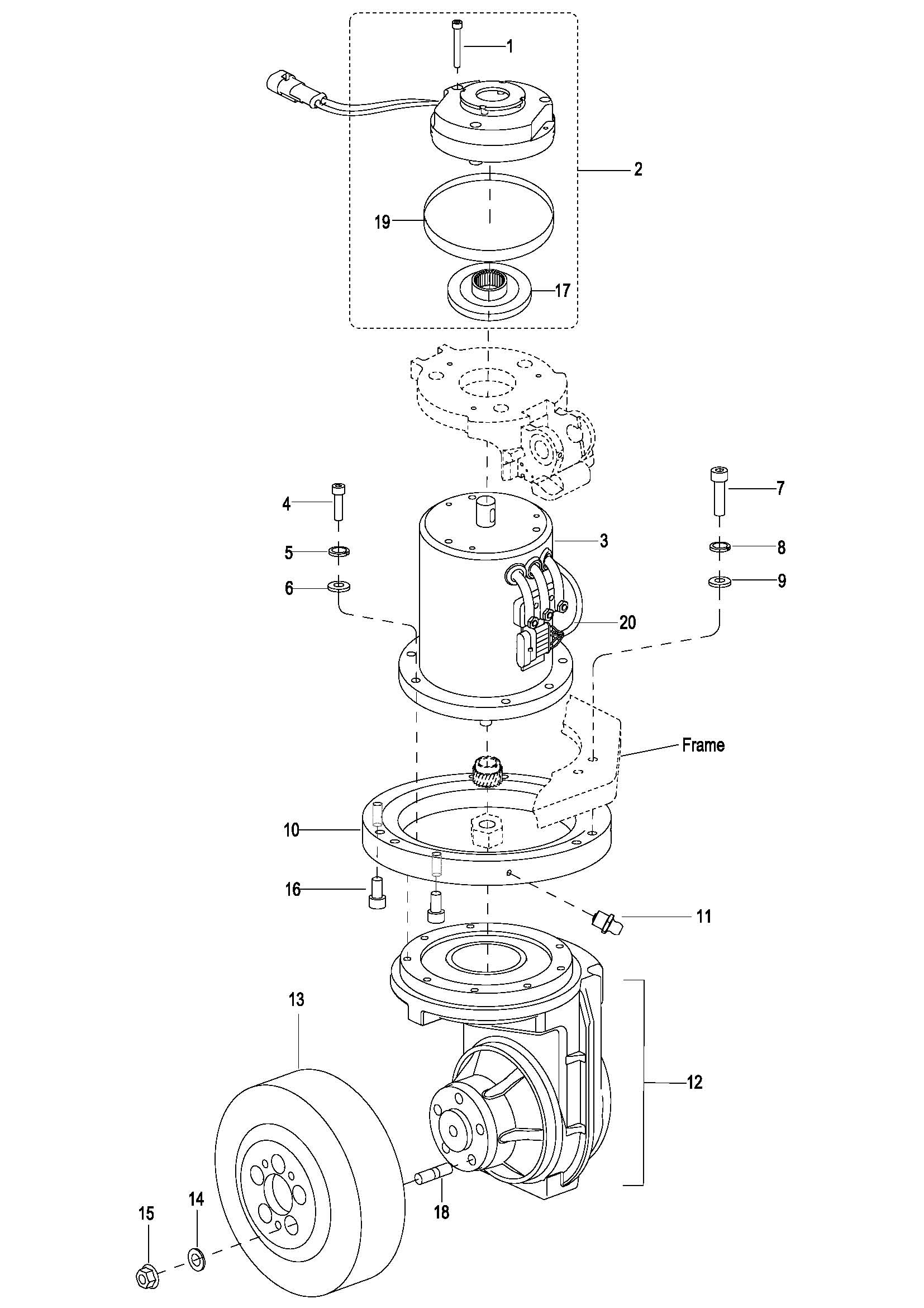
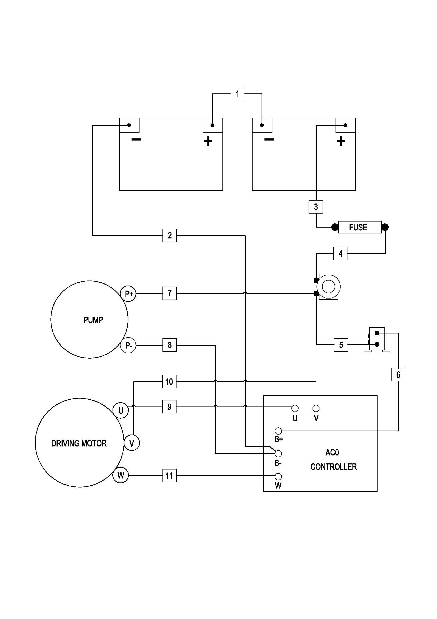
0101 Frame System(Double Wheel) 车身系统 (双轮) 0102 Frame System(Single Wheel) 车身系统 (单轮) 0103 Connecting Link(Double Wheel) 连杆总成 (双轮) 0104 Connecting Link(Single Wheel) 连杆总成(单轮) 0105 Load Wheel 承载轮 0106 Cover Assembly 外罩总成 0107 Caster Assembly 万向轮总成 0201 Driving System 驱动系统 0202 Gear Case Assembly 减速箱总成 020201 Gear Case Assembly 减速箱总成 (S.N. before 327100653) 020202 Gear Case Assembly减速箱总成(S.N.after 327100654) 0203 Motor Assembly 电机总成 0301 Operating Control System 操作系统 0302 Control Pod Assembly 操作手柄头总成(S.N.before 327100158) 030201 Control Pod Assembly操作手柄头总成(S.N.after 327100159) 0303 Upper Cover Assembly 上盖总成(S.N.before 327100158) 030301 Upper Cover Assembly上盖总成(S.N.after 327100159) 0304 Button Reverser Assembly 紧急反向开关总成(S.N. before 327100158) 0401 Hydraulic System 液压系统 0402 Lifting Cylinder 起升油缸 0403 Pump & Motor Assembly 液压站总成 0501 Electrical System 电气系统 0502 Electrical Component Assembly 电器元件总成 0503 Electrical Component Assembly 电器元件总成 050301 Electrical Component Assembly 电器元件总成 050302 Electrical Component Assembly 电器元件总成 0504 Wire Harness Assembly (S.N.before -3311400889)线束总成 050401 Wire Harness Assembly(S.N.after 3311400890-) 线束总成 0505 Cable Assembly 电缆总成 0601 Blocking Shelf Assembly 挡货架总成