0101 Frame Assembly 车架系统(S.N before -7321704253)
010101 Frame Assembly 车架系统(S.N.after 7321704254-)
0102 Caster Assembly 万向轮(S.N.before-7321704253)
010201 Caster Assembly 万向轮(S.N.after7321704254-)
0103 Cover外罩
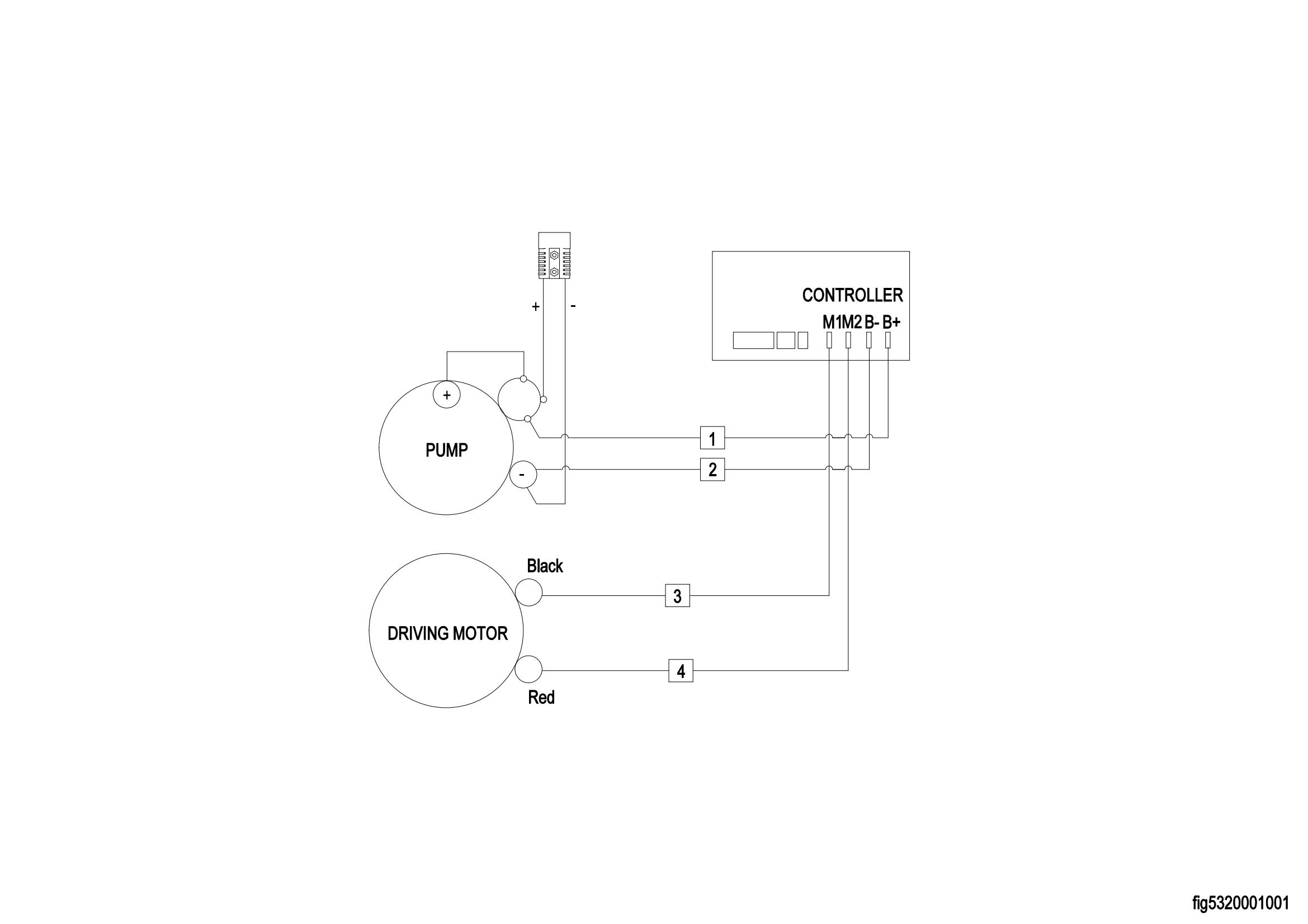
0201 Driving System驱动系统
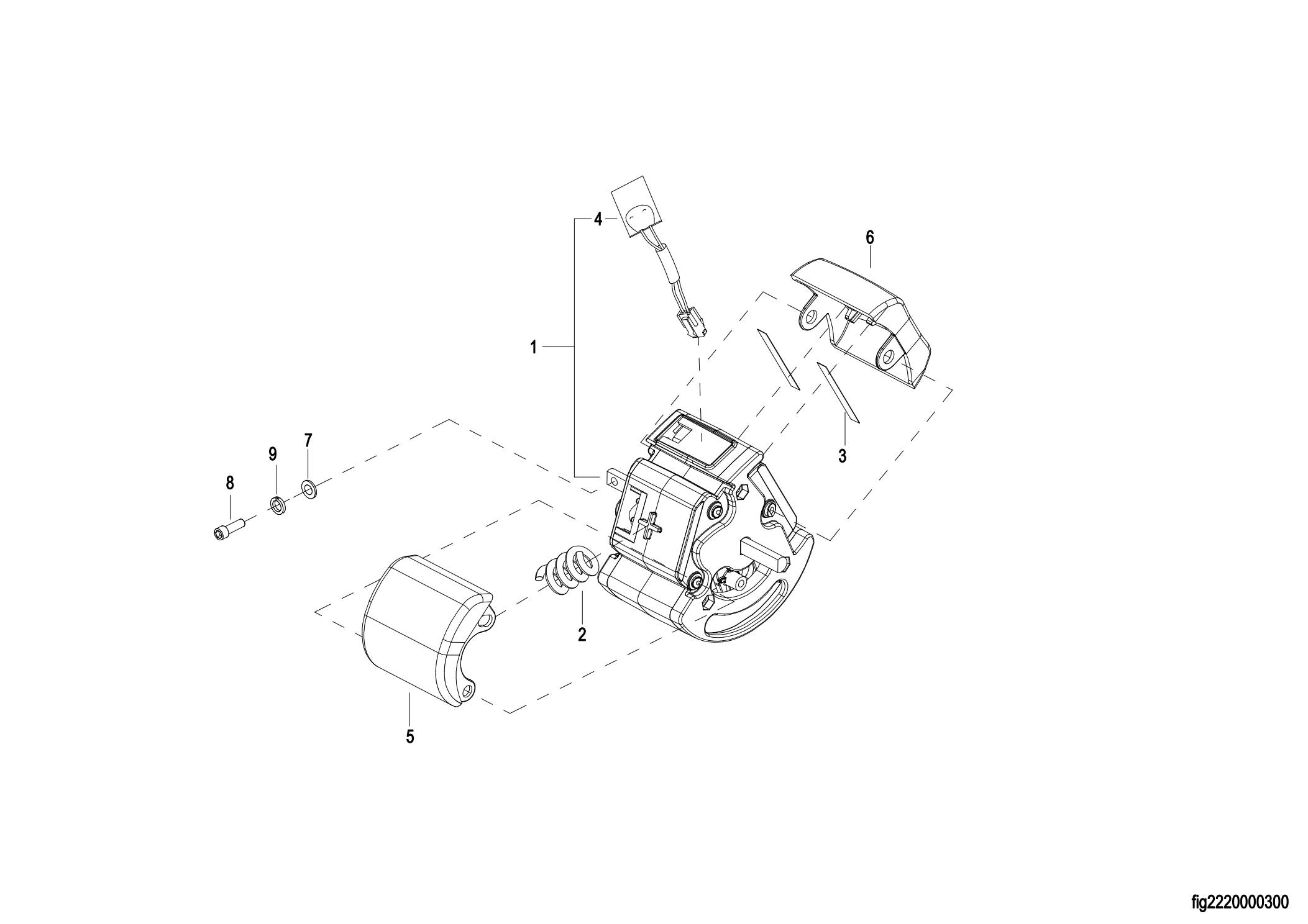
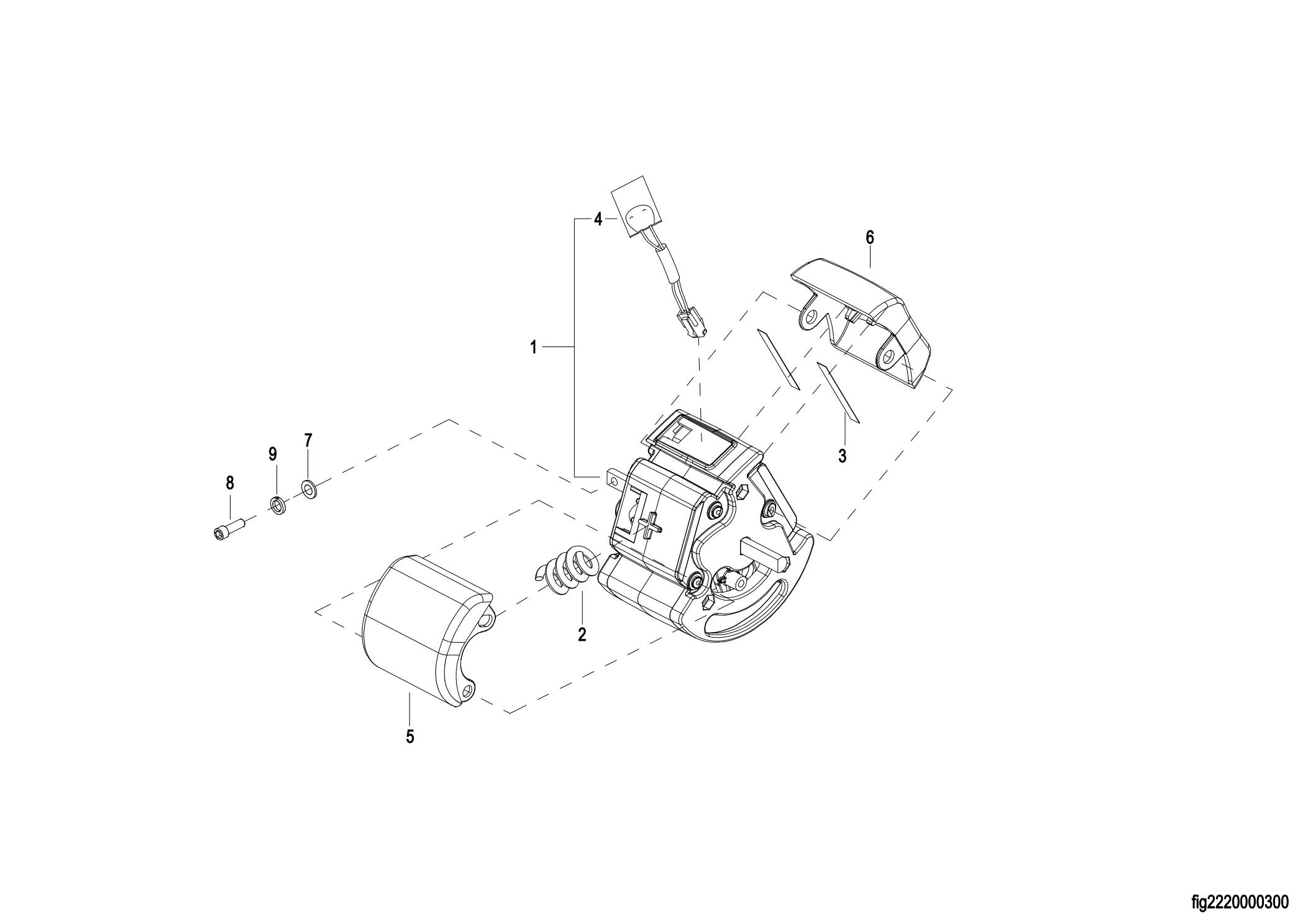
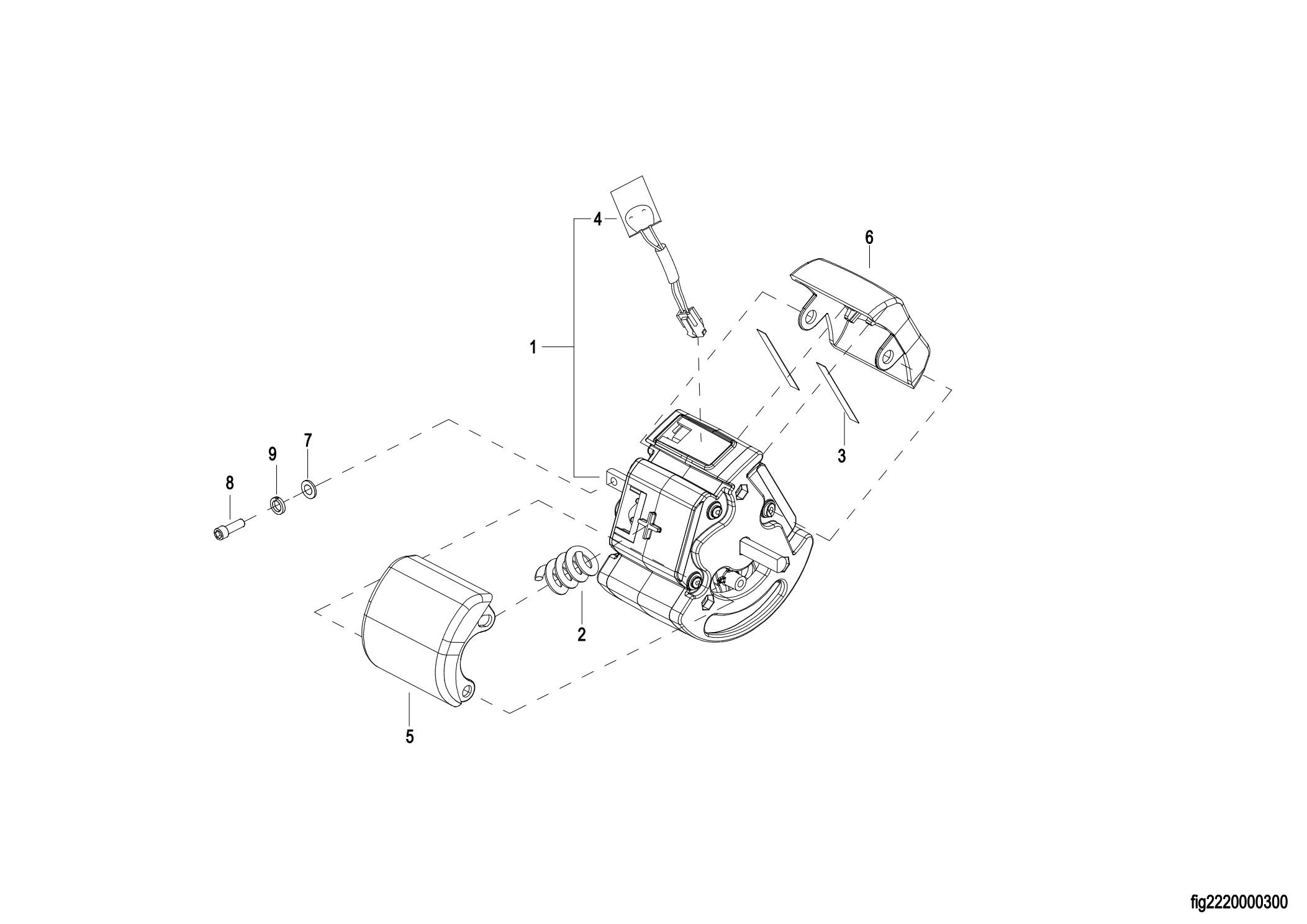
0301 Operating Grip操作杆(For CE S.N.before -7321200791)
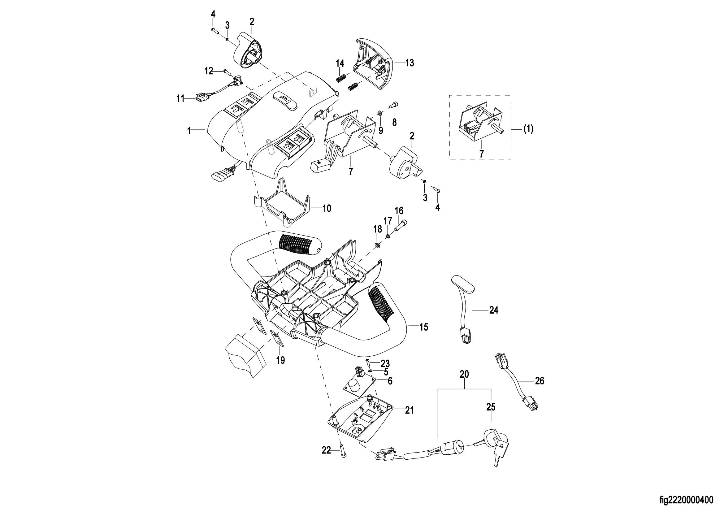
0301 Operating Grip 操作杆(For CE,S.N. after 7321200792-)
0301 Operating Grip操作杆 (For Non CE Market)
0302 Handle Head Assembly手柄头总成(For CE S.N.before -7321200791)
0302 Handle Head Assembly 手柄头总成(For CE,S.N. after 7321200792-)
0302 Handle Head Assembly手柄头总成(For Non CE Market)
0303 Operating Grip ,OptionalⅠ 操作杆(选配Ⅰ)
0304 Handle Head Assembly,OptionalⅡ 手柄头总成(选配Ⅱ)
0305 Upper Cover Assembly上盖总成
0401 Hydraulic System液压系统
0501 Electrical Assembly电气总成(For CE S.N.before -7321200791) & (For Non CE Market)
0501 Electrical Assembly电气总成(For CE,S.N. after 7321200792-)
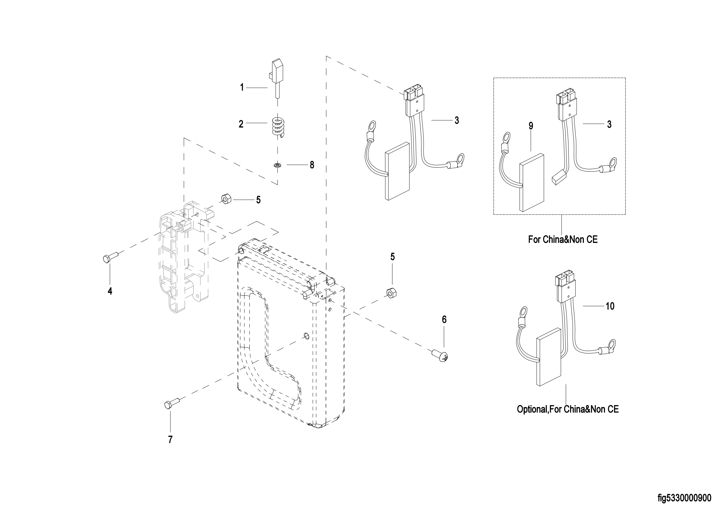
0502 Battery Assembly电池总成(For CE S.N.before -7321200791) & (For Non CE Market)
0502 Battery Assembly电池总成(For 2023 New CE,S.N. after 7321200792-)
0503 Wiring Harness 线束
0504 Cable Assembly(For ET Control Pod Assembly) 电缆总成(ET手柄头)
0601 DC-DC Charger Assembly
0701 Adapt Cable
0901 Labe l标贴