88007754294
sales@remzona-parts.ru
Найти
88007754294
sales@remzona-parts.ru
Обратный звонок
Заказать запчасть
0 позиций
0 руб.
Оформить заказ
Вход
Регистрация
Найти
Каталог запасных частей
Bobcat
Шарнирно-сочлененный погрузчик
Навесное оборудование
Экскаватор–погрузчик
Мини-трактор
Мини-экскаватор
Другая техника
Мини-погрузчик
Телескопический погрузчик
Дизельные автомобили
Электрокар
Doosan
Бульдозеры
Экскаваторы
Колесные погрузчики
Погрузчики с бортовым поворотом
Лесотехнические машины
Самосвалы Moxy
Быстросъем
Навесное оборудование
Специальное исполнение
Прочие запчасти (другие)
EP Equipment
Запчасти для ТО
Шины для спецтехники
Гусеницы для спецтехники
Навесное оборудование
Прицепы для перевозки мини-спецтехники
Дополнительное оборудование
Новости
Ремонт и сервис
О проекте
Проект Ремзона
Оптовикам
Поставщикам
Регионам
Отзывы
Акции
Статьи
Контакты
Помощь
Как оформить заказ
Оплата
Доставка
Поиск запасных частей
Возврат деталей
Авторизация
Войти
Забыли пароль?
Регистрация
Обратный звонок
Главная
Каталог запасных частей
EP Equipment
Электрический штабелер
Standard Stacker
ES-WA(Lithium Battery Insert)
Запчасти на Электрический штабелер EP Equipment ES-WA(Lithium Battery Insert) Standard Stacker
0101 Frame Assembly 车架系统
0301 Operating Control Assembly 操作系统
0501 Electric Assembly 电气总成
0505 Cable Assembly 电缆总成
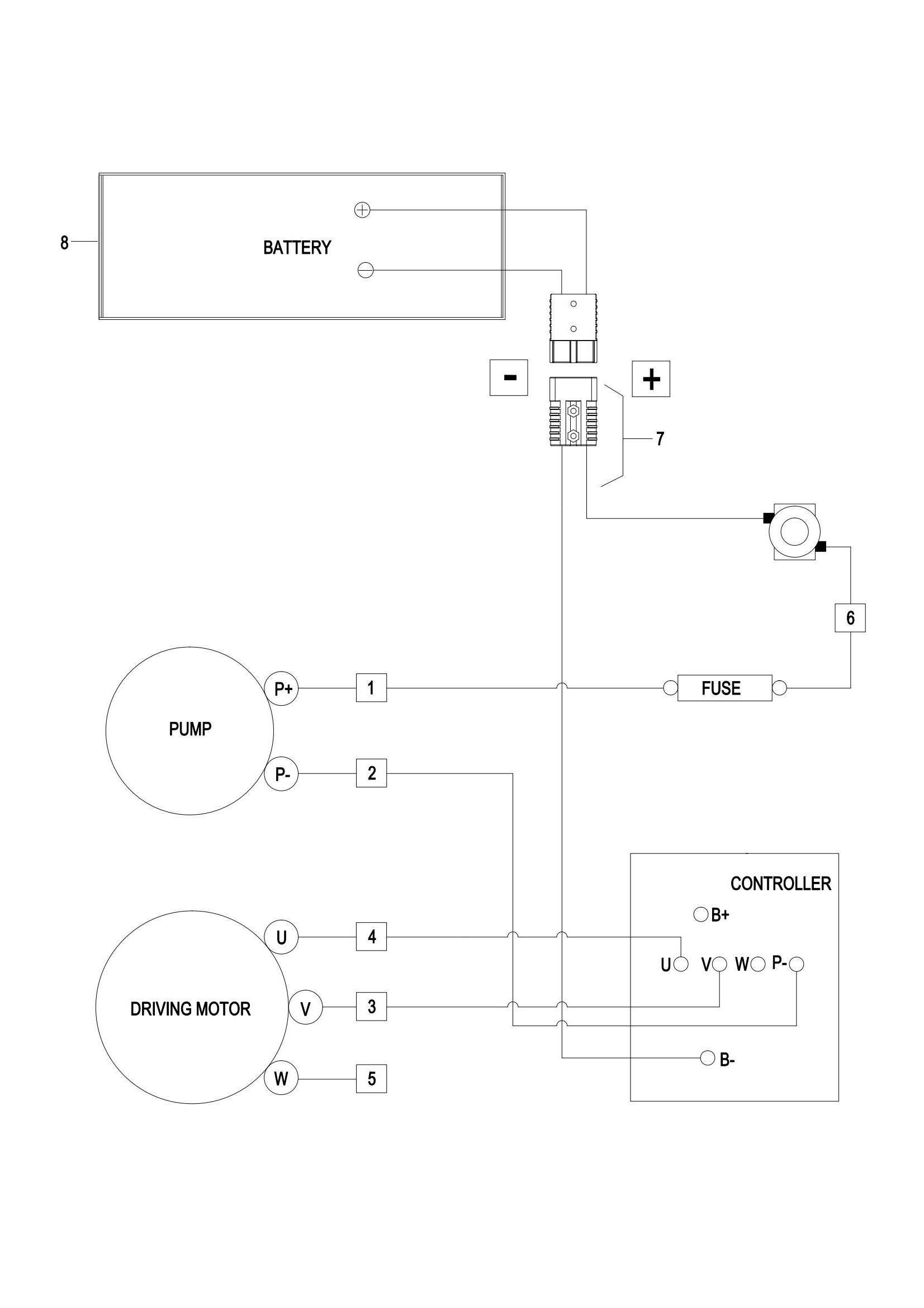
0506 Lithium Battery Assembly 锂电瓶总成(S.N.before- 3321703352)
050601 Battery Assembly 电瓶总成(S.N.after 3321703353-)
0507 Lithium Battery Assembly(For CE)锂电瓶总成