0701 Full free 3-Stage Mast Assembly 全自由三级门架总成
0702 Oil Pipe 油管
0703 HYDRAULIC SYSTEM OF THIRD PIPELINE (3F) 第三联管路系统(三级全自由)
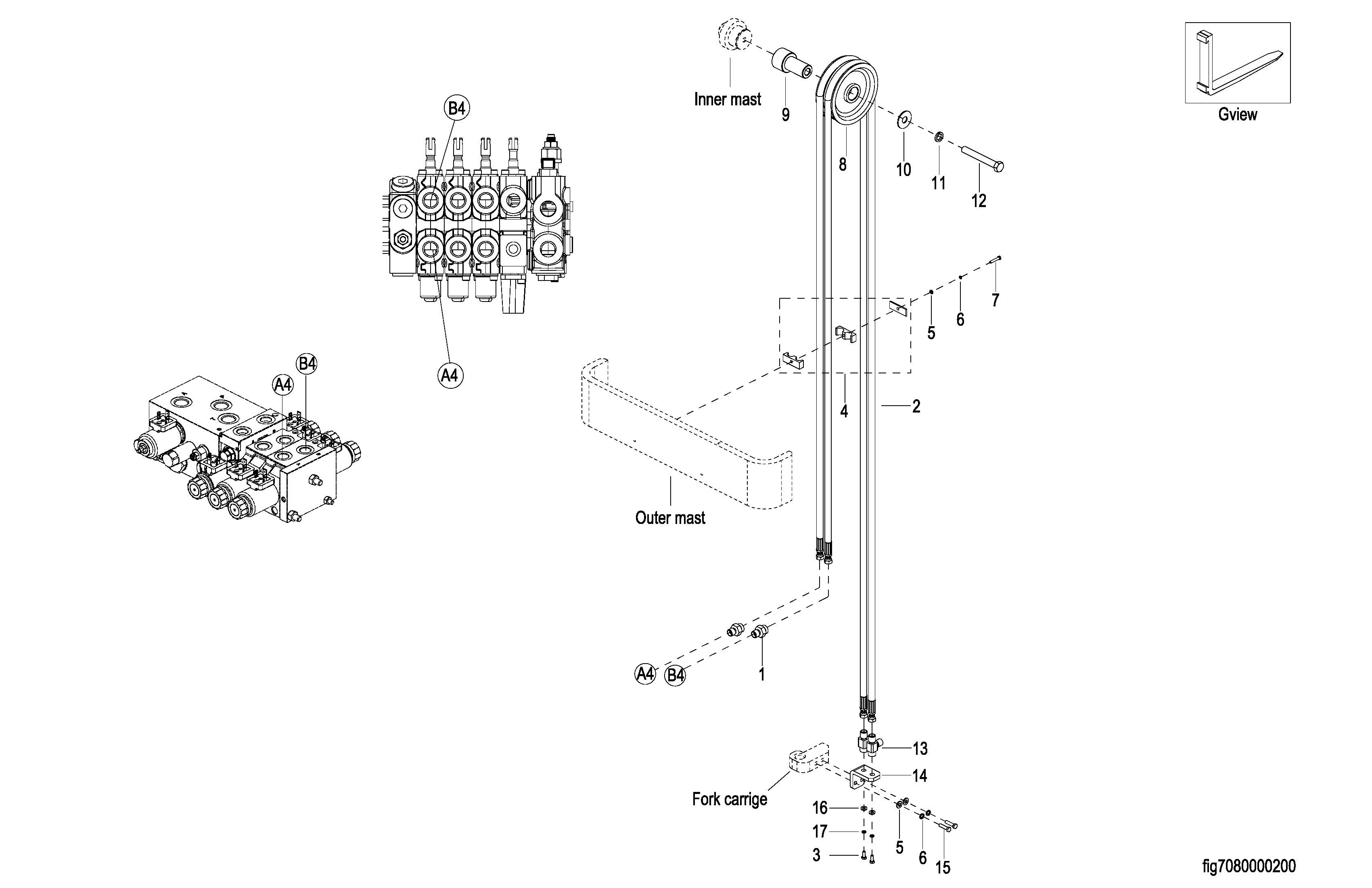
0704 HYDRAULIC SYSTEM OF FOURTH PIPELINE (3F) 第四联管路系统(三级全自由)
0705 Front Lifting Cylinder 前起升油缸
0706 Lifting Cylinder-L 左起升油缸
0707 Lifting Cylinder-R 右起升油缸
0708 Tilt Cylinder 倾斜油缸
0709 Fork Frame 货叉架
0710 Wide-View 2-Stage Mast Assembly 宽视野二级门架总成
0711 Oil Pipe 油管
0712 HYDRAULIC SYSTEM OF SIDE SHIFTER (2W) 侧移管路系统(二级宽视野)
0713 HYDRAULIC SYSTEM OF FOURTH PIPELINE (2W) 第四联管路系统(二级宽视野)
0714 Lifting Cylinder 起升油缸
0715 Fork Frame 货叉架
0716 Chain Assembly 链条总成