0101 Frame System车身系统
0102 Overhead Guard安全棚
0103 Front Cover前外罩
0104 Back Cover后外罩
0201 Steering Control System操作系统
0202 Steering Assembly转向柱总成
0203 Valve Control Linkage多路阀操作杆
0204 Operating Armrest Assembly (Solenoid valve) 操纵扶手总成(电磁阀)
0301 Driving System Assembly驱动系统总成
0302 Gear-box变速箱
0303 Front Tires Assembly前轮装配总成
0401 Rear Axle Steering Assembly后桥转向系统
0402 Steering Axle转向桥
0403 Back Tires Assembly后轮装配总成
0501 Controller Assembly控制器装配总成
0502 Electrical Assembly电气总成
0503 Wiring Harness Assembly(Solenoid valve)线束总成(电磁阀)
0504 Wiring Harness Assembly(Solenoid valve)线束总成(电磁阀)
0505 Wiring Harness Assembly线束总成
0506 Wiring Harness Assembly线束总成
0507 Cable电缆总成
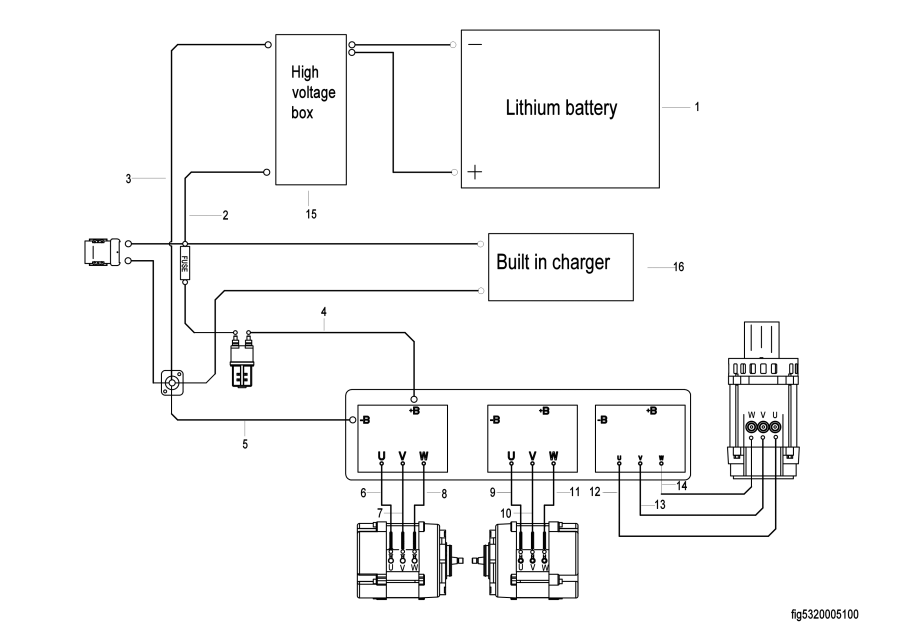
0508 Battery Assembly锂电池总成
0509 High Voltage Box高压盒
0601 Hydraulic SystemⅠ液压管路Ⅰ
0602 Hydraulic SystemⅠ(Solenoid valve)液压管路Ⅰ(电磁阀)
0603 Solenoid Valve Assembly电磁阀
0604 Hydraulic SystemⅡ液压管路Ⅱ
0605 Hydraulic SystemⅡ(Solenoid valve)液压管路Ⅱ(电磁阀)
0606 Oil Tank油箱
0607 Right Tilt Cylinder右倾斜缸
0608 Left Tilt Cylinder左倾斜缸
0901 Label (export)标贴(外销)
0902 Label标贴