Запчасти на Электрический штабелер EP Equipment WSA161(SN before -3331202267) Standard Stacker

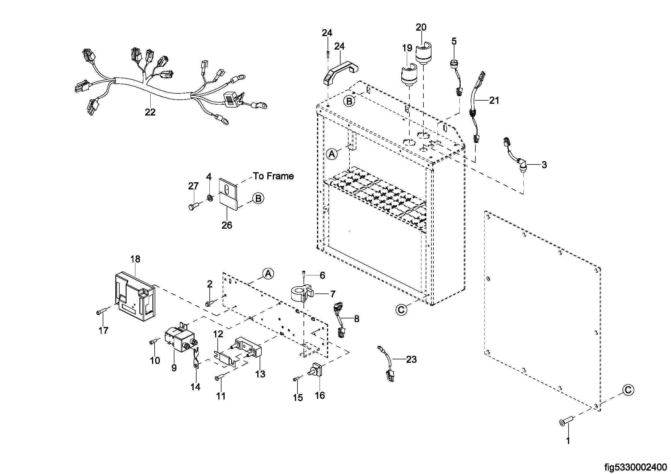
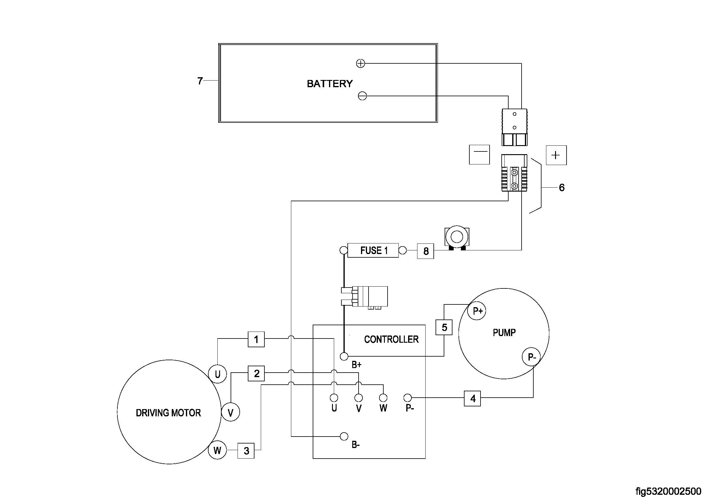
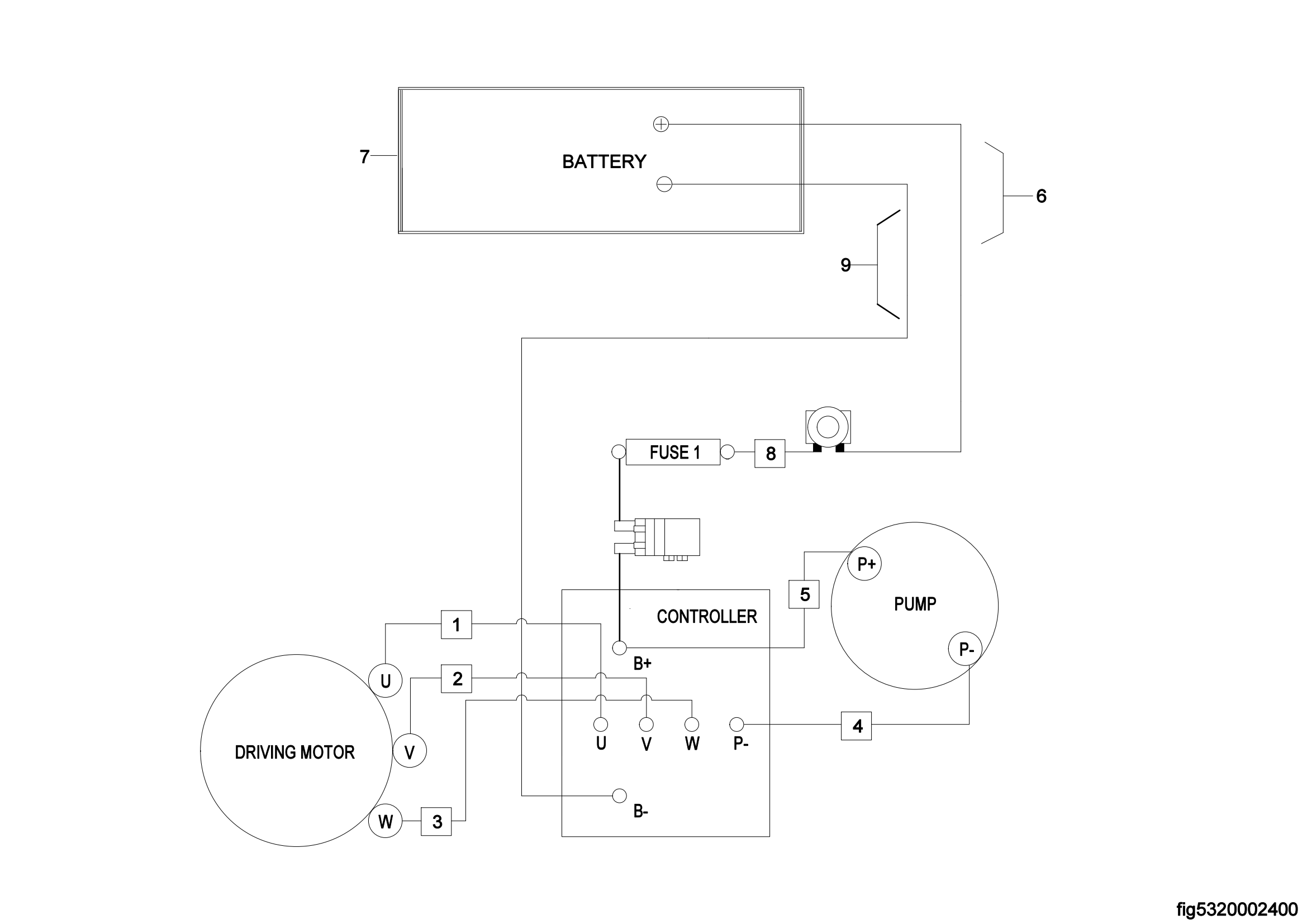
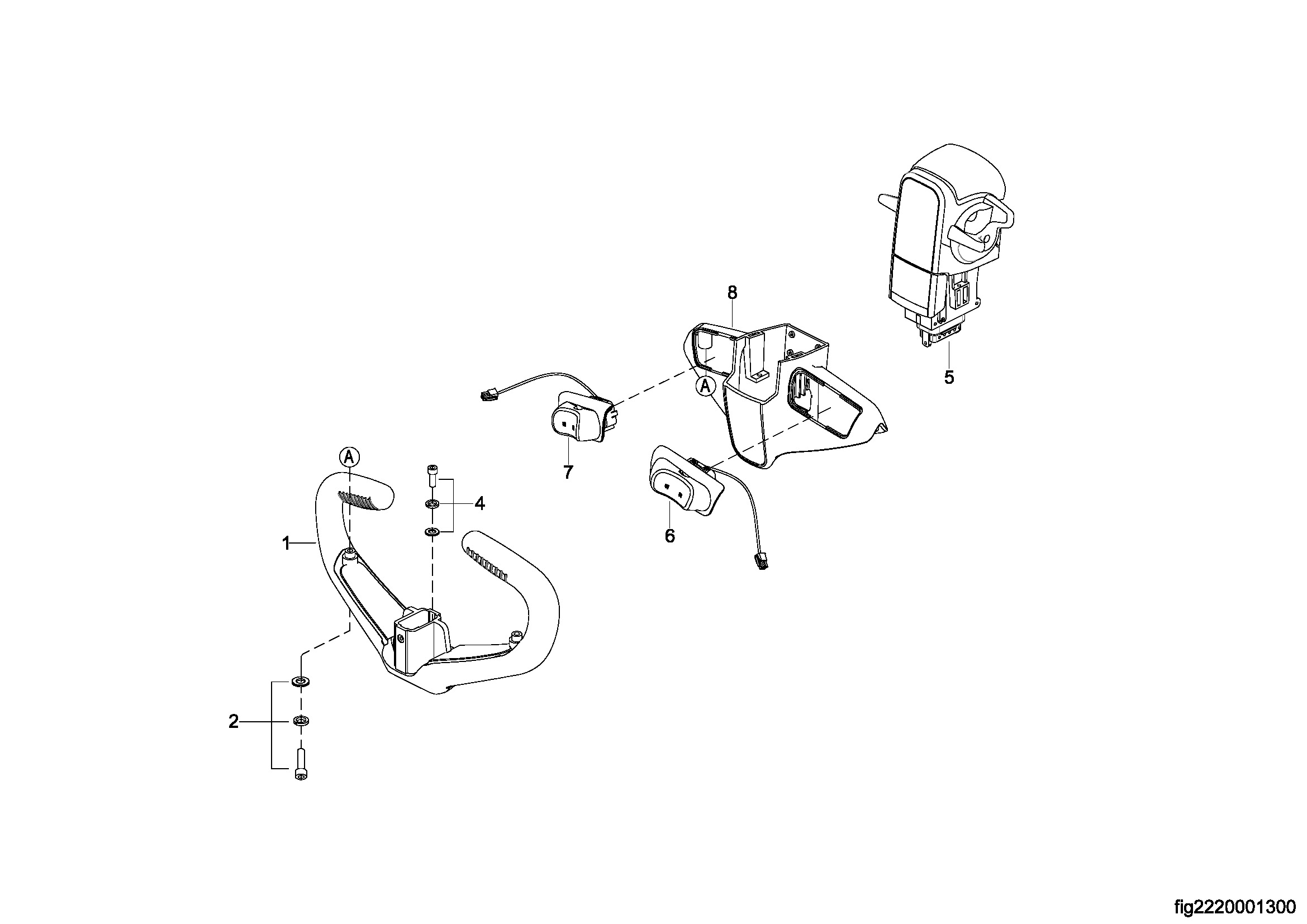
0101 Frame System 车架系统 0102 Caster Assembly 万向轮 0201 Driving System 驱动系统 0202 Gear Case Assembly 减速箱总成 0301 Operating Control System 操作系统 0302 Control Pod Assembly 手柄头总成 0303 Accelerator Assembly 加速器总成 0401 Hydraulic Assembly 液压总成 0402 Duplex Mast Oil Pipe Assembly 两级门架油管总成 0403 Triplex Mast Oil Pipe Assembly 三级门架油管总成 0404 Pump & Motor Assembly 液压站总成 0501 Electric Assembly 电气总成 0502 Controller Board Assembly 电器板总成 0503 Wire Harness Assembly 线束总成(S.N.Before-3331100026) 050301 Wire Harness Assembly 线束总成(S.N.After3331100027-) 0504 Cable Assembly(For Lithium Battery) 电缆总成(锂电) 0505 Cable Assembly(For Lead Acid Battery) 电缆总成(铅酸) 0506 Battery Assembly 电瓶总成 (For Non CE&For CE S.N Before -3321203271) 0507 Battery Assembly 电瓶总成 (For Non CE&For CE S.N Before -3321203271) 0508 Battery Assembly,100Ah (For 2023 New CE,S.N After 3321203272-) 电池总成 0509 Battery Assembly ,205h(For 2023 New CE,S.N After 3321203272-) 电瓶总成 0601 Triplex Mast Assembly 三级门架总成 0602 Lifting Cylinder 起升油缸 0603 Freedom Lifting Cylinder 自由起升油缸(SN.before-3321703383) 060301 Freedom Lifting Cylinder 自由起升油缸(SN.after3321703383-) 0604 Chain Assembly 链条总成 0605 Fork Frame Assembly 货叉架总成 0606 Triplex Mast Windshield Assembly 三级门架安全挡板总成 0607 Duplex Mast Assembly 两级门架总成 0608 Lifting Cylinder 起升油缸 0609 Duplex Mast Chain Assembly 两级门架链条总成 0610 Duplex Mast Fork Frame Assembly 两级门架货叉架总成 0611 Duplex Mast Windshield Assembly 两级门架安全挡板总成 0901 Label 标贴