0101 Frame Assembly 车架系统
0102 Hook(Option) 挂钩(选配)
0201 Driving System 驱动系统
0301 operating Control System 操作系统
0302 Handle Head Assembly 手柄头总成
0303 Upper Cover Assembly 上盖总成
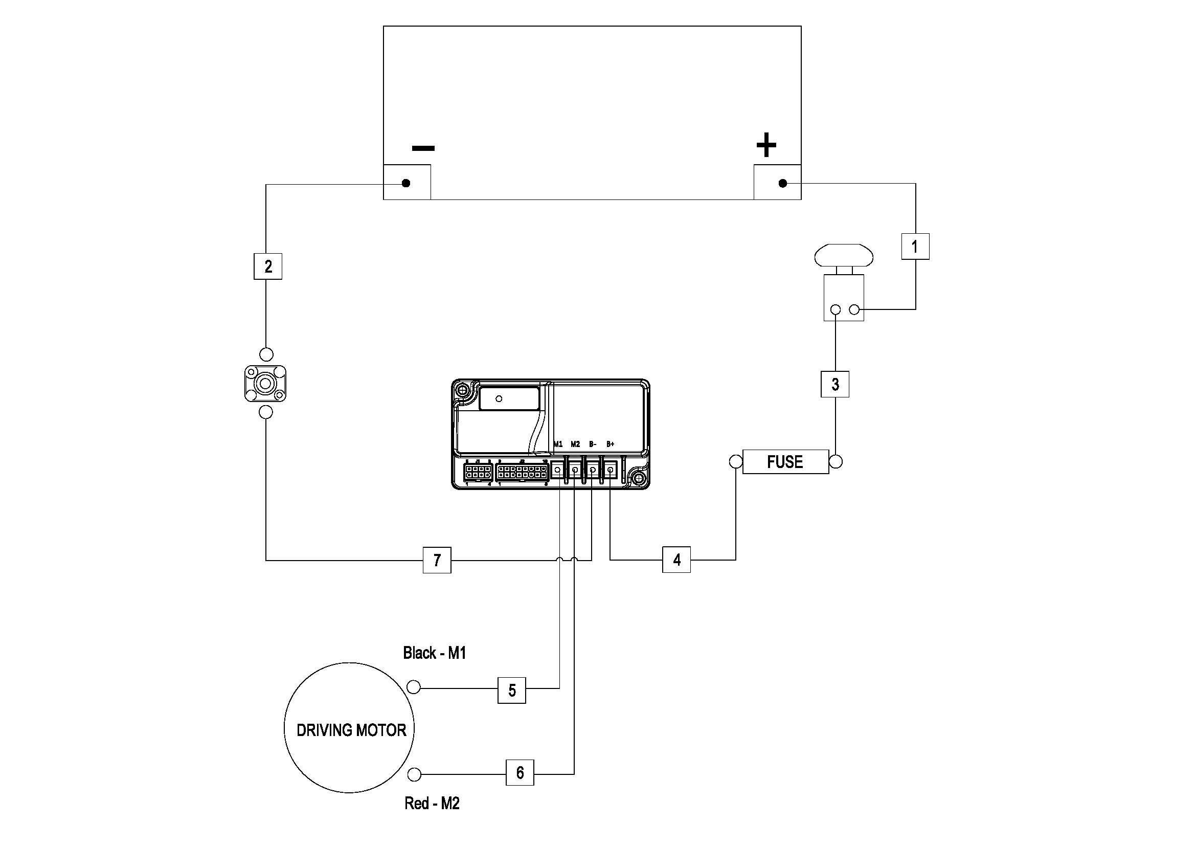
0401 Electrical Assembly(S.N. before -4321200867) 电气总成
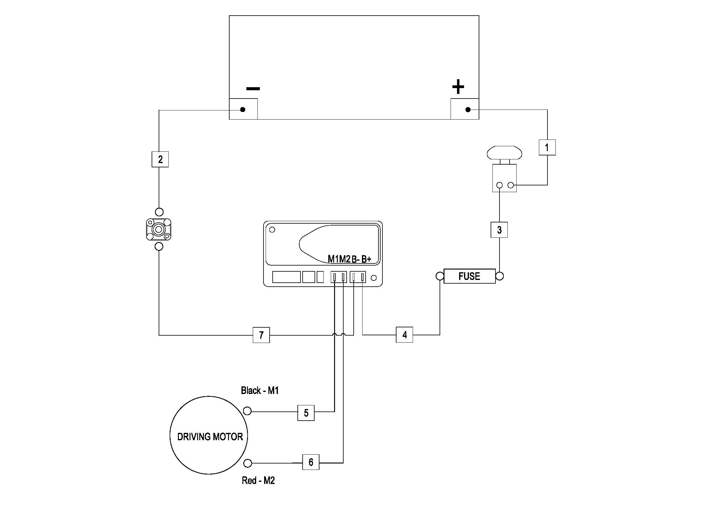
040101 Electrical Assembly(S.N. after 4321200868-) 电气总成
0402 Wiring Harness ,For NON CE Area线束
0402 Wiring Harness,For CE Area 线束
0403 Cable Assembly,For NON CE Area 电缆
0403 Cable Assembly,For CE Area 电缆
0404 External Charger Assembly
0901 Label 标贴