0101 Frame System 车架系统
0102 Caster Assembly 万向轮
0103 Cover Assembly 外罩总成
0201 Driving System 驱动系统
0301 Operating Control System 操作系统
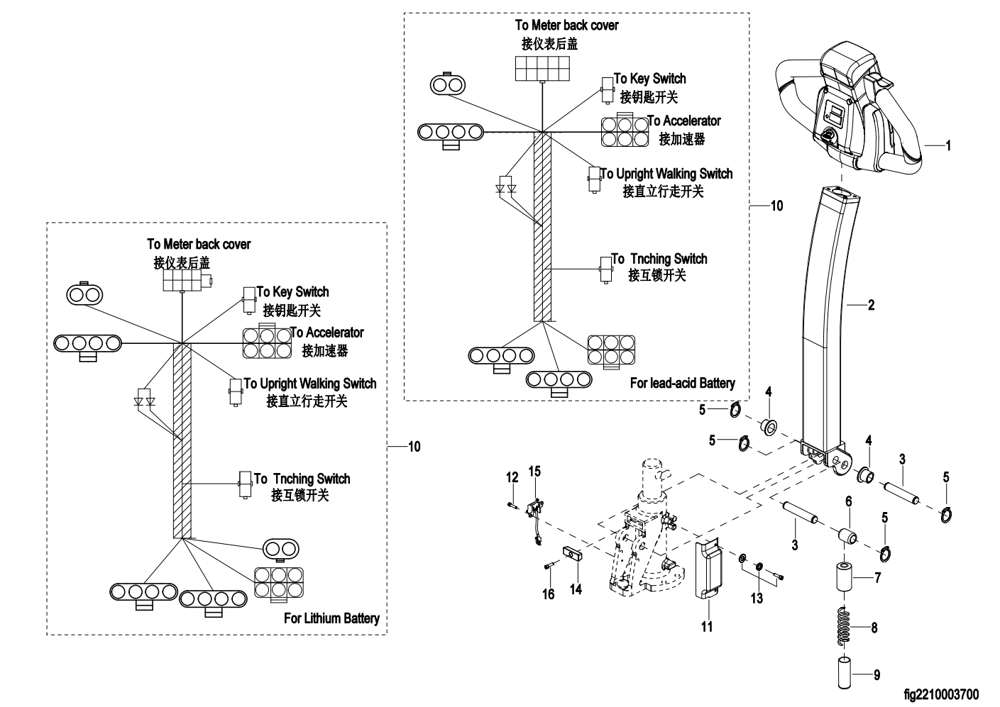
0302 Control Pod Assembly(For Lead Acid Battery) 手柄头总成(铅酸)
0302 Control Pod Assembly(For Lithium Battery) 手柄头总成(锂电)
0303 Upper Cover Assembly 上盖总成
0401 Hydraulic Assembly 液压总成
0402 Lifting Cylinder 起升油缸
0403 Pump & Motor Assembly 液压站总成
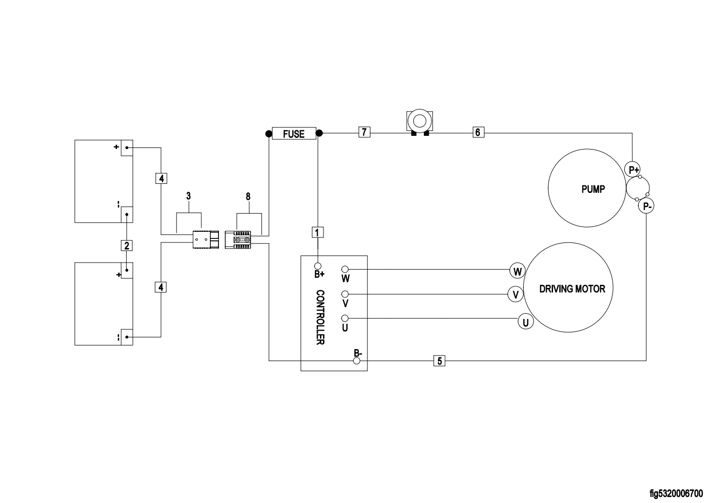
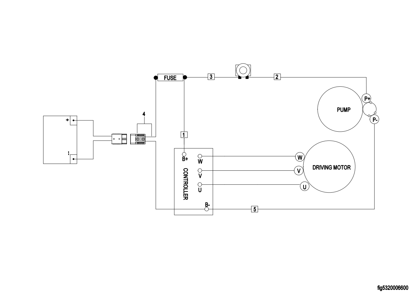
0501 Electrical Assembly 电器板总成
0502 Battery Assembly 电瓶总成
0503 Wire Harness Assembly(For Lithium Battery) 线束总成(锂电)
0503 Wire Harness Assembly(For lead-acid)线束总成(铅酸普通款)
0503 Wire Harness Assembly(For lead-acid cold storage charger - external) 线束总成(冷库专用充电器外置)
0503 Wire Harness Assembly(For lead-acid cold storage charger - Internal线束总成(冷库专用充电器内置)
0504 Cable Assembly(For lead-acid Battery ) 电缆总成(铅酸)
0504 Cable Assembly(For Lithium Battery) 电缆总成(锂电)