0101 Double-Wheels Lifting Structure 双轮起升结构
0102 Single Wheel Lifting Structure 单轮起升结构
0103 Frame System 车身系统
0103 Frame System车身系统(Optional,for Li-ion Battery,SN.after 3341301496-)
0104 Cover Assembly 外罩总成
0105 Caster Assembly万向轮总成
0201 Driving System 驱动系统
0202 Gear Case Assembly 减速箱总成
0301 Operating Control System 操作系统
0302 Control Pod Assembly 手柄头总成
0303 Accelerator Assembly 加速器总成
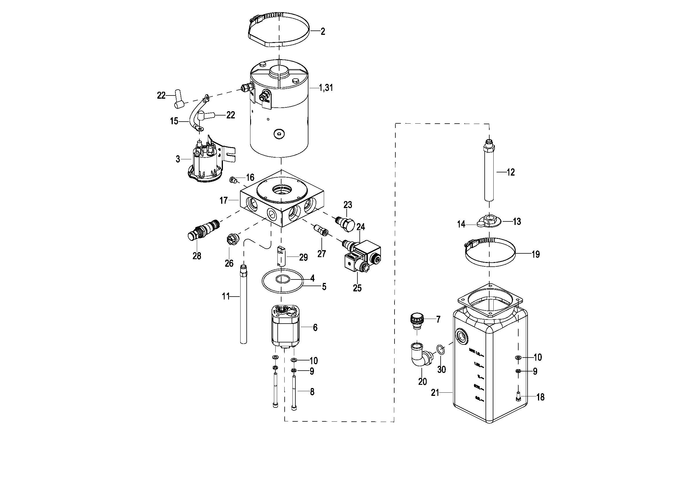
0401 Hydraulic Assembly 液压总成
0402 Cylinder Assembly 油缸总成
0403 Pressurized Cylinder Assembly增压油缸
0404 Motor & Pump Assembly(EP) 液压站总成
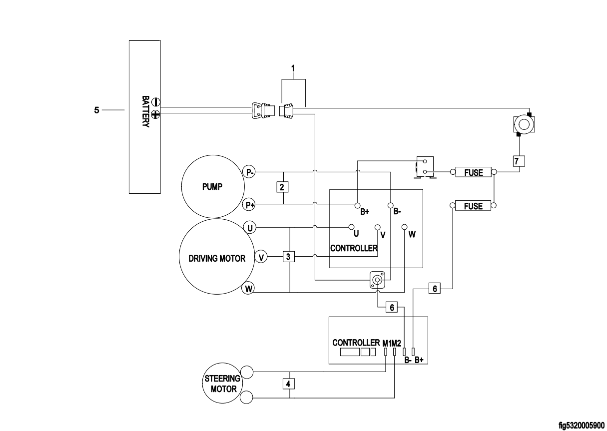
0501 Electrical System 电气系统
0502 Controller Board Assembly 电器安装板总成
0502 Controller Board Assembly 电器安装板总成(For China,S.N. After3332000990-)
0503 wire Harness Assembly线束总成
0504 Cable Assembly 电缆总成
0505 Battery Assembly 电瓶总成
0901 Label(For China) 标贴
0902 Label(For Overseas) 标贴