Major Assemblies
0101 Frame Assembly 车架系统
0102 Connecting Link Assembly(double wheel)连杆总成(双轮)
0103 Connecting Link Assembly(single wheel)连杆总成(单轮)
0201 Driving System驱动系统
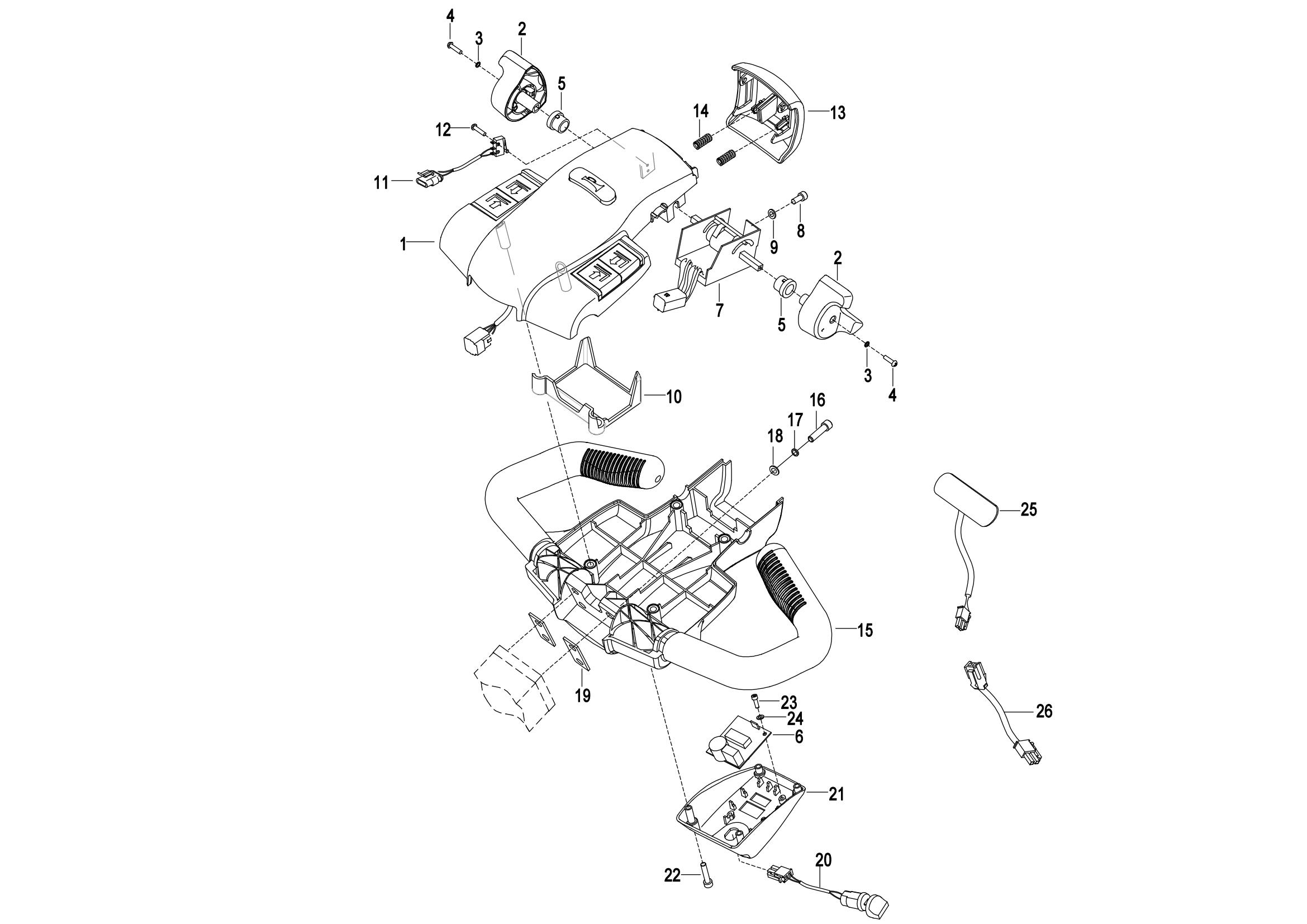
0301 Operating Control System操作系统
0302 Handle head assembly手柄头总成
0303 Upper Cover Assembly上盖总成
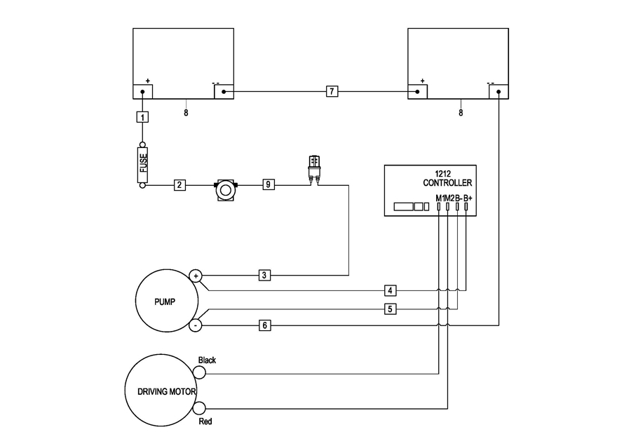
0401 Hydraulic System液压系统
0402 Lifting Cylinder起升油缸
0403 Pump&Motor Assembly液压站
0501 Electrical Assembly电气总成
0502 Wiring Harness线束
0503 Cable Assembly电缆总成