-
Главная
-
Каталог запасных частей
-
EP Equipment
-
Электрический штабелер
-
Standard Stacker
-
ES14-30WA/ES14-30WAS,ES18-40WA/ES18-40WAS
Запчасти на Электрический штабелер EP Equipment ES14-30WA/ES14-30WAS,ES18-40WA/ES18-40WAS Standard Stacker
0101 Frame System,3000lb车身系统,1.4t
0102 Frame System,4000lb车身系统,1.8t
0103 Cover Assembly外罩总成
0104 Slideway Frame Assembly电瓶滑轨框架总成
0105 Caster Assembly万向轮(S.N. before -102212)
010501 Caster Assembly万向轮(S.N. after 102212-)
0106 Caster Assembly万向轮
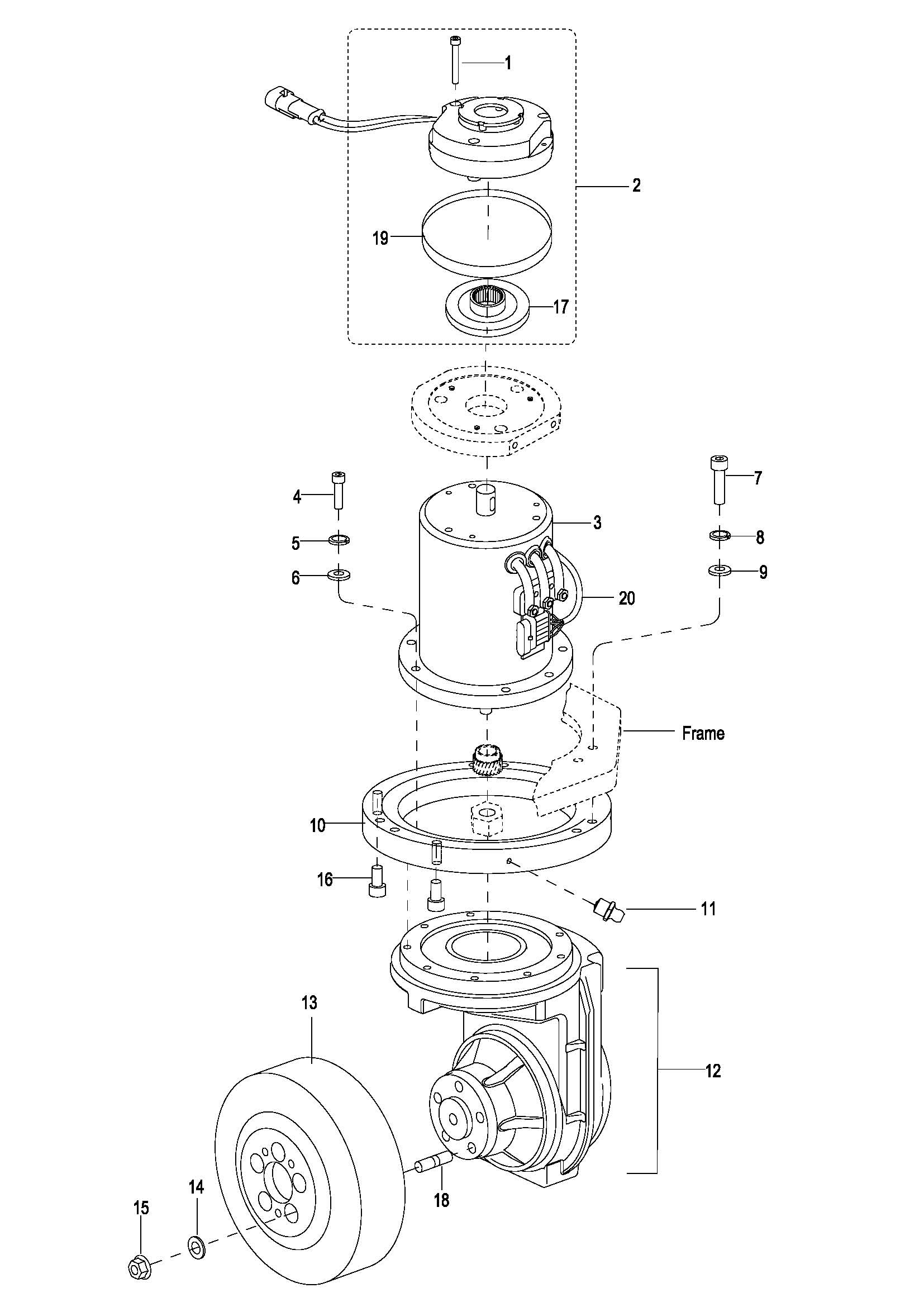
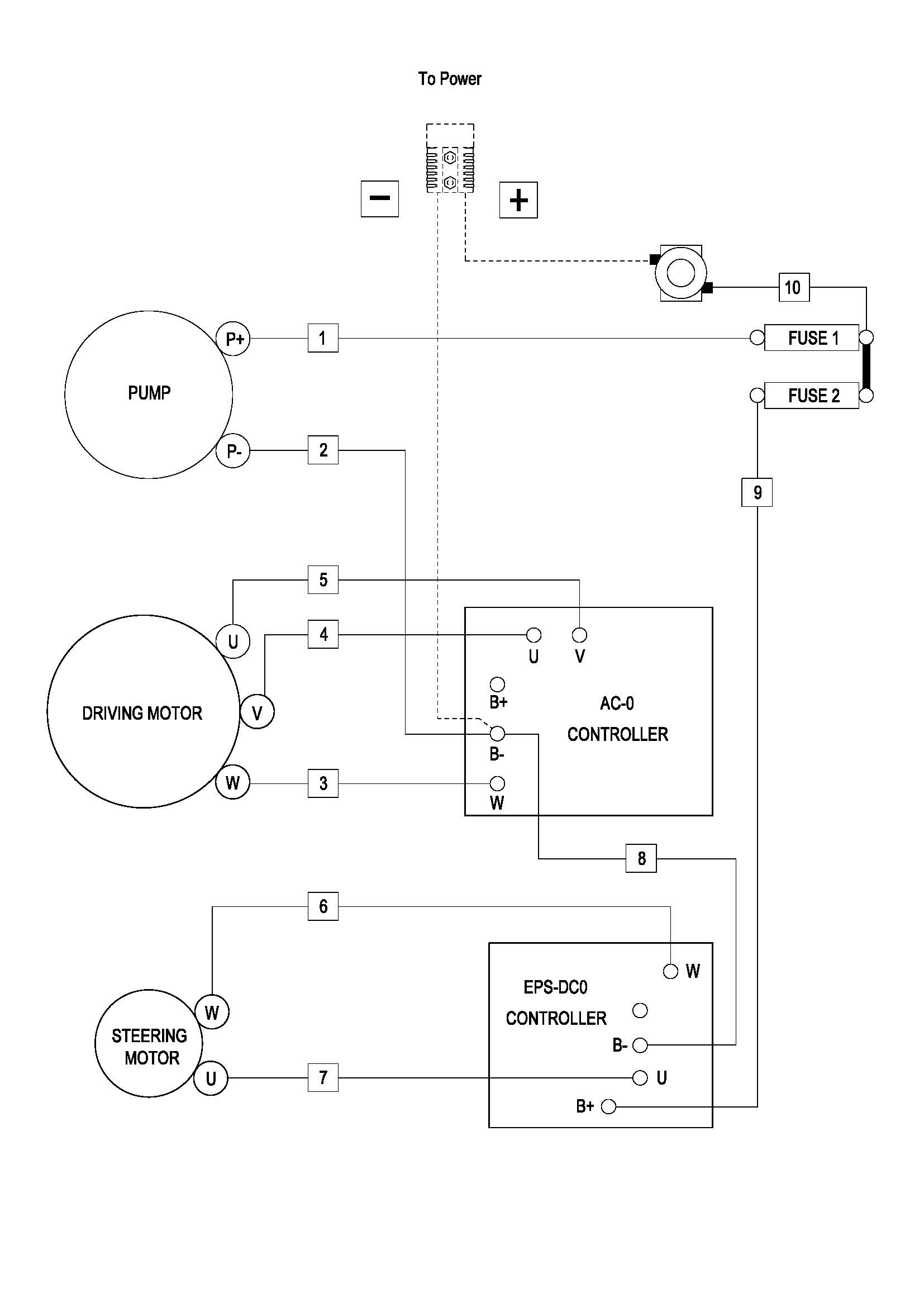
0201 Driving System驱动系统
0202 Driving Assembly,EPS驱动总成,EPS
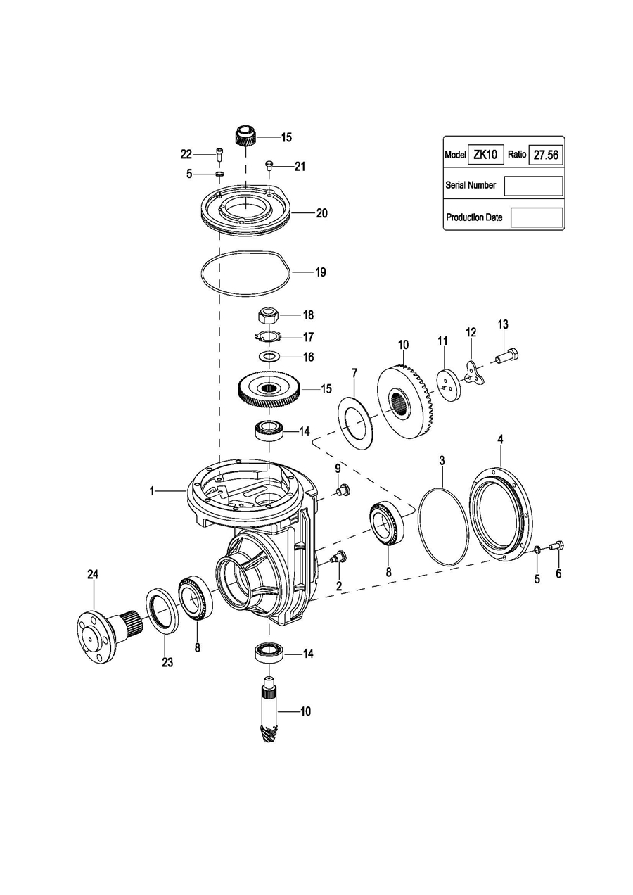
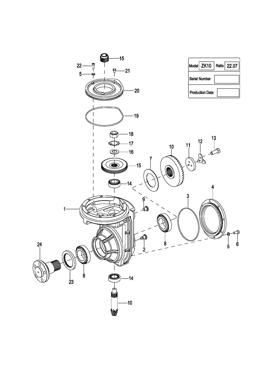
0203 Gear Case AssemblyⅠ减速箱总成Ⅰ (S.N. before -121712)
0204 Gear Case AssemblyII减速箱总成II(S.N. before -121712)
0205 Gear Case Assembly IV减速箱总成IV(S.N. from 121712 to 327120531)
020501 Gear Case Assembly减速箱总成(S.N. from 327140039 to 3311700519)
020502 Gear Case Assembly(S.N. after 3311700520-) 减速箱总成
0206 Gear Case Assembly V减速箱总成 V(S.N. before -327120531)
020601 Gear Case Assembly减速箱总成(S.N. after 327120532-)
0207 Motor Assembly电机总成
0301 Operating Control Assembly操作总成
030101 Operating Control Assembly 操作总成
0302 Operating Control System,EPS操作系统,EPS
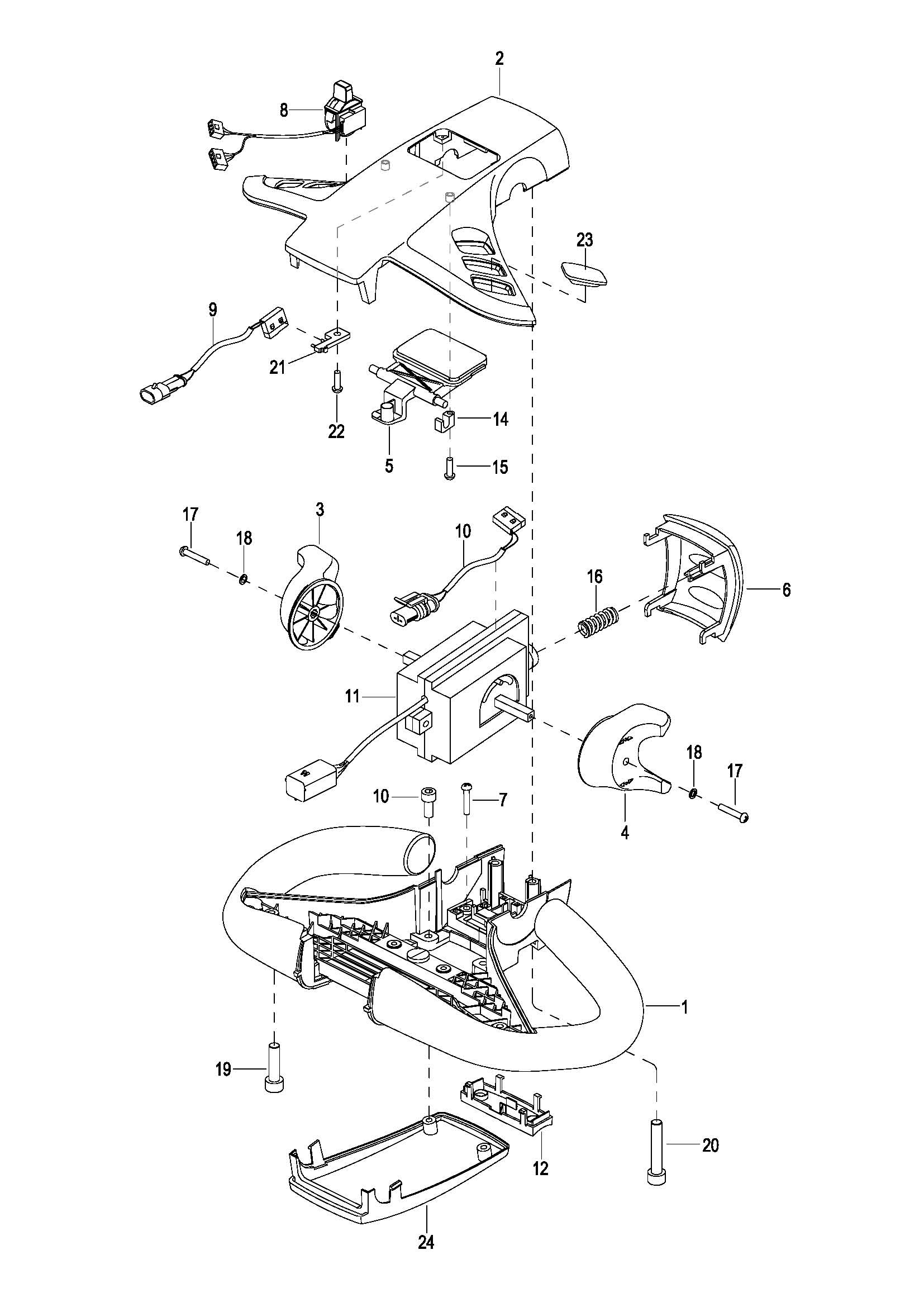
0303 Control Handle Assembly操作手柄总成(S.N. before -327120792)
030301 Control Pod Assembly 操作手柄总成(S.N. from 327120793 to 3281901818)
030301 Control Pod Assembly ,EPS 操作手柄总成,EPS(S.N. from 327120793-)
030302 Control Pod Assembly(S.N. from 3281901819 to 3311700519) 操作手柄头总成
030303 Control Pod Assembly(S.N. after 3311700520-) 操作手柄总成
0304 Upper Cover Assembly上盖总成(S.N before -327120792)
030401 Upper Cover Assembly上盖总成(S.N from 327120793 to 3281901818)
030401 Upper Cover Assembly,EPS上盖总成,EPS(S.N from 327120793-)
0305 Button Reverser Assembly反向开关总成(S.N before -327120792)
0306 Control Pod Assembly(For Shifter Side)手柄头总成(用于侧移)(S.N before -S2315284)
030601 Control Pod Assembly(For Shifter Side)手柄头总成(用于侧移)(S.N after S2315285-)
0307 Control Pod Assembly(For Shifter Side,with the proportion) 手柄头总成(用于比例侧移)(S.N.before-3311700519)
030701 Control Pod Assembly(For Shifter Side,with the proportion) 手柄头总成(用于比例侧移)(S.N.after 3311700520-)
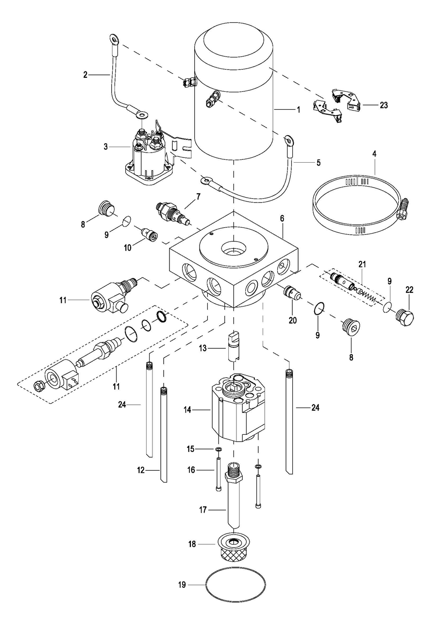
0401 Hydraulic System液压系统
0402 Hydraulic System(For Shifter Side)液压系统(用于侧移)
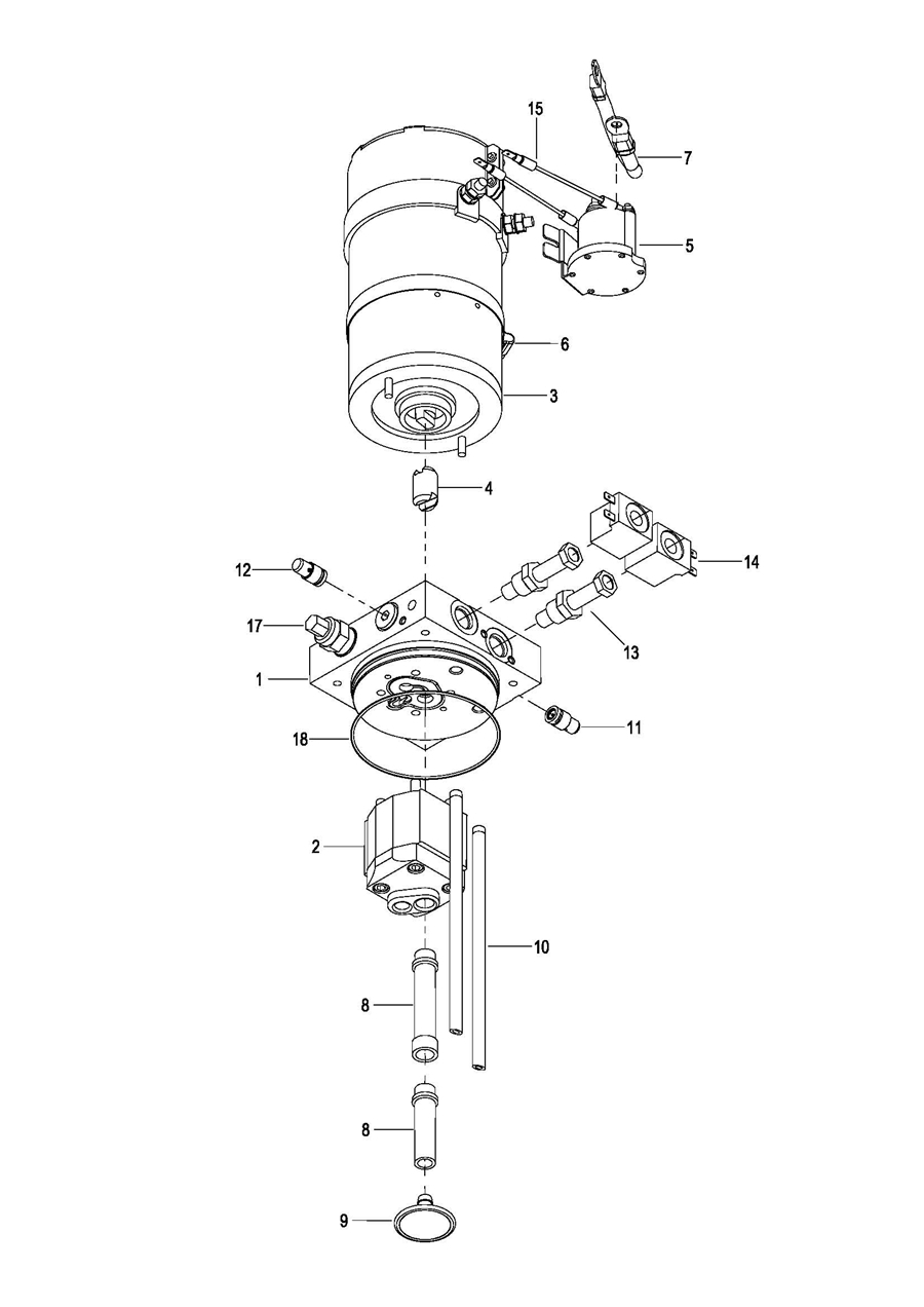
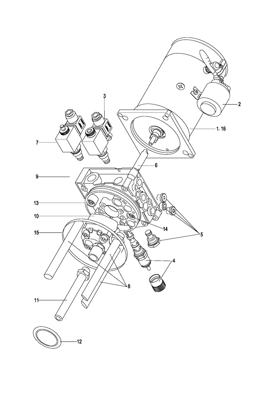
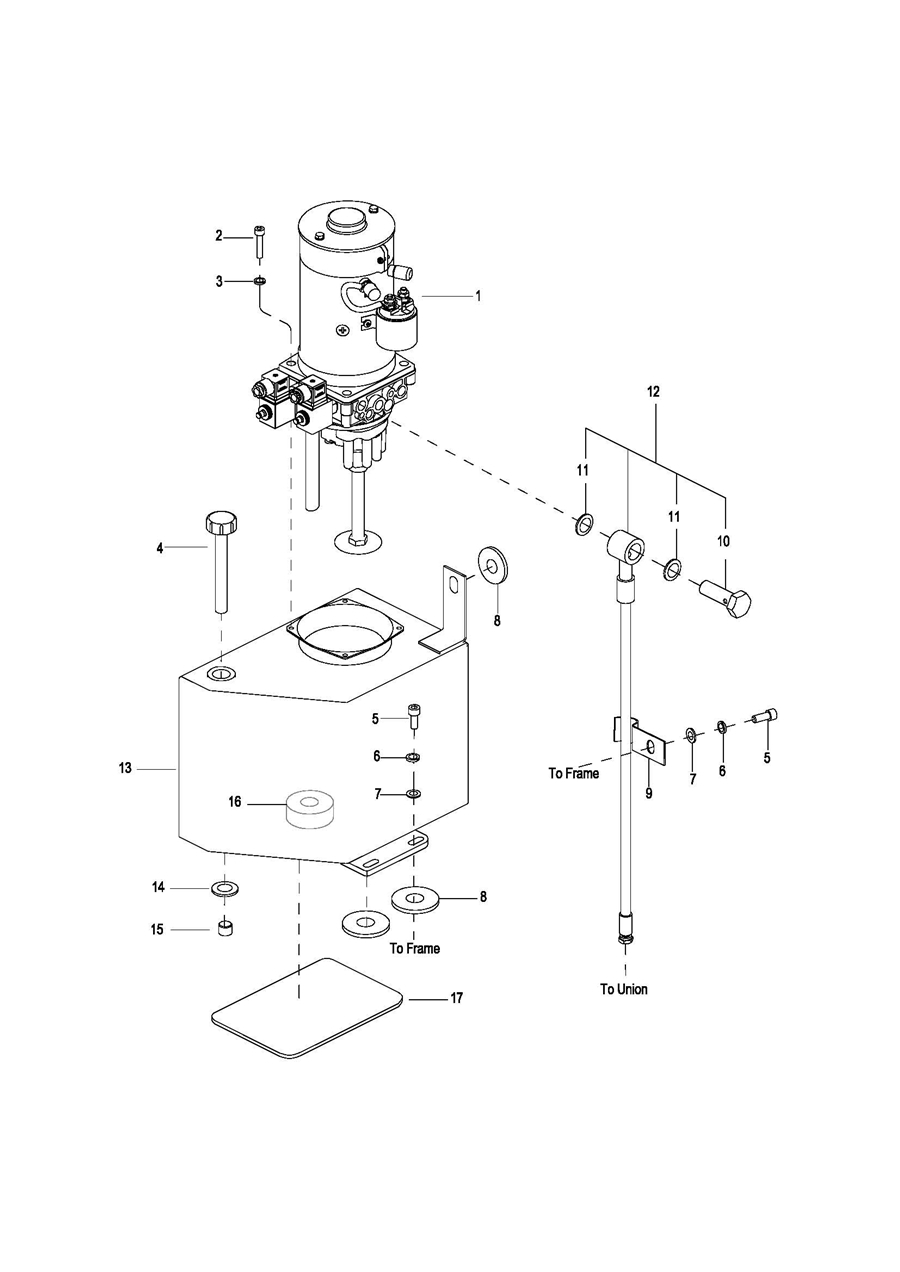
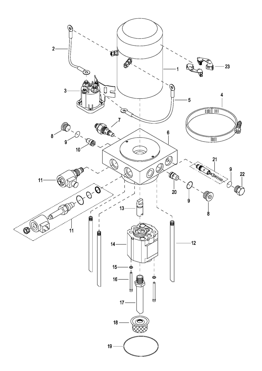
0403 Pump & Motor Assembly液压站总成(S.N before -082712)
040301 Pump & Motor Assembly液压站总成(S.N from 082712- to -S2317016)
040302 Pump & Motor Assembly液压站总成(S.N from S2317017- to -326170592)
040303 Pump & Motor Assembly液压站总成(S.N from 326170593 to 3281901818)
040304 Pump & Motor Assembly(S.N. after 3281901819-)
0404 Pump & Motor Assembly(For Shifter Side)液压站总成(用于侧移)
0405 Oil Return Pipe Assembly 回油管总成
0501 Electrical System电气系统(S.N before -101912)
050101 Electrical System电气系统(S.N from 101912 to 041512)
050102 Electrical System电气系统(S.N. after 041512-)
0502 Contactor Panel Assembly电器安装板总成(S.N. before -3281901818)
050201 Contactor Panel Assembly(S.N. from 3281901819 to 3311700519) 电器安装板总成
050202 Controller Board Assembly(S.N. after 3311700520-) 电器板总成
0503 Wiring harness Assembly线束总成(S.N. before -3281901818)
050301 Wiring harness Assembly(S.N. from 3281901819 to 3301700563) 线束总成
050302 Wiring harness Assembly(S.N. from 3301700564 to 3311700519) 线束总成
050303 Wiring harness Assembly(S.N. after 3311700520-) 线束总成
0504 Wiring harness Assembly(For Shifter Side)线束总成(用于侧移)
050401 Wiring harness Assembly(For Shifter Side) 线束总成(用于侧移)
050402 Wiring harness Assembly,For Shifter Side (S.N. after 3311700520-) 线束总成
0505 Cable Assembly电缆总成
0506 Electrical System,EPS电气系统,EPS
0507 Controller Board Assembly电器板总成,EPS
0508 Wire Harness Assembly,EPS线束总成,EPS
0509 Cable Assembly,EPS电缆总成,EPS
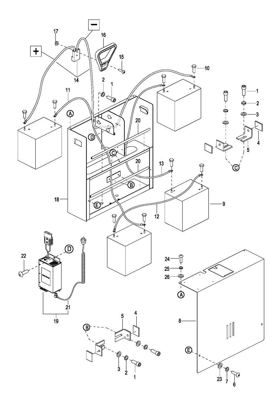
0510 Battery Assembly 电瓶总成
051001 Battery Assembly电瓶总成
051002 Battery Assembly 电瓶总成(S.N. from D24140008 to 3311900775)
051003 Battery Assembly 电瓶总成(S.N. after 3311900776-)
0511 Lithium Battery Assembly(S.N.after 3321502417-) 锂电池总成
0512 Battery Assembly 锂电池
0513 Battery Assembly(For 2023 CE) 锂电池
0601 Duplex Mast Lifting System 两级门架起升系统(S.N before -121211)
060101 Duplex Mast Lifting System 两级门架起升系统
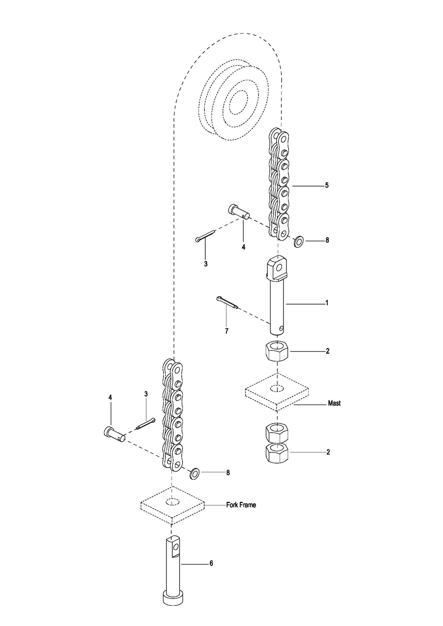
0602 Lifting Cylinder起升油缸
0603 Duplex Mast Oil Pipe Assembly两级门架油管总成(S.N before -121511)
060301 Duplex Mast Oil Pipe Assembly两级门架油管总成(S.N from 121511- to -122712)NOTE :Replaced by item 1,2, 3, 9 in 060302.
060302 Duplex Mast Oil Pipe Assembly两级门架油管总成(S,N from 122712- to -326170592)
060303 Duplex Mast Oil Pipe Assembly两级门架油管总成(S.N from 326170593- to -3281500026)
0603 Duplex Mast Oil Pipe Assembly, Explosion-proof两级门架油管总成(防爆)
0604 Duplex Mast Oil Pipe Assembly(For Shifter Side)两级门架油管总成(用于侧移)(S.N before -3281500026)
060401 Duplex Mast Oil Pipe Assembly,Explosion-proof(For Shifter Side)两级门架油管总成,防爆(用于侧移)(S.N after 3281500027-)
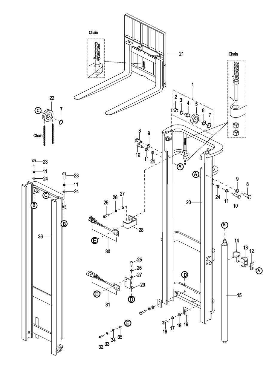
0605 Duplex Mast Fork Frame Assembly 两级门架货叉架总成
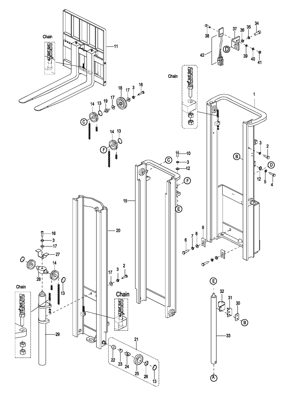
0606 Triplex Mast Lifting System三级门架起升系统(S.N. before -121211)
060601 Triplex Mast Lifting System三级门架起升系统(S.N. after 121211-)
0607 Free Lifting Cylinder自由起升油缸(S.N.before-3322102232)
060701 Free Lifting Cylinder自由起升油缸(S.N.after 3322102233-)
0608 Lifting Cylinder起升油缸
0609 Triplex Mast Oil Pipe Assembly三级门架油管总成(S.N. before -121511)
060901 Triplex Mast Oil Pipe Assembly三级门架油管总成(S.N. from 121511 to 122712)
060902 Triplex Mast Oil Pipe Assembly三级门架油管总成(S.N. from 122712 to 326170592)
060903 Triplex Mast Oil Pipe Assembly三级门架油管总成 (S>N. from 326170593 to 3281500026)
0609 Triplex Mast Oil Pipe Assembly, Explosion-proof三级门架油管总成(防爆)(S.N. after 3281500027-)
0610 Triplex Mast Oil Pipe Assembly(For Shifter Side)三级门架油管总成(用于侧移)(S.N before -3281500026)
061001 Triplex Mast Oil Pipe Assembly,Explosion-proof(For Shifter Side)三级门架油管总成,防爆(用于侧移)(S.N after 3281500027-)
0611 Triplex Mast Fork Frame Assembly
0612 Chain Assembly链条总成
0613 Shifter Side侧移器总成
0614 Duplex Mast Windshield Assembly两级门架安全挡板总成(S.N. before -3281500713)
061401 Duplex Mast Windshield Assembly 两级门架安全挡板总成(S.N. after 3281500714-)
0615 Triplex Mast Windshield Assembly 三级门架安全挡板总成(S.N. before -3281500713)
061501 Triplex Mast Windshield Assembly 三级门架安全挡板总成(S.N. after 3281500714-)