0101 Frame System 车身系统
0102 Connecting Link 连杆总成
0103 Load Wheel 承载轮
0104 Driving Cover Assembly 驱动外罩总成
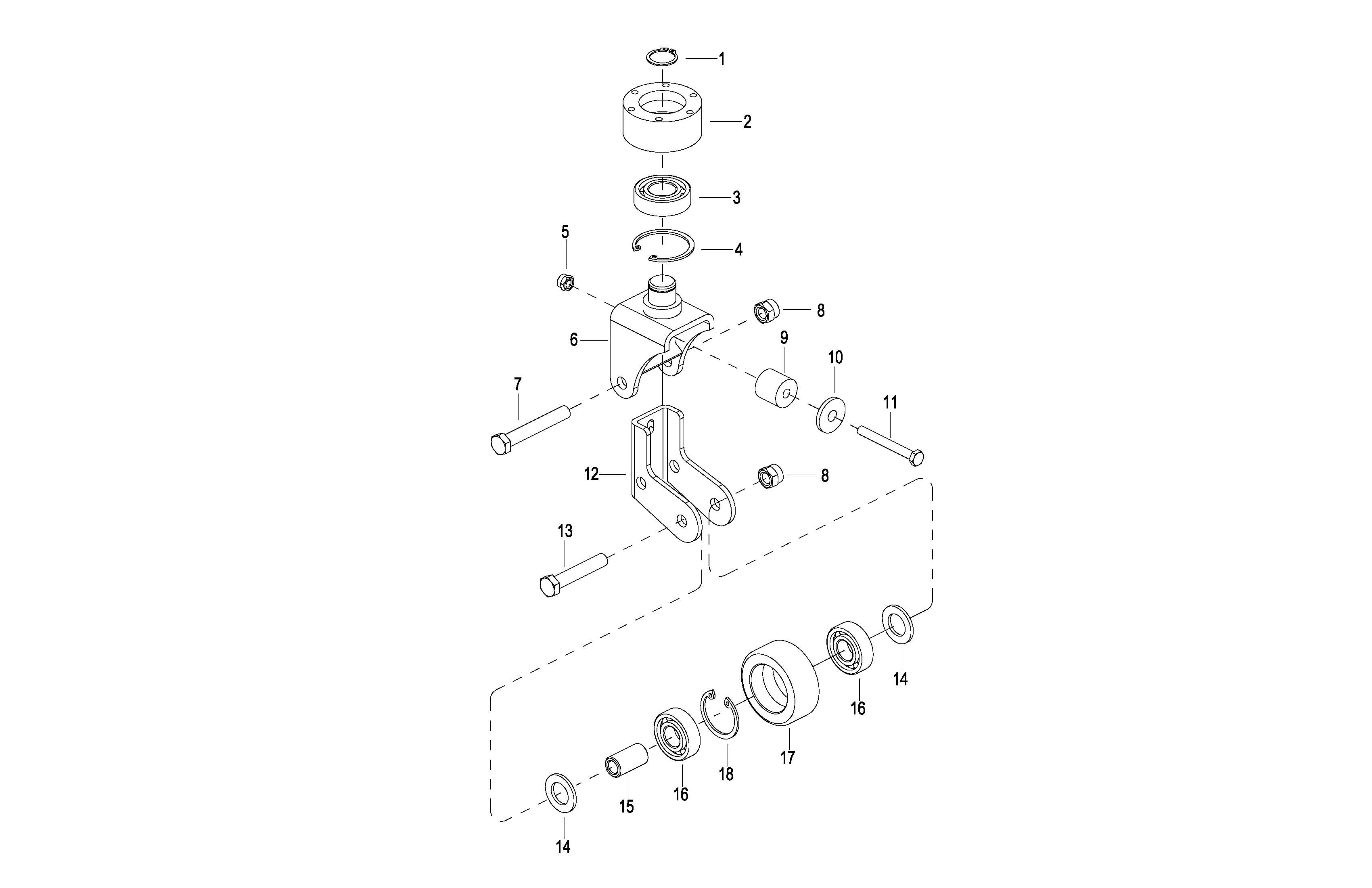
0105 Caster Assembly 万向轮
0106 Cover Assembly 外罩总成
0201 Driving System 驱动系统
0202 Driving Assembly 驱动单元总成
0301 Operating Control System 操作系统
0302 Control Pod Assembly 手柄头总成
0303 Upper Cover Assembly 上盖总成
0401 Hydraulic Assembly 液压总成
0402 Lifting Cylinder 起升油缸
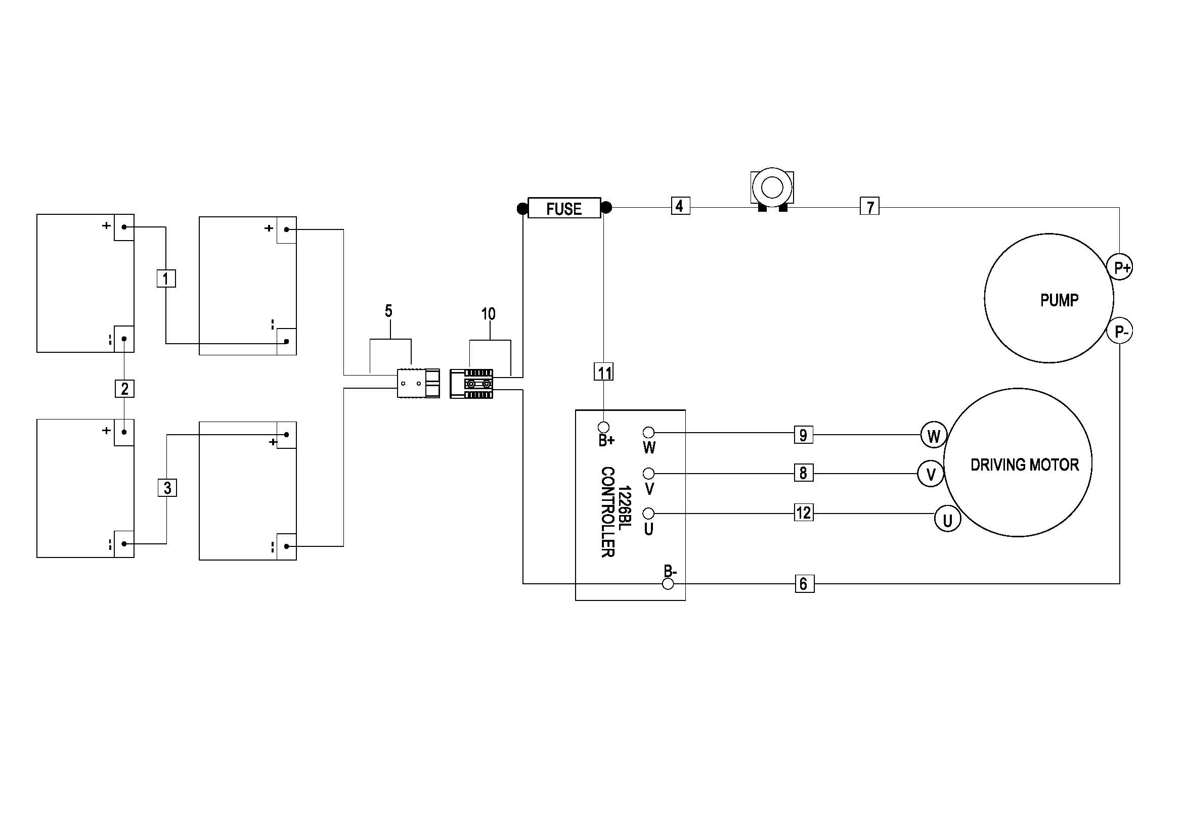
0403 Pump & Motor Assembly (JN) 液压站总成
0403 Pump & Motor Assembly (ZL) 液压站总成
0501 Setting Board Assembly 电器板总成
0502 Wire Harness Assembly 线束总成
0503 Cable Assembly 电缆总成
0901 Label 标贴