Запчасти на Электротележка для поддонов EP Equipment KPL201 Max Series

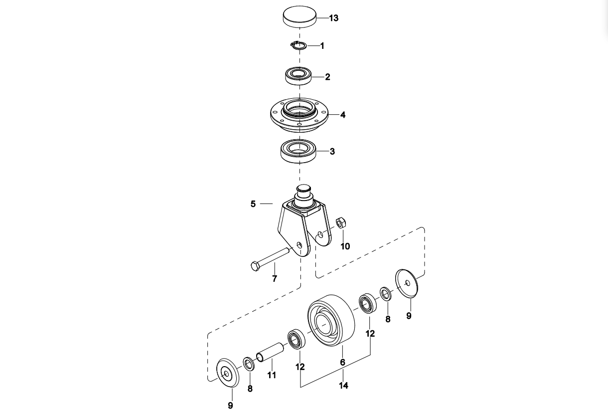
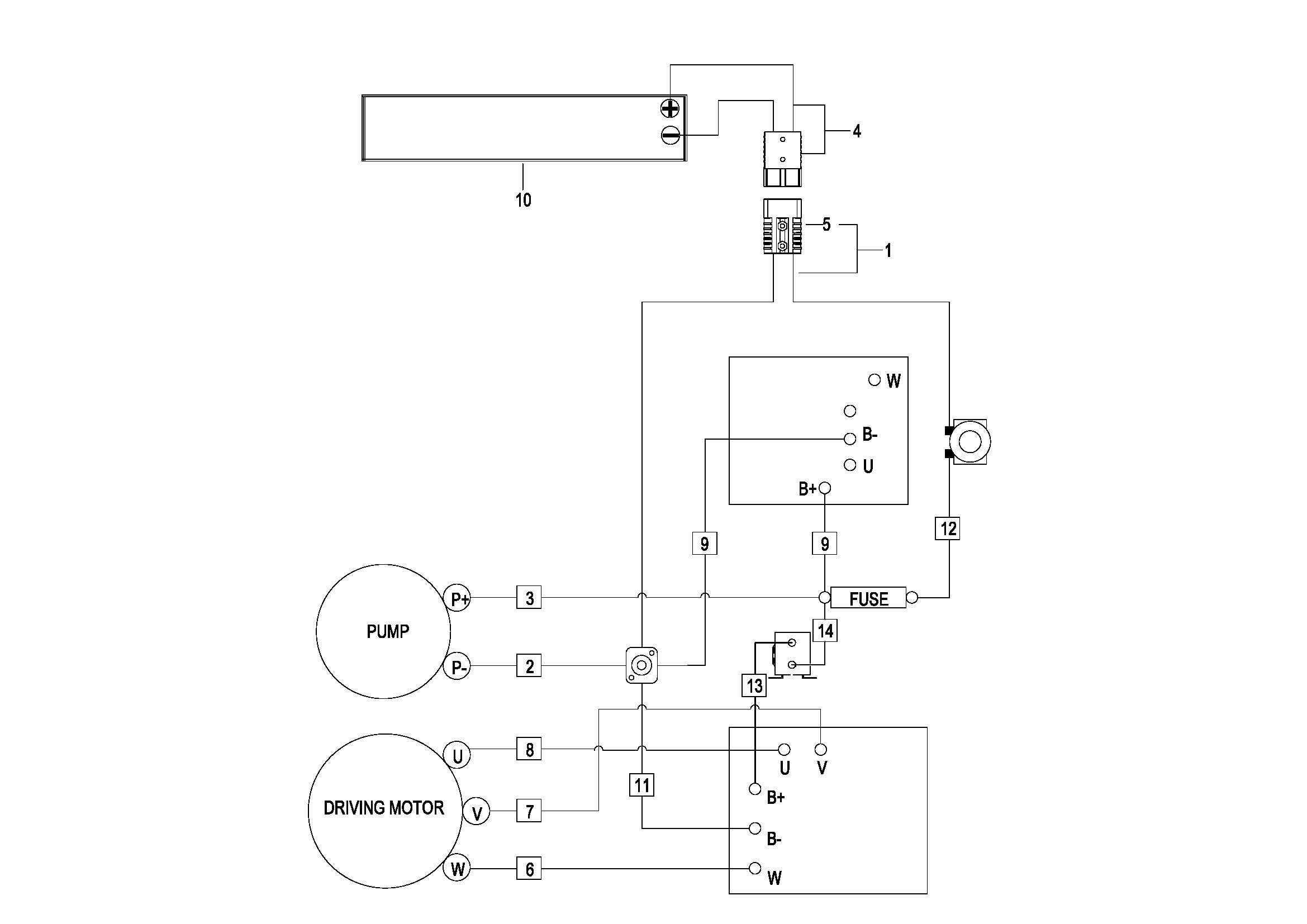
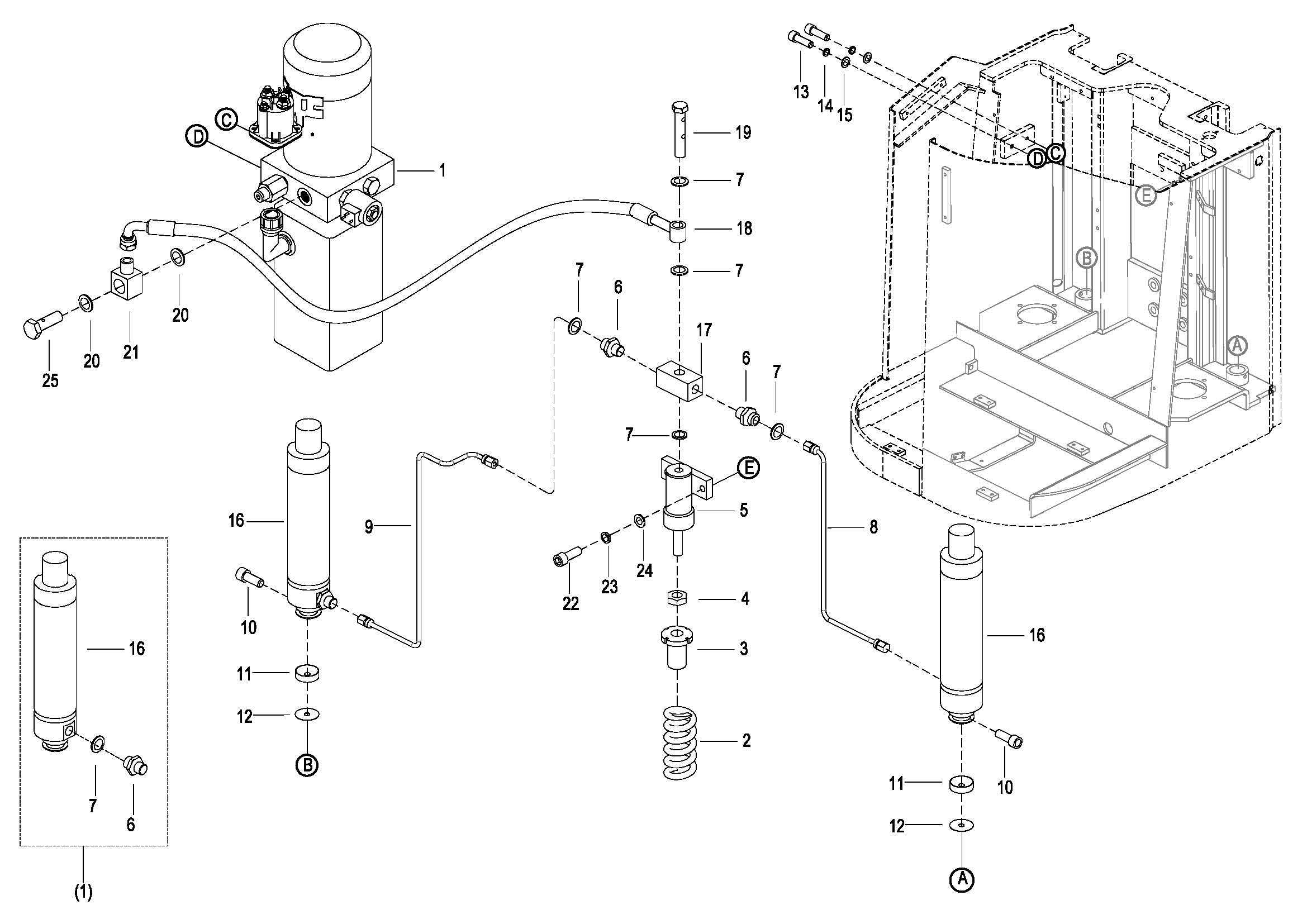
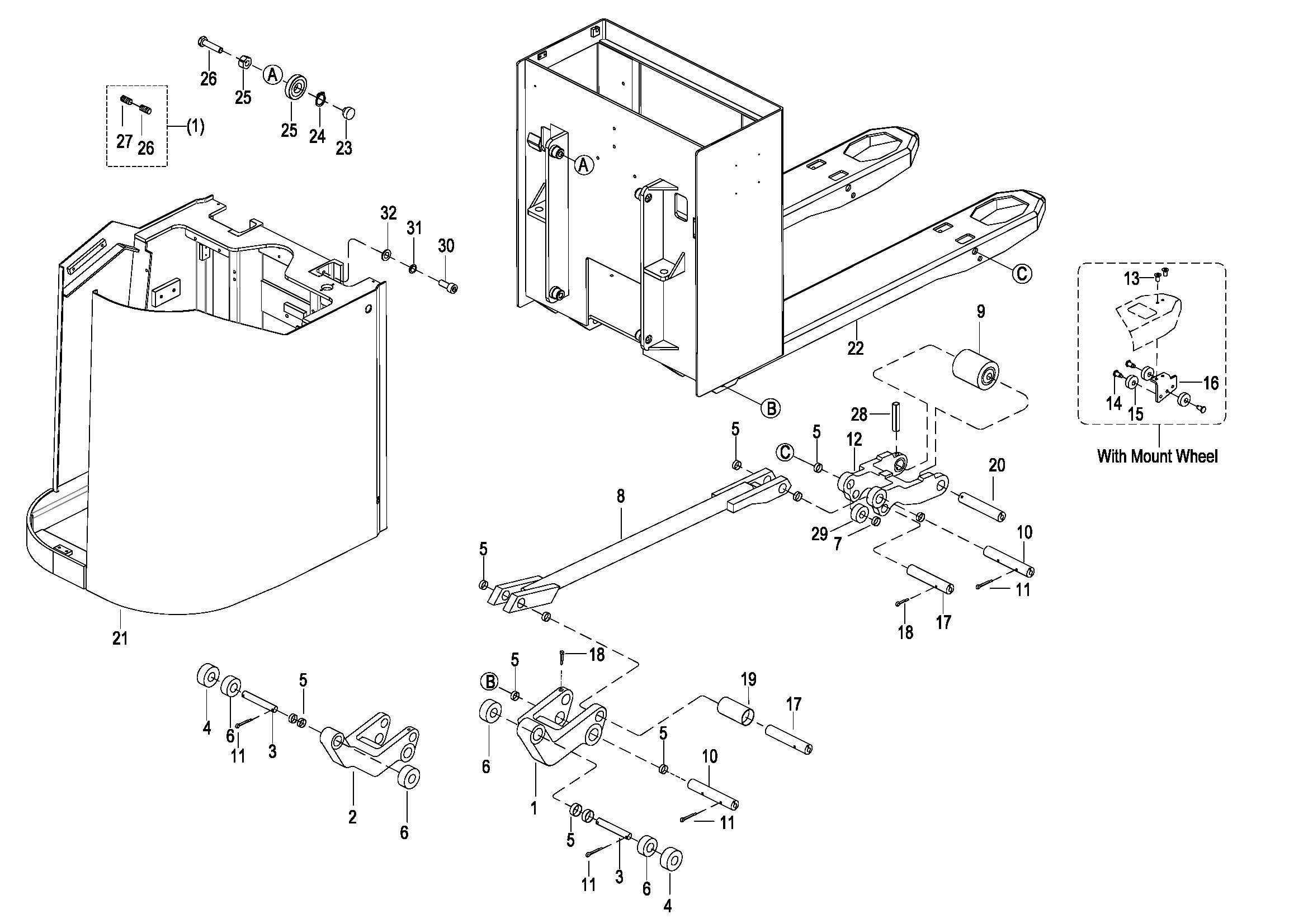
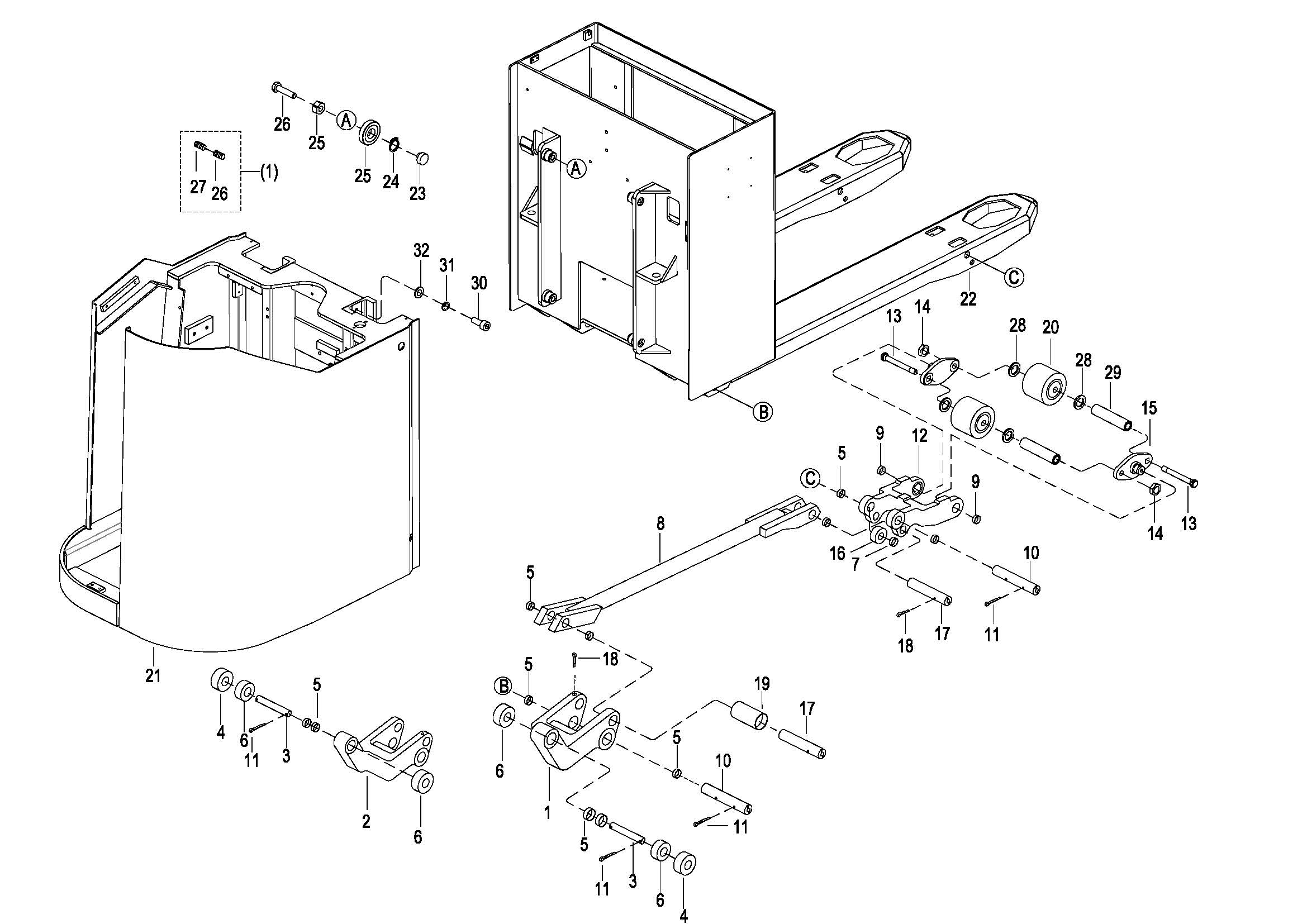
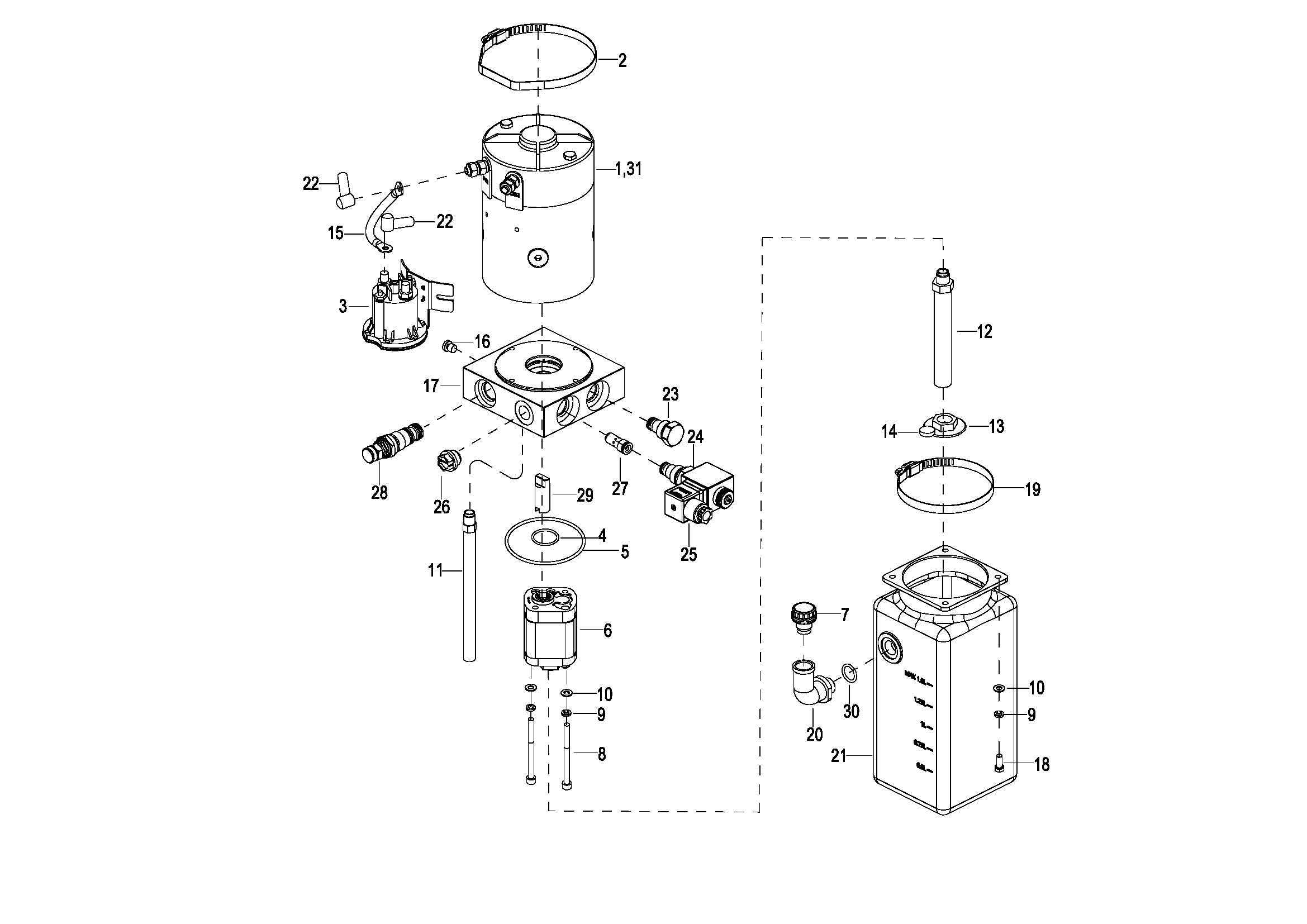
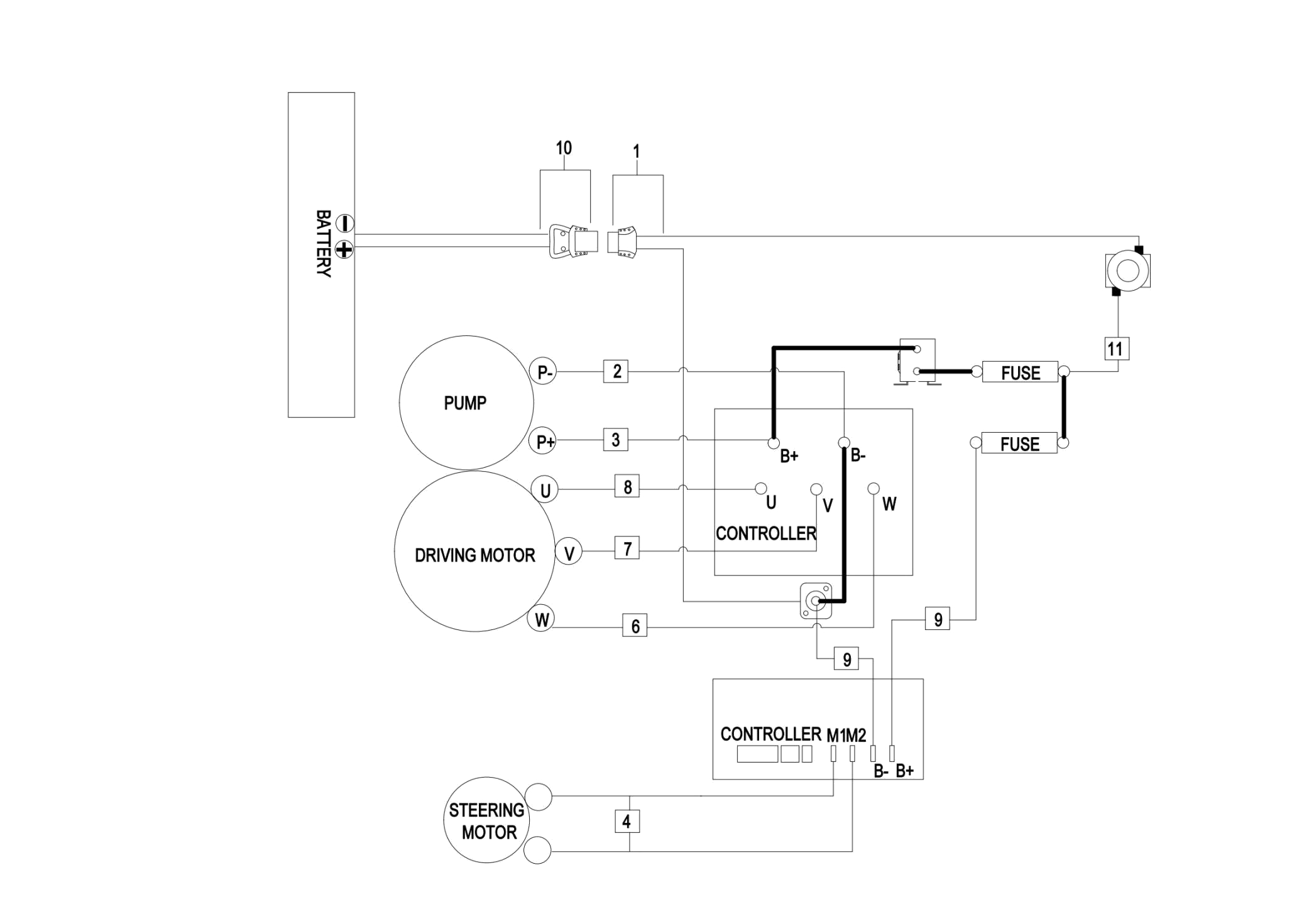
0101 Double-Wheels Lifting Structure(S.N Before -3301202027) 010101 Double-Wheels Lifting Structure(S.N After 3301202028-) 0102 Single Wheel Lifting Structure(S.N Before -3301202027) 010201 Single Wheel Lifting Structure(S.N After 3301202028-) 0103 Frame System 0103 Frame System车身系统(Optional,for Li-ion Battery,SN.after 3341301496-) 0104 Cover Assembly(Side)(S.N Before -3321402481) 010401 Cover Assembly(Side)(S.N from 3321402482-) 0105 Cover Assembly(S.N Before -3321402481) 010501 Cover Assembly(S.N After 3321402482- 0106 Caster Assembly(S.N Before -3312101452) 010601 Caster Assembly(S.N After 3312101453-3331501567)) 010602 Caster Assembly(S.N after 3331501568-) 0201 Driving System 0202 Gear Case Assembly 0203 Motor Assembly(S.N Before -3291800357) 0301 Operating Control System 0302 Control Pod Assembly 0303 Upper Cover Assembly 0401 Hydraulic Assembly 0402 Cylinder Assembly 0403 Pressurized Cylinder Assembly 增压油缸(S.N Before -3312000222) 040301 Pressurized Cylinder Assembly 增压油缸(S.N After 3312000223-) 0404 Motor & Pump Assembly(JN) (S.N Before -3301702067) 040401 Motor & Pump Assembly(EP) (S.N After 3301702068-) 0501 Electrical System(S.N Before -3321301382) 050101 Electrical System(S.N After 3321301383-) 0502 Controller Board Assembly(S.N Before -3321301382) 050201 Controller Board Assembly(S.N After 3321301383-) 0503 wire Harness Assembly(S.N Before -3321301382) 050301 wire Harness Assembly(S.N After 3321301383-) 0504 Cable Assembly(S.N Before -3321301382) 050401 Cable Assembly(S.N After 3321301383-) 0505 Battery Assembly(S.N Before -3311502079) 050501 Battery Assembly(S.N During 3311502080-3321703352) 050502 Battery Assembly电瓶总成(S.N From 3321703353 to 3332101750) 050503 Battery Assembly电瓶总成(S.N After 3332101751-) 0506 Battery Assembly(For 2023 New CE,S.N After 3321301383-) 0901 Label