0101 Lifting Structure,Fork 1150 mm起升结构,货叉1150mm
010101 Lifting Structure,Fork 1150 mm 起升结构,货叉1150mm
0102 Lifting Structure,Fork 2400 mm 起升结构,货叉2400mm
010201 Lifting Structure,Fork 2400 mm起升结构,货叉2400mm
0103 Frame System车身系统
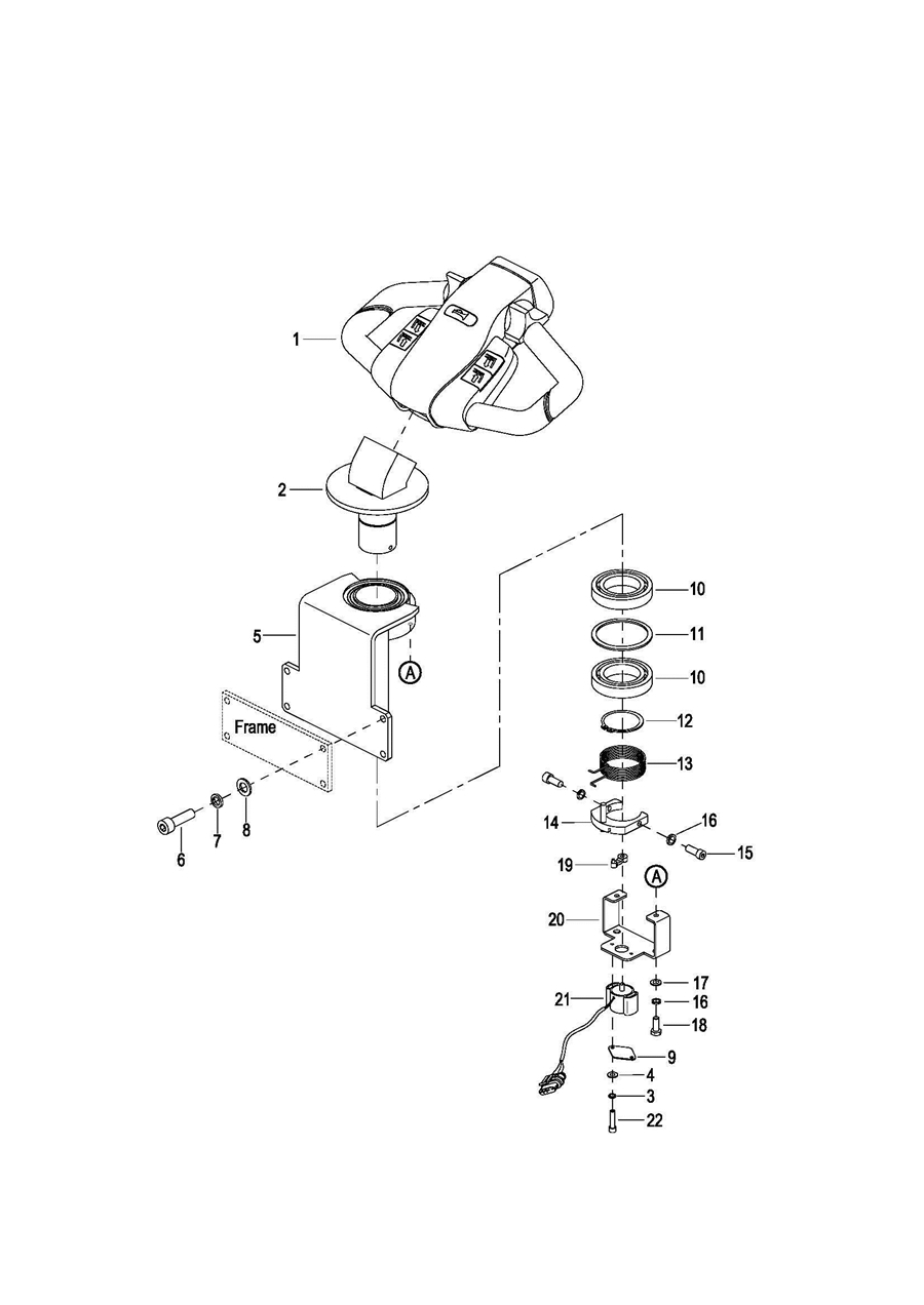
0104 Caster Assembly万向轮总成
0201 Driving System驱动系统
0202 Gear Case Assembly减速箱总成
0301 Operating Control System操作系统
0302 Control Pod Assembly操作手柄头总成
030201 Control Pod Assembly操作手柄头总成
0303 Upper Cover Assembly上盖总成
030301 Upper Cover Assembly上盖总成
0304 Emergency Stop Switch Assembly急停开关总成
0401 Hydraulic Assembly液压系统
0402 Lifting Cylinder起升油缸
0403 Pump & Motor Assembly液压站总成
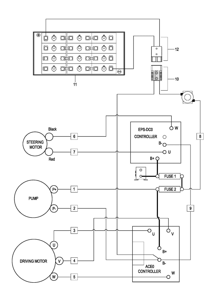
0501 Electrical System电气系统
0502 Controller Board Assembly电器板总成
0503 Wire Harness Assembly(S.N. before -M311200024) 线束总成
050301 Wire Harness Assembly(S.N. after M311200025-) 线束总成
0504 Cable Assembly电缆总成