0101 Frame System 车身系统
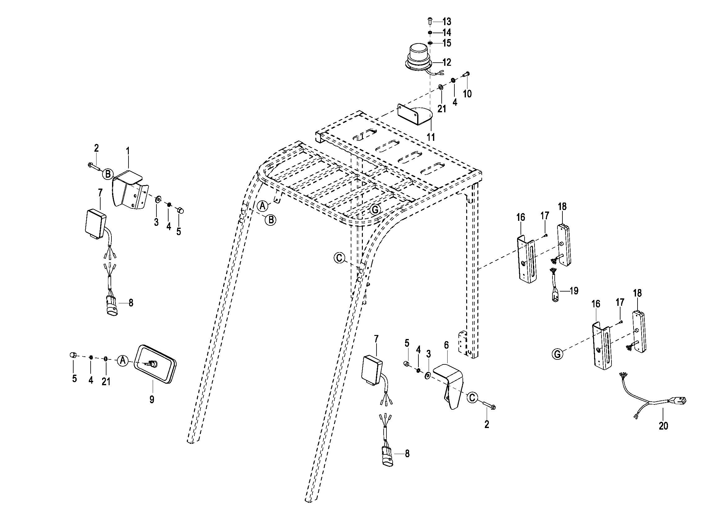
0102 Overhead Guard 安全棚
0103 Front Cover 前外罩
0104 Back Cover 后外罩
0105 Front Wheel Assembly 前轮组件
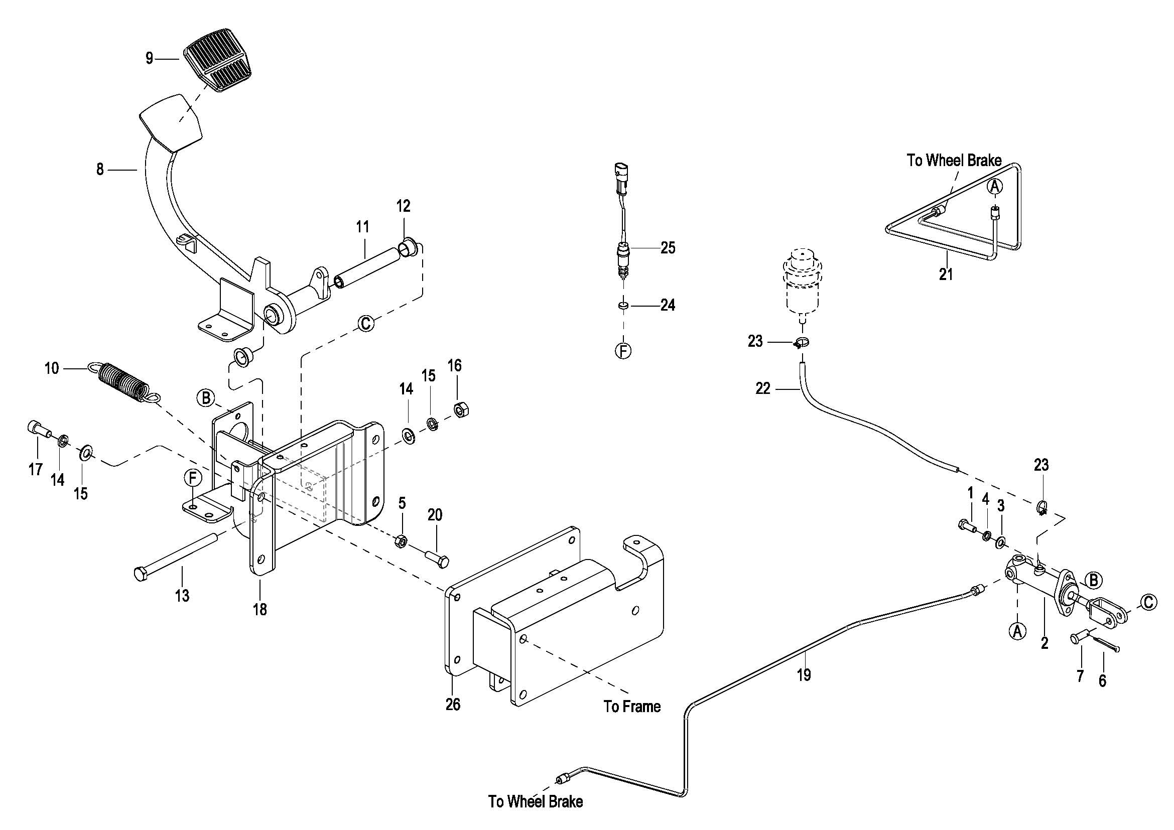
0106 Brake Assembly 制动器总成
0201 Steering Control System 操作系统
0202 Parking Brake 脚刹总成
0203 Steering Assembly ( Closing serial number -2301000033 ) 转向柱总成
020301 Steering Assembly(Starting with serial number2301000034-) 转向柱总成
0204 Valve Control Linkage( Closing serial number -2301000033 ) 多路阀操作杆
020401 Valve Control Linkage(Starting with serial number2301000034-) 多路阀操作杆
0301 Driving System Assembly 驱动系统总成
0302 Gear Case Assembly 变速箱
0303 Driving Wheel 驱动轮
0401 Hydraulic SystemⅠ 液压管路Ⅰ
0402 Hydraulic SystemⅡ 液压管路Ⅱ
0403 Oil Tank 油箱
0501 Electrical Components 电器元件
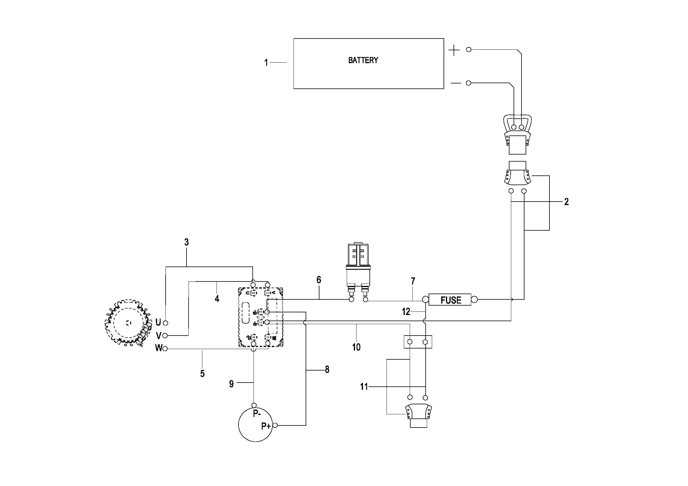
0502 Wiring Harness Assembly 线束总成
0503 Cable 电缆总成
0504 Lithium Battery Assembly 锂电瓶总成
050401 Lithium Battery Assembly 锂电瓶总成