0101 Lifting Structure起升结构
0102 Frame System车身系统
0103 Caster Assembly 万向轮
0104 Cover Assembly外罩总成
0105 Handrails Assembly 护臂总成
0106 Platform Assembly(CE) 踏板总成
0201 Driving Assembly驱动总成
0202 Gear Case Assembly减速箱总成
0301 Operating Control System操作系统
0302 Control Pod Assembly操作手柄头总成
0303 Accelerator Assembly 加速器总成
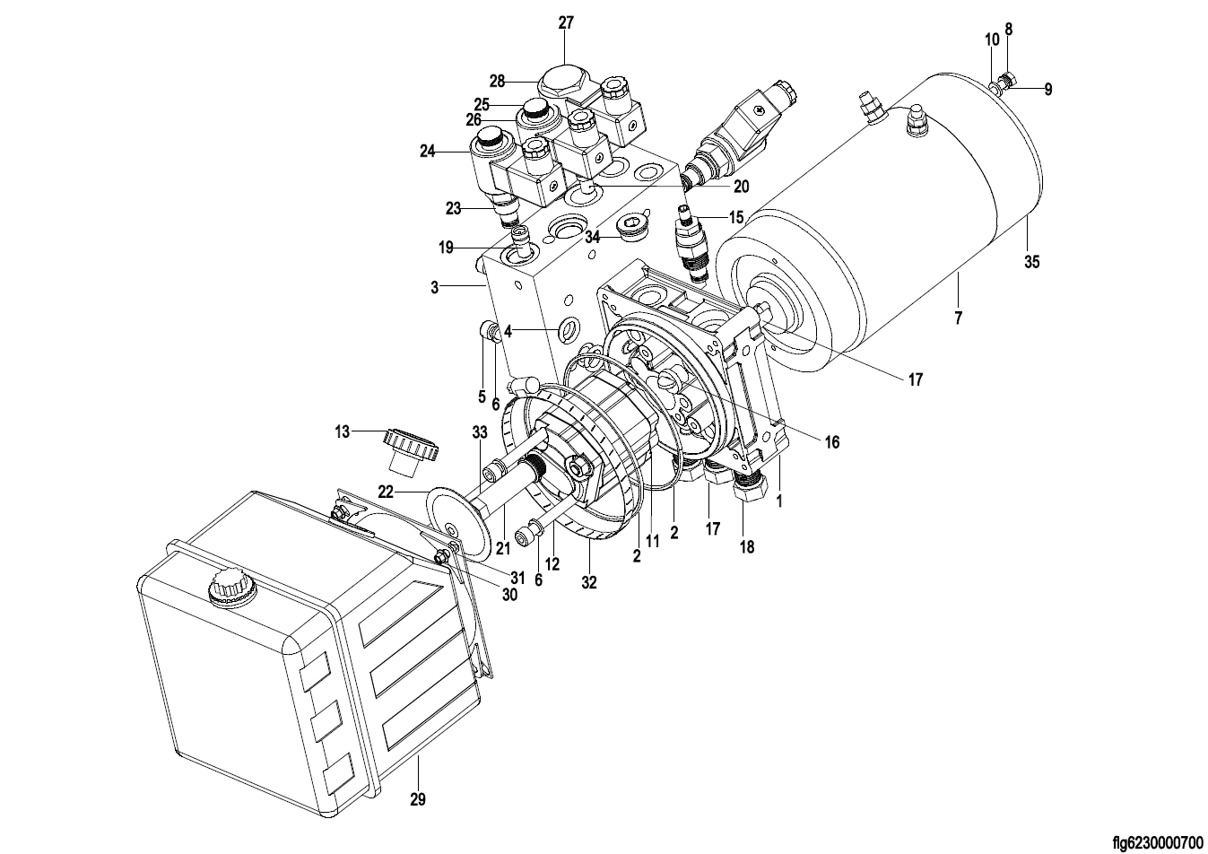
0401 Hydraulic System液压系统
0402 Pressurized Cylinder Assembly 增压油缸
0403 Motor & Pump Assembly液压站总成
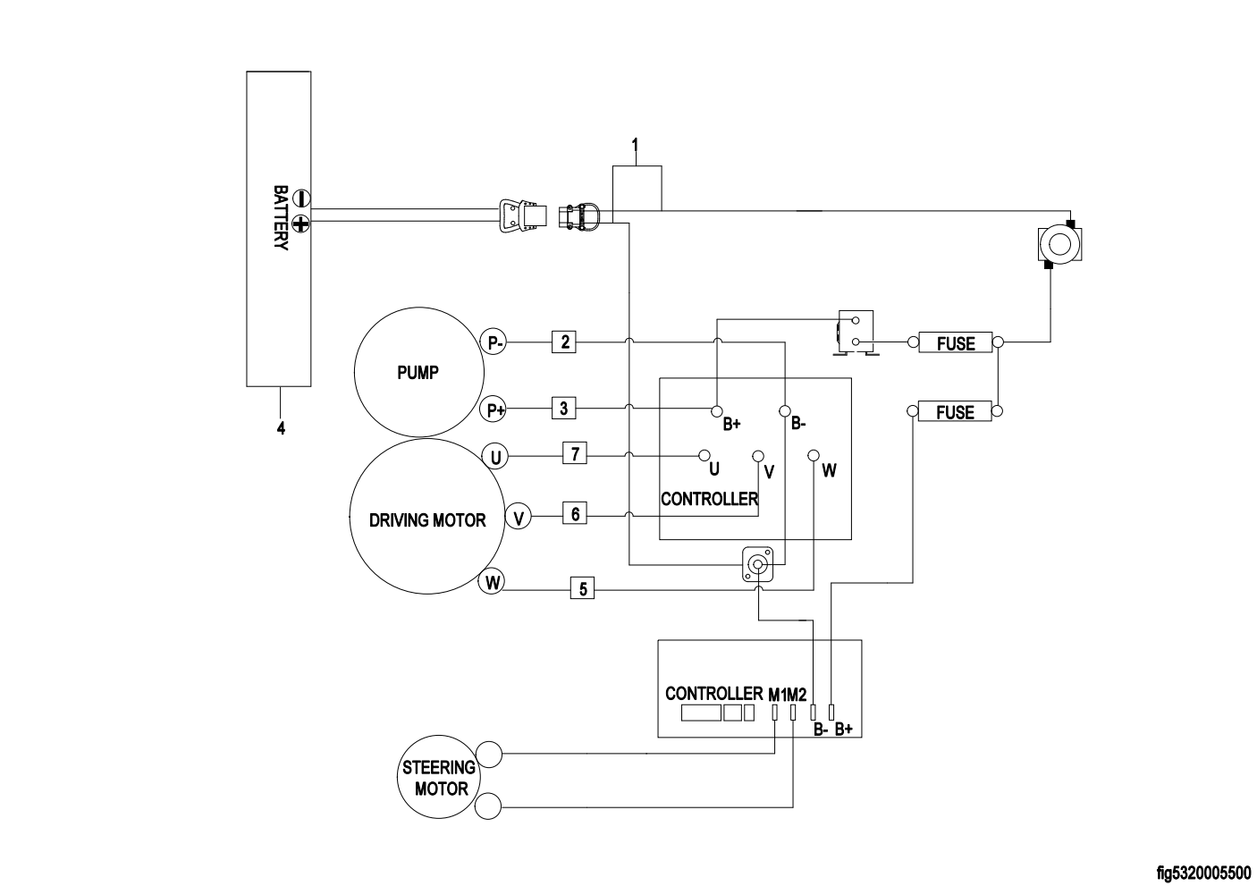
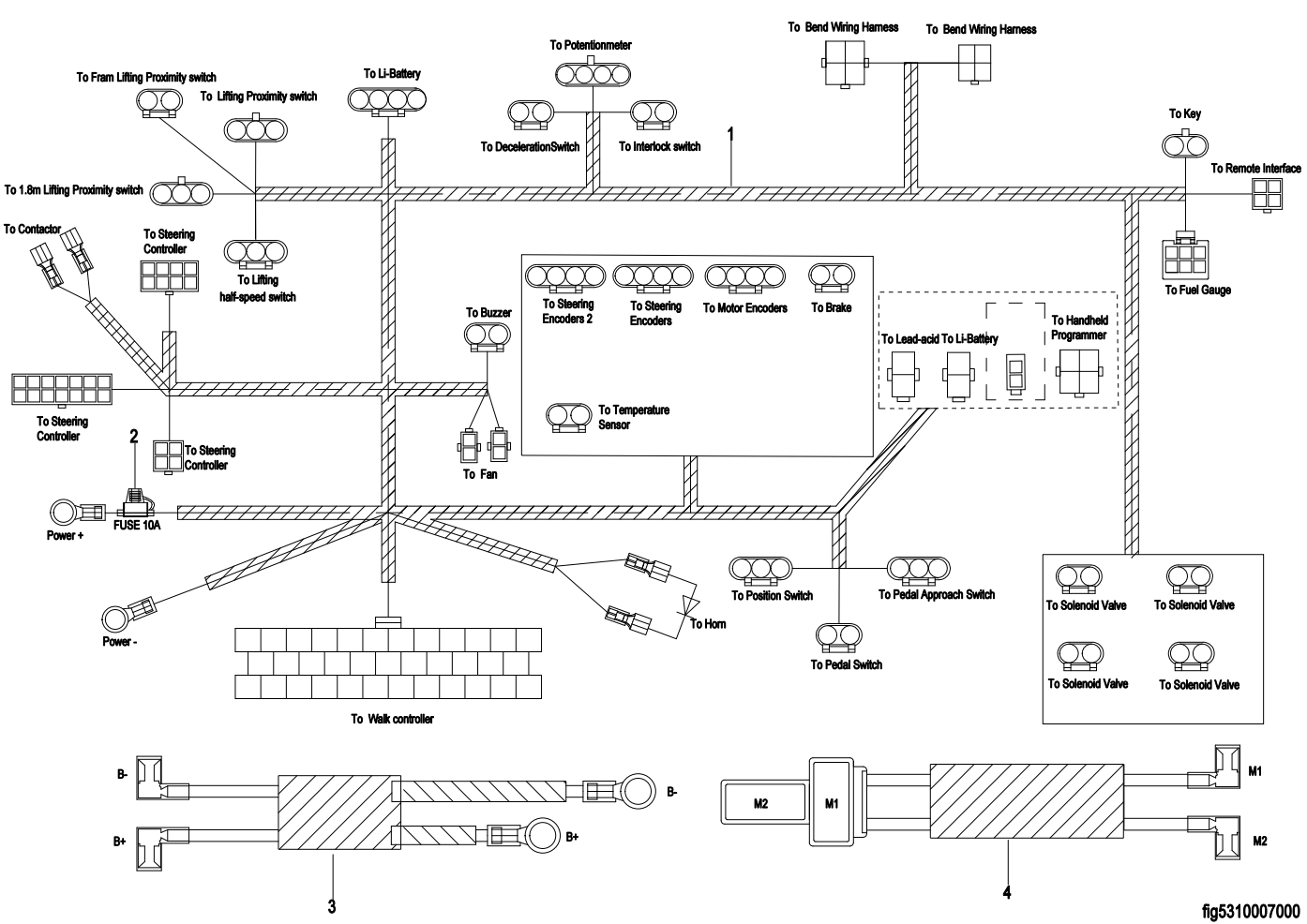
0501 Electrical System电气系统
0502 Wire Harness Assembly线束总成
0503 Cable Assembly 电缆总成
0504 Charger 充电器
0505 Battery Assembly 电瓶总成
0506 Battery Wiring Harness Assembly电瓶线束总成
0507 Battery Cable电瓶电缆总成
0601 Duplex Mast Lifting System 两级门架起升系统
0602 Lifting Cylinder 起升油缸