0101 Frame System 车身系统
0102 Overhead Guard Accessories 护顶架附件
0103 Front Cover
0104 Back Cover 后外罩
0201 Steer And Brake Control System操作和制动系统
0202 Service Brake行车制动
0203 Steering Assembly 转向柱总成
0204 Valve Control Linkage(SN. Before 1321100693)多路阀操作杆
020401 Valve Control Linkage(SN. After 1321100693)多路阀操作杆
0301 Drive System 驱动系统
0302 Drive Axle Assembly驱动桥总成
0303 Brake Hub驱动桥轮毂制动毂
0304 Brake Assembly 制动器总成
0305 Differential差速器
0306 Gearbox Assembly减速箱总成(For IC601B/701B/EFL602/702,S.N. before 1321100692)
0307 Gearbox Assembly减速箱总成(For ICE501B/EFL502,S.N. before 1321100692)
0308 Gearbox Assembly减速箱总成(S.N. after 1321100693)
0309 Drive wheel-double tire 驱动轮-双胎
0401 Steering System转向系统
0402 Steering Axle 转向桥
0403 Steering Cylinder 转向油缸
0501 Harness 线束
0502 Control Bracket Assembly 控制器安装板总成
0503 Cable
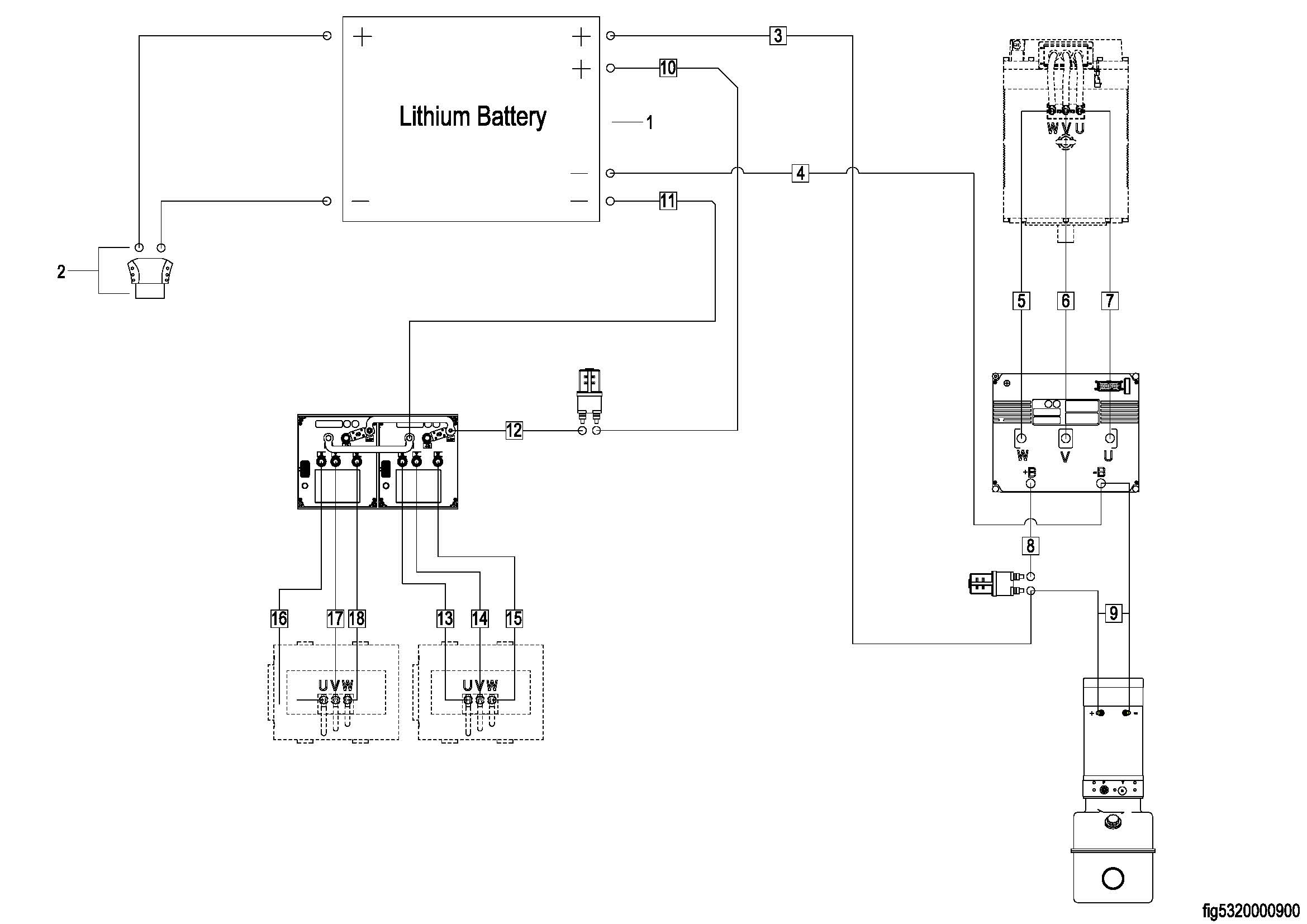
0504 Lithium Battery Assembly 锂电瓶总成
0601 Hydraulic System
0602 Hydraulic Oil Refueling Cap Assembly 液压油加油盖总成
0901 Label标贴