0101 Frame System 车身系统
0201 Driving Assembly 驱动总成
0301 Operating Control System 操作系统
0302Control Pod Assembly 操作手柄头总成
0303 Upper Cover Assembly 上盖总成
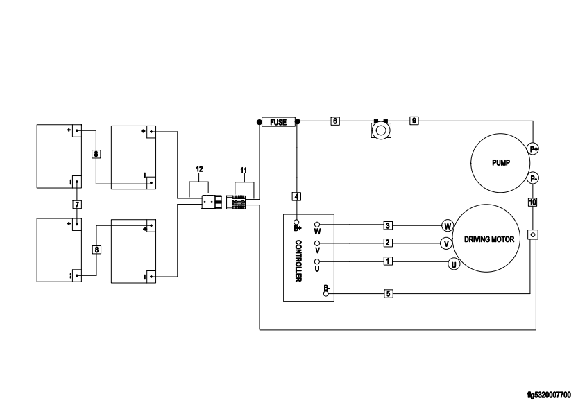
0401 Hydraulic System 液压系统
0402 Cylinder Assembly 油缸总成
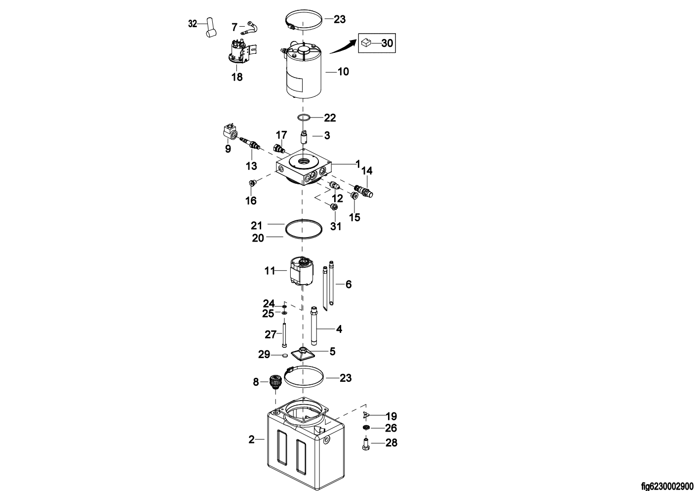
0403 Motor & Pump Assembly 液压站总成
0501 Electrical System 电气系统
0502 Wire Harness Assembly 线束总成
0503 Cable Assembly 电缆总成
0601 Lifting Sysem 起升系统
0701 Labels标贴