0101 Frame System 车身系统
0102 Caster Assembly 万向轮总成
0103 Arm Guard Assembly护臂总成
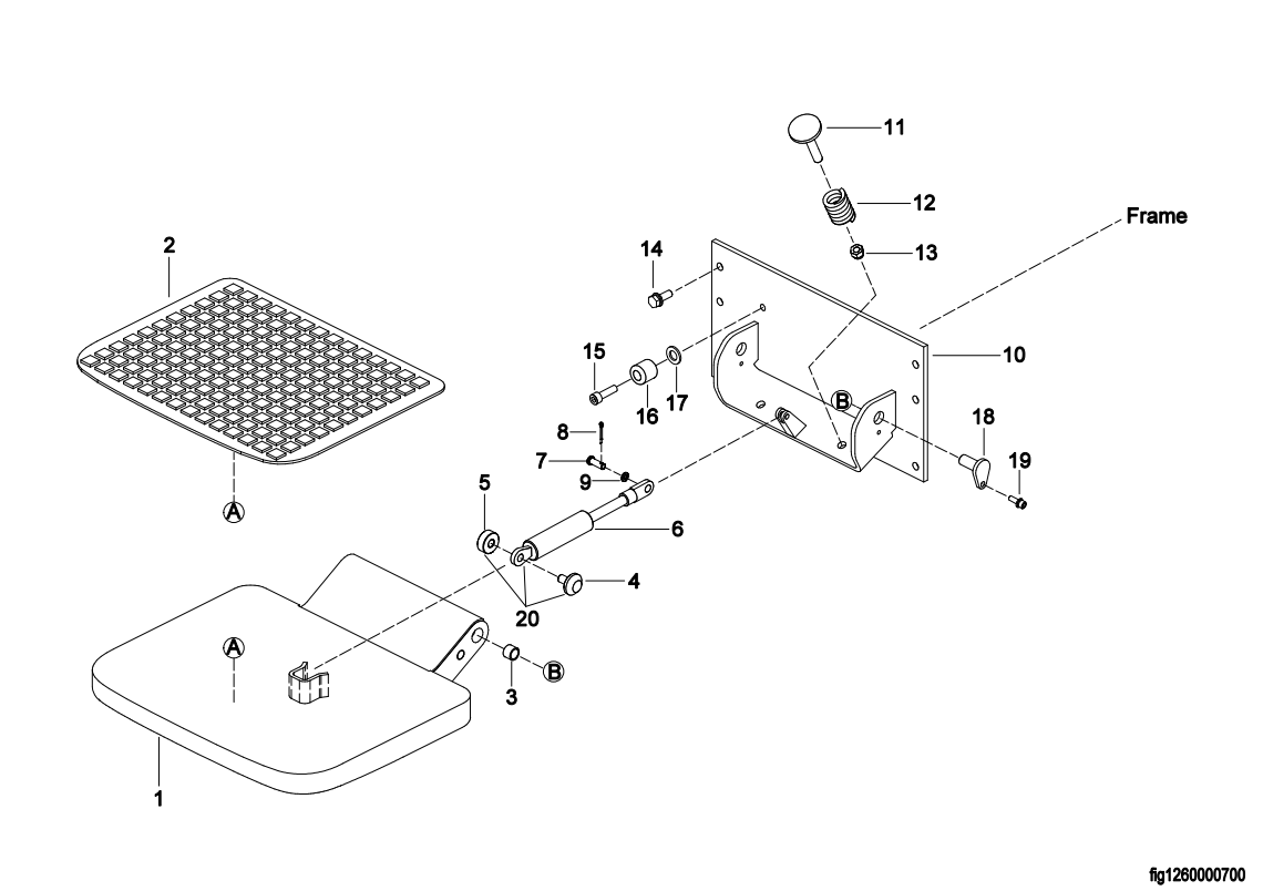
0104 Pedal Assembly踏板总成
0201 Driving Assembly 驱动总成
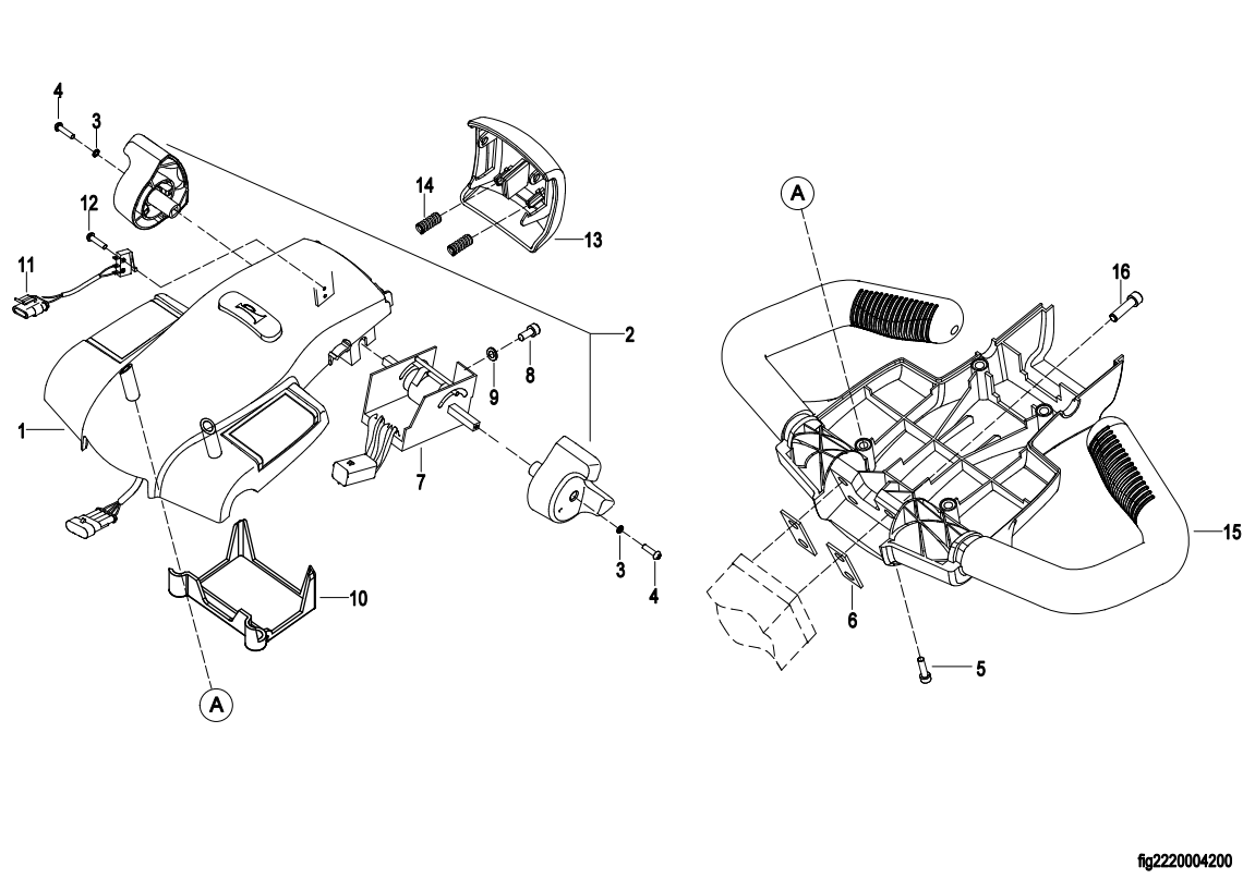
0301 Operating Control System 操作系统
0302 handle head assembly手柄头总成
0303 Upper Cover Assembly 上盖总成
0304 Multiway Valve Operator Lever 多路阀操作杆
0401 Hydraulic System 液压系统
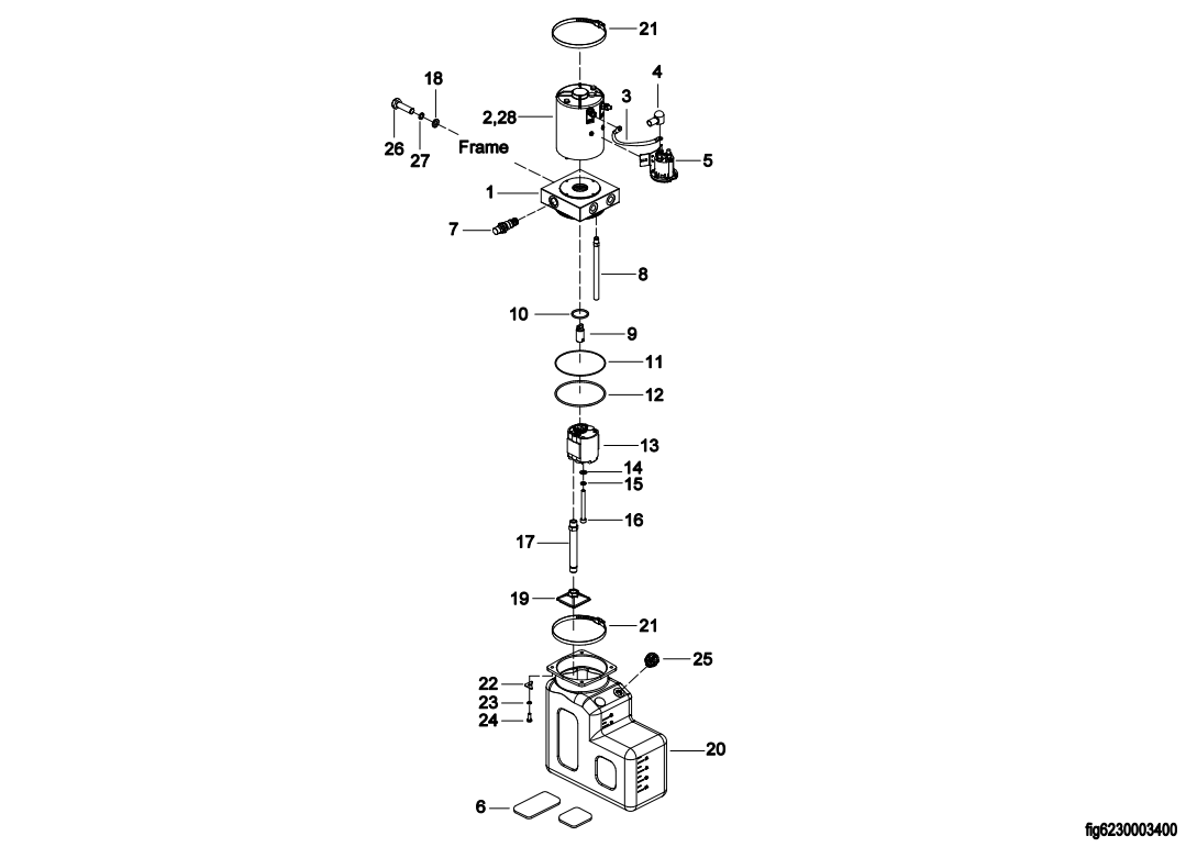
0402 Hydraulic Pump Assembly 液压站总成
0403 Lifting Cylinder 起升油缸
0404 Tilt Cylinder倾斜油缸
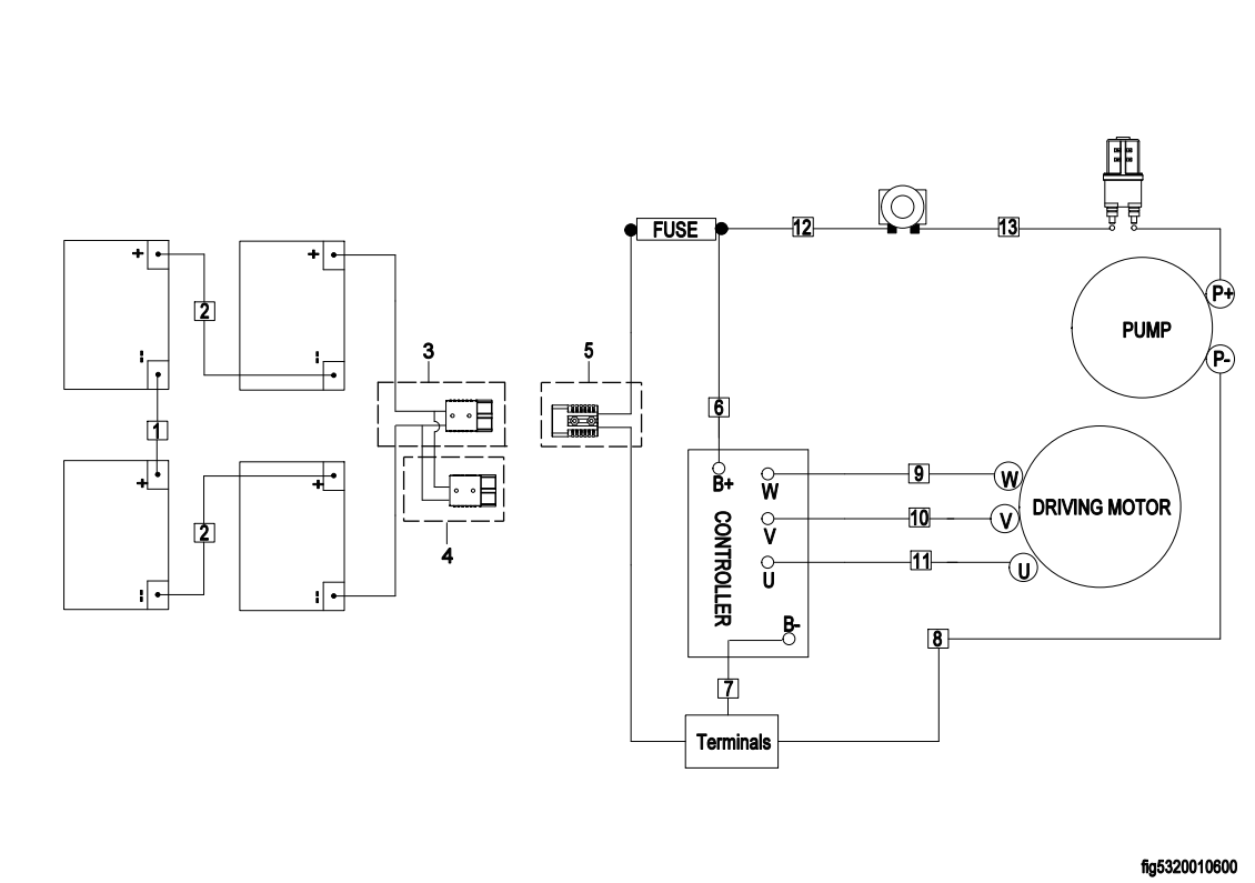
0501 Electrical Assembly 电气总成
0502 Wire Harness Assembly线束总成
0503 Cable assembly电缆总成
0601 Lifting system 起升系统
0701 Special accessories 特殊配件