0101 Frame System 车身系统
0102 Overhead Guard 安全棚
0103 Cover 外罩(S.N. before -3312100550)
010301 Cover 外罩(S.N. after 3312100551-)
0201 Driving System 驱动系统
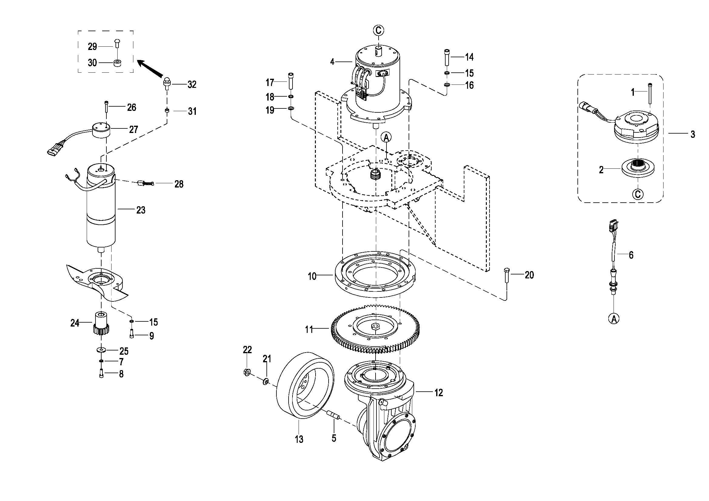
0202 Gear Case Assembly 减速箱总成
0203 Front Tires Assembly 前轮装配总成
0301 Steering Assembly 转向柱总成
0302 Operating Armrest Assembly 操纵扶手总成
0401 Hydraulic System 液压系统
0402 Hydraulic Pump Assembly 液压站总成
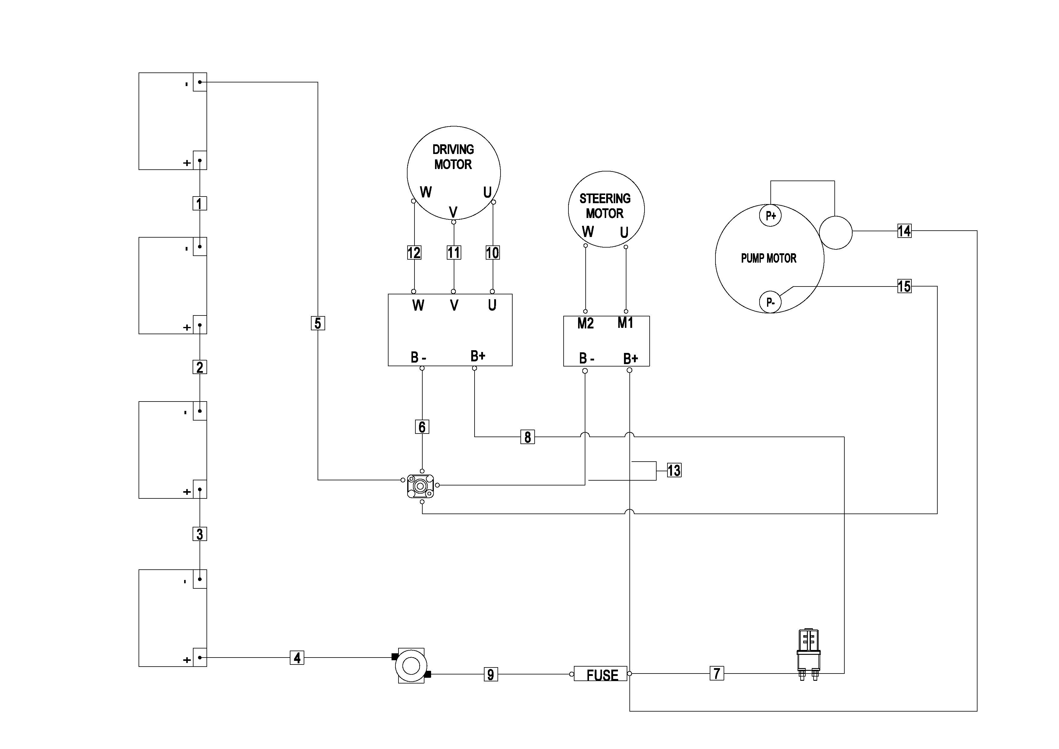
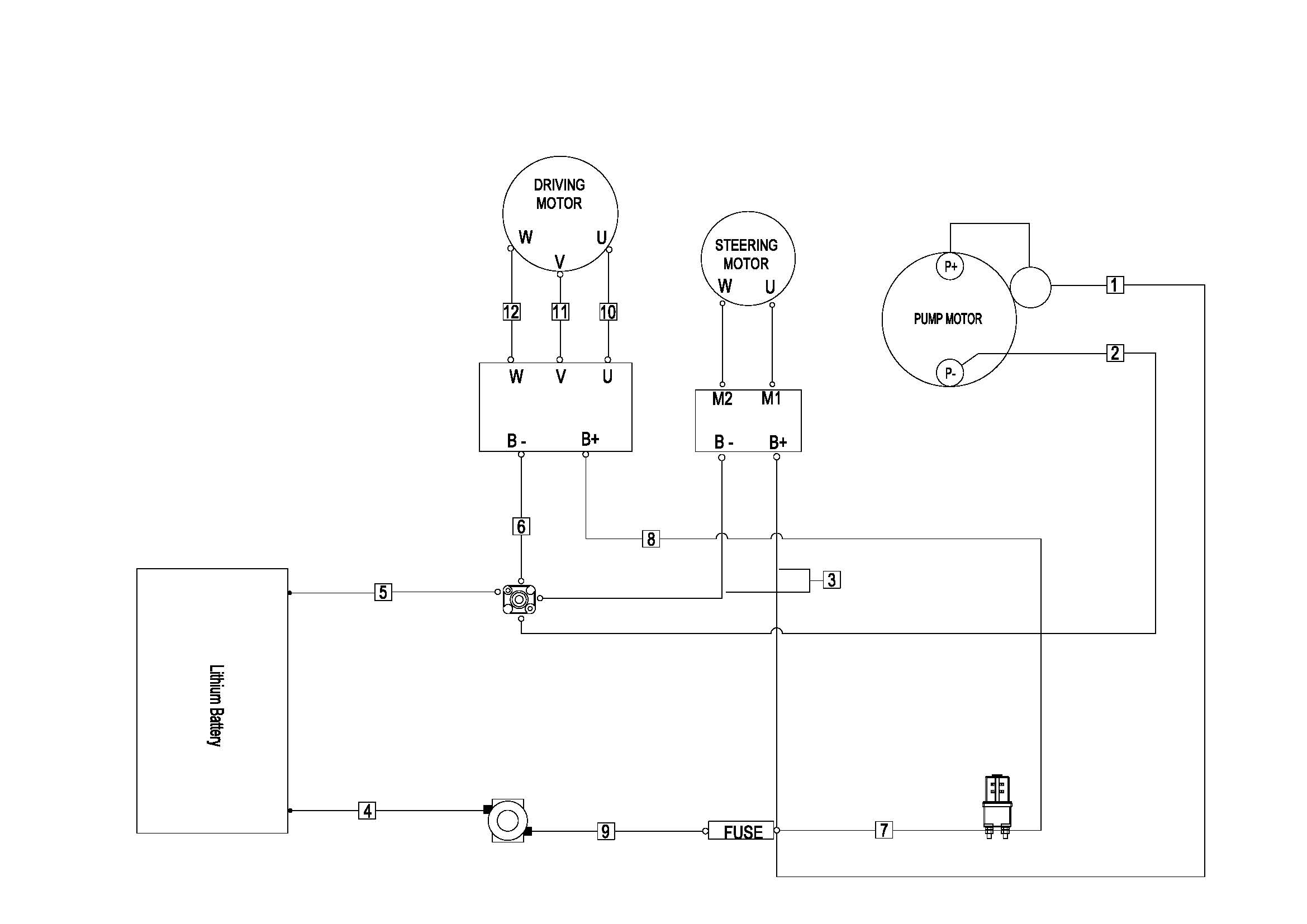
0501 Electrical System 电气系统
0502 Wiring Harness Assembly 线束总成(S.N before -3301801303)
050201 Wiring Harness Assembly 线束总成(S.N. from 3301801304 to 3312100550)
050202 Wiring Harness Assembly 线束总成(S.N. after 3312100551-)
0503 Cable,for Lead acid battery 电缆总成
0503 Cable,for Lithium battery 电缆总成
0504 Battery Assembly 电瓶总成(S.N.before -3321703352)
050401Battery Assembly 电瓶总成(S.N.after 3321703353-)
0601 Lifting System 起升系统
0602 Lifting Cylinder 起升油缸
0603 Tilting Cylinder (L/R) 倾斜油缸(左/右)
0604 Fork Frame 货叉架
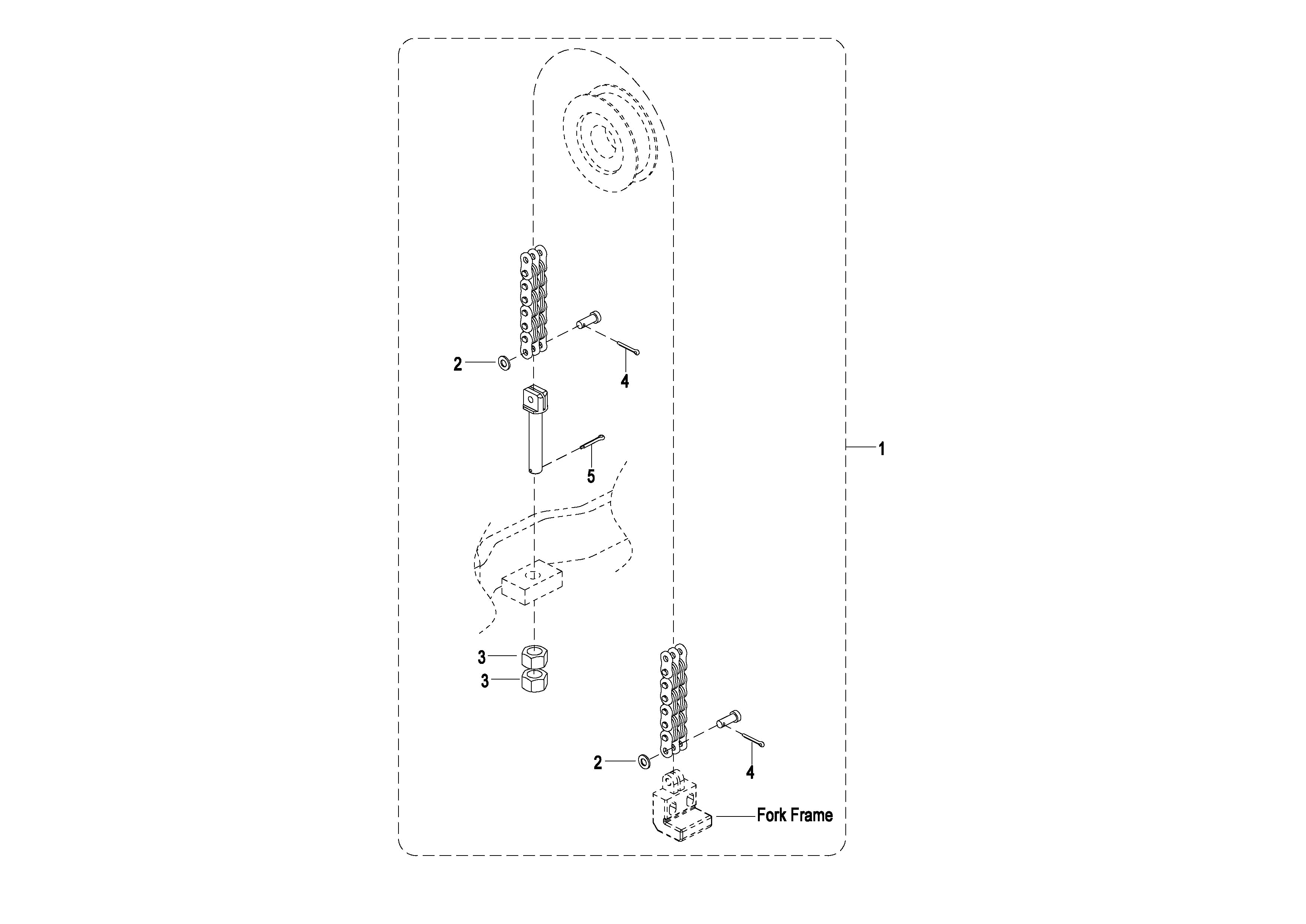
0605 Chain Assembly 链条总成
0901 Label 标贴