0101 Double-Wheels Lifting Structure 双轮起升结构
0102 Single Wheel Lifting Structure 单轮起升结构
0103 Frame System 车身系统
0104 Caster Assembly 万向轮
0105 Battery Cover 电瓶盒盖
0106 Cover Assembly 外罩总成
0107 Handrails Assembly 护臂总成
0108 Platform Assembly(非CE) 踏板总成
0201 Driving Assembly 驱动总成
0202 Gear Case Assembly 减速箱总成
0301 Operating Control System 操作系统
0302 Handle head assembly 手柄头总成
0303 Upper Cover Assembly 上盖总成
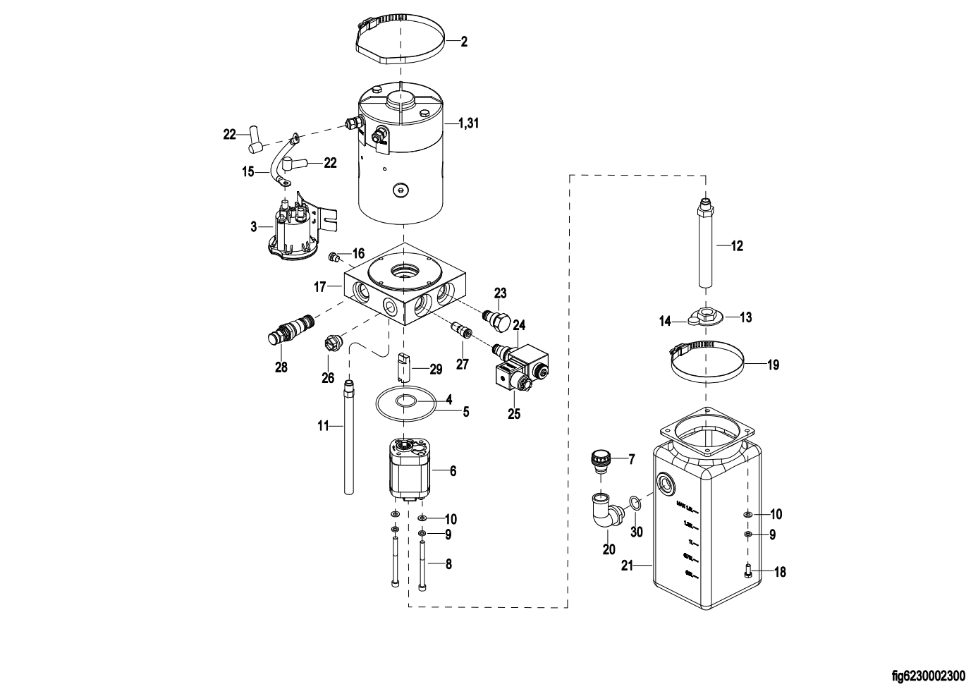
0401 Hydraulic System 液压系统
0402 Cylinder Assembly 油缸总成
0403 Motor & Pump Assembly 液压站总成
0404 Pressurized Cylinder Assembly增压油缸
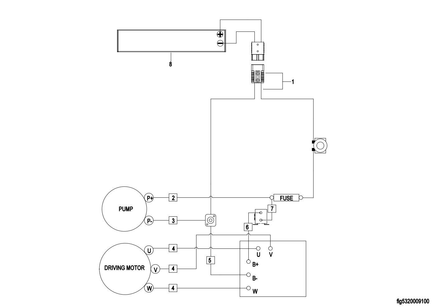
0501 Electrical System 电气系统
0502 Wire Harness Assembly 线束总成
0503 Cable Assembly 电缆总成
0504 Battery Assembly 电瓶总成(SN.before-3332101750)
050401 Battery Assembly 电瓶总成(SN.after 3332101751-)
0601 Labels标贴