0101 Frame System 车架系统
0102 Caster Assembly 万向轮总成
0103 Connecting Link Assembly 连杆总成
0201 Driving System(S.N. before - 4331203724)驱动系统
020101 Driving System(S.N. after 4331203725-) 驱动系统
0301 Operating Control System 操作系统
0302 Control Pod Assembly(For Lead Acid Battery) 手柄头总成(铅酸)
0302 Control Pod Assembly(For Lithium Battery) 手柄头总成(锂电)
0303 Upper Cover Assembly 上盖总成
0401 Hydraulic Assembly 液压总成
0402 Lifting Cylinder 起升油缸
0403 Pump & Motor Assembly 液压站总成(S.N.Before-4332009188)
0404 Pump & Motor Assembly 液压站总成(S.N.After 4332009189-)
0501 Setting Board Assembly 电器板总成
0502 Wire Harness Assembly(For Lead Acid Battery) 线束总成(铅酸)
0502 Wire Harness Assembly(Optional,Only for lithium battery) 线束总成(仅限于锂电)
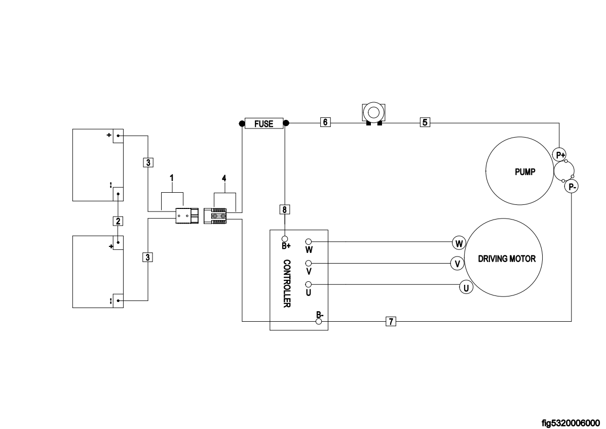
0503 Cable Assembly 电缆总成
0504 Battery Assembly 电瓶总成
0601 Labels(For Overseas)标贴
0602 Labels(For China)标贴