Запчасти на Электрический штабелер EP Equipment ES15-15CS Countbalance Stacker

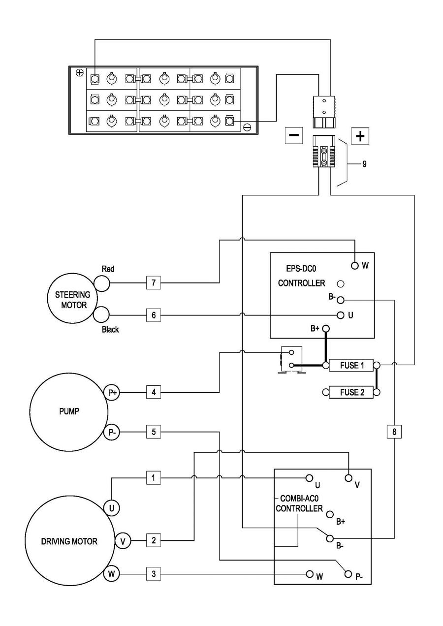
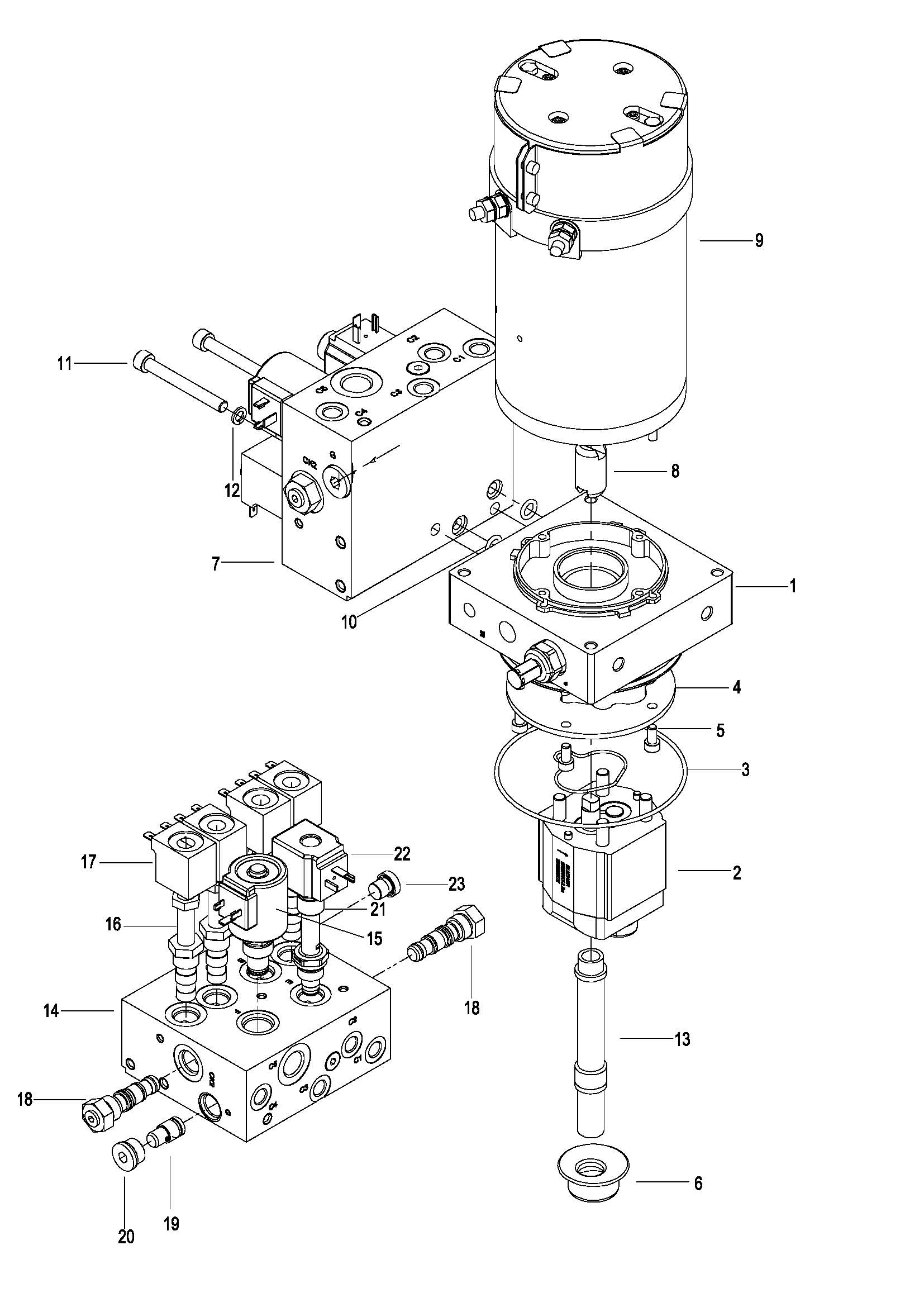
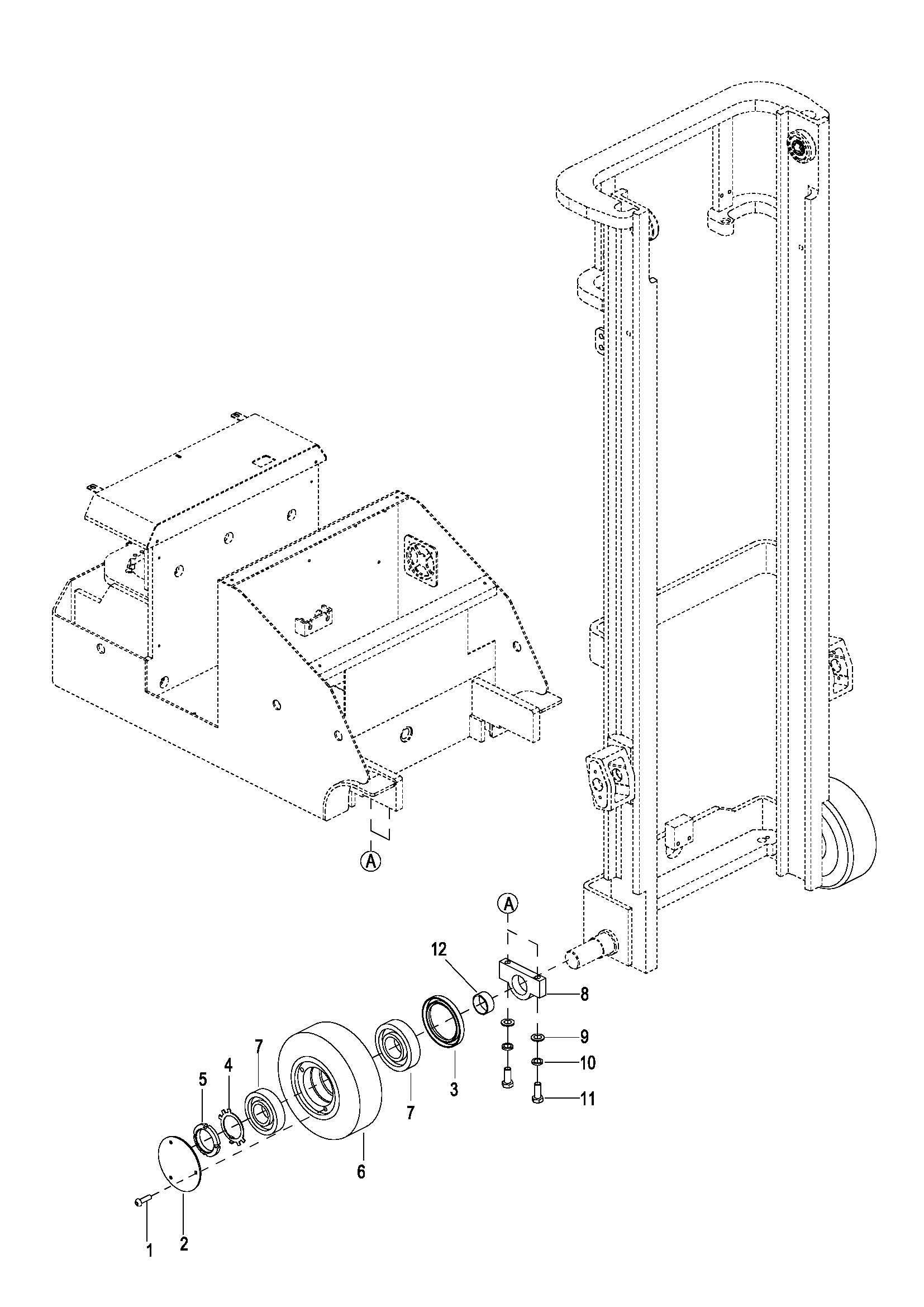
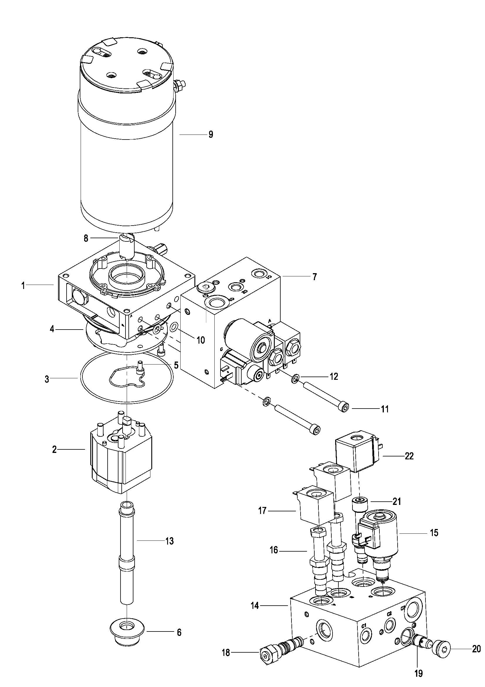
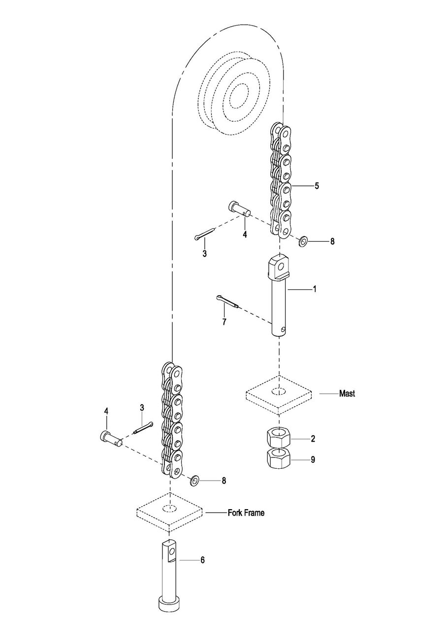
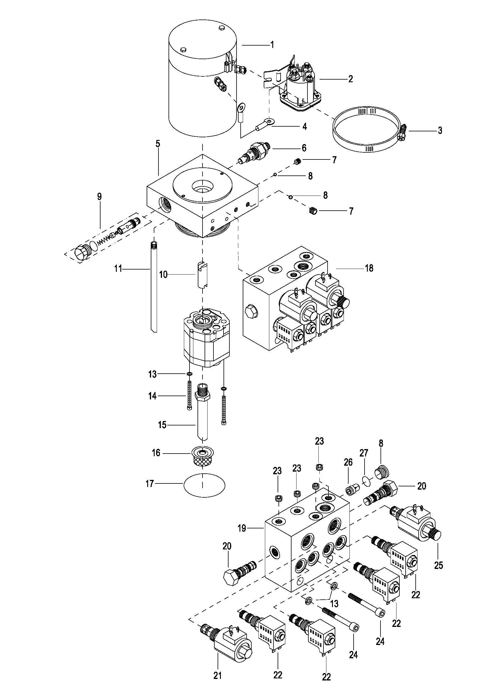
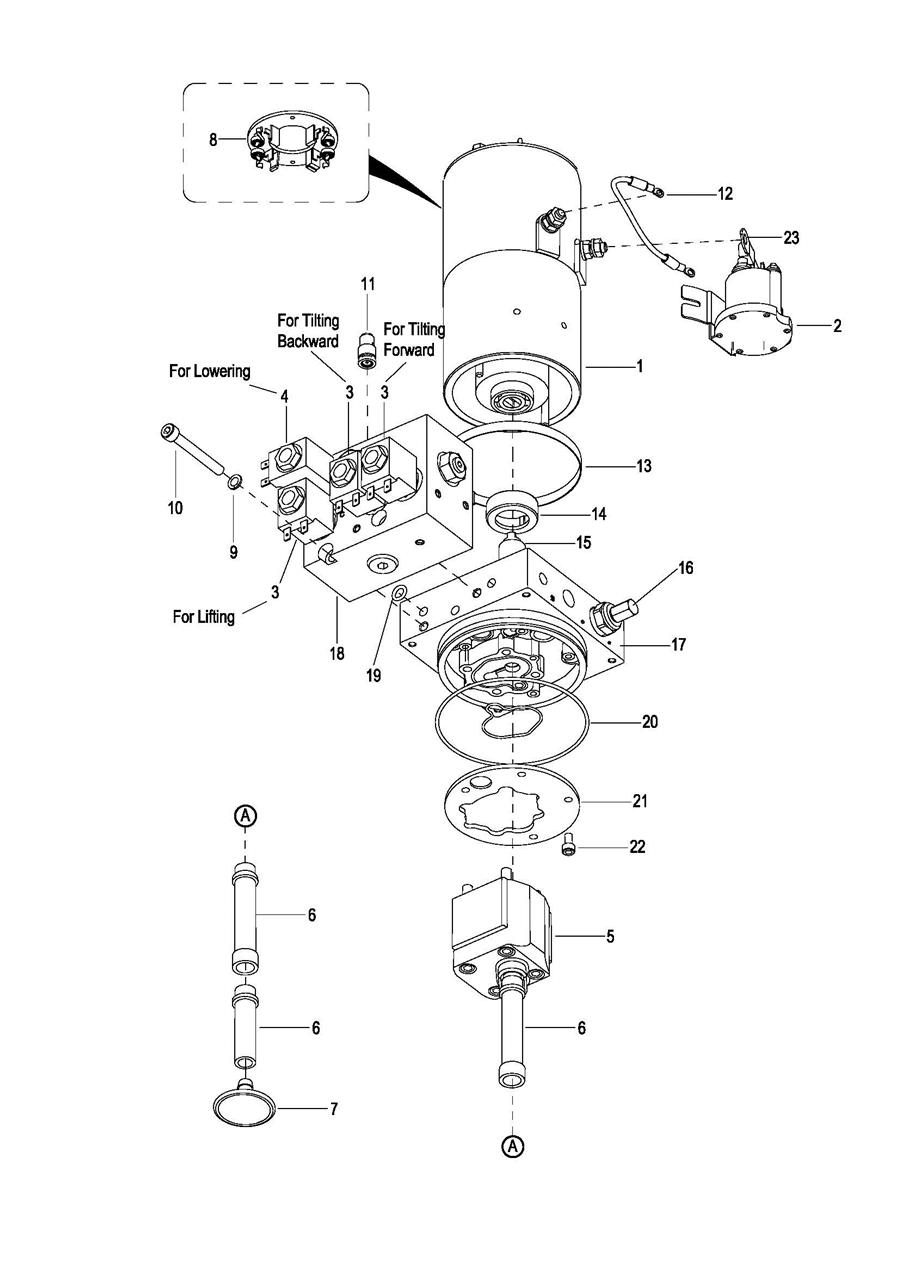
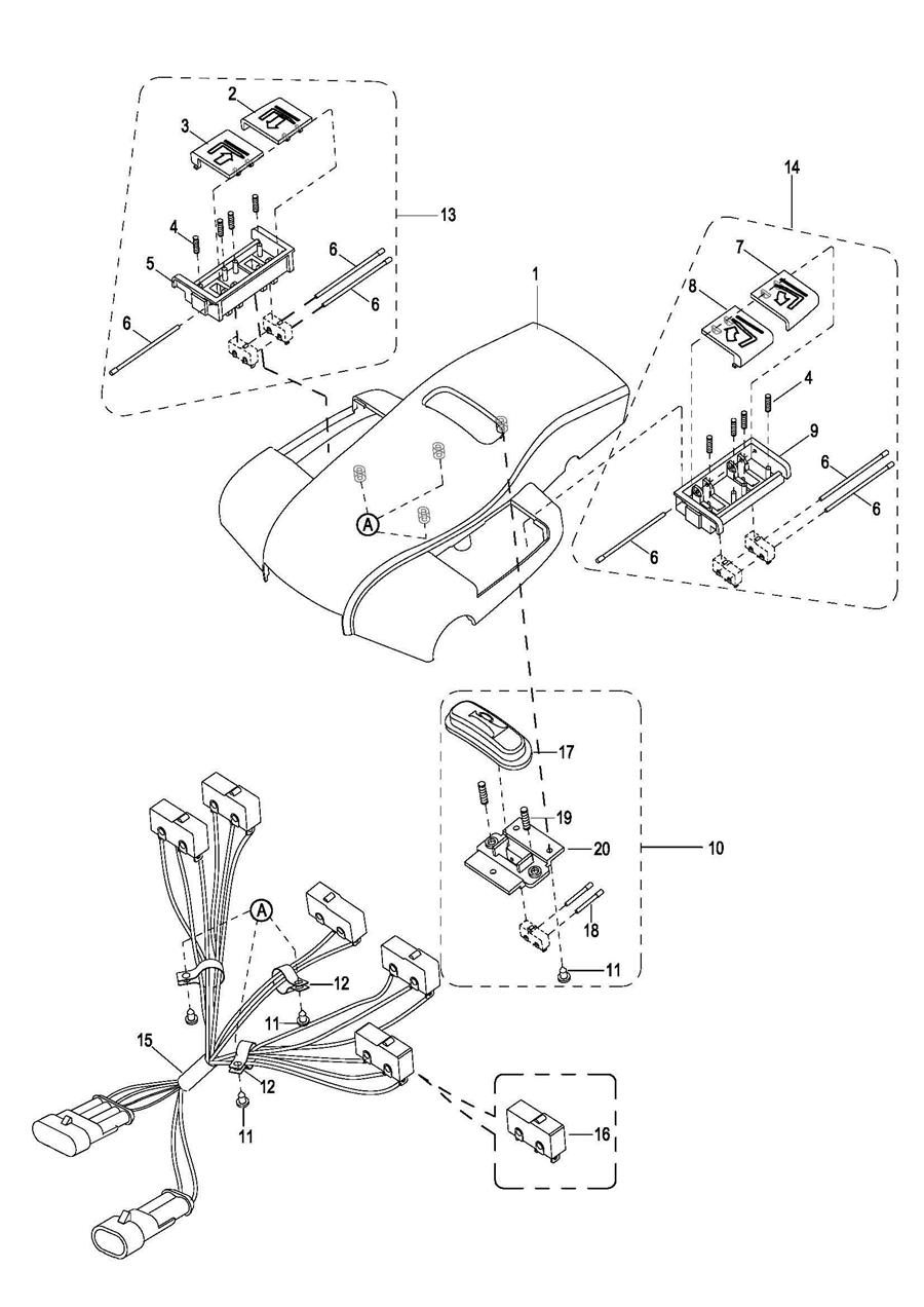
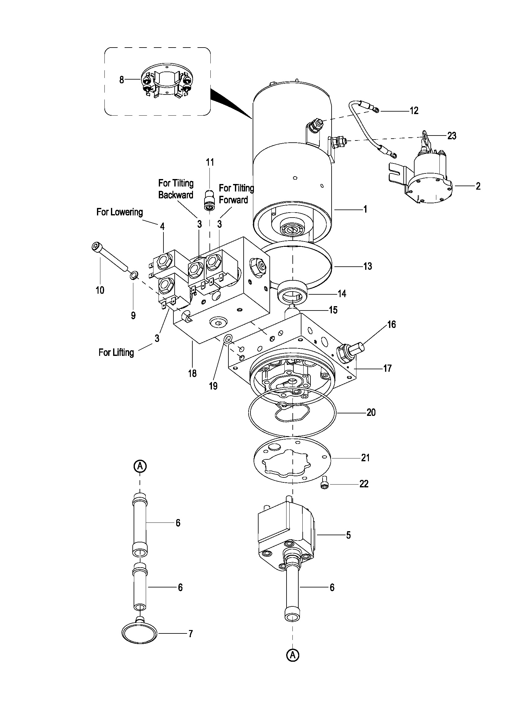
0101 Frame System 车身系统 0102 Cover Assembly 外罩总成 0103 Loading Wheel Assembly 承载轮总成(S.N. before -3311600625) 010301 Loading Wheel Assembly 承载轮总成(S.N. after 3311600626-) 0104 Platform Assembly 踏板总成 0201 Driving System 驱动系统(S.N before -325140168) 020101 Driving System 驱动系统(S.N after 325140169-) 0202 Gear Case Assembly 减速箱总成(S.N Before -326140381) 020201 Gear Case Assembly减速箱总成(S.N after 326140382-) 0301 Operating Control System 操作系统 0302 Control Pod Assembly 操作手柄总成(S.N before -327100164) 030201 Control Pod Assembly操作手柄总成(S.N from 327100165 to 3311201800) 030202 Control Pod Assembly(S.N. after 3311201801-) 0303 Upper Cover Assembly 上盖总成(S.N before -327100164) 030301 Upper Cover Assembly 上盖总成(S.N. from327100165 to 3311201800) 0304 Button Reverser Assembly 反向开关总成(S.N before -327100164) 0401 Hydraulic System 液压系统 040101 Hydraulic System 液压系统 0402 Pump & Motor Assembly 液压站总成 040201 Pump & Motor Assembly 液压站总成 0403 Pump & Motor Assembly,JN 液压站总成 040301 Pump & Motor Assembly,BH 液压站总成 0404 Pump & Motor Assembly,JN,With Sideshifter 液压站总成 040401 Pump & Motor Assembly,BH,With Sideshifter 液压站总成 0405 Oil Return Pipe Assembly(S.N. After 3321200025-) 回油管总成 0501 Electrical System 电气系统 0502 Controller Board Assembly 电器板总成 0503 Battery Assembly 电瓶总成 0504 Wire Harness Assembly (S.N. before -3311201800) 线束总成 050401 Wire Harness Assembly(S.N. after 3311201801-) 线束总成 0505 Cable Assembly 电缆总成 0601 Duplex Mast Assembly 两级门架总成 0602 Lifting Cylinder 起升油缸 0603 Duplex Mast Oil Pipe Assembly 两级门架油管总成 0604 Duplex Mast Fork Frame Assembly 两级门架货叉架总成 060301 Duplex Mast Oil Pipe Assembly 两级门架油管总成 0605 Triplex Mast Assembly 三级门架总成 0606 Free Lifting Cylinder 自由起升油缸 0607 Lifting Cylinder 起升油缸 0608 Triplex Mast Vitta Combination Assembly 三级门架油管总成 0609 Triplex Mast Fork Frame Assembly 三级门架货叉架总成 060801 Triplex Mast Vitta Combination Assembly 三级门架油管总成 0610 Mast Tilting System 门架倾斜系统 0611 Tilting Cylinder 倾斜油缸总成(S.N before -324170306) 061101 Tilting Cylinder 倾斜油缸总成(S.N after 324170307-) 0612 Chain Assembly 链条总成