-
Главная
-
Каталог запасных частей
-
EP Equipment
-
Электротележка для поддонов
-
Max Series
-
EPT20-RASS (RASC)
Запчасти на Электротележка для поддонов EP Equipment EPT20-RASS (RASC) Max Series
0101 Double-Wheels Lifting Structure 双轮起升结构
010101 Double-Wheels Lifting Structure 双轮起升结构
010102 Double-Wheels Lifting Structure双轮起升结构
010202 Single-Wheel Lifting Structure单轮起升结构
010201 Single-Wheel Lifting Structure 单轮起升结构
0102 Single-Wheel Lifting Structure 单轮起升结构
0103 Frame System 车身系统
0104 Caster Assembly 万向轮
010401 Caster Assembly 万向轮
0105 Cover Assembly 外罩总成
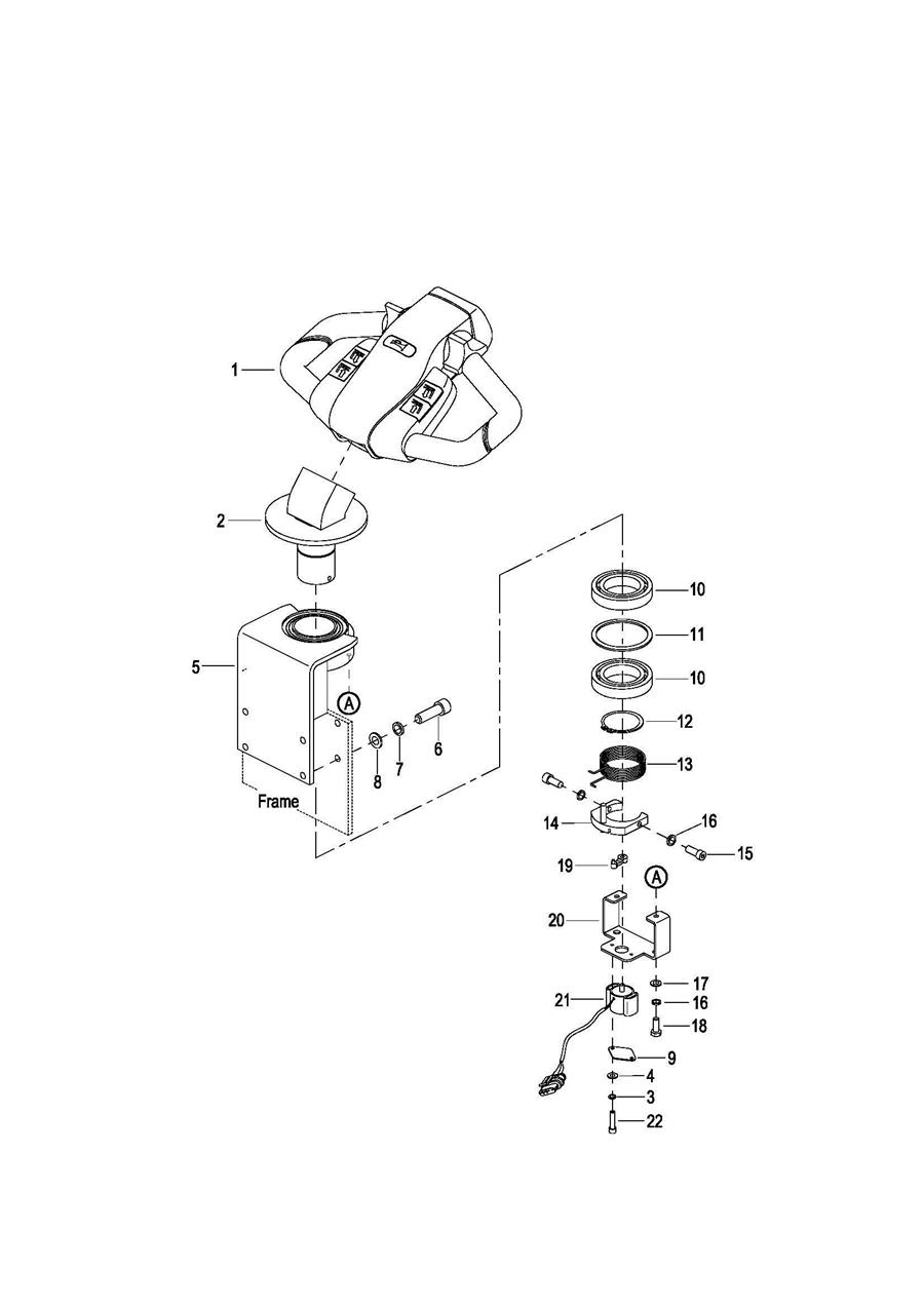
0201 Driving Assembly,High Speed 驱动总成(高速)
0202 Driving Assembly,Low Speed 驱动总成(慢速)
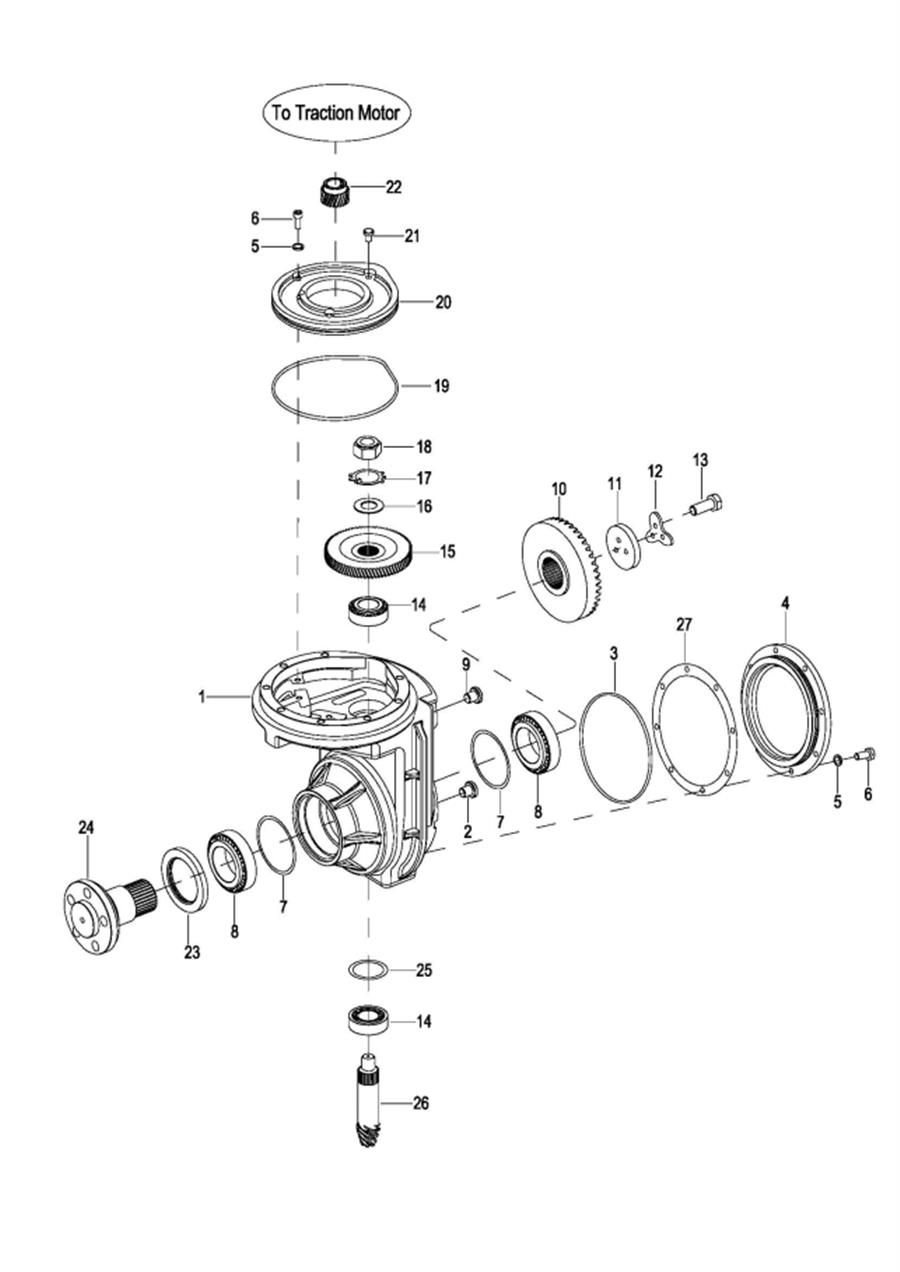
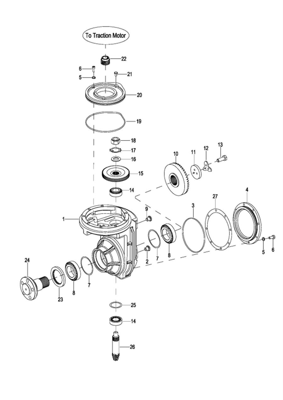
0203 Gear Case Assembly,High Speed 减速箱总成(高速)
020301 Gear Case Assembly,High Speed 减速箱总成(高速)
020401 Gear Case Assembly,020401 Gear Case Assembly 减速箱总成(慢速)
0204 Gear Case Assembly,Low Speed 减速箱总成(慢速)
0205 Motor Assembly 电机总成
0301 Operating Control System 操作系统
0302Control Pod Assemble 操作手柄头总成
030201 Control Pod Assembly操作手柄头总成
030301 Upper Cover Assembly上盖总成
0303 Upper Cover Assembly 上盖总成
0304 Button Reverser Assembly 紧急反向开关总成
0401 Hydraulic System 液压系统
0402 Pump & Motor Assembly 液压站总成
040201 Pump & Motor Assembly液压站总成
040203 Pump & Motor Assembly液压站总成
040202 Pump & Motor Assembly液压站总成
0403 Cylinder Assembly 油缸总成
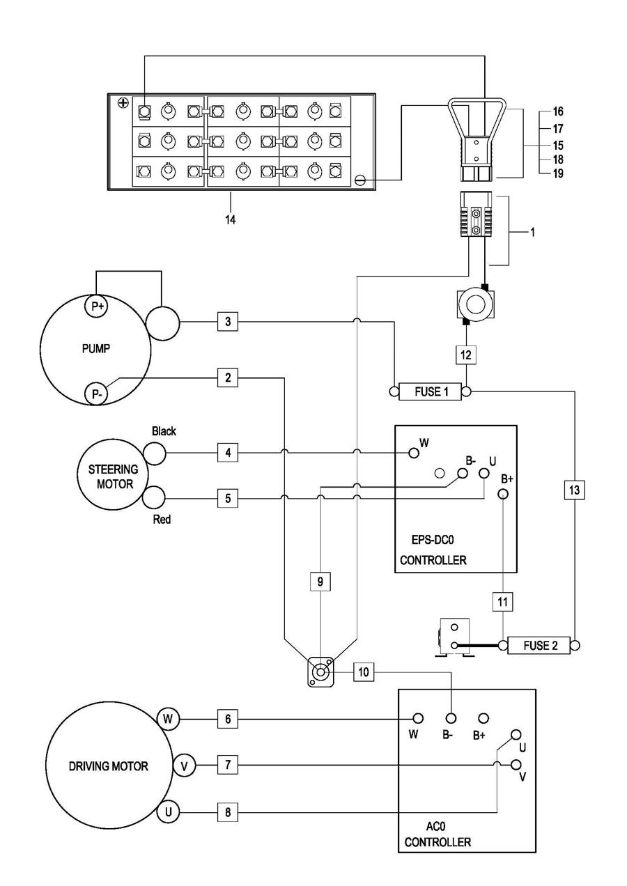
0501 Electrical System,High Speed 电气系统(高速)
0502 Controller Board Assembly,High Speed 电气安装板总成(高速)
0503 Wire Harness Assembly,High Speed 线束总成(高速)
0504 Cable Assembly,High Speed电缆总成(高速)
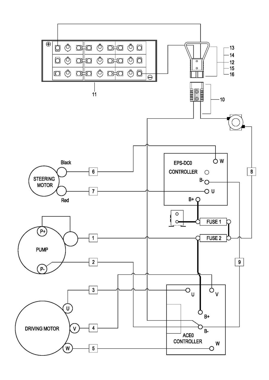
0505 Electrical System,Low Speed电气系统(慢速)
0506 Controller Board Assembly,Low Speed电气安装板总成(慢速)
0507 Wire Harness Assembly,Low Speed 线束总成(慢速)
0508 Cable Assembly,Low Speed电缆总成(慢速)