Запчасти на Комплектовщик заказов EP Equipment JX1-126/142/162 JX1 Series

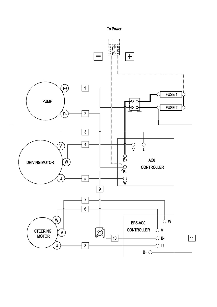
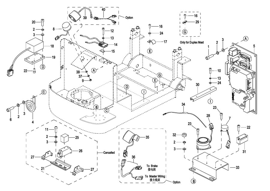
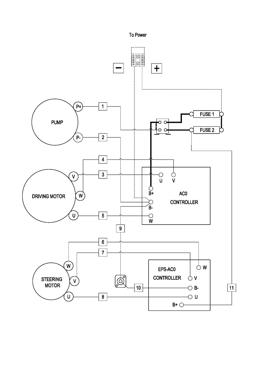
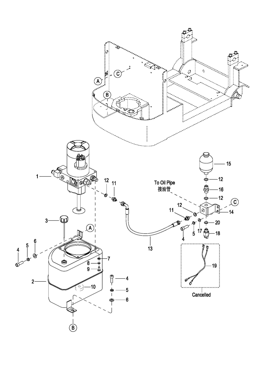
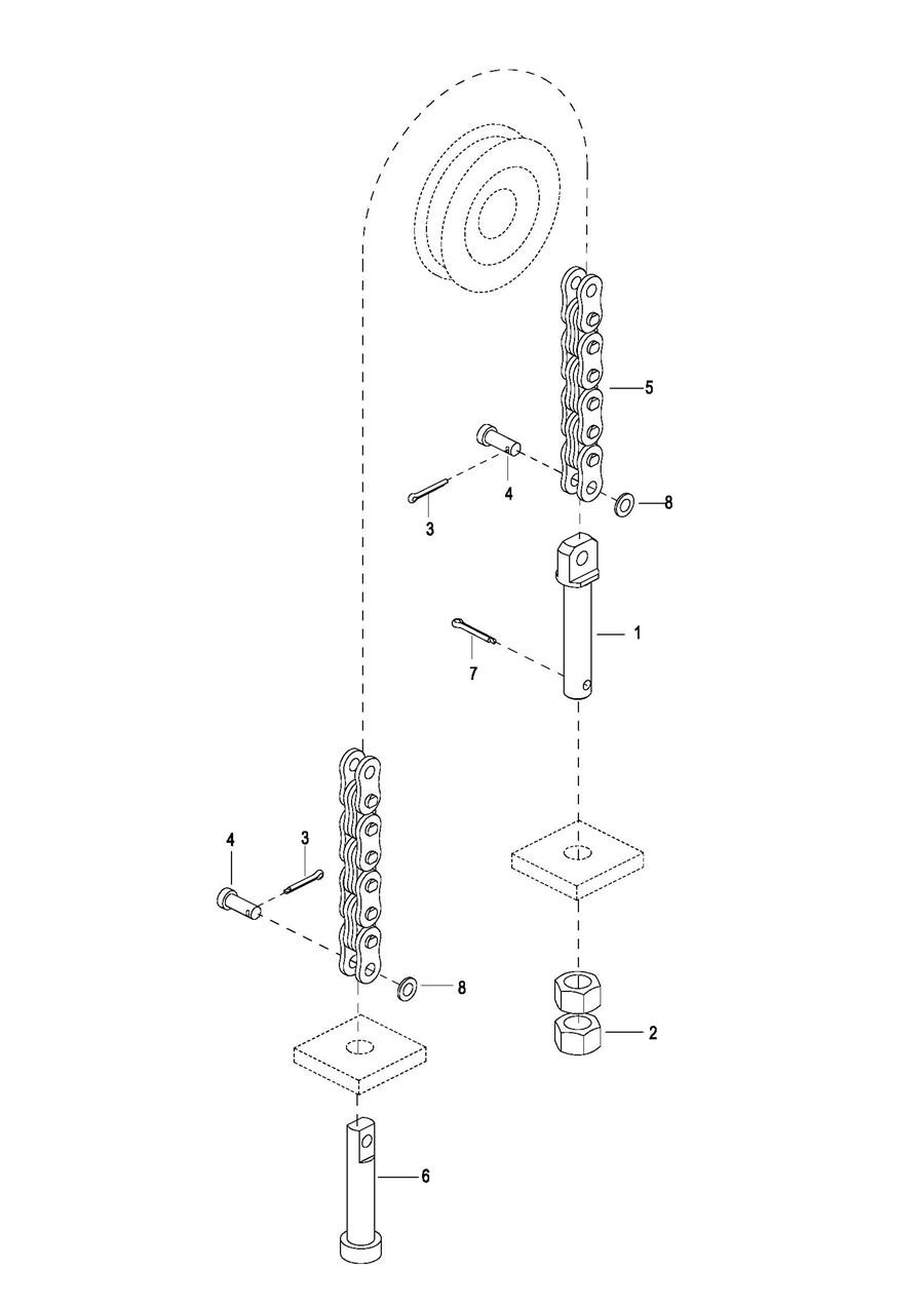
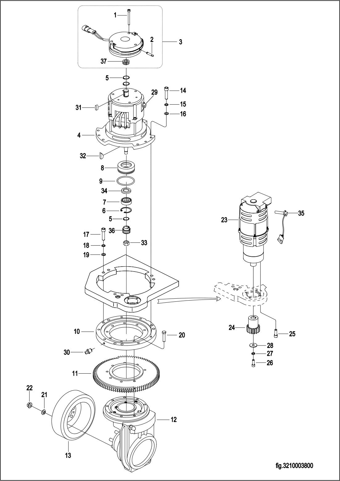
0101 Frame System 车架系统 0102 Caster Assembly 万向轮总成(S.N.before-225170104) 010201 Caster Assembly 万向轮总成(S.N. after 225170105-) 0201 Driving System 驱动系统(S.N.before -S2213285) 020101 Driving System 驱动系统(S.N.after S2213286-) 0202 Driving Assembly 驱动总成(S.N before -S2213285) 020201 Driving Assembly 驱动总成(S.N from S2213286 to 224190036) 020202 Driving Assembly 驱动总成(S.N.from 224190037 to 2301700154) 020203 Driving Assembly 驱动总成(S.N after 2301700155-) 0301 Operating Control Assembly ( Left ) 操作总成(左) 0302 Operating Control Assembly ( Right ) 操作总成(右) 0401 Hydraulic System 液压系统 0402 Hydraulic Pump Assembly 液压站总成(S.N before-2292100070) 040201 Hydraulic Pump Assembly 液压站总成(S.N from 2292100071 to 2321301154) 040202 Hydraulic Pump Assembly 液压站总成(S.N after2321301155-) 0501 Electric Assembly 电气总成 0502 Battery Assembly 电瓶箱总成(S.N before-S2410170) 050201 Battery Assembly 电瓶箱总成 (S.N from S2410171 to F24150003) 050202 Battery Assembly 电瓶箱总成 (S.N after F24150004- ) 0503 Controller Board Assembly(Termination of serial number-2292100070)电器板总成 050301 Controller Board Assembly(Starting serial number 2292100071-) 电器板总成 0504 Wiring Harness Assembly 线束总成 (S.N before -071013) 050401 Wiring Harness Assembly 线束总成 (S.N from 071014 to 227150170) 050402 Wiring Harness Assembly线束总成 (S.N form 227150171 to 2292100070) 050403 Wiring Harness Assembly 线束总成 (S.N after 2292100071-) 0505 Cable Assembly 电缆总成(S.N before-S2213285) 050501 Cable Assembly 电缆总成(S.N after S2213286-) 0506 Lithium Battery Assembly(SN up to -2311600636)锂电瓶箱总成 050601 Lithium Battery Assembly(SN from 2311600637-)锂电瓶箱总成 0507 Lithium Battery 锂电池 0601 Duplex Mast Lifting System 两级门架起升系统 0602 Lift Cylinder 起升油缸 0603 Vitta Combination Assembly 油管总成 0604 Triplex Mast Lifting System I 三级门架起升系统 I 0605 Triplex Mast Lifting System II 三级门架起升系统II 0606 Free Lift Cylinder 全自由起升油缸(S.N. before-120712) 060601 Free Lift Cylinder 全自由起升油缸(S.N. from120712 to 2281200213) 060602 Free Lift Cylinder全自由起升油缸(S.N. after 2281200214-) 0607 Lift Cylinder 起升油缸(S.N before-S2314158) 060701 Lift Cylinder 起升油缸 (S.N from S2314159 to 2281500212) 060702 Lift Cylinder起升油缸 (S.N. after 2281500213-) 0608 Vitta Combination Assembly 油管总成 0609 Chain Assembly 链条总成 0610 Loading Frame System I 载架系统 I 0611 Loading Frame System II 载架系统II 0612 Triplex Mast(4200mm) Lifting System I 三级门架(4.2米)起升系统I 0613 Triplex Mast(4200mm) Lifting System II 三级门架(4.2米)起升系统II 0614 Loading Frame(4200mm) System I 载架(4.2米)系统 I 0615Loading Frame(4200mm) System II 载架(4.2米)系统 II 0616 Tray Assembly 36in*36in,36in*30in 托盘总成 0616 Tray Assembly 36in*32in,32in*32in 托盘总成 0616 Front Work Platform Basket 36in*32in,20in*32in 托盘总成