0101 Double-Wheels Lifting Structure 双轮起升结构
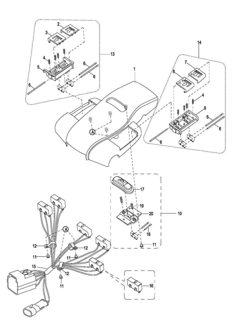
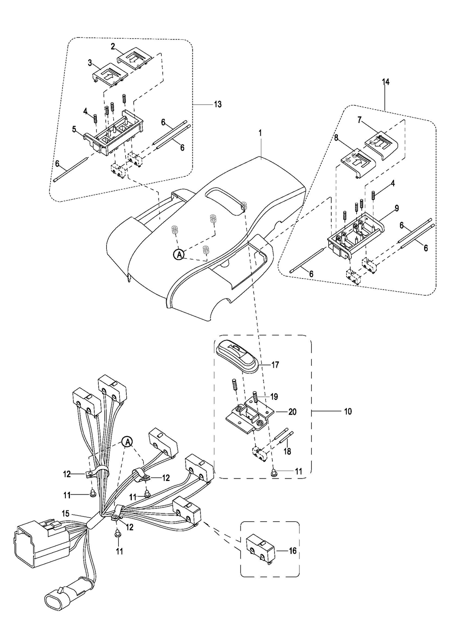
0102 Cover Assembly 外罩总成
0103 Caster Assembly 万向轮
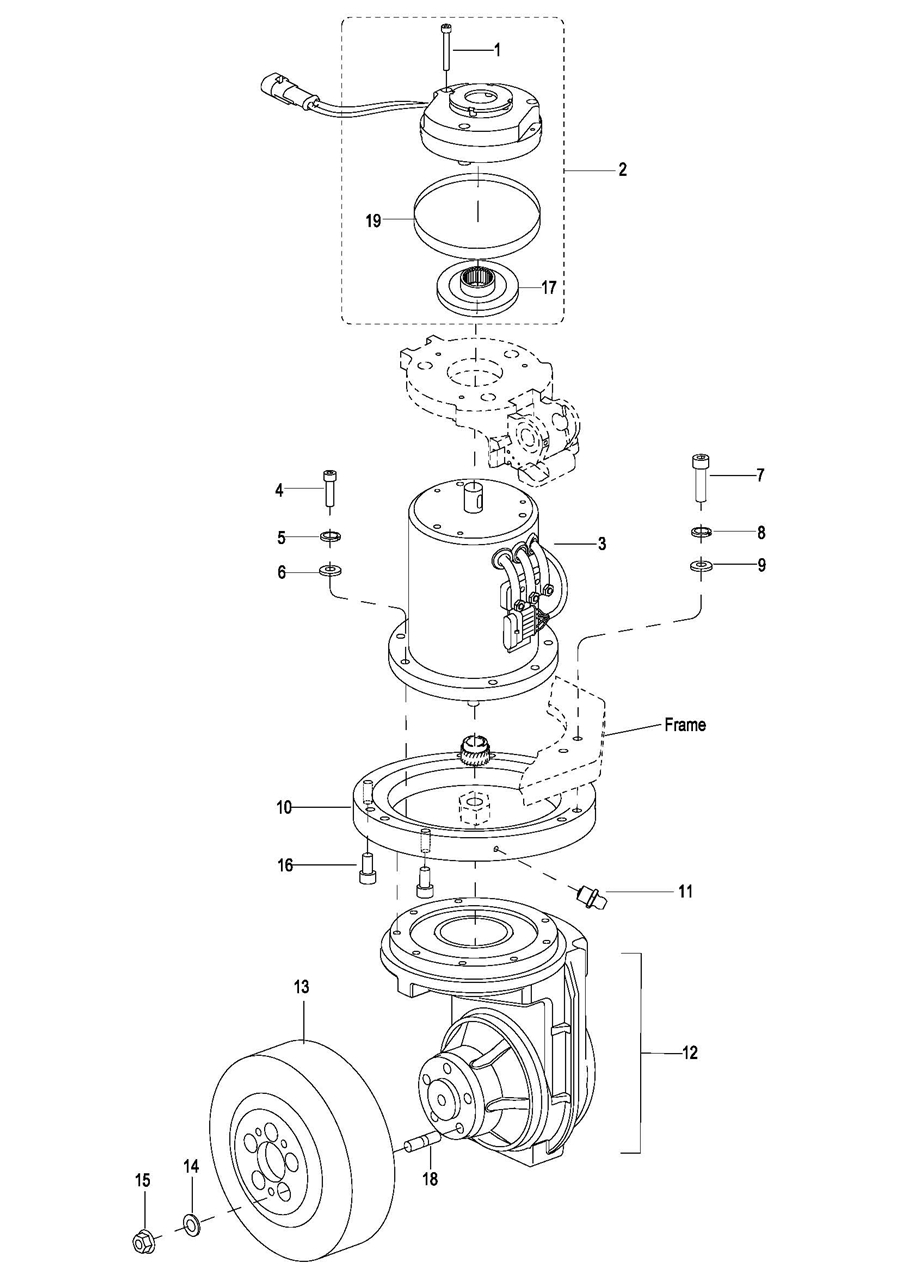
0201 Driving Assembly 驱动总成
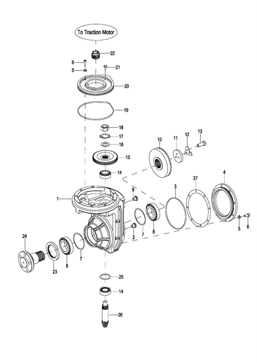
0202 Gear Case Assembly 减速箱总成(S.N. before -327120053 Parts being phased out)
020201 Gear Case Assembly减速箱总成(S.N. after 327120054-)
0301 Operating Control System 操作系统
0302 Control Pod Assembly 操作手柄头总成(S.N. before -327100158)
030201 Control Pod Assembly操作手柄头总成(S.N. after 327100159-)
0303 Upper Cover Assembly 上盖总成(S.N. before -327100158)
030301 Upper Cover Assembly上盖总成(SN. after 327100159-)
0304 Button Reverser Assembly 紧急反向开关总成(S.N.before -327100158)
0401 Hydraulic System 液压系统
0402 Hydraulic Pump Assembly 液压站总成
0403 Lifting Cylinder 起升油缸
0501 Electrical System 电气系统
0502 Contactor Panel Assembly 电器板总成
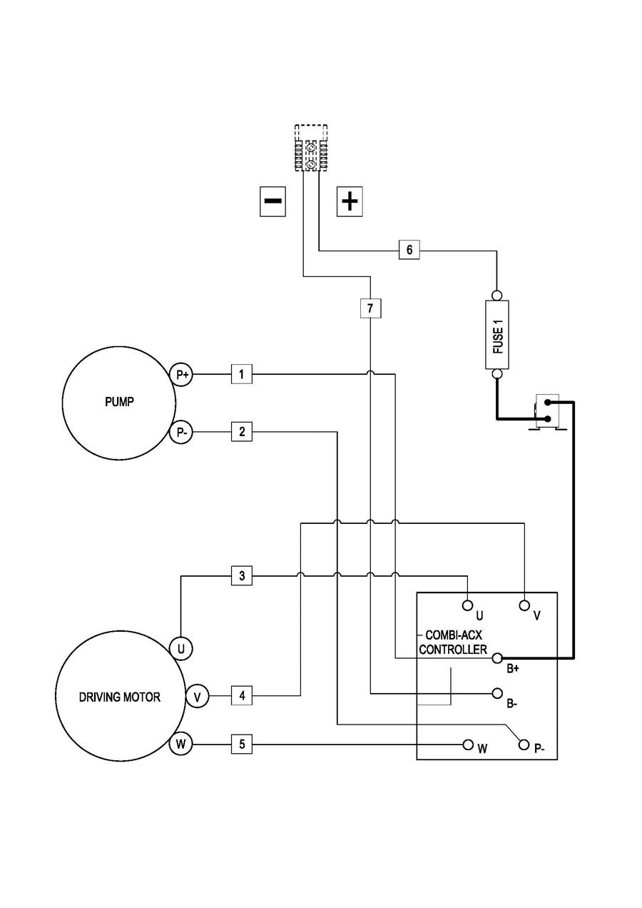
0503 Wire Harness 线束
0504 Cable Assembly 电缆总成
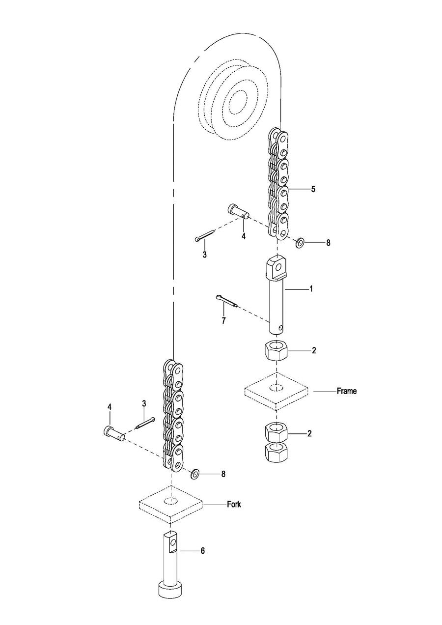
0601 Lifting System 起升系统
0602 Lifting Cylinder 起升油缸
0603 Chain Assembly 链条总成